Область техники
Изобретение относится к радиотехнике и может быть использовано в измерительной технике, радиолокации и связи.
Предшествующий уровень техники
При разработке синтезаторов частот решается ряд инженерных задач, к основным относятся: снижение уровня фазовых шумов и побочных спектральных составляющих, обеспечение требуемого диапазона генерируемых частот с заданным шагом перестройки частоты.
Известен синтезатор частот [1] (SU №1695488), содержащий опорный генератор, формирователь управляющих сигналов и декады, каждая из которых содержит смеситель, полосовой фильтр и делитель частоты, выполненный в виде делителя с переменным коэффициентом деления (ДПКД). Выходом декады является выход фильтра этой декады. Колебание ОГ подается одновременно на смеситель и ДПКД первой декады. Во второй и последующих декадах на входы смесителей подаются колебания ОГ, а на входы ДПКД - колебания с выхода предыдущей декады. Частоты выходных колебаний декад находятся в пределах полосы пропускания полосовых фильтров декад, которые выбираются одинаковыми.
Недостатком данного синтезатора является сложность подавления составляющих выходных колебаний предыдущих декад фильтром, установленным в декаде, поскольку частоты этих составляющих находятся внутри полосы пропускания фильтра декады.
Известен гибридный многокольцевой синтезатор частот [2] (RU №2774401), содержащий генератор колебаний опорной частоты, частотно-фазовый детектор, кольцевой фильтр нижних частот основного кольца фазовой автоподстройки частоты, генератор, управляемый напряжением, направленный ответвитель, первый, второй и третий делители частоты, смеситель, умножитель частоты, цифровой вычислительный синтезатор (ЦВС), первый, второй и третий полосовые фильтры, и второе кольцо фазовой автоподстройки частоты. В данном устройстве значение выходной частоты можно изменять, задавая разные значения коэффициента передачи ЦВС и коэффициентов деления делителей частоты колец фазовой автоподстройки частоты.
Недостатком данного устройства является малая скорость перестройки частоты, определяемая полосой пропускания фильтров нижних частот колец фазовой автоподстройки частоты.
Известен широкополосный синтезатор частот [3] (RU №2450418C1), содержащий перестраиваемый по частоте источник сигнала, формирователь команд управления и блоки расширения диапазона перестройки частоты, при этом вход первого блока соединен с выходом источника сигнала и каждый из блоков содержит смеситель, полосовой фильтр и делитель, в каждом блоке расширения диапазона перестройки частоты делитель выполнен с переключаемым коэффициентом деления и имеет высокочастотный вход и вход управления, при этом в каждом блоке высокочастотный вход делителя и вход гетеродина смесителя соединены со входом блока, вход управления делителя соединен с выходом формирователя команд управления, выход делителя соединен с входом промежуточной частоты смесителя, выход последнего соединен через полосовой фильтр с выходом блока, и блоки соединены так, что вход каждого последующего блока соединен непосредственно с выходом предыдущего.
Первый недостаток данного синтезатора состоит в том, что вносимые его делители частоты ухудшают фазовые шумы на выходе синтезатора при понижении частоты перестраиваемого по частоте источника сигнала. Поясним это на следующем примере. Рассмотрим малошумящий генератор ГК317, для которого достижимый уровень фазовых шумов на отстройке 100 кГц может составлять менее минус 180 дБн при выходной частоте 100 МГц. При умножении частоты генератора ГК317 в 40 раз (частота колебания ОГ 4ГГц, используемая в синтезаторе RU №2450418C1) уровень фазовых шумов ОГ на этой частоте составит минус 147 дБн. Если фазовые шумы делителя частоты составят минус 153 дБн (типичный уровень фазовых шумов делителя частоты HMC705LP4), фазовый шум после смесителя составит минус 146,8 дБн, что на 1,2 дБ выше шума ОГ, такое увеличение можно считать допустимым. Если требуется вести синтез в более низкочастотном диапазоне, фазовые шумы увеличатся на большую величину. Так при частоте колебания 1 ГГц фазовый шум ОГ составит минус 160 дБн, фазовый шум после смесителя возрастет до уровня минус 152,2 дБн и будет определяться только шумами делителя частоты. Это ограничивает диапазон частот, в котором применение синтезатора по патенту RU №2450418C1 не вызывает ухудшения фазовых шумов ОГ.
Второй недостаток данного синтезатора состоит в зависимости уровня выходной мощности от частотных характеристик коэффициентов передачи полосовых фильтров. При каскадном включении блоков расширения диапазона перестройки частоты (от двух до четырех в синтезаторе RU №2450418C1) может возникнуть значительная неравномерность уровня выходной мощности при изменении частоты выходного колебания синтезатора [4, с. 303].
Известен синтезатор [5] (US №9083318) представляющий собой генератор с цифровым управлением, имеющий частоту определяемую входными данными, и содержащий: решающий элемент, определяющий что входные данные имеют значение при котором ухудшаются фазовые шумы генератора с цифровым управлением; компенсирующий элемент, вносящий сдвиг во входные данные, если входные данные имеют значение при котором ухудшаются фазовые шумы генератора с цифровым управлением; элемент генерирующий выходную частоту используя входные данные со внесенным сдвигом; генерирующий элемент обеспечивающий тактовую частоту для генератора с цифровым управлением; управляющий элемент который устанавливает частоту управляемого элемента в соответствии со сдвигом входных данных внесенным компенсирующим элементом когда определено что входные данные имеют значение при котором ухудшаются фазовые шумы генератора с цифровым управлением.
Недостатком синтезатора US №9083318 является необходимость использования генератора, управляемого напряжением, в качестве генерирующего элемента, диапазон перестройки частоты которого определяется шагом частот выходного колебания синтезатора. Количество частот, на которых отсутствуют составляющие спектра, вызванные усечением кода фазы, определяется выражением
[6, с. 23-24], где
- количество старших адресуемых разрядов ЦАП, оставшихся после усечения кода фазы. Эти частоты расположены с шагом
. Для типичных значений
[7, с. 29] получаем
. Тогда относительный шаг по частоте
. Для получения малого уровня фазовых шумов синтезатора используют прецизионные малошумящие генераторы, в частности, кварцевые генераторы, в которых снижение фазового шума достигается за счет высокой добротности кварцевого резонатора [8, с. 124]. Высокая добротность ограничивает возможность изменения частоты выходного колебания внешним управляющим напряжением. Полученное выше расчетное верхнее значение
значительно превышает возможности перестройки частоты прецизионных кварцевых генераторов (в частности,
для ГК317), что исключает применение синтезатора US №9083318 при высоких требованиях к уровню фазовых шумов.
Известен синтезатор частот с быстрым переключением и низким фазовым шумом [12] (пат. US №9628066), представляющий собой малошумящий синтезатор с фазовой автоподстройки частоты (ФАПЧ) в котором механизм начальной настройки использует традиционное кольцо с делителем частоты для удержания генератора управляемого напряжением на требуемой выходной частоте; после достижения начального захвата, кольцо делителя отключается в пользу малошумящего кольца со смесителем, источник опорной частоты для малошумящего кольца включает в себя цепочку преобразования частоты вверх из смесителей и делителей на выходе цифрового вычислительного синтезатора (ЦВС), что дает высокое разрешение по частоте от ЦВС, однако сохраняет высокую частоту сравнения фазового детектора и по этой причине высокую скорость переключения.
Недостатком данного синтезатора является наличие умножителя частоты на выходе ЦВС и цепочки преобразования частоты вверх, используемого для формирования колебания источника опорной частоты для малошумящего кольца, что приводит к увеличению фазовых шумов ЦВС и цепочки преобразования частоты вверх по закону
, где
- коэффициент умножения частоты [10, с. 73], соответственно увеличиваются фазовые шумы колебания источника опорной частоты для малошумящего кольца и следовательно фазовые шумы всего синтезатора по патенту US №9628066.
Вторым недостатком данного синтезатора является увеличение шумов входного колебания за счет собственных шумов элементов кольца ФАПЧ, в частности фазового детектора и генератора управляемого напряжением, собственные шумы которых являются неотъемлемой частью шумов выходного колебания [10, с. 30-35].
Известен аналоговый синтезатор с высокой скоростью переключения и низкими фазовыми шумами [13] (пат. US №11356083), содержащий начальный генератор, состоящий из ЦВС, источника стабильной опорной частоты, смесителей и фильтров, с шагом частот управляемым делителями частоты с точной настройкой выполняемой ЦВС, и синтезатор, который умножает и транслирует частоту начального генератора используя операции смешения, фильтрации и деления частоты.
Недостатком данного синтезатора является увеличение фазовых шумов начального генератора в процессе умножения частоты за счет собственных фазовых шумов делителей и умножителей частоты, используемых в синтезаторе, который умножает и транслирует частоту начального генератора.
Второй недостаток данного синтезатора состоит в том, что уровень дискретных составляющих, возникающих в спектре выходного колебания начального генератора при точной настройке ЦВС, увеличивается при умножении частоты этого колебания в синтезаторе, который умножает и транслирует частоту начального генератора.
Наиболее близким аналогом к заявленному синтезатору является процессор обработки сигналов, содержащий ЦВС [9] (US №8699985).
На фиг.1 изображена структурная схема, реализующая процессор обработки сигналов - прототип.
Процессор обработки сигналов 300 содержит опорный генератор 305, первый программируемый делитель 310, второй программируемый делитель 315, смеситель 320, схема фильтрации 325, ЦВС 330, усилитель или буфер 335, умножитель частоты 340, схема фильтрации 345, управляемый генератор 350, делитель частоты кольца ФАПЧ 355, фазовый детектор 360, кольцевой фильтр 365, селектор/переключатель 370, усилитель или буфер 375, контроллер или процессор 380, вход сигнала 382, входной фильтр 384, первый смеситель промежуточной частоты (ПЧ) 386, первый фильтр ПЧ 388, второй усилитель или буфер колебания опорного генератора 390, второй смеситель ПЧ 392, второй фильтр ПЧ 394, порт входного сигнала 382. Причем выход опорного генератора 305 через последовательное соединение подключен к первому программируемому делителю 310, смесителю 320, схеме фильтрации 325, ЦВС 330, усилителю или буферу 335, умножителю частоты 340, схеме фильтрации 345, селектору/переключателю 370, усилителю или буферу 375, первому смесителю ПЧ 386, первому фильтру ПЧ 388, второму смесителю ПЧ 392, второму фильтру ПЧ, причем выход второго фильтра ПЧ является выходом процессора обработки сигналов, кроме того, опорный генератор дополнительно соединен со смесителем 320 через второй программируемый делитель 315, кроме того, ЦВС 330 через второе последовательное соединение подключен к фазовому детектору 360, кольцевому фильтру 365, управляемому генератору 350, селектору/переключателю 370, причем управляемый генератор дополнительно подключен к фазовому детектору 360 через делитель частоты кольца ФАПЧ 355, кроме того, порт входного сигнала 382 подключен к первому смесителю ПЧ через входной фильтр 384, кроме того, опорный генератор 305 через второй усилитель или буфер колебания опорного генератора 390 подключен к второму смесителю ПЧ 392.
Данный процессор обработки сигналов работает следующим образом. Опорный генератор 305 вырабатывает колебание на частоте
, которое подается на делители частоты 310 и 315, выходные колебания делителей частоты 310 с частотой
и 315 с частотой
подаются на смеситель 320, на выходе которого образуются колебания с частотами
и
, которые поступают на полосовой фильтр 325. На выходе полосового фильтра 325 выделяется колебание с частотой
, которое в зависимости от частоты на которую настроен фильтр 325 равно либо частоте
либо частоте
. Таким образом частоту
можно записать как
. Значения коэффициентов J и K программируются и устанавливаются контроллером 380. Схема фильтрации 325 может содержать несколько фильтров, переключение которых производится по командам поступающим от контроллера 380. Колебание с частотой
с выхода схемы фильтрации поступает на ЦВС 330, на выходе которого формируется колебание с частотой определяемой выражением
, где N - код частоты, S - разрядность аккумулятора фазы ЦВС. Значение кода частоты N устанавливается контроллером 380. Для получения диапазона выходных частот выше, чем частота колебания, формируемого ЦВС, используются два канала: канал умножения частоты, содержащий усилитель или буфер 335, умножитель частоты 340 и схему фильтрации 345; канал ФАПЧ, содержащий делитель частоты кольца ФАПЧ 355, фазовый детектор 360 и кольцевой фильтр 365. В обоих случаях получается колебание с частотой
, где
- коэффициент умножения частоты. Канал умножения частоты обеспечивает высокую скорость перестройки, тогда как канал ФАПЧ позволяет получить низкий уровень регулярных составляющих при низкой скорости перестройки частоты. Переключение каналов производится селектором/переключателем 370. затем усиливается усилителем/буфером 375. С выхода усилителя/буфера 375 колебание с частотой
поступает на смеситель 386. На смеситель 386 также подается сигнал 382, с выхода смесителя 382 сигнал с частотой
проходит через первый фильтр ПЧ 388 и поступает на второй смеситель ПЧ 392. На второй смеситель ПЧ также подается с выхода усилителя/буфера 390 колебание опорного генератора 305 с частотой
. С выхода смесителя 392 сигнал второй ПЧ с частотой
поступает на полосовой фильтр 394, а с выхода фильтра 394 - на выход процессора обработки сигналов.
Первым недостатком данного процессора обработки сигналов является ограниченный диапазон частот, формируемым ЦВС, определяемый частотой среза восстанавливающего фильтра низких частот, включенного на выходе ЦВС. Это вызывает необходимость использования умножителей частоты, что приводит к увеличению уровня фазовых шумов колебания по закону
, где
- коэффициент умножения частоты [10, с. 73].
Вторым недостатком данного процессора обработки сигналов является повышенный уровень фазовых шумов тактового колебания для ЦВС, получаемого с использованием двух делителей частоты, поскольку мощности фазовых шумов делителей частоты суммируются на выходе первого смесителя [11, с. 14].
Третьим недостатком данного процессора обработки сигналов является невозможность получения малых фазовых шумов и высокой скорости перестройки частоты одновременно с низким уровнем паразитных составляющих в спектре выходного колебания ЦВС, так как эти характеристики реализуются в разных каналах - канале умножения частоты и канале ФАПЧ.
Техническая проблема, решаемая заявленным изобретением, заключается в снижении уровня дискретных составляющих при обеспечении высокой скорости перестройки частоты и низком уровне фазовых шумов.
Технический результат заключается в решении указанной технической проблемы.
Указанный технический результат достигается в синтезаторе с низким уровнем фазовых шумов, содержащем опорный генератор, смеситель, схему фильтрации, цифровой вычислительный синтезатор ЦВС, контроллер или процессор, входной фильтр, первый смеситель промежуточной частоты (ПЧ), первый фильтр ПЧ, второй усилитель или буфер колебания опорного генератора, второй смеситель ПЧ, второй фильтр ПЧ, который дополнительно содержит схему умножения частоты, делитель мощности, второй цифровой вычислительный синтезатор ЦВС2, вторую схему фильтрации, третью схему фильтрации, третий смеситель, четвертую схему фильтрации, синхронизатор и формирователь сигнала, причем опорный генератор соединен со схемой умножения частоты, подключенной через последовательное соединение к делителю мощности, смесителю, схеме фильтрации, цифровому вычислительному синтезатору ЦВС, третьей схеме фильтрации, третьему смесителю, четвертой схемой фильтрации, первому смесителю ПЧ, первому фильтру ПЧ, второму смесителю ПЧ, второму фильтру ПЧ, выход которого является выходом синтезатора с низким уровнем фазовых шумов, причем делитель мощности дополнительно соединен со смесителем через последовательно соединенные второй цифровой вычислительный синтезатор ЦВС2 и вторую схему фильтрации, кроме того, опорный генератор подключен через третье последовательное соединение к синхронизатору, формирователю сигнала, входному фильтру, первому смесителю ПЧ, кроме того, схема умножения частоты подключена к третьему смесителю, кроме того, схема умножения частоты дополнительно соединена со вторым смесителем ПЧ через второй усилитель или буфер колебания опорного генератора.
Заявленное изобретение поясняется на графических материалах, где на фиг. 1 процессор обработки сигналов (прототип) 300 содержит опорный генератор 305, первый программируемый делитель 310, второй программируемый делитель 315, смеситель 320, схема фильтрации 325, ЦВС 330, усилитель или буфер 335, умножитель частоты 340, схема фильтрации 345, управляемый генератор 350, делитель частоты кольца ФАПЧ 355, фазовый детектор 360, кольцевой фильтр 365, селектор/переключатель 370, усилитель или буфер 375, контроллер или процессор 380, вход сигнала 382, входной фильтр 384, первый смеситель промежуточной частоты (ПЧ) 386, первый фильтр ПЧ 388, второй усилитель или буфер колебания опорного генератора 390, второй смеситель ПЧ 392, второй фильтр ПЧ 394, порт входного сигнала 382. Причем выход опорного генератора 305 через последовательное соединение подключен к первому программируемому делителю 310, смесителю 320, схеме фильтрации 325, ЦВС 330, усилителю или буферу 335, умножителю частоты 340, схеме фильтрации 345, селектору/переключателю 370, усилителю или буферу 375, первому смесителю ПЧ 386, первому фильтру ПЧ 388, второму смесителю ПЧ 392, второму фильтру ПЧ, причем выход второго фильтра ПЧ является выходом процессора обработки сигналов, кроме того, опорный генератор дополнительно соединен со смесителем 320 через второй программируемый делитель 315, кроме того, ЦВС 330 через второе последовательное соединение подключен к фазовому детектору 360, кольцевому фильтру 365, управляемому генератору 350, селектору/переключателю 370, причем управляемый генератор дополнительно подключен к фазовому детектору 360 через делитель частоты кольца ФАПЧ 355, кроме того, порт входного сигнала 382 подключен к первому смесителю ПЧ через входной фильтр 384, кроме того, опорный генератор 305 через второй усилитель или буфер колебания опорного генератора 390 подключен к второму смесителю ПЧ 392.
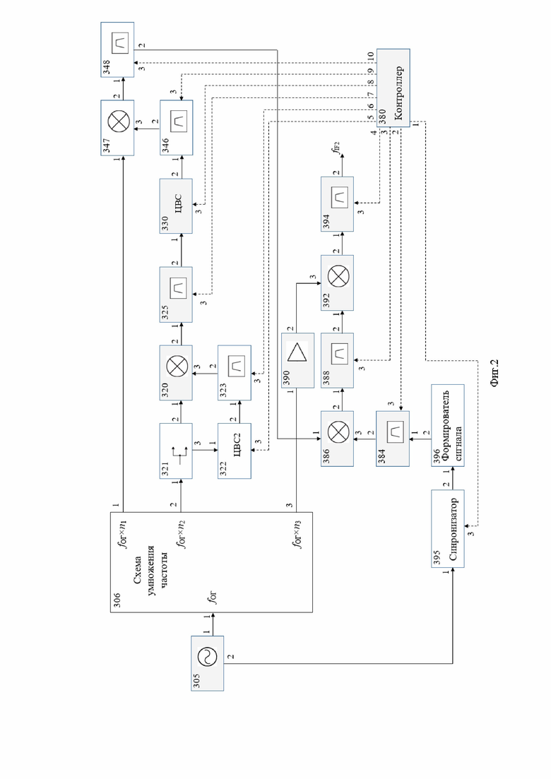
На фиг. 2 показан заявленный синтезатор с низким уровнем фазовых шумов, который содержит опорный генератор 305, смеситель 320, схему фильтрации 325, цифровой вычислительный синтезатор ЦВС 330, контроллер или процессор 380, входной фильтр 384, первый смеситель промежуточной частоты (ПЧ) 386, первый фильтр ПЧ 388, второй усилитель или буфер колебания опорного генератора 390, второй смеситель ПЧ 392, второй фильтр ПЧ 394, который дополнительно содержит схему умножения частоты 306, делитель мощности 321, второй цифровой вычислительный синтезатор ЦВС2 322, вторую схему фильтрации 323, третью схему фильтрации 346, третий смеситель ПЧ 347, четвертую схему фильтрации 348, синхронизатор 395 и формирователь сигнала 396, причем выход 2 опорного генератора 305 подключен ко входу 1 схемы умножения частоты, выход 2 схемы умножения частоты 306 подключен к входу 1 делителя мощности 321, выход 2 делителя мощности 321 подключен к входу 1 смесителя 320, выход 2 смесителя 320 подключен к входу 1 схемы фильтрации 325, выход 2 схемы фильтрации 325 подключен к входу 1 цифрового вычислительного синтезатора ЦВС 330, выход 2 цифрового вычислительного синтезатора ЦВС 330 подключен к входу 1 третьей схемы фильтрации 346, выход 2 третьей схемы фильтрации 346 подключен к входу 3 третьего смесителя ПЧ 347, выход 2 третьего смесителя ПЧ 347 подключен к входу 1 четвертой схемы фильтрации 348, выход 2 четвертой схемы фильтрации 348 подключен к входу 1 первого смесителя ПЧ 386, выход 2 первого смесителя ПЧ 386 подключен к входу 1 первого фильтра ПЧ 388, выход 2 первого фильтра ПЧ 388 подключен к входу 1 второго смесителя ПЧ 392, выход 2 второго смесителя ПЧ 392 подключен к входу 1 второго фильтра ПЧ 394, выход 2 второго фильтра ПЧ 394 является выходом синтезатора с низким уровнем фазовых шумов, причем выход 3 делителя мощности 321 подключен к входу 1 второго цифрового вычислительного синтезатора ЦВС2 322, выход 2 второго цифрового вычислительного синтезатора ЦВС2 322 подключен к входу 1 второй схемы фильтрации 323, выход 2 второй схемы фильтрации 323 подключен к входу 3 смесителя 320, кроме того, выход 2 опорного генератора 305 подключен к входу 1 синхронизатора 395, выход 2 синхронизатора 395 подключен к входу 1 формирователя сигнала 396, выход 2 формирователя сигнала подключен к входу 1 входного фильтра 384, выход 2 входного фильтра 384 подключен к входу 3 первого смесителя ПЧ 386, кроме того, выход 1 схемы умножения частоты 306 подключен к входу 1 третьего смесителя 346, кроме того, выход 3 схемы умножения частоты 306 подключен к входу 1 второго усилителя или буфера колебания опорного генератора 390, выход 2 второго усилителя или буфера колебания опорного генератора 390 подключен к входу 3 второго смесителя ПЧ 386, кроме того, выход 1 контроллера 380 подключен к входу 3 синхронизатора 395, выход 2 контроллера 380 подключен к входу 3 входного фильтра 384, выход 3 контроллера 380 подключен к входу 3 первого фильтра ПЧ 388, выход 4 контроллера 380 подключен к входу 3 второго фильтра ПЧ 394, выход 5 контроллера 380 подключен к входу 3 второго цифрового вычислительного синтезатора ЦВС2 322, выход 6 контроллера 380 подключен к входу 3 второй схемы фильтрации 323, выход 7 контроллера 380 подключен к входу 3 схемы фильтрации 325, выход 8 контроллера 380 подключен к входу 3 цифрового вычислительного синтезатора ЦВС 330, выход 9 контроллера 380 подключен к входу 3 третьей схемы фильтрации 346, выход 10 контроллера 380 подключен к входу 3 четвертой схемы фильтрации 348.
Опорный генератор 305 вырабатывает колебание
с частотой
с низким уровнем фазовых шумов, поступающий на схему умножения частоты 306, имеющую три выхода - выход 1 колебания
с частотой
, выход 2 колебания
с частотой
и выход 3 колебания
с частотой
, где
.
Колебание
с частотой
через делитель мощности 321 поступает на вход 1 ЦВС2 322 и на вход 1 смесителя 320, на выходе 2 ЦВС2 322 образуется колебание с частотой
, равной
(1)
где
- код частоты, формируемой ЦВС2 322,
- разрядность аккумулятора фазы ЦВС. Значение
устанавливается по командам, поступающим на вход 3 ЦВС2 322 с контроллера 380.
Частота колебания на выходе смесителя 320
Для уменьшения емкости аккумулятора фазы в цифровых вычислительных синтезаторах используется усечение кода фазы, при котором используются старшие
значащих старших разрядов, а младшие
разрядов отбрасываются. Если код частоты
удовлетворяет условию [14, с. 371]
(2)
спектр выходного колебания ЦВС2 будет содержать дискретные составляющие с частотами
(3)
Основная гармоника соответствует
.
Если условие (2) не выполняется, в спектре выходного колебания ЦВС2 будут содержаться дискретные составляющие, вызванные усечением кода фазы. Частоты этих дискретных составляющих определяются кодом частоты
и значениями
и
. Наибольшая из этих составляющих имеет уровень, определяемый выражением [14, с. 371]
(4)
Наибольшая составляющая будет располагаться некоторой отстройке
от частоты
выходного колебания ЦВС. По мере увеличения отстройки, уровень составляющих, вызванных усечением кода фазы, будет уменьшаться по закону 20 децибел на декаду [15].
Пример расчетного спектра усечения кода фазы приведен на фиг.3.
Из (1), (2) и (3) следует, что дискретные составляющие, вызванные усечением кода фазы, и комбинационные составляющие c
, отсутствуют в спектре выходного колебания ЦВС только при
Тем не менее, в синтезаторе можно получить спектр выходного колебания, в котором уровень дискретных составляющих будет иметь значения, сравнимые и даже меньшие чем уровень спектральной плотности мощности фазовых шумов (СПМФШ) этого колебания.
Рассмотрим ЦВС с аккумулятором фазы с разрядностью
и числом значащих старших разрядов
. Ограничим верхнее значение
(при больших значениях
могут возникнуть сложности с фильтрацией составляющей
и зеркальной составляющей колебания на выходе смесителя 320). Оценка для
с шагом 0,5 с использованием [15] дает значения
в пределах от 0,39 Гц до 4,47 Гц. С учетом (4)
Полагая
, получим для что вблизи отстройки
при
уровень регулярных составляющих, вызванных усечением кода фазы, не превысит
Если опорный генератор 305 и схема умножения частоты 306 на частоте
на отстройке
обеспечивают уровень СПМФШ
больше чем минус 154 дБн, то есть выполняется условие
(5)
влиянием регулярных составляющих, создаваемых ЦВС2, можно пренебречь.
Точное значение частоты
, формируемой ЦВС2, определяется кодом частоты и отличается от идеального значения
(1). В таблице 1 приведены значения модуля отклонения частоты
для
с шагом 0,5. Отклонение не превышает 0,0000029877 Гц.
Таблица 1
, Гц
, Гц
, Гц
Спектр комбинационных составляющих (3) быстро убывает при возрастании номеров
гармоник [11, с. 47-56]. При столь малом отклонении частоты все значимые комбинационные составляющие будут сосредоточены на очень малых отстройках от несущей частоты, и будут ниже чем фазовые шумы тактового колебания ЦВС2 на частоте
.
Выбор
в соответствии с таблицей 1 позволяет ограничить спектр нежелательных регулярных составляющих на выходе ЦВС2 322 с частотами кратными
и
, которые легко подавляются второй схемой фильтрации 323. Вторая схема фильтрации 323 может быть выполнена с использованием набора фильтров, коммутируемых по командам, поступающим на вход 3 второй схемы фильтрации 323 с контроллера 380.
Возможен выбор значений
из условия
, при этом следует для каждого значения
находить соответствующий код частоты
и для него вычислять
, выбирая только те значения
, для которых выполняется условие (5).
Таким образом, уровень регулярных составляющих колебания на выходе смесителя 320 будет пренебрежимо малым, а фазовые шумы этого колебания будут определяться СПМФШ тактового колебания и собственными фазовыми шумами ЦВС2. При этом выбором значений
можно получить фазовые шумы на выходе смесителя, мало отличающиеся от фазовых шумов тактового колебания ЦВС2 [16].
Колебание с выхода смесителя 320 поступает на схему фильтрации 325, которая обеспечивает подавление составляющей
и зеркальной составляющей колебания на выходе смесителя 320. Схема фильтрации 325 аналогично второй схеме фильтрации 323 может быть выполнена с использованием набора фильтров, коммутируемых по командам, поступающим на вход 3 схемы фильтрации 325 с контроллера 380. Таким образом, на выходе схемы фильтрации 325 формируется колебание
с низким уровнем регулярных составляющих и малым уровнем фазовых шумов.
С выхода схемы фильтрации 325 колебание поступает на ЦВС 330 и далее на третью схему фильтрации 346. На выходе 2 ЦВС 330 образуется колебание с частотой
, равной
где
- код частоты, формируемой ЦВС2,
- разрядность аккумулятора фазы ЦВС 330. Значение
устанавливается по командам, поступающим на вход 3 ЦВС 330 с контроллера 380. Нежелательные регулярные составляющие на выходе ЦВС 325 с частотами кратными
и
легко подавляются третьей схемой фильтрации 346, которая может быть выполнена с использованием набора фильтров, коммутируемых по командам, поступающим на вход 3 третьей схемы фильтрации 346 с контроллера 380.
При выборе значений
следует руководствоваться теми же принципами, что и при выборе значений
, тогда регулярные составляющие, вызванные усечением кода частоты, будут иметь пренебрежимо малые уровни по сравнению с СПМФШ колебания
с частотой
.
СПМФШ колебания на выходе 2 ЦВС 330 будет фактически определяться собственными шумами ЦВС 330, поскольку для колебания
поступающего на вход 1 ЦВС 330 данный ЦВС действует как делитель частоты с коэффициентом деления
, за счет чего СПМФШ колебания
снижается в
раз.
Частота колебания на выходе третьего смесителя 347
Малый уровень комбинационных составляющих на выходе третьего смесителя ПЧ 347, определяемых выражением (3) при замене индекса 2 на индекс 1, можно получить используя например методику [11, с. 47-56] или аналогичную, устанавливая значение частоты
выбором коэффициента
.
Уровень СПМФШ колебания на выходе 2 третьего смесителя ПЧ 347 будет определяться уровнем СПМФШ колебания
, для чего следует выбирать значения
, при которых СПМФШ колебания формируемого ЦВС 330, будут малы по сравнению с СПМФШ колебания
.
Комбинационные составляющие на выходе третьего смесителя ПЧ подавляются четвертой схемой фильтрации 348, которая может быть выполнена с использованием набора фильтров, коммутируемых по командам, поступающим на вход 3 четвертой схемы фильтрации 348 с контроллера 380.
Уровень СПМФШ колебания
на выходе четвертой схемы фильтрации 348 будет определяться уровнем СПМФШ колебания на выходе 2 третьего смесителя ПЧ 347.
Таким образом, на выходе 2 четвертой схемы фильтрации 348 формируется колебание
с низким уровнем регулярных составляющих и малым уровнем фазовых шумов.
Колебание
с выхода 2 четвертой схемы фильтрации 348 поступает на вход 1 первого смесителя ПЧ 386. Первый смеситель ПЧ 386 осуществляет преобразование сигнала, сформированного формирователем сигнала 396, на первую промежуточную частоту. Формирователь сигнала 396, выполняет когерентное формирование сигнала и управляется синхронизатором 395, тактируемым задающим генератором 305.
Сигнал первой промежуточной частоты с выхода 2 первого смесителя ПЧ 386 через первый фильтр ПЧ 388, выделяющий суммарную или разностную частоту сигнала на выходе 2 первого смесителя ПЧ 386, поступает на вход 1 второго смесителя ПЧ 392. На вход 3 второго смесителя ПЧ через усилитель (буфер) 390 поступает колебание
с выхода 3 схемы умножения частоты. Второй смеситель ПЧ 392 осуществляет преобразование сигнала первой промежуточной частоты на вторую промежуточную частоту. Сигнал второй промежуточной частоты с выхода 2 второго смесителя ПЧ 392 через второй фильтр ПЧ 394, выделяющий суммарную или разностную частоту сигнала на выходе 2 второго смесителя ПЧ 392, поступает на выход синтезатора.
Частота
и частота сигнала на выходе 2 формирователя сигнала 384 выбираются так, чтобы минимизировать количество и уровень комбинационных составляющих в спектре выходного колебания синтезатора с частотой
, для чего можно воспользоваться методикой [11].
Входной фильтр 384, первый фильтр ПЧ 388 и второй фильтр ПЧ 392 могут быть выполнены в виде набора фильтров, коммутируемых по командам, поступающим на вход 3 входного фильтра 384, вход 3 первого фильтра ПЧ и вход 3 второго фильтра ПЧ 392 с контроллера 380.
Поскольку в смесителях ПЧ 386 и 392 производится преобразование частоты колебания
, фазовые шумы колебания
не увеличиваются, а следовательно, не увеличиваются фазовые шумы колебания
на выходе второго фильтра ПЧ 394.
Таким образом, на выходе второго фильтра ПЧ 394, являющегося выходом синтезатора, формируется колебание
с низким уровнем регулярных составляющих и малым уровнем фазовых шумов.
При этом одновременно обеспечивается высокая скорость переключения частот, определяемая временем формирования и приема команд управления контроллера 380, и временем задержки сигнала в фильтрах схем фильтрации, фильтров ПЧ и входного фильтра.
Источники информации:
1. Авторское свидетельство SU №1695488 А1 от 30.11.91. Синтезатор частот.
2. Патент РФ №2774401 от 21.06.2022. Гибридный многокольцевой синтезатор частот.
3. Патент РФ №2450418 от 10.05.2012. Широкополосный синтезатор частот.
4. Цыкин, Г.С. Усилительные устройства : учебник для вузов / Г.С. Цыкин. - 4-е изд., перераб. - Москва : Связь, 1971. - 367 c.
5. Патент США №9083318 от 14.06.2015. Digitally controlled oscillator and output frequency control method.
6. Смекалов А. И. Метод прямого цифрового синтеза гармонического сигнала. Анализ и математическое моделирование //Радиотехника. - 2011. - №. 1. - С. 16-29.
7. Мёрфи Е., Власенко А. Всё о синтезаторах DDS //Компоненты и технологии. - 2005. - №. 45. - С. 28-32.
8. Ченакин А.В., Горевой А.В. Практическое построение синтезаторов частот СВЧ диапазона //М.: Горячая линия-Телеком. - 2021. -280 с.
9. Патент США №8699985 от 15.04.2014. Frequency generator including direct digital synthesizer and signal processor including the same.
10. Ченакин А.В., Горевой А.В. Практическое построение синтезаторов частот СВЧ-диапазона. - М.: Горячая линия - Телеком, 2021.
11. Манассевич В. Синтезаторы частот. Теория и проектирование. - М: Связь, 1979.
12. Патент США № 9628066 от 08.09.2016. Fast switching, low phase noise frequency synthesizer.
13. Патент США № 11356083 от 20.05.2021. High switching speed and low-phase-noise-analog synthesizer.
14. Rogers J. W. M. et al. Integrated circuit design for high-speed frequency synthesis. - Boston, London : Artech House, 2006.
15. Kroupa V. F. et al. Spurious signals in direct digital frequency synthesizers due to the phase truncation //IEEE transactions on ultrasonics, ferroelectrics, and frequency control. - 2000. - Т. 47. - №. 5. - С. 1166-1172.
16. Королев А.В., Коршиков Я.В., Рыков С.Г. Гибридный синтезатор с двумя кольцами ФАПЧ и ЦВС. Часть 1. Цепь смещения частоты. // Радиотехника. 2023. Т. 87. № xx. С. 178-192.
| название | год | авторы | номер документа |
|---|---|---|---|
| Система для измерения вносимого фазового шума устройства высокочастотного, сверхвысокочастотного или оптического диапазонов | 2023 |
|
RU2807958C1 |
| Гибридный многокольцевой синтезатор частот | 2021 |
|
RU2774401C1 |
| ЦИФРОВОЙ СИНТЕЗАТОР ЧАСТОТ | 2004 |
|
RU2275735C2 |
| УСТРОЙСТВО ФОРМИРОВАНИЯ СЛОЖНЫХ СИГНАЛОВ | 2020 |
|
RU2749996C1 |
| КВАНТОВЫЙ СТАНДАРТ ЧАСТОТЫ (ВАРИАНТЫ) | 2002 |
|
RU2208906C1 |
| УСТРОЙСТВО ДЛЯ СОЗДАНИЯ ПРИЦЕЛЬНЫХ ПОМЕХ РАДИОЛОКАЦИОННЫМ СТАНЦИЯМ | 2006 |
|
RU2329603C2 |
| СИНТЕЗАТОР ЧАСТОТ | 2009 |
|
RU2423784C2 |
| ШИРОКОПОЛОСНЫЙ СИНТЕЗАТОР ЧАСТОТ | 2011 |
|
RU2450418C1 |
| Синтезатор частот | 1990 |
|
SU1721827A1 |
| СВЕРХВЫСОКОЧАСТОТНОЕ ПРИЕМНОЕ УСТРОЙСТВО | 1999 |
|
RU2161861C1 |
Изобретение относится к радиотехнике и может быть использовано в измерительной технике, радиолокации и связи. Техническим результатом изобретения является снижение уровня дискретных составляющих при обеспечении высокой скорости перестройки частоты и низком уровне фазовых шумов. Синтезатор с низким уровнем фазовых шумов дополнительно содержит схему умножения частоты, делитель мощности, второй цифровой вычислительный синтезатор (ЦВС2), вторую схему фильтрации, третью схему фильтрации, третий смеситель, четвертую схему фильтрации, синхронизатор и формирователь сигнала. 1 табл., 3 ил. 
Синтезатор с низким уровнем фазовых шумов, содержащий опорный генератор, смеситель, схему фильтрации, цифровой вычислительный синтезатор (ЦВС), контроллер или процессор, входной фильтр, первый смеситель промежуточной частоты (ПЧ), первый фильтр ПЧ, второй усилитель или буфер колебания опорного генератора, второй смеситель ПЧ, второй фильтр ПЧ, отличающийся тем, что дополнительно содержит схему умножения частоты, делитель мощности, второй цифровой вычислительный синтезатор (ЦВС2), вторую схему фильтрации, третью схему фильтрации, третий смеситель, четвертую схему фильтрации, синхронизатор и формирователь сигнала, причем опорный генератор соединен со схемой умножения частоты, подключенной через последовательное соединение к делителю мощности, смесителю, схеме фильтрации, цифровому вычислительному синтезатору (ЦВС), третьей схеме фильтрации, третьему смесителю, четвертой схеме фильтрации, первому смесителю ПЧ, первому фильтру ПЧ, второму смесителю ПЧ, второму фильтру ПЧ, выход которого является выходом синтезатора с низким уровнем фазовых шумов, причем делитель мощности дополнительно соединен со смесителем через последовательно соединенные второй цифровой вычислительный синтезатор (ЦВС2) и вторую схему фильтрации, кроме того, опорный генератор подключен через третье последовательное соединение к синхронизатору, формирователю сигнала, входному фильтру, первому смесителю ПЧ, кроме того, схема умножения частоты подключена к третьему смесителю, кроме того, схема умножения частоты дополнительно соединена со вторым смесителем ПЧ через второй усилитель или буфер колебания опорного генератора.
| US 8699985 B1, 15.04.2014 | |||
| Гибридный многокольцевой синтезатор частот | 2021 |
|
RU2774401C1 |
| УСТРОЙСТВО для ПРОВЕДЕНИЯ ВСПОМОГАТЕЛЬНОГОДЫХАНИЯ | 0 |
|
SU187248A1 |
| ШИРОКОПОЛОСНЫЙ СИНТЕЗАТОР ЧАСТОТ | 2011 |
|
RU2450418C1 |
| US 5150078 A, 22.09.1992 | |||
| CN 116527044 A, 01.08.2023. | |||
Авторы
Даты
2024-11-25—Публикация
2024-05-30—Подача