Изобретение относится к электротехнике, в частности к однотактным преобразователям постоянного напряжения, и может быть использовано в системах вторичного электропитания для преобразования, стабилизации и регулирования постоянного выходного напряжения, гальванически отделенного от входного постоянного напряжения.
Известны преобразователи постоянного напряжения с гальваническим разделением выходного постоянного напряжения от входного постоянного напряжения [1].
Недостатком известных преобразователей постоянного входного напряжения в постоянное выходное напряжение является ограниченный диапазон регулирования выходного напряжения, повышенные требования к зазорам в магнитопроводе трансформатора, трапецеидальная форма тока через регулирующий ключ, большие динамические потери в регулирующем ключе при его включении и выключении.
Наиболее близок по технической сущности к предлагаемому устройству преобразователь постоянного напряжения с передачей энергии в выходную цепь на обратном ходе (Flyback), содержащий первичную обмотку трансформатора, подключенную через управляемый ключ к зажимам входного источника постоянного напряжения, вторичную обмотку трансформатора, подключенную через выпрямительный диод к емкостному фильтру, параллельно которому включена нагрузка [1].
Недостатки данного преобразователя состоят в том, что в нем энергия в нагрузку передается только на интервале времени выключенного состояния регулирующего ключа, что ограничивает регулирующие возможности преобразователя напряжения, требует значительных размеров зазора в магнитопроводе и связанные с этим потери в трансформаторе, значительные статические и динамические потери мощности в регулирующем ключе на интервалах времени его включения и выключения, связанные с трапецеидальной формой тока, протекающего через регулирующий ключ.
Цель изобретения – формирование постоянного выходного напряжения из постоянного входного напряжения, уменьшение статических и динамических потерь.
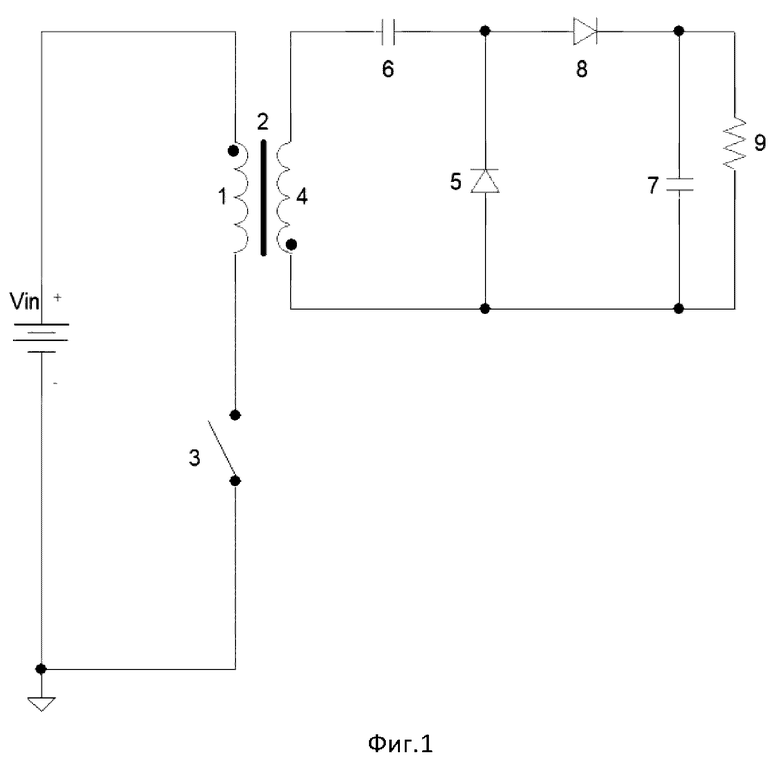
Поставленная цель достигается тем, что в однотактном преобразователе постоянного напряжения начало первичной обмотки 1 трансформатора 2 соединено с положительным полюсом входного источника постоянного напряжения, а конец первичной обмотки 1 через ключ 3, подключен к его отрицательному полюсу. С началом вторичной обмотки 4 трансформатора 2 соединен анод первого выпрямительного диода 5, катод которого подключен к одному из выводов конденсатора 6, второй вывод которого подключен к концу обмотки 4. Общая точка соединения катода выпрямительного диода 5 с конденсатором 6 подключена к аноду второго выпрямительного диода 8, катод которого подключен к первому выводу конденсатора фильтра 7 с параллельно включенной нагрузкой 9, второй вывод которой подключен к общей точке соединения начала вторичной обмотки 4 с анодом выпрямительного диода 5.
На фиг.1 представлена принципиальная электрическая схема однотактного преобразователя постоянного напряжения.
В нем (фиг.1) начало первичной обмотки 1 трансформатора 2 соединено с положительным полюсом входного источника постоянного напряжения, а конец первичной обмотки 1 через ключ 3, подключен к его отрицательному полюсу. С началом вторичной обмотки 4 трансформатора 2 соединен анод первого выпрямительного диода 5, катод которого подключен к одному из выводов конденсатора 6, второй вывод которого подключен к концу обмотки 4. Общая точка соединения катода выпрямительного диода 5 с конденсатором 6 подключена к аноду второго выпрямительного диода 8, катод которого подключен к первому выводу конденсатора фильтра 7 с параллельно включенной нагрузкой 9, второй вывод которой подключен к общей точке соединения начала вторичной обмотки 4 с анодом выпрямительного диода 5.
Принцип действия предлагаемого однотактного преобразователя постоянного напряжения рассмотрим исходя из предположения идеальности ключевых элементов, установившегося режима работы и непрерывности изменения магнитного потока в сердечнике трансформатора 2.
Обозначим через D относительную к периоду T длительность включенного состояния ключа 3. В этом случае на этапе замкнутого состояния DT ключа 3 происходит передача энергии в первый конденсатор 6 через прямосмещенный выпрямительный диод 5 и обмотку 4. При этом вследствие баланса зарядов на интервалах времени DT и (1-D)T конденсатора 6 через выпрямительный диод 5 течет ток IL/D, где IL – ток нагрузки, а напряжение на конденсаторе 6 определяется выражением nVIN, где n - отношение витков обмотки 4 к обмотке 1.
После выключения ключа 3 на интервале времени (1-D)T напряжение на обмотках трансформатора 2 изменяет знак. Вследствие этого выпрямительный диод 5 закрывается, а диод 8 открывается и накопленная энергия в трансформаторе 2 на интервале времени DT, включенного состояния ключа 3, и конденсаторе 6, выводится в конденсатор 7 через выпрямительный диод 8 и вторичную обмотку 4 трансформатора 2. При этом вследствие баланса зарядов конденсатора 7 через выпрямительный диод 8 течет ток IL/(1-D), а напряжение на конденсаторе 7, являющееся выходным напряжением, определяется суммой напряжений на конденсаторе 6 и вторичной обмотке 4, и устанавливается на уровне nVIN/(1-D).
При передаче энергии в выходную цепь на интервале времени DT, включенного состояния ключа 3, протекают два процесса: один из которых связан с одновременным намагничиванием трансформатора 2 по первичной обмотке 1 от источника входного напряжения VIN и по вторичной обмотке 4 от напряжения nVIN на конденсаторе 6. В результате этих намагничиваний токи пропорционально линейно нарастают. Во вторичной обмотке 4 нарастание этого тока приводит к уменьшению тока через выпрямительный диод 5, находящийся в проводящем состоянии на этом интервале времени. Линейное уменьшение тока через выпрямительный диод 5 трансформируется в первичную обмотку 1 и компенсирует линейное нарастание тока по первичной обмотке 1, что приводит к прямоугольной форме тока через регулирующий ключ 3.
Второй процесс связан с моментом включения регулирующего ключа 3. При включении регулирующего ключа 3, происходит переполюсовка напряжений на обмотках трансформатора, приводящая к выключению выпрямительного диода 8 и включению выпрямительного диода 5. Однако включение выпрямительного диода 5 происходит с временной задержкой по отношению к моменту включения регулирующего ключа 3. Эта задержка обусловлена конечным временем изменения напряжения на обмотках трансформатора 2 и положительным потенциалом на катоде выпрямительного диода 5 равного nVIN.
Временная задержка передачи энергии в выходную цепь при включении регулирующего ключа 3 приводит к разнесению фронтов тока и напряжения на регулирующем ключе 3 и снижению динамических потерь при его включении.
Как уже отмечалось выше ток через регулирующий ключ 3 носит прямоугольный характер, что снижает потери на регулирующем ключе 3 при его выключении, поскольку ключ выключается на меньший ток.
Таким образом, предлагаемый однотактный преобразователь постоянного напряжения, по сравнению с известным устройством позволяет передавать энергию в нагрузку в течение всего периода T работы преобразователя, расширяя регулировочные и мощностные возможности, а в силу специфики передачи энергии в выходную цепь в виде импульса напряжения и импульса тока сформировать временную задержку передачи энергии в выходную цепь при включении регулирующего ключа 3 и тем самым разнести нарастание тока через регулирующий ключ и спад напряжения, что существенно снижает потери мощности на ключе при его включении, а прямоугольная форма тока, протекающего через ключ 3 снижает потери на нем при его выключении.
1. [Поликарпов А.Г., Сергиенко Е.Ф. Однотактные преобразователи в устройствах электропитания РЭА, “Радио и связь”, 1989, стр.47 рис.2.1].
Изобретение относится к электротехнике, в частности к однотактным преобразователям постоянного напряжения, и может быть использовано в системах вторичного электропитания для преобразования, регулирования и стабилизации постоянного выходного напряжения. Цель изобретения – формирование постоянного выходного напряжения из постоянного входного напряжения, уменьшение статических и динамических потерь. Устройство содержит первичную обмотку 1 трансформатора 2, соединенную началом с положительным полюсом входного источника постоянного напряжения, а концом через регулирующий ключ 3 с его отрицательным полюсом. С началом вторичной обмотки 4 трансформатора 2 соединен анод первого выпрямительного диода 5, катод которого подключен к одному из выводов конденсатора 6, второй вывод которого подключен к концу обмотки 4. Общая точка соединения катода выпрямительного диода 5 с конденсатором 6 подключена к аноду второго выпрямительного диода 8, катод которого подключен к первому выводу конденсатора фильтра 7 с параллельно включенной нагрузкой 9, второй вывод которой подключен к общей точке соединения начала вторичной обмотки 4 с анодом выпрямительного диода 5. 1 ил. 
Однотактный преобразователь постоянного напряжения, содержащий трансформатор, имеющий первичную обмотку, подключенную через управляемый ключ к входным выводам источника постоянного напряжения, вторичную обмотку, соединенную через выпрямительный диод с выходными зажимами конденсатора фильтра, отличающийся тем, что вторичная обмотка трансформатора через первый выпрямительный диод началом подключена к одному зажиму первого конденсатора, концом к другому, а через второй выпрямительный диод, подключенный к общей точке соединения первого выпрямительного диода с первым конденсатором, осуществляющий выведение реактивной энергии трансформатора, подключена к зажимам второго конденсатора фильтра, параллельно которому включена нагрузка.
| ИСТОЧНИК ВТОРИЧНОГО ЭЛЕКТРОПИТАНИЯ | 2021 |
|
RU2787116C1 |
| ОДНОТАКТНЫЙ ОБРАТНОХОДОВОЙ ПРЕОБРАЗОВАТЕЛЬ НАПРЯЖЕНИЯ | 1993 |
|
RU2031531C1 |
| Однотактный преобразователь постоянного напряжения с прямой передачей энергии в нагрузку | 2024 |
|
RU2826687C1 |
| Высокочастотный однотактный конвертор | 1988 |
|
SU1615848A1 |
| US 3596165 A1, 27.07.1971 | |||
| US 9450495 B, 20.09.2016. | |||
Авторы
Даты
2025-03-11—Публикация
2024-09-18—Подача