Область техники
Изобретение относится к нефтегазодобывающей промышленности, в частности к способам бурения и устройства пилотных стволов в несовместимых условиях бурения.
Уровень техники
В последнее время для скважин, строительство которых, ведется в плохо прогнозируемых геологических разрезах (например: в районе Восточной Сибири) отмечается общая тенденция на необходимость активного бурения пилотных стволов для уточнения коридора бурения и доразведки месторождения. Количество пилотных стволов может быть более одного и доходить до 4-х и более из одной скважины с проведением работ по геофизическому исследованию скважин, гидродинамическому исследования скважин, отбору керна.
Бурение пилотных стволов часто сопровождается одновременным вскрытием нескольких зон (горизонтов, включая продуктивный) с осложнениями, выраженными в виде различных условий, которые ведут к получению несовместимых условий бурения.
Зоны с осложнениями могу представлять собой зоны (горизонты) с аномально высоким пластовым давлением (АВПД), аномально низким пластовым давлением (АНПД), склонностью к текучести, поглощению или разрушению.
Вскрытие при бурении двух зон с осложнениями, обладающими различными характеристиками, ведет к невозможности бурить интервалы скважин без аварий, критического расхода бурового и тампонажного раствора, такие условия бурения принято называть несовместимыми.
Так, например, бурение интервала с аномально низким пластовым давлением и интервала с аномально высоким пластовым давлением не может осуществляться с применением раствора одной плотности, так как для бурения интервала с аномально высоким пластовым давлением требуется раствор высокой плотности, это неизбежно приводит к поглощению (потере раствора) в интервале с аномально низким пластовым давлением, снижению уровня в скважине и возникновению газонефтеводопроявлений (ГНВП) и даже открытого фонтана. Бурение интервала с аномально высоким пластовым давлением с применением бурового раствора с низкой плотностью (что запрещено правилами безопасности) не ведет к поглощению раствора в интервале с аномально низким пластовым давлением, но неизбежно ведет к газонефтеводопроявлению (ГНВП).
Другой пример, бурение в интервалах текучих (склонных к обвалу пород - соль, уголь) одновременно с интервалом с аномально низким пластовым давлением приводит к поглощению в зонах с аномально низким пластовым давлением, снижению уровня жидкости в скважине и давления, что приводит к отсутствию необходимого компенсационного противодавления на соли, угли, что и вызывает их течь и обвалы.
Наличие несовместимых условий бурения приводит к невозможности строительства пилотных стволов по причине высоких рисков, связанных с нарушением безопасности работ как для персонала (несчастные случаи), так и для скважины (авария, потеря ствола).
Традиционно, для исключения одновременного бурения интервалов с несовместимыми условиями, используется: подбор конструкции скважины (спуск обсадных колонн) или ликвидация одной из зон известными способами (установка цем.мостов, закачка наполнителей и др.).
К сожалению, известные методы не обеспечивают гарантированного эффекта ликвидации зон с несовместимыми условиями, требуют значительных материальных и временных затрат.
Известен способ строительства скважины по патенту CA 1225926 A [1], в котором осуществляют бурение скважины через по меньшей мере один флюидоносный пласт, герметизацию верхних рыхлых пластов извлекаемой направляющей трубой, определение различных уровней пересеченных флюидоносных пластов посредством геофизического каротажа; сборку обсадной колонны в соответствии с уровнем и расстоянием между указанными определенными уровнями пересекающихся флюидоносных пластов так, чтобы пакеры необсаженного ствола соответствовали указанным определенным уровням и местоположению указанных флюидоносных пластов; установку и временное крепление указанной обсадной колонны в указанной скважине; закачивание жидкости через указанное отверстие до тех пор, пока не будет получена жидкость, определение по результатам испытаний качества жидкости, прокачиваемой через указанную обсадную колонну, если результаты испытаний благоприятны, цементирование указанной обсадной колонны в указанной скважине и ввод указанной скважины в полную эксплуатацию, если результаты испытаний неблагоприятны, заполнение указанной скважины бетоном.
Описанный способ направлен в том числе на эффективное изолирование флюидоносных пластов друг от друга, также способ позволяет временно и безопасно фиксировать обсадную колонну для возможности ее подъема, если в дальнейшем может возникнуть необходимость в демонтаже.
Недостатками данного способа являются необходимость одновременного бурения через интервалы (в том числе один или несколько флюидоносных пластов), которые могут иметь несовместимые условия бурения, что само по себе уже может привести к описанным выше проблемам.
Данный способ не является универсальным и опасен в случае наличия несовместимых условий бурения.
Известен способ ликвидации скважины по патенту RU 2530003 C1 [2], включающий спуск колонны труб в обсадную колонну скважины, установку цементного моста в скважине от забоя до устья скважины, геофизические исследования для определения длины незацементированной части обсадной колонны, натяжку обсадной колонны с нагрузкой, равной собственному весу извлекаемой части обсадной колонны, отрез трубы обсадной колонны в скважине на 5-10 м выше нижнего конца незацементированной части обсадной колонны, извлечение незацементированной части обсадной колонны, спуск колонны труб малого диаметра с перфорированными отверстиями и заглушкой на конце, при этом суммарная площадь перфорированных отверстий превышает площадь внутреннего сечения самой колонны труб малого диаметра не менее чем в два раза, после чего в колонну труб малого диаметра до забоя спускают оптоволоконный кабель и дополнительную колонну труб, далее производят установку цементного моста тампонированием под давлением от забоя до устья скважины с использованием термостойкого цемента с добавлением фиброволокна, периодически фиксируют температурное распределение в стволе скважины после ее ликвидации.
Описанный способ направлен в том числе на исключение возможности перетока тепла между пластами.
Недостатками данного способа являются то, что этот способ применяется с целью ликвидации скважин с наличием перетоков по заколонному пространству при эксплуатации и не служит для исключения (предотвращения) перетоков при бурении в условиях несовместимых условий. Кроме того, спуск и цементирование обсадной колонны малого диаметра не исключает осложнений и аварий при бурении пилотного ствола (стволов), а затем и транспортного в несовместимых условиях при вырезке пилотного ствола из обсадной колонны.
Известен способ перекрытия части продуктивной зоны в стволе скважины по патенту US 4759408 A [3], который включает протягивание существующего эксплуатационного хвостовика, заполнение забоя добывающей скважины до уровня забоя продуктивной зоны, которую желательно перекрыть, не повреждающим пласт материалом, который изолирует часть продуктивной зоны от перекрытия и который может быть удален из ствол скважины, размещение и центрирование трубы в середине ствола скважины так, чтобы труба проходила через часть продуктивной зоны, которую желательно перекрыть, формирование цементной пробки с цилиндрическим отверстием на участке продуктивной зоны, которую желательно перекрыть, путем цементирования централизованной трубы в ствол скважины, сохраняя при этом внутреннюю часть трубы свободной от цемента, просверливание цилиндрического отверстия через цементную пробку и высверливание в ней трубы, используя находящуюся в ней трубу для центрирования и направления сверла через середину цементной пробки, и удаление не повреждающего пласт материала со дна ствола скважины.
Описанный способ направлен в том числе на исключение возможности перетока между пластами.
Недостатками данного способа являются, то, что он применяется в пробуренной скважине и не предназначен для одновременного бурения через интервалы, которые могут обладать несовместимыми условиями бурения. Кроме того, формирование цементной пробки с цилиндрическим отверстием в условиях зон с несовместимыми условиями может быть не реализуема по причине возможного поглощения в одном и проявления в другом пласте.
Известен способ установки цементного моста в необсаженной части скважины для забуривания нового ствола по патенту RU 2470131 C1 [4], который включает спуск в скважину труб на расчетную глубину, закачку расчетного объема цементного раствора и удаление его излишков, после чего трубы извлекают, выдерживают цементный раствор до его схватывания, затем трубы спускают до упора в цементный мост для определения его фактического местонахождения, в скважине с зоной осложнения перед установкой цементного моста в нижний интервал его установки спускают на колонне бурильных труб продольно гофрированные расширяемые трубы, оснащенные снизу башмаком, а сверху соединенные с бурильной колонной переводником с левой резьбой, после чего производят расширение продольно гофрированных труб гидравлическим давлением, подаваемым по колонне бурильных труб, для надежного их прижатия по всей длине к стенкам скважины и изоляции зоны осложнения, далее вращением вправо производят отсоединение бурильной колонны от расширенных гидравлическим давлением труб, а после определения фактического местонахождения цементного моста производят забуривание нового ствола.
Описанный способ направлен в том числе на установку цементного моста в зонах осложнений, а также исключение аварийных ситуаций при забуривании нового ствола за счет повышения надежности и качества установки цементного моста в зоне осложнения с одновременным отсечением этой зоны.
Недостатками данного способа являются, то, что он применяется для ликвидации одной зоны осложнения, которая характеризуется едиными параметрами по всему интервалу, а также для надежной изоляции зоны при забуривании второго ствола с целью ликвидации ствола с оставленной частью инструмента. При этом перебуривание части ствола не исключает необходимость одновременного бурения через интервалы, которые могут быть с несовместимыми условиями; при этом ликвидированная часть относится к другому стволу, что не исключает влияние осложненного интервала в новой части скважины.
Известен способ ликвидации водопритока по зацементированному заколонному пространству при эксплуатации нефтяных и газовых скважин по патенту RU 2196878 C2 [5], в котором проводят изоляцию каналов перетока путем вырезания обсадной колонны в интервале ниже и выше кровли водоносного пласта, создания каверны в вышеуказанном интервале и заполнения каверны тампонажным раствором при давлении, равном давлению гидростатического столба тампонажного раствора, который после затвердевания создает непроницаемый изоляционный мост.
Недостатками данного способа являются то, что этот способ применим для пробуренной скважины со спущенной обсадной колонной и используется только при работах по капитальному ремонту скважин. Вырезка части обсадной колонны для ликвидации перетоков не является подходящим способом бурения в зонах с несовместимыми условиями бурения.
Известен способ крепления осложненных зон скважин по патенту SU 1010252 A1 [6], который включает спуск колонны, её цементирование, спуск колонн-летучек, которые закрепляют одну под другой на нижней части основной колонны, причем спуск их осуществляют одновременно с основной колонной, а установку колонн-летучек осуществляют путем последовательного отсоединения их от основной колонны и допуска в зоны осложнения.
Недостатками данного способа является то, что он позволяет пробурить один пилотный или основной ствол. При необходимости бурения пилотного ствола (или нескольких пилотных стволов) и основного ствола (возможно горизонтального ствола) возникнет необходимость применения еще одного комплекта летучек, кроме того, спуск и цементаж летучек не гарантирует 100% ликвидацию зоны осложнения, что может привести к невозможности бурения нижнего интервала с несовместимыми условиями и как следствие к ликвидации скважины, что приведет к большим затратам и неполучения конечного результата.
Известен способ строительства скважины по патенту RU 2375551 C1 [7], в котором проводят спуск обсадной колонны ниже зоны поглощения, цементирование нижней части обсадной колонны через ее внутреннее сечение до зоны поглощения и цементирование верхней части обсадной колонны через ее заколонное пространство выше зоны поглощения, отличающийся тем, что при цементировании верхней части обсадной колонны цементный раствор с наполнителем или загустителем заливают в заколонное пространство на устье скважины и продавливают цементным раствором под давлением на устье скважины порядка 1-5 МПа.
Способ направлен в том числе на борьбу с заколонными перетоками.
Недостатками данного способа являются то, что он не позволяет извлечь часть обсадной колонны для освобождения открытого ствола с целью зарезки и бурения дополнительного пилотного или основного горизонтального ствола без изменения конструкции скважины. Для зарезки пилотного ствола будет использоваться устройства для зарезки с клина с изменением диаметров последующих обсадных колонн. При этом способе забуривание дополнительных стволов сильно ограниченно по глубине зарезки, так как должно осуществляться ниже осложненного интервала, что может привести к невозможности достижения плановых целей пилотного или основного ствола.
Сущность изобретения
При работе на сложных месторождениях, приходится сталкиваться с несовместимыми условиями бурения, где на одном интервале бурения, есть участки с различными осложнениями, с аномально высоким пластовым давлением (АВПД) с наличием опасности проявления флюида, и с аномально низким пластовым давлением (АНПД) с наличием в них поглощений бурового раствора, что сопряжено с опасностью газонефтеводопроявления (ГНВП). Кроме зон поглощения (их может быть несколько в карбонатной части и в трапповой интрузии) возможно присутствие отложений текучих солей или углей, которые могут течь, размываться и разрушаться.
Для того чтобы успешно и безопасно пробурить скважину в несовместимых условиях бурения необходимо разделять зоны с осложнениями с помощью обсадных колонн, это традиционный метод разделения зон с различными условиями, между тем необходимо бурить и пилотные стволы, которые позволяют выполнять программу по разведке, получать необходимую информацию о свойствах пласта и делать выводы о возможности и целесообразности бурения горизонтальных стволов, с расчетом их точных координат целей.
Из одной эксплуатационной скважины могут буриться несколько пилотных стволов, это гораздо эффективней и дешевле, чем бурить отдельные полноценные разведочные скважины. Однако для реализации такого метода часть ствола скважины должна быть свободной от обсадной колонны (не перекрываться ей), что приводит к невозможности бурения пилотных стволов при наличии осложнений в интервале бурения.
По причине наличия описанных выше рисков при бурении в несовместимых условиях бурения часто приходиться отказываться от бурения пилотных стволов на таких скважинах.
Представленный в настоящем изобретении способ позволяет обеспечить безопасное бурение пилотных стволов при наличии несовместимых условий бурения, в т.ч. нескольких пилотных стволов.
Технической проблемой, на решение которой направлено заявляемое изобретение, является обеспечение эффективного бурения пилотных стволов в несовместимых условиях бурения безопасным и экономичным методом.
Технический результат, достигаемый при реализации изобретения, заключается в бурении пилотных стволов в несовместимых условиях бурения с обеспечением эффективного перекрытия зон перетока, поглощения, газонефтепроявления, что обеспечивает безопасность на этапе бурения пилотных стволов, исключает риски аварий, нежелательного перетока и поглощения.
Технический результат заключается в упрощении процесса бурения дополнительных стволов из исходного пилотного ствола за счет удаления части обсадной колонны.
Технический результат заключается в экономии расходных материалов за счет извлечения части обсадной колонны из скважины.
1. Заявляемый технический результат достигается за счет того, что заявленный способ бурения пилотного ствола в несовместимых условиях бурения, включает бурение ниже основной обсадной колонны с пересечением первой зоны с осложнением без пересечения второй зоны с осложнением, которая обеспечивает возникновение несовместимых условий бурения, установку временной обсадной колонны ниже основной обсадной колонны с пересечением первой зоны с осложнением, цементирование нижней части временной обсадной колонны с формированием цементного стакана, разбуривание цементного стакана и бурение пилотного ствола с пересечением второй зоны с осложнением, которая обеспечивает возникновение несовместимых условий бурения, при этом после окончания использования пилотного ствола осуществляют ликвидацию пилотного ствола путем установки цементного моста с его заходом во временную обсадную колонну, осуществляют удаление части временной обсадной колонны выше зацементированного участка временной обсадной колонны с её извлечением из скважины, осуществляют дальнейшее бурение с использованием участка скважины выше зацементированного участка временной обсадной колонны.
Кроме того, в частном случае реализации изобретения после цементирования и формирования цементного стакана могут осуществлять опрессовку временной обсадной колонны на давление не ниже 250 атм с выдержкой 30 мин.
Кроме того, в частном случае реализации изобретения пилотный ствол могут использовать до выявления критического газонефтеводопроявления (ГНВП) или поглощения, которое может возникнуть ниже второй зоны с осложнением.
Кроме того, в частном случае реализации изобретения установку цементного моста могут осуществлять с его заходом во временную обсадную колонну на 150-200 м.
Кроме того, в частном случае реализации изобретения удаление части временной обсадной колонны могут осуществлять отворотом, отстрелом, или отрезанием участка колонны.
Кроме того, в частном случае реализации изобретения дальнейшее бурение с использованием участка скважины выше зацементированного участка временной обсадной колонны могут осуществлять в целях получения дополнительного пилотного ствола.
Кроме того, в частном случае реализации изобретения дальнейшее бурение с использованием участка скважины выше зацементированного участка временной обсадной колонны могут осуществлять в целях получения ствола для добычи.
Технический результат достигается тем, что бурение скважины с креплением основной обсадной колонны, её цементирование, бурение ниже основной обсадной колонны, установка временной обсадной колонны ниже основной обсадной колонны осуществляется с пересечением первой зоны с осложнением без пересечения второй зоны с осложнением, которая обеспечивает возникновение несовместимых условий бурения, что исключает риск межпластового перетока, критического газонефтеводопроявления (ГНВП) или поглощения на этом этапе бурения.
Технический результат достигается тем, что проводят цементирование нижней части временной обсадной колонны с формированием цементного стакана, что исключает риск межпластового перетока, критического газонефтеводопроявления или поглощения на этом этапе.
Наличие цементного стакана упрощает дальнейшую ликвидацию ствола за счет обеспечения контролируемого сечения скважины, блокирования возможного перетока и укрепления скважины.
Технический результат достигается тем, что проводят разбуривание цементного стакана и бурение пилотного ствола в интервале несовместимой зоны бурения, что обеспечивает дальнейшее выполнение необходимых изысканий и разведывательных работ.
Технический результат достигается тем, что после окончания использования пилотного ствола осуществляют ликвидацию пилотного ствола путем установки цементного моста с его заходом во временную обсадную колонну, что обеспечивает эффективное исключение межпластового перетока, критического газонефтеводопроявления (ГНВП) или поглощения.
Технический результат достигается тем, что после установки цементного моста осуществляют удаление части временной обсадной колонны выше зацементированного участка временной обсадной колонны с её извлечением из скважины, что упрощает дальнейшее бурение и использование скважины выше зацементированного участка временной обсадной колонны. Извлеченный участок временной обсадной колонны может быть повторно использован или переработан, что также обеспечивает положительный экономический эффект.
Технический результат достигается тем, что осуществляют дальнейшее бурение с использованием участка скважины выше зацементированного участка временной обсадной колонны, что позволяет расширить область добычи и исследований за счет бурения дополнительных стволов, при этом нет необходимости в бурении новой скважины. Такое бурение может осуществляться в целях формирования дополнительного пилотного ствола или в целях получения ствола для добычи.
Дополнительный технический результат достигается тем, что после цементирования и формирования цементного стакана могут осуществлять опрессовку временной обсадной колонны на давление не ниже 250 атм с выдержкой 30 мин, что позволяет обеспечить контроль качества цементирования и обеспечить необходимый уровень безопасности для проведения дальнейших работ.
Дополнительный технический результат достигается тем, что в случае выявления критического газонефтеводопроявления (ГНВП) или поглощения в интервале несовместимой зоны бурения осуществляют описанный процесс ликвидации пилотного ствола путем установки цементного моста, что обеспечивает возможность и безопасность дальнейшего использования скважины.
Дополнительный технический результат достигается тем, что при осуществлении изобретения установку цементного моста могут осуществлять с его заходом во временную обсадную колонну на 150-200 м, что обеспечивает необходимую степень перекрытия ствола для обеспечения безопасности дальнейших работ.
Дополнительный технический результат достигается тем, что при осуществлении изобретения удаление части временной обсадной колонны могут осуществлять отворотом, отстрелом, или отрезанием участка колонны, эти методы позволяют быстро и эффективно отделить часть временной обсадной колонны для ее последующего извлечения.
Описание чертежей.
Фиг. 1. - Этап 1. Бурение скважины с креплением основной обсадной колонны и её цементирование выше первой зоны с осложнением.
Фиг. 2. - Этап 2. Бурение ниже основной обсадной колонны с пересечением первой зоны с осложнением без пересечения второй зоны с осложнением, которая обеспечивает возникновение несовместимых условий бурения.
Фиг. 3. - Этап 3. Установка временной обсадной колонны ниже основной обсадной колонны с пересечением первой зоны с осложнением.
Фиг. 4. - Этап 4. Цементирование нижней части временной обсадной колонны с формированием цементного стакана.
Фиг. 5. - Этап 5. Разбуривание цементного стакана и бурение пилотного ствола в интервале несовместимой зоны бурения.
Фиг. 6. - Этап 6. Ликвидация пилотного ствола путем установки цементного моста с его заходом во временную обсадную колонну.
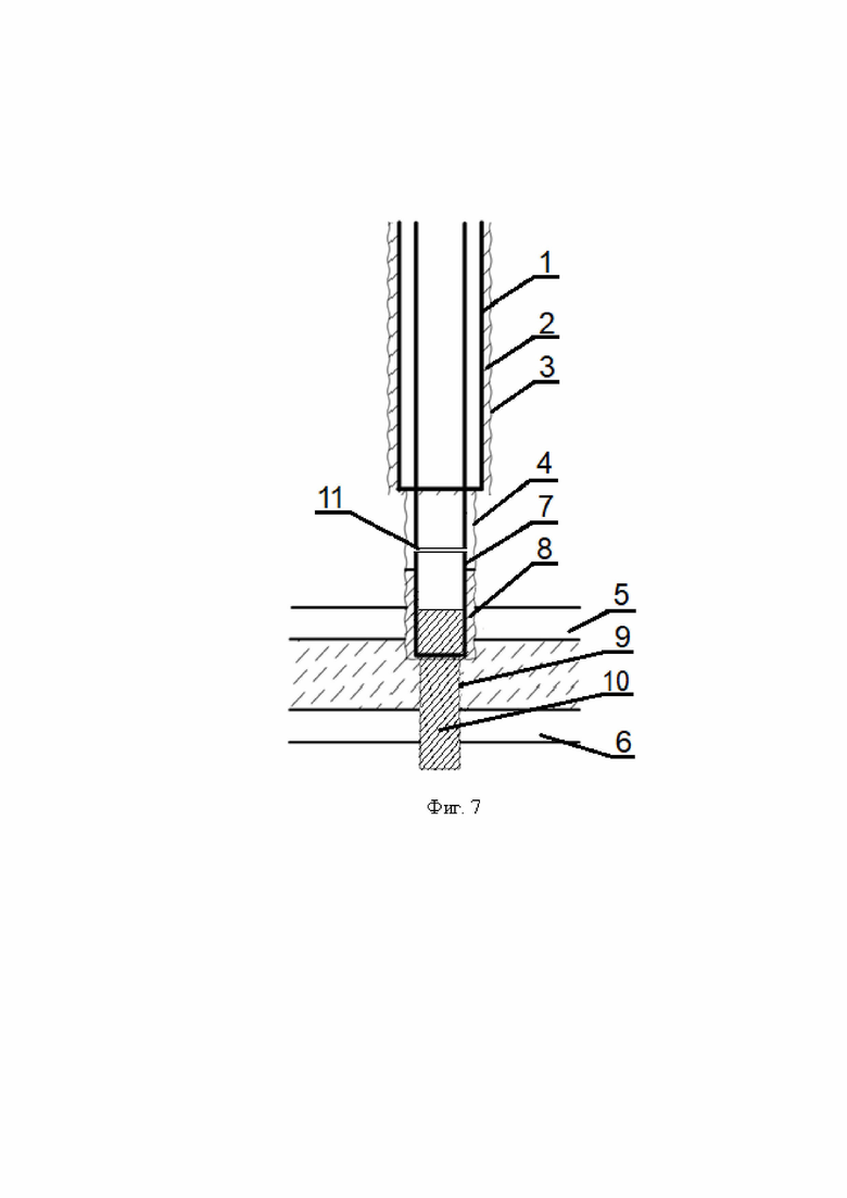
Фиг. 7. - Этап 7. Отрезание части временной обсадной колонны выше зацементированного участка временной обсадной колонны.
Фиг. 8. - Этап 8. Извлечение части временной обсадной колонны из скважины.
Фиг. 9. - Этап 9. Бурение дополнительной скважины с использованием участка скважины выше зацементированного участка временной обсадной колонны.
Фиг. 10. - Альтернативный вариант этапа 9. Установка опорного цементного моста и бурение дополнительной скважины с использованием участка скважины выше зацементированного участка временной обсадной колонны.
В наиболее общем виде процесс бурения пилотного ствола в несовместимых условиях бурения осуществляется в следующем порядке:
- бурят скважину, крепят основную обсадную колонну и цементируют её выше первой зоны с осложнением (этап проиллюстрирован на Фиг.1);
- бурят ниже основной обсадной колонны с пересечением первой зоны с осложнением без пересечения второй зоны с осложнением, которая обеспечивает возникновение несовместимых условий бурения (этап проиллюстрирован на Фиг.2);
- устанавливают временную обсадную колонну ниже основной обсадной колонны с пересечением первой зоны с осложнением (этап проиллюстрирован на Фиг.3);
- цементируют нижнюю часть временной обсадной колонны с формированием цементного стакана (этап проиллюстрирован на Фиг.4);
- разбуривают цементный стакан и бурят пилотный ствол в интервале несовместимой зоны бурения (этап проиллюстрирован на Фиг.5);
- осуществляют использование пилотного ствола;
- ликвидируют пилотный ствол путем установки цементного моста с его заходом во временную обсадную колонну (этап проиллюстрирован на Фиг.6);
- отрезают часть временной обсадной колонны выше зацементированного участка временной обсадной колонны с её извлечением из скважины (этап проиллюстрирован на Фиг.7);
- извлекают отделенную часть временной обсадной колонны (этап проиллюстрирован на Фиг.8);
- бурят дополнительный ствол с использованием участка скважины выше зацементированного участка временной обсадной колонны (этап проиллюстрирован на Фиг.9).
Перед бурением дополнительного ствола с использованием участка скважины выше зацементированного участка временной обсадной колонны могут дополнительно устанавливать в скважину опорный цементный мост, такой вариант проиллюстрирован на Фиг.10).
На представленных Фиг. 1-10 указаны следующие элементы:
1. Обсадная колонна.
2. Цементный камень.
3. Ствол скважины.
4. Ствол скважины ниже первой зоны с осложнением.
5. Первая зона с осложнением.
6. Вторая зона с осложнением.
7. Временная обсадная колонна.
8. Цемент (цементный стакан).
9. Пилотный ствол.
10. Цементный мост.
11. Разрез временной обсадной колонны.
12. Дополнительная скважина.
13. Опорный цементный мост.
На этапе использования пилотного ствола выполняют необходимые изыскания и разведывательные работы с его использованием, в случае завершения работ переходят к этапу ликвидации пилотного ствола.
Основанием для завершения работ с использованием пилотного ствола может также служить критическое газонефтеводопроявления или поглощение, возникающее ниже второй зоны с осложнением. Под критическим газонефтеводопроявлением или поглощением следует понимать условия, которые могут привести к нарушению работы оборудования скважины, аварии или выбросу.
Дополнительный ствол, который бурят с использованием участка скважины выше зацементированного участка временной обсадной колонны может является также пилотным, но возможен вариант бурения дополнительного ствола для добычи вод или углеводородов.
Для удаления части временной обсадной колонны могут осуществлять отворот, отстрел, или отрезание участка колонны.
Для более подробного раскрытия сущности изобретения приведены примеры его осуществления.
Пример №1
Проводили бурение скважины с креплением основной обсадной колонны на глубину 1100 м и её цементированием.
Проводили бурении ниже основной обсадной колонны с прохождением первой зоны с осложнением, которая представляла собой зону с аномально низким пластовым давлением и без выхода на вторую зону с осложнением.
Проводили установку временной обсадной колонны (с диаметром (d) = 178 мм на глубину 2400 м).
Проводили цементирование нижней части временной обсадной колонны с формированием цементного стакана после чего проводили опрессовку обсадной колонны на давление 250 атм с выдержкой 30 мин.
Опрессовка прошла успешно, продолжение работ было признано безопасным, после чего разбурили цементный стакан и далее бурили пилотный ствол в интервале несовместимой зоны бурения, обусловленной вскрытием второй зоны с осложнением, которая представляла собой зону с аномально высоким пластовым давлением.
В течение 170 часов проводили разведывательные работы с использование пилотного ствола. Условий возникновения перетоков не наблюдалось.
После завершения работ с пилотным стволом его ликвидировали путем установки цементного моста с заходом цементного моста во временную обсадную колонну на 150 м, не наблюдалось межпластовых перетоков, критического газонефтеводопроявления или поглощения.
Часть временной обсадной колонны выше зацементированного участка временной обсадной колонны отрезали (на глубине 1570 м) и извлекли из скважины. Извлеченный участок обсадной колонны прошел дефектовку и восстановление для дальнейшего использования.
Для дальнейшей разведки осуществляли бурение дополнительного пилотного ствола с использованием участка скважины выше зацементированного участка временной обсадной колонны (на глубине 1380 м).
Отсутствие на этом участке обсадной колонны ускорило и упростило процесс бурения дополнительного пилотного ствола.
Перекрытие пилотного ствола исключило риски аварий, нежелательного перетока и поглощения при дальнейших работах.
Пример №2
Способ осуществляли аналогично Примеру 1 с тем отличием, что основной обсадной колонной служила техническая обсадная колонна c d = 245 мм; было пробурено два пилотных ствола со спуском двух временных обсадных колонн с d = 178 мм. Скважина закончена основным горизонтальным стволом со спуском эксплуатационной колонны d = 178 мм и хвостовика d = 114 мм.
Пример №3
Способ осуществляли аналогично Примеру 1 с тем отличием, что что основной обсадной колонной служила техническая обсадная колонна с d = 245 мм; был пробурен один пилотный ствол со спуском временной обсадной колонны с d = 178 мм. По результатам испытания пилотного ствола принято решение о заканчивании скважины основным горизонтальным стволом со спуском эксплуатационной колонны с d = 178 мм и хвостовика c d = 114 мм.
Пример №4
Способ осуществляли аналогично Примеру 1 с тем отличием, что основной обсадной колонной служила техническая обсадная колонная с d = 245 мм; было пробурено два пилотных ствола со спуском двух временных обсадных колонн с d = 178 мм (цементирование временной обсадной колонны проводилось в две ступени, через устройство ступенчатого цементирования - МСЦНГ). Через вторую временную обсадную колонну было проведено испытание продуктивного интервала в открытом стволе и через перфорацию временной обсадной колонны в верхнем интервале (после ликвидации открытого ствола).
Бурение основного (эксплуатационного) ствола проводилось через «окно» в технической обсадной колонне с d = 245 мм.
Пример №5
Способ осуществляли аналогично Примеру 1 с тем отличием, что основной обсадной колонной служила техническая обсадная колонна с d = 245 мм; был пробурен пилотный ствол со спуском временной обсадной колонны с d = 178 мм (цементирование временной обсадной колонны проводилось ступенчато, через устройство ступенчатого цементирования - МСЦНГ).
При бурении открытого пилотного ствола было встречено ГНВП, которое было успешно ликвидировано, затем было продолжено бурение пилотного ствола №1.
Пример №6
Способ осуществляли аналогично Примеру 5 с тем отличием, что после встреченного ГНВП было принято решение о завершении работы с данным пилотным стволом и были проведены мероприятия по его ликвидации.
Пример №7
Способ осуществляли аналогично Примеру 1 с тем отличием, что первая зона с осложнением представляла собой зону с аномально высоким пластовым давлением, а вторая зона с осложнением представляла собой зону с аномально низким пластовым давлением.
Пример №8
Способ осуществляли аналогично Примеру 1 с тем отличием, что первая зона с осложнением представляла собой зону со склонностью к текучести.
Пример №9
Способ осуществляли аналогично Примеру 1 с тем отличием, что первая зона с осложнением представляла собой зону со склонностью к поглощению.
Пример №10
Способ осуществляли аналогично Примеру 1 с тем отличием, что вторая зона с осложнением представляла собой зону со склонностью к текучести.
Пример №11
Способ осуществляли аналогично Примеру 1 с тем отличием, что вторая зона с осложнением представляла собой зону со склонностью к поглощению.
Пример №12
Способ осуществляли аналогично Примеру 1 с тем отличием, что первая зона с осложнением представляла собой зону со склонностью к разрушению.
Пример №13
Способ осуществляли аналогично Примеру 1 с тем отличием, что вторая зона с осложнением представляла собой зону со склонностью к разрушению.
Пример №14
Способ осуществляли аналогично Примеру 1 с тем отличием, что часть временной обсадной колонны выше зацементированного участка отделяли путем отвинчивания.
Используемые источники информации:
1. Патент Канады CA 1225926 A. МПК: E21B43/08. Методика строительства скважины, в основном вододобывающей скважины, и скважинное оборудование для проведения процедуры / Эндре Палффи. Заяв. 15.01.1985, публ. 25.08.1987.
2. Патент РФ RU 2530003 C1. МПК: E21B33/13, E21B47/005. Способ ликвидации скважины / Файзуллин И.Н., Махмутов И.Х., Зиятдинов Р.З., Сулейманов Ф.Б. Заяв. 24.06.2013, публ. 10.10.2014.
3. Патент США US 4759408 A. МПК: E21B33/138. Способ перекрытия части продуктивной зоны в скважине, добывающей углеводороды / Стивен М. Бьюкенен. Заяв. 08.06.1987, публ. 26.07.1988.
4. Патент РФ RU 2470131 C1. МПК: E21B 7/08, E21B 33/138. Способ установки цементного моста в необсаженной части скважины для забуривания нового ствола / Ахмадишин Ф.Ф., Хамитьянов Н.Х., Ягафаров А.С., Киршин А.В., Пронин В.Е.. Заяв. 26.07.2011, публ. 20.12.2012.
5. Патент РФ RU 2196878 C2. МПК: E21B33/138. Способ ликвидации водопритока по зацементированному заколонному пространству при эксплуатации нефтяных и газовых скважин / Басарыгин Ю.М., Аветисов А.Г., Будников В.Ф., Захаров А.А., Стрельцов В.М., Черненко А.М. Заяв. 04.12.2000, публ. 20.01.2003.
6. Патент СССР SU 1010252 A1. МПК: E21B33/13, E21B33/14, E21B43/10. Способ крепления осложненных зон скважин / Еремеев Ю.А., Сурков В.Т., Пасечник В.Ф.. Заяв. 21.01.1982, Публ. 07.04.1983.
7. Патент РФ RU 2375551 C1. МПК: E21B33/14. МПК: E21B33/14. Способ строительства скважины / Ибрагимов Н.Г., М.З., Закиров А.Ф., Гараев Р.Р., Аслямов А.И., Синчугов Н.С. Заяв. 27.10.2008, Публ. 10.12.2009.
| название | год | авторы | номер документа |
|---|---|---|---|
| Способ строительства скважины в осложненных условиях | 2022 |
|
RU2797175C1 |
| СПОСОБ СТРОИТЕЛЬСТВА СКВАЖИНЫ В ОСЛОЖНЕННЫХ УСЛОВИЯХ | 2016 |
|
RU2630519C1 |
| СПОСОБ ФИЗИЧЕСКОЙ ЛИКВИДАЦИИ СКВАЖИН | 2014 |
|
RU2576422C1 |
| СПОСОБ БУРЕНИЯ СКВАЖИН И РАЗРАБОТКИ МНОГОПЛАСТОВЫХ МЕСТОРОЖДЕНИЙ УГЛЕВОДОРОДОВ С НЕОДНОРОДНЫМИ ГЕОЛОГИЧЕСКИМИ УСЛОВИЯМИ ЗАЛЕГАНИЯ ПРОДУКТИВНЫХ ПЛАСТОВ | 2008 |
|
RU2370640C1 |
| Способ создания фильтрационной завесы при бурении высоконапорных пластов, насыщенных крепкими хлоридно-кальциевыми рассолами | 2020 |
|
RU2735508C1 |
| СПОСОБ ЛИКВИДАЦИИ СКВАЖИНЫ | 2004 |
|
RU2282712C2 |
| СПОСОБ БУРЕНИЯ СКВАЖИН И РАЗРАБОТКИ МНОГОПЛАСТОВЫХ МЕСТОРОЖДЕНИЙ УГЛЕВОДОРОДОВ С НЕОДНОРОДНЫМИ ГЕОЛОГИЧЕСКИМИ УСЛОВИЯМИ ЗАЛЕГАНИЯ ПРОДУКТИВНЫХ ПЛАСТОВ | 2006 |
|
RU2295632C1 |
| СПОСОБ БУРЕНИЯ ГОРИЗОНТАЛЬНОЙ СКВАЖИНЫ С ПИЛОТНЫМ СТВОЛОМ | 2015 |
|
RU2587660C1 |
| СПОСОБ ЛИКВИДАЦИИ СКВАЖИНЫ | 2004 |
|
RU2283942C2 |
| Способ предотвращения открытых нефтяных и газовых фонтанов на скважинах | 1988 |
|
SU1609958A1 |
Изобретение относится к нефтегазодобывающей промышленности, в частности к способам бурения и устройства пилотных стволов в несовместимых условиях бурения. Способ бурения пилотного ствола в несовместимых условиях бурения включает бурение скважины с креплением основной обсадной колонны и ее цементирование выше первой зоны с осложнением, бурение ниже основной обсадной колонны с пересечением первой зоны с осложнением без пересечения второй зоны с осложнением, которая обеспечивает возникновение несовместимых условий бурения, установку временной обсадной колонны ниже основной обсадной колонны с пересечением первой зоны с осложнением, цементирование нижней части временной обсадной колонны с формированием цементного стакана, разбуривание цементного стакана и бурение пилотного ствола с пересечением второй зоны с осложнением, которая обеспечивает возникновение несовместимых условий бурения, при этом после окончания использования пилотного ствола осуществляют ликвидацию пилотного ствола путем установки цементного моста с его заходом во временную обсадную колонну, осуществляют удаление части временной обсадной колонны выше зацементированного участка временной обсадной колонны с её извлечением из скважины, осуществляют дальнейшее бурение с использованием участка скважины выше зацементированного участка временной обсадной колонны. Обеспечивается эффективное перекрытие зон перетока, поглощения, газонефтепроявления, и, как следствие, безопасность на этапе бурения и дальнейшей эксплуатации скважин. Упрощается процесс бурения дополнительных стволов из исходного пилотного ствола за счет удаления части обсадной колонны, а также экономии расходных материалов за счет извлечения части обсадной колонны из скважины. 6 з.п. ф-лы, 10 ил.
1. Способ бурения пилотного ствола в несовместимых условиях бурения, включающий бурение скважины с креплением основной обсадной колонны и её цементирование выше первой зоны с осложнением, бурение ниже основной обсадной колонны с пересечением первой зоны с осложнением без пересечения второй зоны с осложнением, которая обеспечивает возникновение несовместимых условий бурения, установку временной обсадной колонны ниже основной обсадной колонны с пересечением первой зоны с осложнением, цементирование нижней части временной обсадной колонны с формированием цементного стакана, разбуривание цементного стакана и бурение пилотного ствола с пересечением второй зоны с осложнением, которая обеспечивает возникновение несовместимых условий бурения, при этом после окончания использования пилотного ствола осуществляют ликвидацию пилотного ствола путем установки цементного моста с его заходом во временную обсадную колонну, осуществляют удаление части временной обсадной колонны выше зацементированного участка временной обсадной колонны с её извлечением из скважины, осуществляют дальнейшее бурение с использованием участка скважины выше зацементированного участка временной обсадной колонны.
2. Способ по п.1, отличающийся тем, что после цементирования и формирования цементного стакана осуществляют опрессовку временной обсадной колонны на давление не ниже 250 атм с выдержкой 30 мин.
3. Способ по п.1, отличающийся тем, что пилотный ствол используют до выявления критического газонефтеводопроявления или поглощения.
4. Способ по п.1, отличающийся тем, что установку цементного моста осуществляют с его заходом во временную обсадную колонну на 150-200 м.
5. Способ по п.1, отличающийся тем, что для удаления части временной обсадной колонны осуществляют отворот, отстрел, или отрезание участка колонны.
6. Способ по п.1, отличающийся тем, что дальнейшее бурение с использованием участка скважины выше зацементированного участка временной обсадной колонны осуществляют в целях получения дополнительного пилотного ствола.
7. Способ по п.1, отличающийся тем, что дальнейшее бурение с использованием участка скважины выше зацементированного участка временной обсадной колонны осуществляют в целях получения ствола для добычи.
| ВАДЕЦКИЙ Ю.В., Бурение нефтяных и газовых скважин, Москва, Издательский центр "Академия", 2003, стр | |||
| ПОРШНЕВОЙ ДВИГАТЕЛЬ | 1916 |
|
SU282A1 |
| СПОСОБ ЗАРЕЗКИ БОКОВОГО СТВОЛА В ОБСАЖЕННОЙ КОЛОННОЙ СКВАЖИНЕ С ИЗВЛЕЧЕНИЕМ ЧАСТИ ЭКСПЛУАТАЦИОННОЙ КОЛОННЫ | 2015 |
|
RU2623406C1 |
| Кипятильник для воды | 1921 |
|
SU5A1 |
Авторы
Даты
2025-04-16—Публикация
2024-05-23—Подача