1. Область техники, к которой относится изобретение
Изобретение относится к области оптико-электронного приборостроения, более конкретно, к способу крепления тепловизионной насадки на прибор наведения 9С816 с визирным устройством пусковых установок 9П151 и всех их модификаций известных из уровня техники из состава носимого противотанкового ракетного комплекса (ПТРК) «Метис» и его модификаций (ПТРК 9К115 «Метис» (мод.: М, Ml, М2), АТ-7, AT-13 Saxhorn).
Разработанный способ крепления тепловизионной насадки на прибор наведения 9С816 с визирным устройством пусковых установок 9П151 и всех их модификаций известных из уровня техники из состава переносных ПТРК «Метис» и его модификаций, при котором оптическая ось прибора наведения 9С816 с визирным устройством совмещается с оптической осью тепловизионной насадки позволяет при любых условиях освещенности проводить обнаружение типовых целей, осуществлять прицеливание с использованием штатной прицельной сетки визирного устройства прибора наведения 9С816.
2. Уровень техники
В настоящее время в мире создано большое количество различных модификаций тепловизионных прицелов и тепловизиониых насадок, однако использовать их совместно с ПТРК «Метис» не представляется возможным по ряду причин, важнейшей из которых является специальная конструкция штатного прибора наведения 9С816 с визирным устройством пускового устройства 9П151 ПТРК «Метис».
Для того, чтобы полноценно пользоваться прицельной сеткой прибора наведения 9С816 с визирным устройством в ИК-диапазоне необходимо, чтобы оптическая ось прибора наведения 9С816 с визирным устройством совмещалась с оптической осью тепловизионной насадки (тепловизиошюго прицела).
Из уровня техники известен тепловизионный прицел «Мулат-115» (1ПН86БВИ), он используется как тепловизионная насадка, оптическая ось тепловизионного прицела «Мулат-115» (1ПН86БВИ) совмещена с оптической осью визирного канала прибора наведения 9С816, однако сам тепловизионный прицел крепится на переходной кронштейн, который устанавливается только на модернизированные версии пусковых установок 9П151 [https://topwar.ru/28616-ptrk-metis-m.html (Дата обращения: 21.11.2024 г. )], [https://armsdata.net.military-club.com/russia/ 0158.html (Дата обращения: 21.11.2024 г. )]:
Способ крепления тепловизионного прицела «Мулат-115» (1ПН86БВИ) к модернизированным версиям пусковых установок 9П151 (имеющих в своем составе переходной кронштейн), при котором оптическая ось тепловизионного прицела совмещена с оптической осью визирного канала прибора наведения 9С816 был выбран в качестве ближайшего аналога (прототипа) заявленного изобретения.
К основному недостатку способа крепления тепловизионного прицела «Мулат-115» (1ПН86БВИ) на пусковые установки 9П151 следует отнести то, что крепление возможно только на те пусковые установки 9П151, на которые установлен на заводе-изготовителе переходной кронштейн. Общее число таких модернизированных пусковых установок 9П151 (с установленным переходным кронштейном) к общему числу пусковых установок 9П151 (без переходных кронштейнов) составляет около 10%.
Таким образом, тепловизионный прицел «Мулат-115» (1ПН86БВИ) возможно установить только на ограниченное число пусковых установок 9П151, находящихся в эксплуатации в Вооруженных силах Российской Федерации и вооруженных сил других государств.
Кроме того, крепление к переходному кронштейну возможно только тепловизионного прицела (тепловизионной насадки), который имеет специальные крепления определенной формы и размера, которые вставляются в пазы переходного кронштейна.
3. Раскрытие сущности изобретения
Техническая задача, решаемая созданием изобретения - разработать универсальный способ крепления тепловизионной насадки на прибор наведения 9С816 с визирным устройством пусковых установок 9П151 и всех их модификаций известных из уровня техники из состава переносных ПТРК «Метис» и его модификаций.
Техническим результатом является надежное крепление между тепловизионной насадкой и прибором наведения 9С816 с визирным устройством пусковых установок 9П151 и всех их модификаций известных из уровня техники из состава переносных ПТРК «Метис» и его модификаций, при котором оптическая ось прибора наведения 9С816 с визирным устройством совмещается с оптической осью тепловизионной насадки.
Для решения данной технической задачи была разработана тепловизионная насадка (фиг. 1), состоящая из корпуса тепловизионной насадки (1) и кронштейна (2).
Корпус тепловизионной насадки (1) конструктивно состоит из трех модулей (модуль 1, модуль 2, модуль 3), которые соединены между собой с помощью винтов и уплотнительных прокладок (фиг. 2).
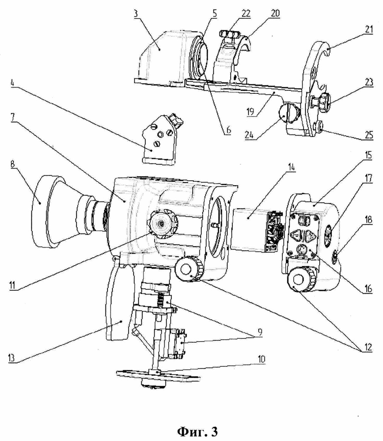
1. Модуль 1 включает в себя корпус (3), который выполнен из алюминиевого сплава Д16, внутри которого размещается зеркало с крепежной пластиной (4), а с внешней стороны корпуса (3) закреплена стальная оправа (5) (марка стали 40X13) с внутренним диаметром - 30 мм, внешним диаметром - 33,8 мм. Внутри стальной оправы (5) установлено защитное окно (6) (фиг. 3).
Модуль 1 выполняет две основные функции:
обеспечивает защиту зеркала с крепежной пластиной (4) от факторов воздействия внешней среды;
обеспечивает быстрое предварительное совмещение оптической оси прибора наведения 9С816 с визирным устройством пускового устройства 9П151М из состава комплекта ПТРК «Метис» с оптической осью блока отображения информации разработанной тепловизионной насадки.
2. Модуль 2 включает в себя корпус (7), который выполнен из алюминиевого сплава Д16.
В модуле 2 размещены:
объектив (8), который выполнен по 3-х линзовой схеме (фиг. 4), внешняя поверхность первой линзы на основе германия имеет алмазоподобное покрытие, технические характеристики объектива представлены в таблице 1;
узел окуляра (9);
узел фокусировки окуляра (10);
маховик (11);
раздельный отсек элементов питания с крышкой (12);
крышка объектива (13);
крепление для зеркала с крепежной пластиной (4);
тепловизионный модуль (14), который состоит из приемника теплового излучения, процессора обработки изображения, контроллера формирования служебной графической информации (фиг. 3).
В качестве приемника теплового излучения используется неохлаждаемая микроболометрическая матрица с разрешением не менее 640×480 пикселей.
Также в качестве приемника теплового излучения для тепловизионной насадки может использоваться неохлаждаемая микроболометрическая матрица более высокого разрешения, например 1280×1024, 1920×512 пикселей.
Фокусировка объектива (8) производится путем вращения внешнего маховика (11), расположенного на корпусе тепловизионной насадки, при этом происходит поступательное перемещение тепловизионного модуля (14).
Раздельный отсек элементов питания (12) тепловизионной насадки позволяет использовать как один аккумулятор типоразмера 18650, так и два аккумулятора типоразмера 18650 одновременно. Кроме того, данное техническое решение позволяет проводить последовательную замену аккумуляторов типоразмера 18650, без выключения тепловизионной насадки.
Узел окуляра (9) представляет из себя корпус, который выполнен из алюминиевого сплава Д16, внутри которого находится: окуляр, зеркало и микродисплей (фиг. 3, фиг. 4).
Микродисплей в составе узла окуляра (9) предназначен для того, чтобы проецировать полноформатное изображение в микроформате без потери качества.
Узел фокусировки окуляра (10) включает в себя винт и гайку, он предназначен для фокусировки изображения путем перемещения окуляра относительно микромонитора.
3. Модуль 3 включает в себя корпус (15), который выполнен из алюминиевого сплава Д16.
В модуле 3 размещены:
крепление для тепловизионного модуля (14);
раздельный отсек элементов питания с крышкой (12);
кнопочная панель управления (16);
кнопка включения/выключения тепловизионной насадки (17);
интерфейсный разъем для подключения внешнего источника питания и видеовыход (18) (фиг. 3).
Кронштейн (2) для крепления тепловизионной насадки на прибор наведения 9С816 с визирным устройством пускового устройства 9П151 ПТРК «Метис» и всех его модификаций, известных из уровня техники включает в себя: основание кронштейна (19), на котором установлены прижимные скобы (20,21), прижимные винты (22,23), фиксирующий винт (24) и удерживающий винт (25) (фиг. 3).
Прижимные скобы (20,21) предназначены для фиксации тепловизионной насадки на корпусе визирного устройства прибора наведения 9С816 с помощью прижимных винтов (22, 23) (фиг. 5).
Прижимная скоба (20) выполнена из алюминиевого сплава Д16, прижимная скоба (21) - из стали марки 40X13.
Фиксирующий винт (24) предназначен для дополнительной донастройки положения тепловизионной насадки относительно визирного устройства прибора наведения 9С816 (в случае если прицельная сетка визирного устройства прибора наведения 9С816 с визирным устройством не совпадает с тепловизионным изображением) (фиг. 9).
Удерживающий винт (25) предназначен для крепления прижимной скобы (21) к основанию кронштейна (19).
Основание кронштейна (19) имеет длину - 122 мм и максимальную ширину - 93 мм.
Кронштейн (2) крепится к корпусу насадки (1) с помощью 3 винтов М5Х10 (фиг. 1).
Оптическая схема разработанной тепловизионной насадки представлена на фиг.4. При этом параллельность оптической оси блока ФПУ к оптической оси блока отображения информации составляет величину не хуже, чем 0,16 мм на 1 м.
Блок ФПУ включает в себя объектив (8) и тепловизионный модуль (14) тепловизионной насадки.
Блок отображения информации включает в себя узел окуляра (9), который содержит в своем составе микродисплей, окуляр и зеркало;
зеркало с крепежной пластиной (4); защитное окно (6); объектив визирного устройства прибора наведения 9С816 (26).
Способ крепления разработанной тепловизионной насадки на прибор наведения 9С816 с визирным устройством пускового устройства 911151М из состава носимого ПТРК «Метис», а также порядок подготовки тепловизионной насадки к работе представлены на фиг. 5-9.
Перед креплением тепловизионной насадки на прибор наведения 9С816 с визирным устройством необходимо произвести внешний осмотр: на корпусе изделия не должно быть видимых механических повреждений, поверхности оптических деталей должны быть чистыми, установить источники питания.
Допускается использование тепловизионной насадки как с одним, так и с двумя аккумуляторами типоразмера 18650.
Для использования внешнего источника питания вставить штекер кабеля для подключения внешнего источника питания USB и видеовыхода в гнездо (18).
Способ крепления тепловизионной насадки на прибор наведения 9С816 с визирным устройством пусковых установок 9П151 и всех их модификаций известных из уровня техники из состава переносных ПТРК «Метис» и его модификаций, при котором оптическая ось прибора наведения 9С816 с визирным устройством совмещается с оптической осью тепловизионной насадки включает в себя следующие этапы (фиг. 5-9):
на первом этапе ослабляют прижимные винты (22, 23) на прижимных скобах (20, 21) кронштейна (2) тепловизионной насадки (фиг. 5, поз. А);
на втором этапе вставляют прижимные скобы (20, 21) кронштейна (2) тепловизионной насадки на внешнюю поверхность корпуса визирного устройства прибора наведения 9С816, закручивают до упора прижимные винты (22, 23) (фиг. 5, поз. В), (фиг. 6, поз. А, В);
на третьем этапе включают тепловизионную насадку, нажатием кнопки включения/выключения тепловизионной насадки (17) (фиг. 7), открывают защитную крышку с объектива (13) (фиг. 8);
на четвертом этапе смотрят в окуляр визирного прибора наведения 9С816 пускового устройства 9П151М из состава комплекта ПТРК «Метис», наблюдают тепловизионное изображение, в случае если прицельная сетка визирного устройства прибора наведения 9С816 не совпадает с тепловизионным изображением - проводят донастройку положения тепловизионной насадки относительно визирного устройства прибора наведения 9С816 с помощью фиксирующего винта (24) (фиг. 9), путем его вращения.
Заявленный технический результат достигается:
1. Оригинальной конструкцией тепловизионной насадки, позволяющей совместить оптическую ось прибора наведения 9С816 с визирным устройством с оптической осью тепловизионной насадки.
2. Оригинальной конструкции кронштейна (2), которая позволяет установить тепловизионную насадку на прибор наведения 9С816 с визирным устройством пускового устройства 9П151 ПТРК «Метис» и всех его модификаций, известных из уровня техники.
Использование кронштейна (2) возможно также и с другими тепловизионными насадками, при обязательном соблюдении условия - совмещения оптической оси прибора наведения 9С816 с визирным устройством с оптической осью тепловизионной насадки.
Таким образом, при реализации заявленного способа крепления тепловизионной насадки на прибор наведения 9С816 с визирным устройством достигается его универсальность, которая заключается в том, что данным способом возможно крепление тепловизионных насадок на прибор наведения 9С816 с визирным устройством на любые модификации пусковых установок 9П151 (как с переходным кронштейном, так и без него).
4. Краткое описание чертежей, иных графических материалов
Фиг. 1. Изображение тепловизионной насадки (общий вид).
На фиг. 1 приняты следующие обозначения:
1 - корпус тепловизионной насадки;
2 - кронштейн.
Фиг. 2. Изображение основных модулей корпуса тепловизионной насадки.
Фиг. 3. Схема расположения и состав основных элементов тепловизионной насадки.
На фиг. 3 приняты следующие обозначения:
3 - корпус модуля 1;
4 - зеркало с крепежной пластиной;
5 - стальная оправа;
6 - защитное окно;
7 - корпус модуля 2;
8 - объектив;
9 - узел окуляра;
10 - узел фокусировки окуляра;
11 - маховик;
12 - раздельный отсек элементов питания с крышкой;
13 - крышка объектива;
14 - тепловизионный модуль;
15 - корпус модуля 3;
16 - кнопочная панель управления;
17 - кнопка включения/выключения тепловизионной насадки;
18 - интерфейсный разъем для подключения внешнего источника питания и видеовыход;
19 - основание кронштейна;
20, 21 - прижимные скобы;
22, 23 - прижимные винты;
24 - фиксирующий винт;
25 - удерживающий винт.
Фиг 4. Оптическая схема тепловизионной насадки.
4 - зеркало с крепежной пластиной;
6 - защитное окно;
8 - объектив;
9 - узел окуляра;
14 - тепловизионный модуль;
26 - объектив визирного устройства прибора наведения 9С816.
Фиг. 5. Изображение способа крепления тепловизионной насадки на прибор наведения 9С816 с визирным устройством пускового устройства 9П151М из состава носимого ПТРК «Метис».
А - Подготовка тепловизионной насадки к установке на прибор наведения 9С816 с визирным устройством.
В - Установка тепловизионной насадки на прибор наведения 9С816 с визирным устройством с помощью прижимных скоб (21, 22).
Фиг. 6. Изображение порядка регулировки установленной тепловизионной насадки на прибор наведения 9С816 с визирным устройством пускового устройства 9П151М из состава носимого ПТРК «Метис».
А - Регулировка крепления прижимной скобы (21) с помощью прижимного винта (23);
В - Регулировка крепления прижимной скобы (22) с помощью прижимного винта (24).
Фиг. 7. Изображение порядка включения установленной тепловизионной насадки на прибор наведения 9С816 с визирным устройством пускового устройства 9П151М из состава носимого ПТРК «Метис».
Фиг. 8. Изображение установленной тепловизионной насадки на прибор наведения 9С816 с визирным устройством пускового устройства 9П151М из состава носимого ПТРК «Метис» с открытой крышкой объектива.
Фиг. 9. Изображение порядка корректировки положения установленной тепловизионной насадки на прибор наведения 9С816 с визирным устройством пускового устройства 9П151М из состава носимого ПТРК «Метис» относительно корпуса визирного устройства с помощью регулировочного винта (25).
5. Осуществление изобретения
Тепловизионная насадка была изготовлена следующим способом.
1. Корпус тепловизионной насадки (1) - методом фрезерования с последующим оксидированием, материал - алюминиевый сплав Д16.
Корпус тепловизионной насадки (1) конструктивно состоит из 3 модулей (модуль 1, модуль 2, модуль 3), которые соединены между собой винтами и уплотнительными прокладками (фиг. 2).
2. Кронштейн (2) - методом фрезерования с последующим оксидированием, материал - алюминиевый сплав Д16.
3. В качестве AMOLED микродисплея использовалось известная из уровня техники модель SVGA060SCV1R1, с разрешением 800×600 пикселей (компания OLiGHTEK), [https://www.olightek.com/products_ detail/3.html (Дата обращения:21.10.2024 г. )].
4. В качестве тепловизионного модуля использовался известный из уровня техники неохлаждаемый тепловизионный модуль МПРО 612-4 (МРДП.468116.002 ТУ) производства компании ООО «Меркурий - Про» с оригинальным встроенным программным обеспечением, который имеет разрешение 640×480 пикселей (основные технические характеристики представлены таблице 1).
         
      
Предварительная апробация разработанной тепловизионной насадки, а также способа крепления тепловизионной насадки проводилась на полигоне Министерства обороны Российской Федерации.
По результатам проведенной предварительной апробации были подтверждены основные технические характеристики тепловизионной насадки (таблица 1).
Кроме того, при проведении предварительной апробации разработанной тепловизионной насадки было отмечено: снятие и установка тепловизионной насадки выполняются достаточно просто, время для установки и фиксации насадки на пусковое устройство 9П151 составляет, в среднем, 15-20 с, крепления фиксируются надежно, ослаблений во время пуска ракет не возникло;
приведение к нормальному бою не требуется, тепловизионная насадка готова сразу к применению после фиксации на приборе наведения 9С816 с визирным устройством пускового устройства 9П151.
| название | год | авторы | номер документа | 
|---|---|---|---|
| Тренажер для подготовки операторов управляемого вооружения | 2014 | 
 | RU2607428C2 | 
| СЕТКА ВИЗИРНОГО КАНАЛА ПРИЦЕЛА ПУСКОВОГО УСТРОЙСТВА ПРОТИВОТАНКОВОГО РАКЕТНОГО КОМПЛЕКСА (ПТРК) | 2011 | 
 | RU2477829C1 | 
| Тренажер для профессиональной подготовки военных специалистов носимых и выносных противотанковых ракетных комплексов (варианты) | 2015 | 
 | RU2660796C1 | 
| ПАНОРАМНЫЙ ПРИБОР НАБЛЮДЕНИЯ КОМАНДИРА | 2018 | 
 | RU2682141C1 | 
| ПРИБОР НАБЛЮДЕНИЯ-ПРИЦЕЛ С ДИСТАНЦИОННЫМ УПРАВЛЕНИЕМ | 2021 | 
 | RU2776633C1 | 
| ОПТИЧЕСКИЙ ПРИЦЕЛ СИСТЕМЫ УПРАВЛЕНИЯ ОГНЕМ (ВАРИАНТЫ) | 2002 | 
 | RU2224206C1 | 
| УСТРОЙСТВО ДЛЯ КОНТРОЛЯ НЕПАРАЛЛЕЛЬНОСТИ ТЕПЛОВИЗИОННОГО И ВИЗУАЛЬНОГО КАНАЛОВ КОМБИНИРОВАННЫХ ПРИЦЕЛОВ | 2005 | 
 | RU2314491C2 | 
| КОМБИНИРОВАННЫЙ ПРИБОР НАБЛЮДЕНИЯ - ПРИЦЕЛ | 2023 | 
 | RU2816243C1 | 
| ПРИБОР НАБЛЮДЕНИЯ-ПРИЦЕЛ СО ВСТРОЕННЫМ ПАССИВНЫМ ДАЛЬНОМЕРОМ | 2021 | 
 | RU2785957C2 | 
| КОМБИНИРОВАННЫЙ ПРИБОР НАБЛЮДЕНИЯ-ПРИЦЕЛ | 2023 | 
 | RU2816282C1 | 
 
		
		 
		
		 
		
		 
		
		 
		
		 
		
		 
		
		 
		
		 
		
         
         
            Изобретение относится к области оптико-электронного приборостроения, в частности к способу крепления тепловизионной насадки на прибор наведения с визирным устройством пусковых установок из состава носимого противотанкового ракетного комплекса (ПТРК). Техническим результатом изобретения является надежное крепление между тепловизионной насадкой и прибором наведения 9С816 с визирным устройством пусковых установок 9П151 из состава носимого ПТРК, при котором оптическая ось прибора наведения 9С816 с визирным устройством совмещается с оптической осью тепловизионной насадки. Предложен способ крепления тепловизионной насадки на прибор наведения 9С816 с визирным устройством пускового устройства 9П151 ПТРК, при котором оптическая ось прибора наведения 9С816 с визирным устройством совмещается с оптической осью тепловизионной насадки, включает в себя следующие этапы: ослабляют прижимные винты (22, 23) на прижимных скобах (20, 21) кронштейна (2) тепловизионной насадки; вставляют прижимные скобы (20, 21) кронштейна (2) тепловизионной насадки на внешнюю поверхность корпуса визирного устройства прибора наведения; обеспечивают предварительное совмещение оптической оси прибора наведения с визирным устройством пускового устройства с оптической осью блока отображения информации тепловизионной насадки с помощью модуля (1), который включает в себя корпус (3), внутри которого размещается зеркало с крепежной пластиной (4), а с внешней стороны корпуса (3) закреплена стальная оправа (5), внутри которой установлено защитное окно (6); закручивают до упора прижимные винты (22, 23); проводят донастройку положения тепловизионной насадки относительно визирного устройства прибора наведения с помощью фиксирующего винта (24), путем его вращения, при необходимости. 9 ил.
Способ крепления тепловизионной насадки на прибор наведения 9С816 с визирным устройством пускового устройства 9П151 противотанкового ракетного комплекса 9К115, при котором оптическая ось прибора наведения 9С816 с визирным устройством совмещается с оптической осью тепловизионной насадки, включает в себя следующие этапы:
ослабляют прижимные винты (22, 23) на прижимных скобах (20, 21) кронштейна (2) тепловизионной насадки;
вставляют прижимные скобы (20, 21) кронштейна (2) тепловизионной насадки на внешнюю поверхность корпуса визирного устройства прибора наведения;
обеспечивают предварительное совмещение оптической оси прибора наведения с визирным устройством пускового устройства с оптической осью блока отображения информации тепловизионной насадки с помощью модуля (1), который включает в себя корпус (3), внутри которого размещается зеркало с крепежной пластиной (4), а с внешней стороны корпуса (3) закреплена стальная оправа (5), внутри которой установлено защитное окно (6);
закручивают до упора прижимные винты (22, 23);
проводят донастройку положения тепловизионной насадки относительно визирного устройства прибора наведения с помощью фиксирующего винта (24), путем его вращения, при необходимости.
| ПУСКОВАЯ УСТАНОВКА ДЛЯ РАКЕТ И СПОСОБ УСТАНОВКИ НА НЕЕ СЪЕМНОГО ПРИБОРА НОЧНОГО ВИДЕНИЯ | 2001 | 
 | RU2186323C1 | 
| US 2013000176 A1 - 2013-01-03 | |||
| Разборный с внутренней печью кипятильник | 1922 | 
 | SU9A1 | 
| академика А.Г | |||
| Шипунова, найдено в сети Интернет соц.сеть Контакт на https://vk.com/wall-46943161_1674827 | |||
Авторы
Даты
2025-06-06—Публикация
2024-12-03—Подача