ПЕРЕКЛЮЧАТЕЛЬ ТОКА Советский патент 1968 года по МПК H03K17/74 

Описание патента на изобретение SU224578A1

Известны мостовые переключатели тока, содержащие диоды и устройства с падающей амплитудной характеристикой. Основными недостатками известных мостовых переключателей является их сложность и необходимость иметь несколько гальванически развязанных источников литания.

Предлагаемый переключатель тока мостового типа свободен от этих недостатков и отличается от известных тем, что в плечи моста последовательно с диодами включены параллельные цепочки из динисторов и диодов, а источник выключающих импульсов подключен к диагонали моста, в которую включен источник тока. Это позволяет значительно упростить переключатель.

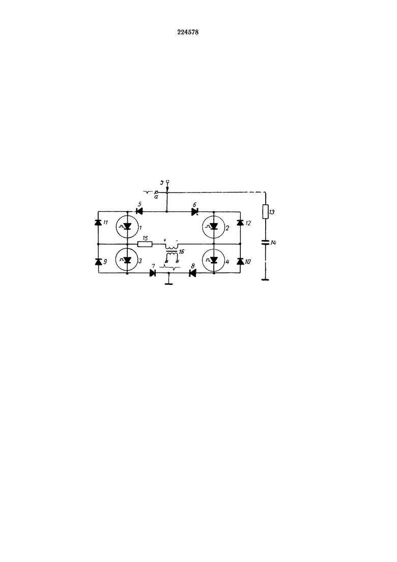
На чертеже изображена принципиальная схема переключателя.

Переключатель состоит из динисторов 1-4, включенных в плечи моста. Последовательно с динисторами включены диоды 5-8. Для предотвращения обратного пробоя динисторов они зашунтированы диодами 9-12.

В одну диагональ моста включен источник тока 1; он обеспечивает питание нагрузки, когда падение напряжения на ней не превышает определенной величины - меньшей, чем напряжение переключения динистора (возможно питание и от источника напряжения). К этой же диагонали подключена цепочка из последовательно соединенных сопротивления 13 и коденсатора 14.

В другую диагональ моста включены сопротивление нагрузки 15 и вторичная обмотка трансформатора 16, на первичную обмотку которого подаются переключающие импульсы различной полярности.

Работает переключатель тока следующим образом.

При включении питания все динисторы закрыты. После подачи входного импульса, например положительного, в первичную обмотку трансформатора 16, во вторичной обмотке трансформатора наводится э.д.с. с полярностью, указанной на чертеже.

Это напряжение прикладывается к последовательно соединенным динисторам 2 и 3. Входное напряжение больше суммы напряжений переключения этих двух динисторов, поэтому динисторы 2 и 3 включаются, и через них начинает протекать ток как от источника входных импульсов, так и от источника тока.

По окончании входного импульса динисторы 2 и 3 остаются открытыми, и ток через нагрузку 15 продолжает протекать. В таком состоянии схема находится до прихода входного импульса отрицательной полярности, который наводит во вторичной обмотке трансформатора э.д.с. с обратной полярностью и закрывает диоды 6 и 7, при этом динисторы 2 и 3 выключаются. После закрытия диодов 6 и 7 входной импульс прикладывается к последовательно соединенным динисторам 1 и 4, они включаются и пропускают ток от источника входных импульсов и от источника тока.

Переключатель тока может работать не только на активную нагрузку, но и на активно-емкостную. Когда он работает на активно-индуктивную нагрузку, ее необходимо шунтировать емкостью. При работе переключателя от источника напряжения необходимость в цепочке из последовательно соединенных сопротивлений 13 и конденсатора 14 отпадает.

Переключатель может полностью отключать питание от нагрузки, для чего необходимо подать в точку а диагонали моста импульс отрицательной полярности.

Похожие патенты SU224578A1

название год авторы номер документа
Самоуправляемый автономный инвертор напряжения 1990
  • Кощеев Леонид Григорьевич
SU1777221A1
Автономный инвертор напряжения 1980
  • Булатов Олег Георгиевич
  • Одынь Ольга Борисовна
  • Одынь Сергей Валерьевич
SU892625A1
ИМПУЛЬСНЫЙ ГЕНЕРАТОР ИНФРАНИЗКОЙ ЧАСТОТЫ 1969
SU233741A1
ТРАНЗИСТОРНЫЙ КОНВЕРТОР 1972
SU453776A1
Мультивибратор 1978
  • Дробышев Юрий Васильевич
SU721897A1
Автономный инвертор напряжения 1979
  • Булатов Олег Георгиевич
  • Одынь Сергей Валерьевич
SU838971A1
Электронный стартер для зажигания люминесцентных ламп с электродами предварительного подогрева 1990
  • Жильцов Валентин Павлович
SU1805554A1
Автономный инвертор напряжения 1980
  • Булатов Олег Георгиевич
  • Одынь Сергей Валерьевич
  • Шилов Владимир Владимирович
SU896725A1
Параллельный инвертор тока 1988
  • Иванов Александр Васильевич
  • Уржумсков Анатолий Михайлович
  • Алехин Валерий Александрович
SU1497696A1
Автономный инвертор напряжения 1979
  • Булатов Олег Георгиевич
  • Одынь Ольга Борисовна
  • Одынь Сергей Валерьевич
  • Шилов Владимир Владимирович
SU817940A1

Иллюстрации к изобретению SU 224 578 A1

Формула изобретения SU 224 578 A1

Переключатель тока, выполненный в виде диодного моста, в одну диагональ которого включен источник тока, а в другую - нагрузка и источник переключающих импульсов, отличающийся тем, что, с целью упрощения, в плечи моста последовательно с диодами включены параллельные цепочки из динисторов и диодов, а в диагональ моста параллельно с источником тока включен источник выключающих импульсов.

SU 224 578 A1

Авторы

Данильченко В.П.

Маслов Д.В.

Толпегин Ю.В.

Шахмейстер Л.Е.

Даты

1968-11-22Публикация

1967-06-09Подача