Изобретение относится к измерительной технике, а точнее к устройствам, предназначенным для выделения нулевой последовательности тока, и может быть использовано в составе устройств измерения, защиты и сигнализации трехфазных систем переменного тока.
Аналогом к изобретению по технической сущности и достигаемому результату является фильтр тока нулевой последовательности на основе однофазного трансформатора с вращающимся магнитным полем [патент на полезную модель №106753 от 20.07.2011]. Это устройство предназначено для выделения симметричных составляющих электрического сигнала и может быть использовано в составе устройств измерения, защиты и сигнализации трехфазных систем переменного тока. Полезная модель включает в себя три тороидальных сердечника, на которых для каждой из трех фаз расположены четыре первичные обмотки, балластные резистор и индуктивность, причем начало первой обмотки соединено с концом второй обмотки, образуя при этом первый вход устройства, конец первой обмотки с концом третьей обмотки, начало второй обмотки с началом четвертой обмотки, начало третьей обмотки - с балластной индуктивностью, а конец четвертой обмотки - с балластным резистором, другие концы которых образуют при соединении второй вход устройства, а для получения вращающегося магнитного поля в каждой фазе первая, вторая, третья и четвертая первичные обмотки расположены друг относительно друга на тороидальном магнитном сердечнике со сдвигом на 90° при этом количество витков первой и четвертой обмоток больше в два раза, чем второй и третьей, многофазные вторичные обмотки, для каждой из трех фаз выполненные в виде двух систем обмоток, каждая из которых содержит по три обмотки, расположенные друг относительно друга под углом 120°, а между собой эти системы обмоток геометрически сдвинуты на угол 30° относительно друг друга.
Недостатком аналога является недостаточная точность в работе в связи с появлением тока небаланса в результате довольно сложной настройки.
Наиболее близким к заявляемому техническому решению по технической сущности и достигаемому техническому результату, принятым за прототип, является трансформаторное устройство с короткозамкнутой обмоткой для преобразования однофазного электрического сигнала в шестифазный [патент № 206352 от 07.09.2021], содержащее два магнитопровода, на сердечниках которых расположены обмотки, образующие входную и выходные цепи, причем входная цепь соединена с входными выводами для подключения однофазного источника питания, а выходная цепь каждого магнитопровода выполнена в виде расположенной на его сердечнике вторичной обмотки, соединенной с выходными выводами для подключения нагрузки, входную цепь, выполненную в виде первичной обмотки, короткозамкнутую обмотку, расположенную на сердечнике второго магнитопровода, при этом во входную цепь включена последовательно и согласно вторая первичная обмотка, размещенная на сердечнике второго магнитопровода, дополнительно на каждом сердечнике магнитопроводов размещены четыре вторичные обмотки. При этом начало первой, второй и концы третьей, четвертой и пятой вторичных обмоток сердечника первого магнитопровода и начало пятой вторичной обмотки сердечника второго магнитопровода подключены к выводам нагрузки, конец второй вторичной обмотки сердечника первого магнитопровода подключен к концу первой обмотки сердечника второго магнитопровода, начало третьей вторичной обмотки сердечника первого магнитопровода подключено к концу второй обмотки сердечника второго магнитопровода, начало четвертой вторичной обмотки сердечника первого магнитопровода подключено к концу третьей обмотки сердечника второго магнитопровода, начало пятой вторичной обмотки сердечника первого магнитопровода подключено к началу четвертой обмотки сердечника второго магнитопровода, оставшиеся выводы, конец первой вторичной обмотки первого сердечника магнитопровода, начала первой, второй, третьей и концы четвертой, пятой вторичных обмоток сердечника второго магнитопровода соединены между собой.
Недостатком прототипа является его неспособность выявлять ток нулевой последовательности в трехфазной сети переменного тока.
Технической задачей заявляемого изобретения является повышение точности срабатывания релейной защиты в несимметричных режимах работы трехфазной сети переменного тока.
Техническим результатом заявляемого изобретения является повышение точности срабатывания релейной защиты в несимметричных режимах работы трехфазной сети переменного тока.
Технический результат достигается тем, что фильтр тока нулевой последовательности, содержащий первый и второй зажимы фильтра, которые включены в токовые цепи фазы А, третий и четвертый зажимы фильтра включены в токовые цепи фазы B, пятый и шестой зажимы фильтра включены в токовые цепи фазы С; первый и второй зажимы фильтра подключены к трансформаторному устройству с короткозамкнутой обмоткой фазы А, третий и четвертый зажимы фильтра подключены к трансформаторному устройству с короткозамкнутой обмоткой фазы В, пятый и шестой зажимы фильтра подключены к трансформаторному устройству с короткозамкнутой обмоткой фазы С; трансформаторное устройство с короткозамкнутой обмоткой фазы А содержит первую первичную обмотку фазы А и вторую первичную обмотку фазы А, которые размещены на первом и втором сердечниках фазы А, при этом конец первой первичной обмотки фазы А соединен с началом второй первичной обмотки фазы А, начало первой первичной обмотки фазы А соединено с первым зажимом, и конец второй первичной обмотки фазы А соединен со вторым зажимом для подключения токовых цепей фазы А, короткозамкнутая обмотка фазы А размещена на втором сердечнике фазы А; трансформаторное устройство с короткозамкнутой обмоткой фазы В содержит первую первичную обмотку фазы В и вторую первичную обмотку фазы В, которые размещены на первом и втором сердечниках фазы В, при этом конец первой первичной обмотки фазы В соединен с началом второй первичной обмотки фазы В, начало первой первичной обмотки фазы В соединено с третьим зажимом, и конец второй первичной обмотки фазы В соединен с четвертым зажимом для подключения токовых цепей фазы B, короткозамкнутая обмотка фазы В размещена на втором сердечнике фазы В; трансформаторное устройство с короткозамкнутой обмоткой фазы С содержит первую первичную обмотку фазы С и вторую первичную обмотку фазы С, которые размещены на первом и втором сердечниках фазы С, при этом конец первой первичной обмотки фазы С соединен с началом второй первичной обмотки фазы С, начало первой первичной обмотки фазы С соединено с пятым зажимом, и конец второй первичной обмотки фазы С соединен с шестым зажимом для подключения токовых цепей фазы С, короткозамкнутая обмотка фазы С размещена на втором сердечнике фазы С; первая вторичная обмотка фазы А, вторая вторичная обмотка фазы А, третья вторичная обмотка фазы А, четвертая вторичная обмотка фазы А и пятая вторичная обмотка фазы А расположены на первом сердечнике фазы А; шестая вторичная обмотка фазы А, седьмая вторичная обмотка фазы А, восьмая вторичная обмотка фазы А, девятая вторичная обмотка фазы А и десятая вторичная обмотка фазы А расположены на втором сердечнике фазы А; первая вторичная обмотка фазы В, вторая вторичная обмотка фазы В, третья вторичная обмотка фазы В, четвертая вторичная обмотка фазы В и пятая вторичная обмотка фазы В расположены на первом сердечнике фазы В; шестая вторичная обмотка фазы В, седьмая вторичная обмотка фазы В, восьмая вторичная обмотка фазы В, девятая вторичная обмотка фазы В и десятая вторичная обмотка фазы В расположены на втором сердечнике фазы В; первая вторичная обмотка фазы С, вторая вторичная обмотка фазы С, третья вторичная обмотка фазы С, четвертая вторичная обмотка фазы С и пятая вторичная обмотка фазы С расположены на первом сердечнике фазы С; шестая вторичная обмотка фазы С, седьмая вторичная обмотка фазы С, восьмая вторичная обмотка фазы С, девятая вторичная обмотка фазы С и десятая вторичная обмотка фазы С расположены на втором сердечнике фазы С; вторичные обмотки соединены между собой следующим образом:
начало первой вторичной обмотки фазы С соединено с концом первой вторичной обмотки фазы В; начало первой вторичной обмотки фазы В соединено с концом первой вторичной обмотки фазы А; начало первой вторичной обмотки фазы А соединено с первым многофазным выпрямителем;
конец шестой вторичной обмотки фазы С соединен с концом второй вторичной обмотки фазы С; начало второй вторичной обмотки фазы С соединено с началом шестой вторичной обмотки фазы В; конец шестой вторичной обмотки фазы В соединен с концом второй вторичной обмотки фазы В; начало второй вторичной обмотки фазы В соединено с началом шестой вторичной обмотки фазы А; конец шестой вторичной обмотки фазы А соединен с концом второй вторичной обмотки фазы А; начало второй вторичной обмотки фазы А соединено со вторым многофазным выпрямителем;
конец седьмой вторичной обмотки фазы С соединен с началом третьей вторичной обмотки фазы С; конец третьей вторичной обмотки фазы С соединен с началом седьмой вторичной обмотки фазы В; конец седьмой вторичной обмотки фазы В соединен с началом третьей вторичной обмотки фазы В; конец третьей вторичной обмотки фазы В соединен с началом седьмой вторичной обмотки фазы А; конец седьмой вторичной обмотки фазы А соединен с началом третьей вторичной обмотки фазы А; конец третьей вторичной обмотки фазы А соединен с первым многофазным выпрямителем;
конец восьмой вторичной обмотки фазы С соединен с началом четвертой вторичной обмотки фазы С; конец четвертой вторичной обмотки фазы С соединен с началом восьмой вторичной обмотки фазы В; конец восьмой вторичной обмотки фазы В соединен с началом четвертой вторичной обмотки фазы В; конец четвертой вторичной обмотки фазы В соединен с началом восьмой вторичной обмотки фазы А; конец восьмой вторичной обмотки фазы А соединен с началом четвертой вторичной обмотки фазы А; конец четвертой вторичной обмотки фазы А соединен со вторым многофазным выпрямителем;
начало девятой вторичной обмотки фазы С соединено с началом пятой вторичной обмотки фазы С; конец пятой вторичной обмотки фазы С соединен с концом девятой вторичной обмотки фазы В; начало девятой вторичной обмотки фазы В соединено с началом пятой вторичной обмотки фазы В; конец пятой вторичной обмотки фазы В соединен с концом девятой вторичной обмотки фазы А; начало девятой вторичной обмотки фазы А соединено с началом пятой вторичной обмотки фазы А; конец пятой вторичной обмотки фазы А соединен с первым многофазным выпрямителем;
начало десятой вторичной обмотки фазы С соединено с концом десятой вторичной обмотки фазы В; начало десятой вторичной обмотки фазы С соединено с концом десятой вторичной обмотки фазы А; начало десятой вторичной обмотки фазы А соединено со вторым многофазным выпрямителем;
конец первой вторичной обмотки фазы С, начало шестой вторичной обмотки фазы С, начало седьмой вторичной обмотки фазы С, начало восьмой вторичной обмотки фазы С, конец девятой вторичной обмотки фазы С и конец десятой вторичной обмотки фазы С соединены между собой;
первый выходной вывод первого многофазного выпрямителя соединен со вторым выходным выводом второго многофазного выпрямителя;
второй выходной вывод первого многофазного выпрямителя и первый выходной вывод второго многофазного выпрямителя образуют на первой выходной клемме фильтра и второй выходной клемме фильтра выходное постоянное напряжение нулевой последовательности, величина которого пропорциональна току нулевой последовательности в трехфазной сети переменного тока.
Повышение точности срабатывания релейной защиты обусловлено подключением к трехфазной сети переменного тока трех одинаковых для каждой фазы трансформаторных устройств с короткозамкнутыми обмотками с расположенными на них первичными и вторичными обмотками и подключением специальным образом вторичных обмоток этих устройств к многофазным выпрямителям, а также формированием постоянного напряжения, величина которого пропорциональна току нулевой последовательности в трехфазной сети переменного тока.
Изобретение поясняется следующими иллюстрациями.
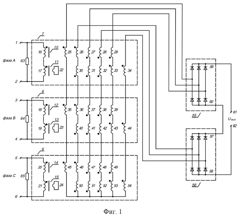
На фиг. 1 представлена принципиальная электрическая схема фильтра.
На приведенной фиг. 1 изображены:
1 - первый зажим;
2 - второй зажим;
3 - третий зажим;
4 - четвертый зажим;
5 - пятый зажим;
6 - шестой зажим;
7 - трансформаторное устройство с короткозамкнутой обмоткой фазы А;
8 - трансформаторное устройство с короткозамкнутой обмоткой фазы В;
9 - трансформаторное устройство с короткозамкнутой обмоткой фазы С;
10 - первый сердечник фазы А;
11 - второй сердечник фазы А;
12 - первый сердечник фазы В;
13 - второй сердечник фазы В;
14 - первый сердечник фазы С;
15 - второй сердечник фазы С;
16 - первая первичная обмотка фазы А;
17 - вторая первичная обмотка фазы А;
18 - первая первичная обмотка фазы В;
19 - вторая первичная обмотка фазы В;
20 - первая первичная обмотка фазы С;
21 - вторая первичная обмотка фазы С;
22 - короткозамкнутая обмотка фазы А;
23 - короткозамкнутая обмотка фазы В;
24 - короткозамкнутая обмотка фазы С;
25 - первая вторичная обмотка фазы А;
26 - вторая вторичная обмотка фазы А;
27 - третья вторичная обмотка фазы А;
28 - четвертая вторичная обмотка фазы А;
29 - пятая вторичная обмотка фазы А;
30 - шестая вторичная обмотка фазы А;
31 - седьмая вторичная обмотка фазы А;
32 - восьмая вторичная обмотка фазы А;
33 - девятая вторичная обмотка фазы А;
34 - десятая вторичная обмотка фазы А;
35 - первая вторичная обмотка фазы В;
36 - вторая вторичная обмотка фазы В;
37 - третья вторичная обмотка фазы В;
38 - четвертая вторичная обмотка фазы В;
39 - пятая вторичная обмотка фазы В;
40 - шестая вторичная обмотка фазы В;
41 - седьмая вторичная обмотка фазы В;
42 - восьмая вторичная обмотка фазы В;
43 - девятая вторичная обмотка фазы В;
44 - десятая вторичная обмотка фазы В;
45 - первая вторичная обмотка фазы С;
46 - вторая вторичная обмотка фазы С;
47 - третья вторичная обмотка фазы С;
48 - четвертая вторичная обмотка фазы С;
49 - пятая вторичная обмотка фазы С;
50 - шестая вторичная обмотка фазы С;
51 - седьмая вторичная обмотка фазы С;
52 - восьмая вторичная обмотка фазы С;
53 - девятая вторичная обмотка фазы С;
54 - десятая вторичная обмотка фазы С;
55 - первый многофазный выпрямитель;
56 - второй многофазный выпрямитель;
57 - первый выходной вывод первого многофазного выпрямителя;
58 - второй выходной вывод первого многофазного выпрямителя;
59 - первый выходной вывод второго многофазного выпрямителя;
60 - второй выходной вывод второго многофазного выпрямителя;
61 - первая выходная клемма фильтра;
62 - вторая выходная клемма фильтра.
Фильтр тока нулевой последовательности (фиг. 1) реализован следующим образом: первый 1 и второй 2 зажимы фильтра включены в токовые цепи фазы А, третий 3 и четвертый 4 зажимы фильтра включены в токовые цепи фазы B, пятый 5 и шестой 6 зажимы фильтра включены в токовые цепи фазы С; первый 1 и второй 2 зажимы фильтра подключены к трансформаторному устройству с короткозамкнутой обмоткой фазы А 7, третий 3 и 4 четвертый зажимы фильтра подключены к трансформаторному устройству с короткозамкнутой обмоткой фазы В 8, пятый 5 и шестой 6 зажимы фильтра подключены к трансформаторному устройству с короткозамкнутой обмоткой фазы С 9; трансформаторное устройство с короткозамкнутой обмоткой фазы А 7 содержит первую первичную обмотку фазы А 16 и вторую первичную обмотку фазы А 17, которые размещены на первом 10 и втором 11 сердечниках фазы А, при этом конец первой первичной обмотки фазы А 16 соединен с началом второй первичной обмотки фазы А 17, начало первой первичной обмотки фазы А 16 соединено с первым зажимом 1, и конец второй первичной обмотки фазы А 17 соединен со вторым зажимом 2 для подключения токовых цепей фазы А, короткозамкнутая обмотка фазы А 22 размещена на втором сердечнике фазы А 11; трансформаторное устройство с короткозамкнутой обмоткой фазы В 8 содержит первую первичную обмотку фазы В 18 и вторую первичную обмотку фазы В 19, которые размещены на первом 12 и втором 13 сердечниках фазы В, при этом конец первой первичной обмотки фазы В 18 соединен с началом второй первичной обмотки фазы В 19, начало первой первичной обмотки фазы В 18 соединено с третьим зажимом 3, и конец второй первичной обмотки фазы В 19 соединен с четвертым зажимом 4 для подключения токовых цепей фазы B, короткозамкнутая обмотка фазы В 23 размещена на втором сердечнике фазы В 13; трансформаторное устройство с короткозамкнутой обмоткой фазы С 9 содержит первую первичную обмотку фазы С 20 и вторую первичную обмотку фазы С 21, которые размещены на первом 14 и втором 15 сердечниках фазы С, при этом конец первой первичной обмотки фазы С 20 соединен с началом второй первичной обмотки фазы С 21, начало первой первичной обмотки фазы С 20 соединено с пятым зажимом 5, и конец второй первичной обмотки фазы С 21 соединен с шестым зажимом 6 для подключения токовых цепей фазы С, короткозамкнутая обмотка фазы С 24 размещена на втором сердечнике фазы С 15; первая вторичная обмотка фазы А 25, вторая вторичная обмотка фазы А 26, третья вторичная обмотка фазы А 27, четвертая вторичная обмотка фазы А 28 и пятая вторичная обмотка фазы А 29 расположены на первом сердечнике фазы А 10; шестая вторичная обмотка фазы А 30, седьмая вторичная обмотка фазы А 31, восьмая вторичная обмотка фазы А 32, девятая вторичная обмотка фазы А 33 и десятая вторичная обмотка фазы А 34 расположены на втором сердечнике фазы А 11; первая вторичная обмотка фазы В 35, вторая вторичная обмотка фазы В 36, третья вторичная обмотка фазы В 37, четвертая вторичная обмотка фазы В 38 и пятая вторичная обмотка фазы В 39 расположены на первом сердечнике фазы В 12; шестая вторичная обмотка фазы В 40, седьмая вторичная обмотка фазы В 41, восьмая вторичная обмотка фазы В 42, девятая вторичная обмотка фазы В 43 и десятая вторичная обмотка фазы В 44 расположены на втором сердечнике фазы В 13; первая вторичная обмотка фазы С 45, вторая вторичная обмотка фазы С 46, третья вторичная обмотка фазы С 47, четвертая вторичная обмотка фазы С 48 и пятая вторичная обмотка фазы С 49 расположены на первом сердечнике фазы С 14; шестая вторичная обмотка фазы С 50, седьмая вторичная обмотка фазы С 51, восьмая вторичная обмотка фазы С 52, девятая вторичная обмотка фазы С 53 и десятая вторичная обмотка фазы С 54 расположены на втором сердечнике фазы С 15; вторичные обмотки соединены между собой следующим образом:
начало первой вторичной обмотки фазы С 45 соединено с концом первой вторичной обмотки фазы В 35; начало первой вторичной обмотки фазы В 35 соединено с концом первой вторичной обмотки фазы А 25; начало первой вторичной обмотки фазы А 25 соединено с первым многофазным выпрямителем 55;
конец шестой вторичной обмотки фазы С 50 соединен с концом второй вторичной обмотки фазы С 46; начало второй вторичной обмотки фазы С 46 соединено с началом шестой вторичной обмотки фазы В 40; конец шестой вторичной обмотки фазы В 40 соединен с концом второй вторичной обмотки фазы В 36; начало второй вторичной обмотки фазы В 36 соединено с началом шестой вторичной обмотки фазы А 30; конец шестой вторичной обмотки фазы А 30 соединен с концом второй вторичной обмотки фазы А 26; начало второй вторичной обмотки фазы А 26 соединено со вторым многофазным выпрямителем 56;
конец седьмой вторичной обмотки фазы С 51 соединен с началом третьей вторичной обмотки фазы С 47; конец третьей вторичной обмотки фазы С 47 соединен с началом седьмой вторичной обмотки фазы В 41; конец седьмой вторичной обмотки фазы В 41 соединен с началом третьей вторичной обмотки фазы В 37; конец третьей вторичной обмотки фазы В 37 соединен с началом седьмой вторичной обмотки фазы А 31; конец седьмой вторичной обмотки фазы А 31 соединен с началом третьей вторичной обмотки фазы А 27; конец третьей вторичной обмотки фазы А 27 соединен с первым многофазным выпрямителем 55;
конец восьмой вторичной обмотки фазы С 52 соединен с началом четвертой вторичной обмотки фазы С 48; конец четвертой вторичной обмотки фазы С 48 соединен с началом восьмой вторичной обмотки фазы В 42; конец восьмой вторичной обмотки фазы В 42 соединен с началом четвертой вторичной обмотки фазы В 38; конец четвертой вторичной обмотки фазы В 38 соединен с началом восьмой вторичной обмотки фазы А 32; конец восьмой вторичной обмотки фазы А 32 соединен с началом четвертой вторичной обмотки фазы А 28; конец четвертой вторичной обмотки фазы А 28 соединен со вторым многофазным выпрямителем 56;
начало девятой вторичной обмотки фазы С 53 соединено с началом пятой вторичной обмотки фазы С 49; конец пятой вторичной обмотки фазы С 49 соединен с концом девятой вторичной обмотки фазы В 43; начало девятой вторичной обмотки фазы В 43 соединено с началом пятой вторичной обмотки фазы В 39; конец пятой вторичной обмотки фазы В 39 соединен с концом девятой вторичной обмотки фазы А 33; начало девятой вторичной обмотки фазы А 33 соединено с началом пятой вторичной обмотки фазы А 29; конец пятой вторичной обмотки фазы А 29 соединен с первым многофазным выпрямителем 55;
начало десятой вторичной обмотки фазы С 54 соединено с концом десятой вторичной обмотки фазы В 44; начало десятой вторичной обмотки фазы С 44 соединено с концом десятой вторичной обмотки фазы А 34; начало десятой вторичной обмотки фазы А 34 соединено со вторым многофазным выпрямителем 56;
конец первой вторичной обмотки фазы С 45, начало шестой вторичной обмотки фазы С 50, начало седьмой вторичной обмотки фазы С 51, начало восьмой вторичной обмотки фазы С 52, конец девятой вторичной обмотки фазы С 53 и конец десятой вторичной обмотки фазы С 54 соединены между собой;
первый выходной вывод первого многофазного выпрямителя 57 соединен со вторым выходным выводом второго многофазного выпрямителя 60;
второй выходной вывод первого многофазного выпрямителя 58 и первый выходной вывод второго многофазного выпрямителя 59 образуют на первой выходной клемме фильтра 61 и второй выходной клемме фильтра 62 выходное постоянное напряжение нулевой последовательности, величина которого пропорциональна току нулевой последовательности в трехфазной сети переменного тока.
Предложенное выше соединение вторичных обмоток формирует шестифазную систему выходных напряжений. Добавление второй первичной обмотки фазы А, второй первичной обмотки фазы В и второй первичной обмотки фазы С обеспечивает отсутствие электромагнитных связей короткозамкнутой обмотки фазы А, короткозамкнутой обмотки фазы В и короткозамкнутой обмотки фазы С с первой первичной обмоткой фазы А, с первой первичной обмоткой фазы В и с первой первичной обмоткой фазы С, что позволяет устранить размагничивания первых первичных обмоток каждой фазы и получить равенства амплитуд и фиксированных углов сдвига фаз между ЭДС первых и вторых сердечников каждой фазы, которые во вторичных обмотках наводят ЭДС, в результате их пофазного суммирования обеспечивается повышение точности формирования систем выходных напряжений по амплитудам и сдвигам фаз каждой фазы.
Действие устройства основано на использовании метода симметричных составляющих. Пусть имеется система фаз А, В и С, в токовых цепях которой протекают сигналы токов
соответственно, значения которых можно определить по выражениям:
где
- синусоидальный ток фазы А в амперах;
- синусоидальный ток фазы B в амперах;
- синусоидальный ток фазы C в амперах;
- амплитудное значение тока фазы А в амперах;
- амплитудное значение тока фазы B в амперах;
- амплитудное значение тока фазы C в амперах;
- угловая частота сигнала,
, рад/с;
- частота сигнала, Гц;
- угол, на который сигнал
опережает сигнал
, рад;
- угол, на который сигнал
опережает сигнал
, рад;
t - момент времени, с.
В соответствии с указанным методом, выражение для составляющей нулевой последовательности
имеет вид:
Работает заявляемый фильтр следующим образом: через зажимы 1 и 2, 3 и 4, 5 и 6 каждой фазы протекают электрические токи частотой 50 Гц и фазовым сдвигом 120° относительно друг друга, первые первичные обмотки каждой фазы посредством первых сердечников создают магнитодвижущие силы, которые обеспечивают трансформацию токов во вторичные обмотки, расположенных на первых сердечниках. Вторые первичные обмотки каждой фазы посредством вторых сердечников создают магнитодвижущие силы, которые обеспечивают трансформацию токов во вторичные обмотки, расположенных на вторых сердечниках. Независимо на вторых сердечниках расположены короткозамкнутые обмотки для получения требуемого фазового сдвига между магнитодвижущими силами первых первичных обмоток и вторых первичных обмоток. Результатом работы схемы является система выходных вторичных напряжений с числом фаз равными 6 для каждой из фаз, концы обмоток которых подключаются к ветвям между двумя соединенными последовательно многофазными выпрямителями, концы и начала которых соединены в общие точки и образуют на выходе фильтра выходное постоянное напряжение, величина которого пропорциональна току нулевой последовательности в трехфазной сети переменного тока.
В результате выпрямления выходной системы напряжений формируется информационный признак - постоянное напряжение Uвых, величина которого пропорциональна току нулевой последовательности в трехфазной сети переменного тока.
Новизна заявляемого технического решения заключается в том, что фильтр, в отличие от прототипа, подключается к трехфазной сети переменного тока и имеет три одинаковых для каждой фазы трансформаторных устройства с короткозамкнутыми обмотками с расположенными на нем первичными и вторичными обмотками, а многофазная система выходных напряжений формируется суммированием ЭДС обмоток и подключается к ветвям между двумя соединенными последовательно многофазными выпрямителями, концы и начала которой соединены в общие точки и образуют выход фильтра тока нулевой последовательности для получения постоянного напряжения, величина которого пропорциональна току нулевой последовательности в трехфазной сети переменного тока.
Таким образом, заявляемое изобретение позволяет повысить надежность срабатывания релейной защиты при несимметричном режиме работы трехфазной сети переменного тока и получить на выходе предлагаемого фильтра выпрямленное напряжение, величина которого пропорциональна нулевой последовательности тока в контролируемой сети. Многофазное выпрямление позволяет понизить пульсации выходного напряжения и выделить нулевую последовательность без использования сглаживающих выходных конденсаторов, увеличивающих постоянную времени системы.
| название | год | авторы | номер документа |
|---|---|---|---|
| МНОГОФУНКЦИОНАЛЬНЫЙ ДАТЧИК ТОКА | 2012 |
|
RU2544363C2 |
| ПРЕОБРАЗОВАТЕЛЬ ПОСТОЯННОГО НАПРЯЖЕНИЯ | 2003 |
|
RU2249905C2 |
| ПРЕОБРАЗОВАТЕЛЬ ПОСТОЯННОГО НАПРЯЖЕНИЯ | 2002 |
|
RU2228572C1 |
| СИСТЕМА БЕСПЕРЕБОЙНОГО И ГАРАНТИРОВАННОГО ЭЛЕКТРОСНАБЖЕНИЯ ДЛЯ ПОТРЕБИТЕЛЕЙ ЭЛЕКТРОЭНЕРГИИ | 2019 |
|
RU2724114C1 |
| Источник синусоидального напряжения | 2016 |
|
RU2616189C1 |
| Способ управления преобразователем многофазного переменного напряжения в регулируемое постоянное | 1977 |
|
SU917298A1 |
| Способ управления многофазным инвертором тока | 1983 |
|
SU1144180A1 |
| ПРЕОБРАЗОВАТЕЛЬ ПОСТОЯННОГО ТОКА В ТРЕХФАЗНЫЙ СИНУСОИДАЛЬНЫЙ | 1967 |
|
SU202215A1 |
| УСТРОЙСТВО ДЛЯ УПРАВЛЕНИЯ СИЛОВЫМ ТРАНЗИСТОРНЫМ КЛЮЧОМ | 1991 |
|
RU2012982C1 |
| Устройство обнаружения сигналов ядерного квадрупольного резонанса | 2021 |
|
RU2774310C1 |
Изобретение относится к измерительной и преобразовательной технике, а точнее к измерительным трансформаторам, и может быть использовано в качестве входного органа устройств защиты и автоматики систем электроснабжения. Устройство позволяет получить на выходе фильтра выпрямленное напряжение, величина которого пропорциональна току нулевой последовательности в трехфазной сети переменного тока. Многофазное выпрямление позволяет понизить пульсации выходного напряжения и выделить нулевую последовательность без использования сглаживающих выходных конденсаторов, увеличивающих постоянную времени системы. Техническим результатом при реализации заявленного решения является повышение точности срабатывания релейной защиты в несимметричных аварийных за счет подключения к трехфазной системе напряжений трех одинаковых для каждой фазы трансформаторных устройств с короткозамкнутыми обмотками с расположенными на них первичными и вторичными обмотками и подключения специальным образом вторичных обмоток этих устройств к многофазным выпрямителям, а также формирования постоянного напряжения, величина которого пропорциональна току нулевой последовательности в трехфазной сети переменного тока. 1 ил.
Фильтр тока нулевой последовательности, содержащий первый и второй зажимы фильтра, которые включены в токовые цепи фазы А, третий и четвертый зажимы фильтра включены в токовые цепи фазы B, пятый и шестой зажимы фильтра включены в токовые цепи фазы С; первый и второй зажимы фильтра подключены к трансформаторному устройству с короткозамкнутой обмоткой фазы А, третий и четвертый зажимы фильтра подключены к трансформаторному устройству с короткозамкнутой обмоткой фазы В, пятый и шестой зажимы фильтра подключены к трансформаторному устройству с короткозамкнутой обмоткой фазы С; трансформаторное устройство с короткозамкнутой обмоткой фазы А содержит первую первичную обмотку фазы А и вторую первичную обмотку фазы А, которые размещены на первом и втором сердечниках фазы А, при этом конец первой первичной обмотки фазы А соединен с началом второй первичной обмотки фазы А, начало первой первичной обмотки фазы А соединено с первым зажимом, и конец второй первичной обмотки фазы А соединен со вторым зажимом для подключения токовых цепей фазы А, короткозамкнутая обмотка фазы А размещена на втором сердечнике фазы А; трансформаторное устройство с короткозамкнутой обмоткой фазы В содержит первую первичную обмотку фазы В и вторую первичную обмотку фазы В, которые размещены на первом и втором сердечниках фазы В, при этом конец первой первичной обмотки фазы В соединен с началом второй первичной обмотки фазы В, начало первой первичной обмотки фазы В соединено с третьим зажимом, и конец второй первичной обмотки фазы В соединен с четвертым зажимом для подключения токовых цепей фазы B, короткозамкнутая обмотка фазы В размещена на втором сердечнике фазы В; трансформаторное устройство с короткозамкнутой обмоткой фазы С содержит первую первичную обмотку фазы С и вторую первичную обмотку фазы С, которые размещены на первом и втором сердечниках фазы С, при этом конец первой первичной обмотки фазы С соединен с началом второй первичной обмотки фазы С, начало первой первичной обмотки фазы С соединено с пятым зажимом, и конец второй первичной обмотки фазы С соединен с шестым зажимом для подключения токовых цепей фазы С, короткозамкнутая обмотка фазы С размещена на втором сердечнике фазы С; первая вторичная обмотка фазы А, вторая вторичная обмотка фазы А, третья вторичная обмотка фазы А, четвертая вторичная обмотка фазы А и пятая вторичная обмотка фазы А расположены на первом сердечнике фазы А; шестая вторичная обмотка фазы А, седьмая вторичная обмотка фазы А, восьмая вторичная обмотка фазы А, девятая вторичная обмотка фазы А и десятая вторичная обмотка фазы А расположены на втором сердечнике фазы А; первая вторичная обмотка фазы В, вторая вторичная обмотка фазы В, третья вторичная обмотка фазы В, четвертая вторичная обмотка фазы В и пятая вторичная обмотка фазы В расположены на первом сердечнике фазы В; шестая вторичная обмотка фазы В, седьмая вторичная обмотка фазы В, восьмая вторичная обмотка фазы В, девятая вторичная обмотка фазы В и десятая вторичная обмотка фазы В расположены на втором сердечнике фазы В; первая вторичная обмотка фазы С, вторая вторичная обмотка фазы С, третья вторичная обмотка фазы С, четвертая вторичная обмотка фазы С и пятая вторичная обмотка фазы С расположены на первом сердечнике фазы С; шестая вторичная обмотка фазы С, седьмая вторичная обмотка фазы С, восьмая вторичная обмотка фазы С, девятая вторичная обмотка фазы С и десятая вторичная обмотка фазы С расположены на втором сердечнике фазы С; вторичные обмотки соединены между собой следующим образом:
начало первой вторичной обмотки фазы С соединено с концом первой вторичной обмотки фазы В; начало первой вторичной обмотки фазы В соединено с концом первой вторичной обмотки фазы А; начало первой вторичной обмотки фазы А соединено с первым многофазным выпрямителем;
конец шестой вторичной обмотки фазы С соединен с концом второй вторичной обмотки фазы С; начало второй вторичной обмотки фазы С соединено с началом шестой вторичной обмотки фазы В; конец шестой вторичной обмотки фазы В соединен с концом второй вторичной обмотки фазы В; начало второй вторичной обмотки фазы В соединено с началом шестой вторичной обмотки фазы А; конец шестой вторичной обмотки фазы А соединен с концом второй вторичной обмотки фазы А; начало второй вторичной обмотки фазы А соединено со вторым многофазным выпрямителем;
конец седьмой вторичной обмотки фазы С соединен с началом третьей вторичной обмотки фазы С; конец третьей вторичной обмотки фазы С соединен с началом седьмой вторичной обмотки фазы В; конец седьмой вторичной обмотки фазы В соединен с началом третьей вторичной обмотки фазы В; конец третьей вторичной обмотки фазы В соединен с началом седьмой вторичной обмотки фазы А; конец седьмой вторичной обмотки фазы А соединен с началом третьей вторичной обмотки фазы А; конец третьей вторичной обмотки фазы А соединен с первым многофазным выпрямителем;
конец восьмой вторичной обмотки фазы С соединен с началом четвертой вторичной обмотки фазы С; конец четвертой вторичной обмотки фазы С соединен с началом восьмой вторичной обмотки фазы В; конец восьмой вторичной обмотки фазы В соединен с началом четвертой вторичной обмотки фазы В; конец четвертой вторичной обмотки фазы В соединен с началом восьмой вторичной обмотки фазы А; конец восьмой вторичной обмотки фазы А соединен с началом четвертой вторичной обмотки фазы А; конец четвертой вторичной обмотки фазы А соединен со вторым многофазным выпрямителем;
начало девятой вторичной обмотки фазы С соединено с началом пятой вторичной обмотки фазы С; конец пятой вторичной обмотки фазы С соединен с концом девятой вторичной обмотки фазы В; начало девятой вторичной обмотки фазы В соединено с началом пятой вторичной обмотки фазы В; конец пятой вторичной обмотки фазы В соединен с концом девятой вторичной обмотки фазы А; начало девятой вторичной обмотки фазы А соединено с началом пятой вторичной обмотки фазы А; конец пятой вторичной обмотки фазы А соединен с первым многофазным выпрямителем;
начало десятой вторичной обмотки фазы С соединено с концом десятой вторичной обмотки фазы В; начало десятой вторичной обмотки фазы С соединено с концом десятой вторичной обмотки фазы А; начало десятой вторичной обмотки фазы А соединено со вторым многофазным выпрямителем;
конец первой вторичной обмотки фазы С, начало шестой вторичной обмотки фазы С, начало седьмой вторичной обмотки фазы С, начало восьмой вторичной обмотки фазы С, конец девятой вторичной обмотки фазы С и конец десятой вторичной обмотки фазы С соединены между собой;
первый выходной вывод первого многофазного выпрямителя соединен со вторым выходным выводом второго многофазного выпрямителя;
второй выходной вывод первого многофазного выпрямителя и первый выходной вывод второго многофазного выпрямителя образуют на первой выходной клемме фильтра и второй выходной клемме фильтра выходное постоянное напряжение нулевой последовательности, величина которого пропорциональна току нулевой последовательности в трехфазной сети переменного тока.
| А Б РАЗ И В Н АЯ МАССА | 0 |
|
SU206352A1 |
| Горн с периферийным охлаждением дна лещади | 1953 |
|
SU106753A1 |
| Статья: "Трансформаторы тока нулевой последовательности для чувствительных защит от замыканий на землю", Ж | |||
| Известия Томского политехнического университета, Том 322 | |||
| Очаг для массовой варки пищи, выпечки хлеба и кипячения воды | 1921 |
|
SU4A1 |
| Шестифазный двухтактный преобразователь с искусственной коммутацией | 1987 |
|
SU1577021A1 |
| WO 1984004993 A1, 20.12.1984. | |||
Авторы
Даты
2025-01-15—Публикация
2024-06-20—Подача