Объект изобретения
Настоящее изобретение, как следует из названия изобретения, относится к системе управления рентгеновского сканирования, состоящей из множества излучателей и по меньшей мере одного приемника рентгеновского излучения, расположенных таким образом, что объект помещается между множеством излучателей и по меньшей мере одним приемником для получения его изображения, причем в определенный момент времени может излучать только один излучатель, чтобы не искажать получаемое изображение, так что после того, как только было произведено и завершено излучение одним рентгеновским излучателем, начинается излучение другим излучателем, и следующее излучение не начинается, пока предыдущее излучение не будет завершено или деактивировано.
Настоящее изобретение характеризуется особой конструкцией и конфигурацией каждого элемента, входящего в состав сканирующей системы, и, в частности, системы активации и деактивации каждого из рентгеновских излучателей, для увеличения скорости сканирования.
С помощью системы управления можно выполнять 3D-сканирование и/или томосинтез или любой другой вид сканирования.
Следовательно, настоящее изобретение относится к области средств управления, и, в частности, к тем, которые используются в рентгеновских аппаратах.
Предпосылки создания изобретения
Рентгеновские снимки являются одним из наиболее часто используемых методов визуализации внутренних структур объекта и используются в различных областях применения, таких как здравоохранение, контроль безопасности, неразрушающий контроль и т.д. Одним из известных ограничений плоских 2D-изображений является наличие структурного шума на изображении, вызванного наложением нескольких объектов (или тканей в случае медицинских изображений) на рентгеновский луч. Чтобы избежать этого эффекта, для создания трехмерных или многослойных изображений объекта используется несколько методов (таких как компьютерная томография и томосинтез).
Эти методы требуют многократного получения изображения интересующего объекта под различными углами, обычно от 15° (в случае томосинтеза) до 360° (в случае компьютерной томографии). Как правило, это разнообразие достигается вращением (или другим геометрическим сдвигом) источника рентгеновского излучения вокруг объекта с многократным циклическим процессом формирования изображения для последующей обработки и реконструкции трехмерных изображений или изображений с несколькими срезами.
Раскрытое здесь изобретение основано на другом принципе: использовании множества источников рентгеновского излучения, расположенных заданным образом, с быстрым переключением между ними для получения заданного количества изображений и их последующей обработки для реконструкции трехмерных изображений или изображений с несколькими срезами.
Для получения такого типа трехмерных изображений или изображений с несколькими срезами требуется очень быстрое переключение между несколькими источниками рентгеновского излучения, обычно в диапазоне от 5 до 15 мкс. Обычно это делается с помощью рентгеновских трубок с холодным катодом, которые обычно содержат анод, катод и сетку для контроля эмиссии.
Кроме того, сканирующая система сталкивается с рядом проблем, присущих физике рентгеновского излучателя:
• Напряжение положительного смещения сети относительно катода составляет несколько кВ (от 0,5 до 10 кВ) и должно регулироваться с уровня земли.
• Высоковольтный источник питания, питающий анод, имеет напряжение порядка 20-180 кВ и также должен быть заземлен, чтобы иметь возможность быстро, легко и безопасно измерять анодный ток.
На современном этапе известны следующие патентные документы:
US 2009/022264 A1, в котором описаны стационарные рентгеновские цифровые системы томографической реконструкции молочной железы и связанные с ними способы.
US 2018/184990 A1, в котором описано портативное устройство для генерации рентгеновского излучения, имеющее источник рентгеновского излучения с эмиссией электрического поля.
US 9390 880 В2, в котором раскрывается способ приведения в действие устройств с множественной эмиссией электрического поля и система с множественной эмиссией электрического поля.
Первое решение из известного уровня техники показано на Фиг. 1-5.
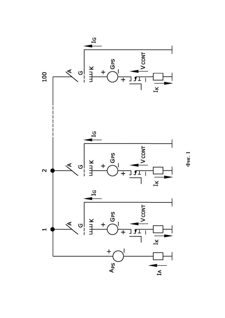
На Фиг. 1 показана серия комплектов излучателей и приемников рентгеновского излучения, где все они используют один и тот же источник питания (Aps), подключенный к каждому из анодов (A), и где все сетки (G) подключены к земле, в то время как каждый катод (K) имеет регулятор тока и источник питания в несколько кВ; следовательно, имеется столько контроллеров тока и источников питания (Gps), сколько имеется комплектов излучатель-приемник (1,2,…,100).
На Фиг. 1 показано, что это решение заключается в расположении всех сеток, подключенных к земле, таким образом, чтобы требовалось столько контроллеров тока и источников питания, сколько имеется пар излучатель-приемник.
Это достигается путем прямого управления током катода (IK) с помощью значения требуемого катодного тока (DIK), которое было предварительно откалибровано в отдельном процессе, что в свою очередь будет управлять током анода (IA), который производит рентгеновское излучение.
На Фиг. 2 показана структурная схема, которую можно увидеть в этом известном варианте осуществления. Где значение требуемого катодного тока (DIK), полученное в результате предыдущего процесса калибровки, используется для получения желаемого значения анодного тока (IA), причем указанное значение требуемого катодного тока (DIK) используется в качестве опорного для контроллера (CLR1). Выход контроллера (CLR1) воздействует на затвор высоковольтного транзистора (Q1) (МОП или БТИЗ), который управляет током катода (IK) в соответствии со значением требуемого катодного тока (DIK) на его входе. Контроллер (CLR1) использует катодный ток (IK) в качестве значения обратной связи для управления током затвора транзистора (Q1).
Контроллер (CLR1) предпочтительно должен быть интеграторного типа, но может быть и другого аналогичного типа.
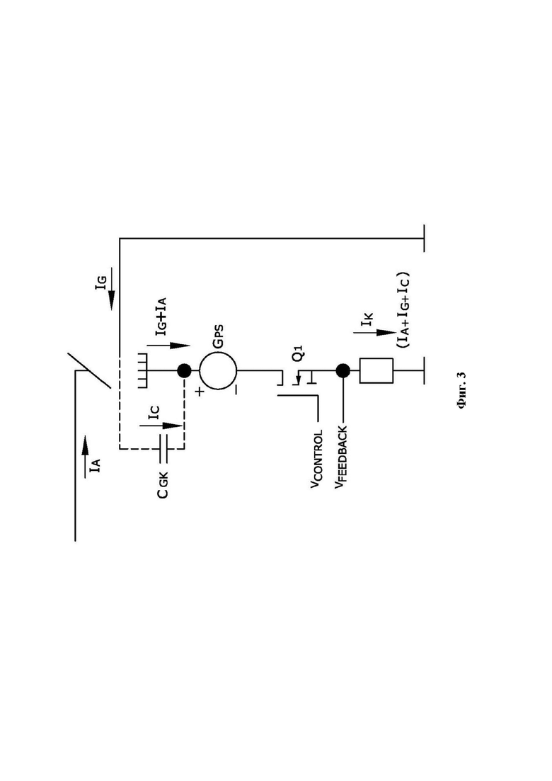
На Фиг. 3 подробно представлен очень важный фактор, который необходимо принять во внимание. Этим определяющим фактором является паразитная емкость между сеткой и катодом (CGK) рентгеновской трубки. Эта емкость имеет типичное значение от 15 пФ до 30 пФ; хотя это кажется практически незначительным значением, так как она должна заряжаться обычно в диапазоне от 0,5 кВ до 10 кВ и за типичное время от 5 мкс до 15 мкс, при этом требуется постоянный ток нагрузки 10 мА-100 мА. Учитывая, что типичное максимальное значение анодного тока (IA) составляет 100 мА, величина указанной паразитной емкости вовсе не является пренебрежимо малой.
На Фиг. 3 также показано, что значительная часть катодного тока (IK) - это ток (IC), который идет на зарядку паразитной емкости между сеткой и катодом (CGK), забирая ток у сетки (IG) и заставляя анод также выделять меньший анодный ток (IA).
На Фиг. 4 показано, как контроллер (CLR1) идеально регулирует катодный ток (IK) со временем перехода 5 мкс, как того требует 3D-сканер.
Однако на Фиг. 5 мы видим, что происходит с анодным током (IA) из-за эффекта паразитной емкости между сеткой и катодом (CGK).
Увеличение анодного тока (IA) или время перехода срабатывания происходит медленнее, чем ожидалось, поскольку часть тока сетки (IG) была выведена за счет паразитной емкости между сеткой и катодом (CGK). До тех пор, пока паразитная емкость между сеткой и катодом (CGK) не будет полностью заряжена, ожидаемое значение анодного тока (IA) достигнуто не будет, что значительно увеличивает время перехода срабатывания по сравнению с ожидаемым.
С другой стороны, ожидаемое время перехода на пониженный ток или время деактивации составляет 5-15 мкс, поскольку это время срабатывания контроллера (CLR1) с транзистором (Q1), который непосредственно отключает общий ток цепи, включая анодный ток (IA).
Осознание этого по своей сути порождает четыре важные проблемы:
1. Необходимая калибровка индивидуального значения требуемого катодного тока (DIK) для каждого из множества рентгеновских излучателей, входящих в состав 3D-сканера.
2. Поддержание уровня точности каждого из рентгеновских излучателей, независимо от их ухудшения из-за режима и времени использования.
3. Сокращение времени перехода срабатывания или времени нарастания анодного тока (IA) за счет паразитной емкости между сеткой и катодом (CGK).
4. Сокращение времени кратковременного отключения или падения анодного тока (IA) за счет времени отклика контроллера (CLR1).
Следовательно, задачей настоящего изобретения является разработка системы управления рентгеновским сканированием, которая устраняет проблемы, описанные выше, посредством системы управления сканированием, такой как описанная ниже, сущность которой содержится в п.1.
Другое решение показано на Фиг. 6 и заключается в подключении всех сеток к положительному полюсу одного источника питания, в то время как отрицательный полюс этого источника питания соединен с землей. Таким образом, независимых контроллеров тока будет столько же, сколько пар эмиттеров-приемников, а источник питания для всех них будет только один.
Описание изобретения
Объект настоящего изобретения, по существу, содержится в независимом пункте формулы изобретения, а различные варианты осуществления содержатся в зависимых пунктах формулы изобретения.
Задачей настоящего изобретения является управление системой рентгеновского сканирования посредством прямого управления анодным током через управление сеткой, которое содержит множество излучателей и, по меньшей мере, один приемник, расположенные напротив друг друга, и в котором в определенный момент может излучать только один излучатель, то есть после того, как излучение одним рентгеновским излучателем было произведено и завершено, начинается излучение другим излучателем, и до тех пор, пока указанное излучение не закончится или не будет деактивировано, следующее излучение не начнется.
С помощью системы управления можно выполнять 3D-сканирование и/или томосинтез или любой другой вид сканирования.
Геометрия, принятая множеством излучателей и, по меньшей мере, одним приемником, может быть любой из известных и ни в коем случае не является ограничивающей, так что сканируемый объект располагается между множеством излучателей и, по меньшей мере, одним приемником.
Другими словами, это сканирующая система с несколькими источниками рентгеновского излучения, в которой геометрия расположения нескольких источников излучения не является ограничивающей.
По этой причине время излучения каждого излучателя должно быть чрезвычайно коротким, порядка 5-15 мкс. Аналогичным образом, время включения и выключения излучателей должно быть как можно более коротким, всегда менее 5 мкс. Для этого самым быстрым и эффективным способом является использование линейного регулятора сетевого тока, который, в свою очередь, контролируется и корректируется путем измерения анодного тока в режиме реального времени.
Решение, предлагаемое в настоящем изобретении, заключается в подключении всех сеток к положительной клемме одного источника питания, в то время как отрицательная клемма указанного источника питания заземлена, так что независимых контроллеров тока будет столько же, сколько пар передатчиков-приемников, но только один источник питания.
Кроме того, основная идея изобретения заключается в непосредственном управлении анодным током вместо катодного, чтобы избежать негативных эффектов, описанных выше.
С этой целью система управления имеет контроллер, который в качестве эталона использует ток, потребляемый анодом, который производит излучение рентгеновских лучей, в то время как обратная связь контроллера представляет собой фактический ток анода. Такое управление позволяет избежать необходимости калибровки потребляемого тока катода на основе тока анода.
Контроллер позволяет избежать необходимости повторной калибровки излучателей из-за их ухудшения в зависимости от типа и времени использования, постоянно поддерживая каждый из излучателей в идеальном состоянии благодаря замкнутому контуру управления.
Предпочтительно, чтобы контроллер был ПИД-типа, но можно применить и другой тип управления.
Встроенная часть контроллера исправляет ошибки и регулирует точность измерения анодного тока (IA), в то время как дифференциальная часть ускоряет заряд паразитной емкости между сеткой и катодом, значительно увеличивая время перехода срабатывания или нарастания напряжения.
Кроме того, для увеличения скорости включения и выключения, время отключения или спада уменьшается за счет подачи сигнала в буфер, вызывающего короткое замыкание затвора управляющего транзистора, без необходимости ждать ответа контроллера CLR1.
Более того, дополнительно контроллер CLR1 может подавать избыточный ток в течение времени нарастания катодного тока, чтобы быстро зарядить паразитную емкость между сеткой и катодом. Этот избыточный ток прекращается, когда конденсатор CGK полностью заряжен и находится в устойчивом состоянии.
Описанные выше средства позволяют достичь:
- Отсутствие необходимости калибровки индивидуального значения требуемого катодного тока (DIK) для каждого из множества рентгеновских излучателей.
- Поддержания уровня точности в каждом рентгеновском излучателе.
- Сокращения времени перехода к активации или времени подъема.
- Сокращения времени перехода к деактивации и, таким образом, значительное сокращение времени сканирования порядка на 25% по сравнению со временем, требуемым для текущего контроллера, без сокращения времени активации и деактивации.
Если не указано иное, все технические и научные элементы, используемые в данном описании, имеют значение, обычно понятное специалисту в области техники, к которой относится данное изобретение. В практической реализации настоящего изобретения могут быть использованы способы и материалы, аналогичные или эквивалентные тем, которые описаны в описании.
В описании и формуле изобретения слово “содержит” и его варианты не подразумевают исключения других технических характеристик, добавок, компонентов или стадий. Для специалистов в данной области другие цели, преимущества и характеристики изобретения будут частично определены из описания и частично из практики применения изобретения.
Описание чертежей
Чтобы дополнить настоящее описание и помочь лучше понять характеристики изобретения в соответствии с предпочтительным практическим вариантом его осуществления, данное описание сопровождается, как его неотъемлемая часть, набором чертежей, на которых в иллюстративной и неограничивающей форме представлено следующее:
На Фиг. 1 показан вариант известного уровня техники, в котором сетка заземлена, и требуется столько источников питания и регуляторов тока, сколько имеется пар излучатель-приемник.
На Фиг. 2 показана структурная схема катодного регулятора тока (IK) известного варианта осуществления, показанного на Фиг. 1.
На Фиг. 3 подробно показана паразитная емкость между сеткой и катодом (CGK) рентгеновской трубки.
На Фиг. 4 показан график катодного тока (IK) и то, как контроллер (CLR1) идеально контролирует катодный ток (IK).
На Фиг. 5 показан график зависимости анодного тока (IA) от времени и того, как увеличивается время, необходимое для достижения желаемого значения, из-за эффекта паразитной емкости между сеткой и катодом (CGK).
На Фиг. 6 показан предлагаемый вариант осуществления в соответствии с изобретением, в котором все сетки подключены к единому источнику питания.
На Фиг. 7 показана структурная схема управления, используемая в объекте осуществления изобретения, которая заключается в непосредственном управлении анодным током (IA).
На Фиг. 8 подробно показано отключение экспозиции с помощью сигнала экспозиции EXP.
На Фиг. 9 показан график зависимости катодного тока (IK) от времени и того, как контроллер CLR1 подает избыточный ток в течение времени нарастания (t1) катодного тока (IK), чтобы быстро зарядить паразитную емкость между сеткой и катодом (CGK).
На Фиг. 10 показан график зависимости анодного тока (IA) от времени, на котором можно увидеть достигнутое сокращение времени активации (t1) и времени деактивации (t3), сравнив Фиг. 5 и 10.
Предпочтительный вариант осуществления изобретения
С учетом рисунков ниже описан предпочтительный вариант осуществления предлагаемого изобретения.
На Фиг. 1-5 показан вариант осуществления известного уровня техники, описанный в разделе "Предпосылки создания изобретения".
На Фиг. 6 показан объект осуществления изобретения, где все сетки (G) подключены к положительной клемме одного источника питания (Gps), в то время как отрицательная клемма указанного источника питания (Gps) подключена к земле, что требует такого же количества контроллеров тока, как и количество рентгеновских лучей пары эмиттер-приемник, где указанные регуляторы тока содержат, по меньшей мере, один транзистор (Q1) и контроллер (CLR1), в которых анодный ток (IA) регулируется вместо катодного тока (IK), чтобы избежать негативных эффектов, описанных выше.
На Фиг. 7 показано возможное воплощение управления током анода (IA), в котором контроллер (CLR1) включает в себя компаратор (COMP), имеющий в качестве опорной величины потребность в токе анода (DIA), который производит эмиссию рентгеновских лучей, а обратной связью компаратора (COMP) является фактический ток анода (IA), дополнительно содержащий управление (G(s)), где выход указанного контроллера (CLR1) может быть подан непосредственно на затвор транзистора (Q1), который управляет током катода (IK).
Контроллер (CLR1) позволяет избежать необходимости калибровки требуемого катодного тока (DIK) на основе анодного тока (IA).
Наличие контроллера (CLR1) позволяет избежать необходимости повторной калибровки излучателей из-за их ухудшения качества в зависимости от типа и времени использования, поскольку благодаря замкнутому контуру управления каждый из излучателей всегда находится в идеальном точном состоянии.
Управление (G(s) контроллера (CLR1) может быть ПИД-типа, но может быть применен и другой тип управления.
Встроенная часть контроллера исправляет ошибки и регулирует точность измерения анодного тока (IA), в то время как дифференциальная часть ускоряет зарядку паразитной емкости между сеткой и катодом (CGK), значительно увеличивая время перехода срабатывания или нарастания напряжения.
Кроме того, между выходом контроллера (CLR1) и входным затвором транзистора (Q1) может быть установлен буфер, отвечающий за подачу необходимого тока на затвор транзистора (Q1), чтобы улучшить время его отклика как при активации, так и при деактивации рентгеновского облучения.
На Фиг. 8 подробно показан буфер, который содержит сигнал экспозиции (EXP). Контроллер (CLR1) имеет время отклика, аналогичное времени активации, т.е. 5 мкс. Однако это время может быть значительно сокращено до наносекундного диапазона за счет короткого замыкания затвора Q1 с помощью буфера при отключении сигнала экспозиции (EXP) без необходимости ждать ответа контроллера CLR1.
На Фиг. 9 показано, как контроллер (CLR1) может подавать избыточный ток в течение времени нарастания (t1) катодного тока (IK), чтобы быстро зарядить паразитную емкость между сеткой и катодом (CGK). Этот избыточный ток прекращается, когда паразитная емкость между сеткой и катодом (CGK) полностью заряжена и находится в устойчивом состоянии, которое определяется временем стабилизации (t2).
На Фиг. 10 показано, что анодный ток (IA) оптимально возрастает в течение времени нарастания (t1), пока он не стабилизируется на своем номинальном значении в течение времени стабилизации (t2).
В течение времени стабилизации (t2) катодный (IK) и анодный (IA) токи остаются стабильными.
В течение времени отключения (t3) система управления получает сигнал окончания экспозиции, при котором затвор транзистора (Q1) закорачивается буфером, и его ток (включая IA) оптимально гасится за наносекунды.
После достаточного описания сущности настоящего изобретения, а также способа его применения на практике, настоящим заявляется, что по своей сути оно может быть реализовано в других вариантах осуществления, отличающихся в деталях от указанных в качестве примера, на которые в равной степени распространяется защита, при условии, что его основной принцип не будет изменен, изменен или модифицирован.
| название | год | авторы | номер документа |
|---|---|---|---|
| СХЕМА ПРЯМОГО УПРАВЛЕНИЯ АНОДНЫМ ТОКОМ РЕНТГЕНОВСКОЙ ТРУБКИ С МОНОПОЛЯРНЫМ ИЛИ БИПОЛЯРНЫМ ПИТАНИЕМ ПОСРЕДСТВОМ АВТОМАТИЧЕСКОГО РЕГУЛИРОВАНИЯ ТОКА СЕТКИ | 2023 |
|
RU2840959C2 |
| СХЕМА УПРАВЛЕНИЯ РЕНТГЕНОВСКИМ ИЗЛУЧЕНИЕМ ПРИ МОНОПОЛЯРНОМ ИЛИ БИПОЛЯРНОМ ПИТАНИИ С ПОМОЩЬЮ ТОКА СЕТКИ | 2023 |
|
RU2841355C2 |
| УСТРОЙСТВО ДЛЯ МИКРОДУГОВОГО ОКСИДИРОВАНИЯ ИЗДЕЛИЙ ИЗ МЕТАЛЛОВ И СПЛАВОВ | 2021 |
|
RU2775987C1 |
| МИНИАТЮРНЫЙ РЕНТГЕНОВСКИЙ ИЗЛУЧАТЕЛЬ | 2014 |
|
RU2563879C1 |
| Генератор импульсов возбуждения для лазеров на самоограниченных переходах атомов металлов | 2017 |
|
RU2672180C1 |
| РЕНТГЕНОВСКИЙ ГЕНЕРАТОР | 1992 |
|
RU2030133C1 |
| МИКРОМИНИАТЮРНЫЙ РЕНТГЕНОВСКИЙ ИЗЛУЧАТЕЛЬ | 2016 |
|
RU2640404C2 |
| УСТРОЙСТВО ДЛЯ ПОЛУЧЕНИЯ ЭЛЕКТРОННОЙ ЭМИССИИ | 2004 |
|
RU2340032C2 |
| ИСТОЧНИК РЕНТГЕНОВСКИХ ИМПУЛЬСОВ | 1993 |
|
RU2054739C1 |
| Устройство для индикации | 1976 |
|
SU646356A1 |
Изобретение относится к области рентгенотехники. Технический результат - сокращение времени сканирования и повышение точности сканирования. Система управления рентгеновским сканированием содержит множество излучателей и, по меньшей мере, один приемник, расположенные напротив друг друга. Каждый рентгеновский излучатель содержит анод (А), подключенный к одному источнику питания (Aps), а также сетку (G) и катод (K). К каждому катоду подключен по меньшей мере один контроллер (CLR1), который управляет анодным током (IA), и содержит компаратор (COMP), который имеет в качестве эталонного значения требуемый ток анода (DIA). Это позволяет избежать калибровки требуемого значения катодного тока, поддерживать точное состояние всех рентгеновских излучателей и сокращать время перехода между включением и выключением. 3 з.п. ф-лы, 10 ил.
1. Система управления рентгеновским сканированием, характеризующаяся тем, что она включает в себя множество излучателей и по меньшей мере один приемник, расположенные друг напротив друга, где в определенное время может излучать лишь один излучатель, при этом, как только излучение одним рентгеновским излучателем начинается и завершается, начинается излучение другим излучателем и пока такое излучение не закончится или не будет деактивировано, следующая эмиссия не начнется, где каждый рентгеновский эмиттер состоит из анода (A), подключенного к первому единому источнику питания (Aps), катода (K) и сетки (G), где все сетки (G) подключены к положительному полюсу второго единого источника питания (Gps), а отрицательная клемма указанного источника питания (Gps) заземлена, кроме того, в каждом катоде (K) имеется по меньшей мере один контроллер (CLR1), который управляет анодным током (IA), и где каждый контроллер (CLR1) включает компаратор (COMP), который имеет в качестве опорной величины потребность в токе анода (DIA), и обратная связь компаратора (COMP) представляет собой фактический анодный ток (IA), дополнительно содержащий управление (G(s)), где выход указанного контроллера (CLR1) подключен к затвору транзистора (Q1), который управляет катодным током (IK).
2. Система управления рентгеновским сканированием по п. 1, отличающаяся тем, что между выходом контроллера (CLR1) и входным затвором транзистора (Q1) имеется буфер, отвечающий за подачу необходимого тока на затвор транзистора (Q1) как при активации, так и при деактивации рентгеновской экспозиции, где указанный буфер включает в себя деактивацию сигнала экспозиции (EXP).
3. Система управления рентгеновским сканированием по п. 1, отличающаяся тем, что контроллер (CLR1) подает избыточный ток в течение времени нарастания (t1) катодного тока (IK) для быстрого заряда паразитной емкости между сеткой и катодом (CGK), когда указанный избыточный ток прекращается, когда паразитная емкость между сеткой и катодом (CGK) полностью заряжена и находится в устойчивом состоянии.
4. Система управления рентгеновским сканированием по любому из предыдущих пунктов, отличающаяся тем, что управление (G(s)) контроллера (CLR1) имеет тип ПИД.
| US 2009022264 A1, 22.01.2009 | |||
| US 9390880 В2, 12.07.2016 | |||
| US 10600605 B2,24.03.2020 | |||
| US 2018184990 А1, 05.07.2018 | |||
| ДЕТЕКТОР НА ОСНОВЕ МНОЖЕСТВА ПЛОТНОСТЕЙ И МНОЖЕСТВА АТОМНЫХ ЧИСЕЛ С ГАЗОВЫМ ЭЛЕКТРОННЫМ УМНОЖИТЕЛЕМ ДЛЯ ФОРМИРОВАНИЯ ИЗОБРАЖЕНИЯ | 2000 |
|
RU2248013C2 |
| KR 20200111513 A,29.09.2020. | |||
Авторы
Даты
2025-04-15—Публикация
2022-09-12—Подача