Изобретение относится к электроэнергетике, конкретнее к автономным источникам электропитания, и может найти широкое применение в промышленности, в бытовой технике и особенно на транспорте.
Известен парарезонансный способ стабилизации напряжения высокочастотного озонатора и устройство для его реализации (патент RU 2196729, С01В 13/11, опубл. 21.03.2003 г.). Технический результат заключается в стабилизации режима работы при колебаниях напряжения питающей сети. В парарезонансном способе стабилизации напряжения и тока озонатора, осуществляющем генерирование озона за счет высокочастотного барьерного разряда, согласно изобретению источник питания выполнен в виде генератора переменного напряжения с внутренним индуктивным сопротивлением, падение напряжения Uоз на озонаторе Uоз = Iоз/2πf⋅Cоз, где f - частота тока Iоз озонатора, Соз - нелинейная емкость озонатора, причем частота f тока озонатора пропорциональна действующему напряжению UL на его индуктивном сопротивлении, а его нелинейная емкость Соз с увеличением Uоз растет. При этом источник питания представляет собой полупроводниковый полумост, состоящий из двух транзисторов и двух конденсаторов, одна из диагоналей которого подключена к постоянному напряжению, а другая - к первичной обмотке высоковольтного трансформатора, имеющего коэффициент связи между первичной и вторичной обмотками, равный 0,7-0,9, и две обмотки управления, с которых через резисторы подаются на базовые цепи указанных транзисторов напряжения, пропорциональные первичному напряжению трансформатора, обуславливая поочередное включение противоположных плеч моста. Способ позволяет стабилизировать резонансный режим в широком диапазоне колебаний входного напряжения и частоты питающего озонатор напряжения. При этом стабилизируются режимы работы полупроводниковых ключей (транзисторов или тиристоров) инвертора, питающего озонатор.
К недостаткам известного способа относится необходимость в использовании дополнительных стабилизирующих элементов. Они не участвуют в преобразовании электроэнергии в энергию химической реакции генерирования озона.
Зависимость производительности озонатора от колебаний напряжения сети. Также к недостатку можно отнести то, что при увеличении числа стержней больше 24 озонатор с дискретной цилиндрической симметрией вырождается по своим характеристикам в обычный озонатор с коаксиальными цилиндрическими электродами (озонатор Симменса).
Известна параметрическая электрическая машина, которая содержит емкостный и индуктивный элементы, образующие резонансную электрическую цепь, емкостный элемент которой выполнен в виде трех конденсаторов постоянной емкости, а индуктивный элемент выполнен в виде закрепленных в корпусе трех групп неподвижных статорных обмоток с ферромагнитными сердечниками, каждая из которых содержит 1/3 часть общего количества статорных обмоток, электрически соединенных друг с другом и расположенных таким образом, что между двумя соседними обмотками одной группы расположены две обмотки, принадлежащие другим группам, и подвижный ротор, имеющий ферромагнитные и неферромагнитные участки (патент RU 2044397, H02N 1/08, опубл. 20.09.1995 г). Отношение количества статорных обмоток к количеству ферромагнитных участков ротора равно 3/2. Три конденсатора постоянной емкости емкостного элемента электрически соединены с тремя группами статорных обмоток индуктивного элемента по схеме звезды или треугольника. Роторные ферромагнитные участки имеют обмотки, электрически соединенные друг с другом и через контактные кольца, расположенные на валу ротора, электрически соединенные с конденсатором постоянной емкости.
При вращении ротора происходит большая потеря энергии как на само вращение, так и на контактных кольцах, расположенных на валу. Характер изменения параметров носит синусоидальный характер и требует определенных затрат механической энергии на преодоление кулоновских и амперовских сил, препятствующих вращению. Эти затраты находятся в прямой зависимости от амплитудных значений напряжения и тока, развиваемых в контуре. Невысокий КПД и низкая энергоэффективность.
Известен резонансный усилитель мощности, содержащий входной и силовой трансформаторы с нагрузкой во вторичной обмотке силового трансформатора и последовательный резонансный контур между трансформаторами, состоящий из емкости С и индуктивности входной обмотки силового трансформатора, а также из устройства обратной связи между обмотками входного и силового трансформатора, резонансный усилитель мощности содержит n каскадов усиления из n понижающих силовых трансформаторов, соединенных между собой с помощью n последовательных резонансных контуров, где n=2, 3, … m, а обратная связь выполнена в виде устройства, обеспечивающего однонаправленное движение электрической энергии от вторичной обмотки последнего силового трансформатора к первичной обмотке входного трансформатора, мощность каждого последующего n-го силового трансформатора связана с мощностью предыдущего n-1-го силового трансформатора соотношением: Pn=кРn-1, где к - коэффициент усиления одного каскада (патент RU 2517378, H03F 3/20, опубл. 27.05.2014 г.). В варианте исполнения резонансного усилителя мощности устройство обратной связи выполнено в виде блока бесперебойного питания, вход которого соединен со вторичной обмоткой последнего силового трансформатора, а выход - с первичной обмоткой входного трансформатора. В другом варианте исполнения резонансного усилителя мощности устройство обратной связи выполнено в виде однонаправленной индуктивности, вход которой соединен со вторичной обмоткой последнего силового трансформатора, а выход - с первичной обмоткой входного трансформатора.
Недостатком известного устройства является большая масса сердечников и катушек и невысокий коэффициент усиления.
Известен коммутационный способ возбуждения параметрического резонанса электрических колебаний и устройство для его осуществления (патент RU 2386207, H03J 1/00, H01F 19/08, H02K 25/00, H03K 3/53, опубл. 10.04.2010 г.), выбранный в качестве прототипа. В коммутационном способе возбуждения параметрического резонанса и устройстве для его осуществления за счет возбуждения коммутационным способом параметрического резонанса электрических колебаний генерируется реактивная электрическая мощность. Это явление реализуется в генераторах реактивной электрической мощности (ГРЭМ). К колебательному контуру в определенные моменты времени в заданном режиме с помощью тиристоров подключается параллельно дополнительная катушка индуктивности или конденсатор с определенным номинальным значением индуктивности или емкости по отношению к аналогичным элементам основного контура. Это позволяет изменять в процессе каждого колебания параметры контура (индуктивность, емкость, частоту колебаний, волновое сопротивление) в соответствии с алгоритмом изменения управляющего напряжения, подающегося на тиристоры от отдельного импульсного генератора (ИГ), и достигать тем самым параметрического резонанса без функциональной связи амплитуд тока и напряжения в контуре с величиной управляющего напряжения. Стационарная амплитуда параметрических колебаний обеспечивается за счет стабилитронов с шунтирующими резисторами, подключаемых параллельно контуру, которые, пропуская через себя часть участвующего в процессе колебания заряда и рассеивая излишнюю реактивную мощность, ограничивают тем самым амплитуды напряжения и тока в необходимых для работоспособности контура пределах. Функционирование ИГ осуществляется за счет части выходной мощности ГРЭМ, что обеспечивают полную автономность ГРЭМ, как источника электропитания.
К недостаткам относятся сбои частоты. Процесс стабилизации может сопровождаться сбоями частоты, одновременно может возникнуть феррорезонансный эффект. Ограничение времени переключения тиристоров. Оно должно быть меньше одной восьмой части периода параметрической частоты, иначе нарушается синхронизация и полнота прохождения основных и дополнительных переходных процессов. Необходимость в отдельном источнике питания. Ограничение роста амплитуды колебаний. При превышении определенного порога параметрического возбуждения амплитуда колебаний неограниченно растет со временем по экспоненциальному закону.
Техническим результатом является упрощение, уменьшение веса и габарита, увеличение мощности и снижение зависимости от внешних источников электроэнергии и от величины нагрузки, также это приводит к увеличению мощности и стабилизации величины вырабатываемой энергии и уменьшает просадки электрической мощности при изменении нагрузки.
Технический результат достигается тем, что в предлагаемом параметрическом резонансном генераторе, содержащем группу катушек, соединенных последовательно и образующих с емкостью резонансный контур и устройство периодического изменения индуктивности резонансного контура, установленное на электрической плате, параметрический резонансный генератор и устройство периодического изменения индуктивности резонансного контура выполнены из первой и второй параметрических резонансных частей, установленных друг над другом, каждая из частей имеет каскад индуктивностей и емкостей управляемых тиристорами, основные катушки индуктивности, которые соединены между собой и с емкостью в отдельный резонансный контур каждой, каждая основная катушка индуктивности во второй электрической машине имеет дополнительную обмотку, все дополнительные обмотки всех катушек индуктивности второй секции соединены последовательно и совместно с основными катушками индуктивности выполнены в виде резонансного трансформатора, в котором основные катушки индуктивности резонансного контура являются первичной обмоткой, а дополнительные обмотки катушек индуктивности выполнены в виде вторичной обмотки, выводы вторичной обмотки трансформатора соединены через выпрямитель или еще один резонансный трансформатор, выпрямитель и инвертор с нагрузкой и через преобразователь частоты с каскадным резонансным контуром катушек индуктивности первой секции. Классическая энергетическая теория ПР заключается в том, что при изменении емкости или индуктивности контура в определенные моменты времени путем раздвижения пластин конденсатора или растягивания витков катушки индуктивности (ИК) при последующем возвращении этих параметров в исходное положение в контуре выделяется дополнительная энергия, вызывающая нарастание амплитуд напряжения и тока. Появление этой дополнительной энергии объяснялось предварительными затратами механической энергии на преодоление кулоновских или амперовских сил притяжения пластин или витков.
Коммутационный способ возбуждения параметрического резонанса электрических колебаний заключается в том, что к основному колебательному контуру с помощью тиристоров подключают дополнительные катушки индуктивности и конденсаторы с различными номиналами.
Конденсаторы имеют разные номиналы от максимальных 82,76µF±10% до минимальных 0,5µF±10%, как и индуктивности с разными номиналами по индуктивности и магнитной проницаемости сердечника и магнита - сцеплению частотой настройки от 143 dB до 400 dB, представляющих собой каскад.
Номинал емкостей или индуктивностей может быть вдвое или втрое меньшим или совпадать между собой, образовывая колебательный контур, который включают при помощи тиристора конденсатор с номиналом емкости, втрое большим или меньшим по сравнению с аналогичными элементами контура, что изменяет параметры этого контура в процессе каждого колебания, такие как: индуктивность, емкость, частота колебаний, длительность и волновое сопротивление в зависимости от наличия положительного управляющего напряжения на тиристорах, подаваемого на них в момент максимального тока и снимаемого при его нулевом значении.
Устройство для осуществления коммутационного способа возбуждения параметрического резонанса электрических колебаний включает в себя основной колебательный контур и дополнительные катушки индуктивности с номиналом индуктивностей, выполненных каскадом и конденсаторы с установленными номиналами втрое большим или меньшим по сравнению с аналогичными элементами контура, установленными каскадом с возможностью управления тиристорами.
Катушки индуктивности и конденсаторы подключены к контуру параллельно с помощью тиристоров, управляемых отдельным блоком управления, запитанным от импульсного блока питания, который получает информацию от трансформаторов тока и подает или снимает управляющее напряжение с тиристоров.
Длительность положительного импульса управляющего напряжения составляет для дополнительной индуктивности одну восьмую, для дополнительной емкости половину периода основной частоты колебаний контура.
Длительность отрицательного импульса в обоих случаях составляет не более четверти этого периода для создания периодических изменений параметров контура в процессе каждого колебания.
Главная сущность: в предлагаемом параметрическом резонансном устройстве, содержащем в себе группу катушек индуктивности, соединенных последовательно с емкостью и образующих резонансный контур и устройство для периодического переключения индуктивностей резонансного контура, за счет включения и выключение электронных ключей (тиристоров). Само устройство периодического изменения индуктивности выполнено на плате с sm компонентами, на которой также установлены катушки индуктивности, соединенные между собой и с емкостями между которыми установлены тиристоры, это все образует резонансный контур первичной обмотки резонансного трансформатора, каждая катушка индуктивности имеет дополнительную обмотку (Бифиляр), дополнительные обмотки всех катушек индуктивности соединены последовательно и образуют вторичную обмотку резонансного трансформатора, а выводы вторичной обмотки трансформатора соединены через тиристоры с диодно-конденсаторным блоком и шунтирующими резисторами или через еще один резонансный трансформатор, а после установлен выпрямитель и инвертор. При коммутации за счет возбуждения параметрического резонанса и электрических колебаний генерируется электрическая мощность. В колебательный контур в определенные моменты времени и в заданном режиме с помощью тиристоров на вводе и на выходе подключается параллельно дополнительные катушки индуктивности или конденсаторы или оба одновременно, потенциал в таких катушках имеет с одной стороны катушки положительный потенциал, а с другой катушки отрицательный, значение потенциала зависит в каком состоянии находится контур. Управление контуром осуществляется Блоком управления, который собирает информацию за счет установленных в цепи трансформаторов тока. Конденсаторы и индуктивности должны иметь определенное номинальное значение. Информация о номиналах конденсаторов и индуктивностей прописана в программу блока управления. Номинальное значение конденсаторов и индуктивностей отличаться от аналогичных элементов основного контура. Это позволяет изменять в процессе каждого включения или выключения тиристоров, колебания и параметры контура (индуктивность, емкость, частота колебаний, длительность и волнового сопротивления) в соответствии с алгоритмом изменения управляющего сигнала от блока управления (БУ). Сигнал от приходящий от (БУ) на тиристоры, питание сигнала приходит от отдельного импульсного блока питания (ИБ), что позволяет достигать тем самым параметрического резонанса без связи амплитуд тока и напряжения в контуре. Постоянная амплитуда параметрических колебаний обеспечивается за счет подключенных параллельно к контуру стабилитронов и шунтирующих резисторов, за счет частичного пропускания через себя участвующего в процессе колебания заряда также происходит рассеивание излишней электрической мощности, что приводит к ограничению амплитуды напряжения и тока в необходимых для работоспособности контура пределах. Функционирование (ИБ) осуществляется за счет части выходной мощности.
В способе возбуждения электрических колебаний в параметрическом резонансном генераторе путем периодического изменения энергии магнитного поля и индуктивности катушек индуктивности резонансного контура с частотой, в два раза превышающей частоту резонансного контура, в двух расположенных рядом параметрических резонансных секциях устанавливают разные катушки индуктивности и разной емкости конденсаторы, каждая секция генератора работает в разных режимах и на момент работы одной секции другая секция изолируется путем выключения тиристоров, тем самым вводит колебательный контур в электрорезананс, во второй секции на основных катушках индуктивности устанавливают дополнительные обмотки, соединяют их последовательно таким образом, что основные и дополнительные обмотки катушек индуктивности второй секции образуют первичную и вторичную обмотки резонансного трансформатора, выводы вторичной обмотки трансформатора Тесла соединяют через выпрямитель или еще один резонансный трансформатор, выпрямитель, инвертор с нагрузкой и через преобразователь частоты с резонансным контуром первой электрической секции. Первая электрическая секция используется в качестве первичного параметрического резонанса, при получении первичной электрической мощности она усиливается во второй секции, изменяя магнитное поле основных катушек индуктивностей резонансного контура с начальной частотой f, приводит к увеличению в два раза превышающей резонансную частоту f0 резонансного контура, параметрический возбуждают электромагнитные колебания в резонансном контуре второй электрической секции, колебания усиливаются по напряжению в резонансном трансформаторе, появляется необходимость понизить напряжение в другом трансформаторе, напряжение выпрямляют в выпрямителе, преобразуют по напряжению и частоте в инверторе и передают в нагрузку и часть энергии через преобразователь частоты на вход резонансного контура первой электрической секции.
Коммутационный способ возбуждения ПР электрических колебаний позволяет получить скачкообразный характер изменения индуктивности или емкости колебательного контура, высокую глубину модуляции параметров (от 300% и выше) и обеспечить условно-постоянные затраты энергии на изменение параметров, не зависящие от амплитудных значений тока и напряжения в контуре.
Тиристор, работающий с подключением управляющего электрода (тринисторный режим), имеет два устойчивых состояния. При подаче положительного напряжения Uνs между управляющим электродом и катодом этот тиристор открывается и далее остается открытым независимо от наличия управляющего напряжения. Тиристор закрывается только после снятия управляющего напряжения Uνs при последующем изменении направления протекающего через него тока на противоположное или при его нулевом значении.
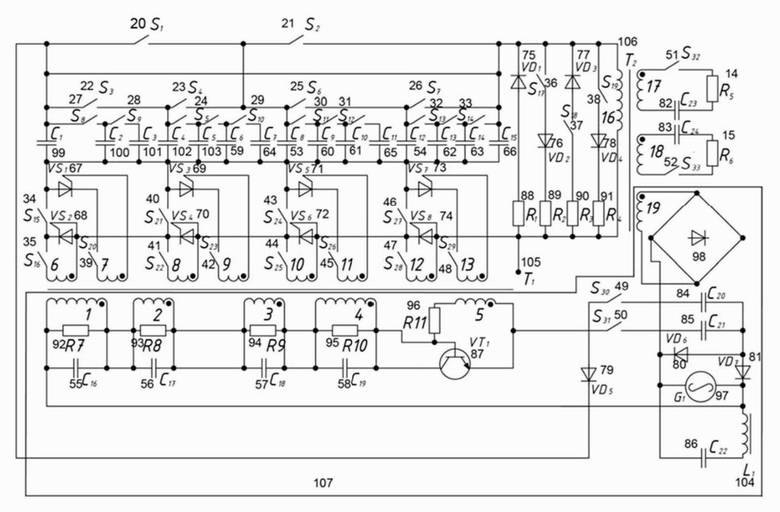
На фигуре представлен общий вид устройства. На фигуре:
1 - 13 - катушки индуктивности (обмотки) трансформатора Т1;
14 - 15 - резисторы напряжением 400 V R5- R6;
16 - 19 - катушки индуктивности (обмотки) трансформатора Т2;
20 - 52 - тиристоры (S1-S33);
53 - 58 - конденсаторы с реактивной мощностью 3.33 кВАр, с емкостью 66,7µF (С8, С12, C16, C17, C18, C19);
59 - 63 - конденсаторы с реактивной мощностью 1 кВАр, с емкостью 15,4µF (С6, С9, С10, С13, С14);
64 - 66 - конденсаторы с реактивной мощностью 2кВАр, с емкостью 32,1µF (С7, С11, С15);
67 - 74 - триоды (VS1-VS8);
75 - 81 - диоды (VD1-VD7);
82 - 83 - конденсаторы с реактивной мощностью 1 кВАр, с емкостью 15,4µF (С23, С24)
84 - 86 - Конденсаторы с реактивной мощностью 1 кВАр, с емкостью 15,4µF (С20, С21, С22);
87 - транзистор (VT1);
88 - 91 - шунтирующие резисторы (R1-R4);
92 - 96 - резисторы с сопротивлением 380 кОм, мощностью 2,5 Вт, напряжением 400 V (R7- R11);
97- источника питания (генератора) G1;
98 - диодный мост;
99 - 103 - конденсаторы с реактивной мощностью 1 кВАр, с емкостью 15,4µF (С1, С2, С3, С4, С5);
104 - Трансформатор L1;
105 - Трансформатор Т1;
106 - Трансформатор Т2;
107 - Основной колебательный контур.
Пример 1. Принципиальная схема заявленного устройства представлена на фигуре.
Генератор 97 (G1) основного колебательного контура 107, выдающий 12 V 0,1 А поступает в конденсатор 86 (С22) и на трансформатор 104 (L1), импульс движется дальше к конденсатору 55 (С16) и первичной обмотке 1 трансформатора 105 (Т1), в которой находится шунтирующий резистор 92 (R7), часть потенциала поступает в обмотку 2 трансформатора 105 (Т1), часть импульса проходит через резистор 93 (R8) и конденсатор 56 (С17), эти две обмотки 1 и 2 производят возбуждение во вторичной обмотке трансформатора 105 (Т1) - 6, 7 и 8, часть импульса поступает в транзистор 87 (VT1), который выдает команду и часть потенциала поступает в обмотку 3 и 4, часть импульса гасится шунтирующими резисторами 94, 95 (R9, R10), часть потенциала поступает в конденсатор 57, 58 (С18, С19), переходящий импульс приходит на базу транзистора 87 (VT1), проходит через обмотку 5, импульс проходит на вторичную обмотку 12 и 13, замыкается тиристор 47, 46 (S28, S27), часть импульса движется к обмотке 6, 7, 8, 10, 12, при этом тиристоры 20, 21 (S1, S2) замыкаются, проходящий импульс устремляется к обмотке 16, часть импульса передается на вторичную обмотку 17 и 18, срабатывают тиристоры 51, 52 (S32, S33), дальше импульс проходит через конденсатор 82, 83 (С23, С24), усиливается конденсаторами 82, 83 (С23, С24), тиристор 51, 52 (S32, S33) включаются на 1/8 секунды и выключаются, в этот момент импульс поступает на обмотку 16 и на обмотку 19, импульс проходит через диодный мост 98, выпрямляется и добавляется к импульсу генератора 97 (G1), чтобы сохранить полярность импульса часть энергии ограничивают диодами 80, 81 (VD6, VD7), часть импульса устремляются в конденсаторы 84, 85 (С20, С21), замыкается тиристор 50 (S31) и часть импульса устремляется в обмотку 5, после чего проходит транзистор 87 (VT1) управляющий. При замыкании тиристора 35 (S16) и размыкании в обмотке 6 возникает потенциал, проходящий через 68 (VS2) триод, после чего происходит замыкание тиристора 34 (S15) и импульс проходит через триод 67 (VS1), потенциал поступает в обмотку 6, 7 и передает часть потенциала в обмотку 1 и обмотку 2, где накапливается в конденсаторах 55, 56 (C16, C17). Часть потенциала передается в обмотку 7, до момента замыкания тиристора 39 (S20), после прохождения триода более усиленный потенциал попадает на управляющий сигнал 67 (VS1), потенциал попадает в конденсатор 99 (C1) и через закрывшийся тиристор 27 (S8) попадает в конденсатор 100, 101 (C2, С3). После этого потенциал поступает в триод 69 (VS3) и после в обмотку 9, закрывается тиристор 42 (S23) и часть потенциала попадает в триод 70 (VS4). Закрывается тиристор 40 (S21) одновременно с тиристором 41 (S22). Усиленный сигнал проходит через триод 70 (VS4) сигнал поступает через триод 69 (VS3) к тиристору 42 (S23), в текущий момент открываются тиристоры 34 (S15) и 35 (S16). Закрываются тиристоры 27 и 28 (S8 и S9). Импульс после обмотки 9 попадает на конденсатор 102 (С4). Происходит срабатывание тиристора 23 и 24 (S4 и S5). После чего потенциал попадает в конденсатор 103, 59 (С5, C6). Срабатывает тиристор 29 (S10), открываются тиристоры 23 и 24 (S4 и S5) импульс попадает в конденсатор 64 (С7). Тиристор 29 (S10) открывается. Потенциал попадает в триод 71 (VS5) после чего срабатывает тиристор 45 (S26), который проходит через обмотку 11, где он проходит через триод 72 (VS6) и происходит срабатывание тиристора 44 (S25) попадает в триод 72 (VS6) происходит замыкание в тиристоре 43 (S24). Импульс попадает на конденсатор 30 (С8) в этот момент тиристор 29 (S10) разомкнут. Срабатывает тиристор 25, 30, 31 (S6, S11, S12). Тем самым потенциал проходит через конденсаторы 53, 60, 61, 65 (С8, С9, С10, С11). Тиристоры 43, 44, 45 (S24, S25, S26) размыкаются. Далее потенциал поступает в конденсатор 54 (С12) и в триод 73 (VS7). Происходит замыкание тиристора 48 (S29) тиристор 25, 30, 31 (S6, S11, S12) размыкаются. Усиленный импульс попадает в триод 74 (VS8) происходит срабатывание тиристора 47 (S28). Где импульс проходит через обмотку 12, после чего срабатывает тиристор 46 (S27). Проходя через триод 73 (VS7), попадает через замкнутый тиристор 48 (S29) в обмотку 13. Часть избыточной мощности поступает в обмотку 5, который в свою очередь открывает транзистор. Ограничивает размер импульса шунтирующий резистор 96 (R11). Сигнал, поступивший на коллектор транзистора замыкает его. Часть импульса поступает к конденсатору 60 (С9) и обмотке 4. После чего поступает в трансформатор 3. В этот момент процесс появления потенциала происходит в обмотке 6 и 7, где часть избыточной мощности передается обмотке 1. Часть потенциала поступает в конденсатор 55 (С16). Усиленный потенциал попадает в обмотку 10 и 11 где он усиливается в 2 раза после этого потенциал попадает в обмотку 3 и 4, которая в совокупности с потенциалом накопленном в конденсаторах 55 и 56 (С16, С17) снимается подключенной нагрузкой. Часть сигнала, накопленная на обмотке 12 и 13 через закрывающийся тиристор 47 (S28) попадает на триод 74 (VS8), после чего закрывается тиристор 46 (S27), поступающий потенциал двигается конденсатору 54 (С12), закрывается тиристор 31, 33 (S12, S14), накопленный потенциал распределяется между конденсаторами 62, 63, 66 (С13, С14, С15), после чего тиристор 25 (S6) размыкается и замыкается тиристор 26 (S7). Потенциал поступает на обмотку трансформатора 106 (Т2) при этом срабатывают тиристоры 36, 37, 38 (S17, S18, S19). Так как потенциал имеет высокое напряжение, оно гасится шунтирующими резисторами 88, 89, 90, 91 (R1, R2, R3, R4). Часть импульса пропускается, а часть импульса блокируется диодами 75, 76, 77, 78 (VD1, VD2, VD3, VD4). Накопленный потенциал в трансформаторе передается на вторичные обмотки трансформатора 106 (Т2) под № 17, 18, 19. Срабатывает тиристор 52, 51 (S33, S32) и полученный потенциал снимается нагрузкой 14, 15 (R5, R6). Вторичная обмотка трансформатора 106 (Т2) под №19 имеет диодный мост 98, к которому подключены конденсаторы 84, 85 (С20, С21), в которых образуется потенциал и направляется к диоду 79 (VD5), поэтому срабатывают тиристоры 49, 50 (S30, S31). Поступивший потенциал уходит на конденсатор 99 (С1) и поступает на триод 67 (VS1). Часть потенциала уходит на диод 80, 81 (VD6, VD7) к трансформатору 104 (L1) и конденсатору 86 (С22), потенциал после трансформатора 104 (L1) подается на другую катушку.
| название | год | авторы | номер документа |
|---|---|---|---|
| КОММУТАЦИОННЫЙ СПОСОБ ВОЗБУЖДЕНИЯ ПАРАМЕТРИЧЕСКОГО РЕЗОНАНСА ЭЛЕКТРИЧЕСКИХ КОЛЕБАНИЙ И УСТРОЙСТВО ДЛЯ ЕГО ОСУЩЕСТВЛЕНИЯ | 2008 |
|
RU2386207C2 |
| УСТРОЙСТВО ЭЛЕКТРОПИТАНИЯ ГАЗОРАЗРЯДНОГО ОЗОНАТОРА | 2010 |
|
RU2413358C1 |
| БЕСПРОВОДНАЯ ЗАРЯДНАЯ СИСТЕМА ДЛЯ МАЛОМОЩНЫХ ПОТРЕБИТЕЛЕЙ ЭЛЕКТРИЧЕСКОЙ ЭНЕРГИИ | 2012 |
|
RU2510558C1 |
| ПАРАРЕЗОНАНСНЫЙ СПОСОБ СТАБИЛИЗАЦИИ НАПРЯЖЕНИЯ И ЗАЩИТЫ РАЗРЯДНО-ИМПУЛЬСНОЙ УСТАНОВКИ И УСТРОЙСТВО ДЛЯ ЕГО РЕАЛИЗАЦИИ | 2008 |
|
RU2346379C1 |
| Устройство и способ усиления электрических сигналов | 2015 |
|
RU2645222C2 |
| СИСТЕМА ДЛЯ ПЕРЕДАЧИ ЭЛЕКТРОЭНЕРГИИ | 2020 |
|
RU2751094C1 |
| УСИЛИТЕЛЬ МАГНИТНОГО ПОТОКА И СИЛОВЫЕ ЭЛЕКТРОТЕХНИЧЕСКИЕ УСТРОЙСТВА НА ЕГО ОСНОВЕ | 2000 |
|
RU2201001C2 |
| Устройство и способ усиления электрических сигналов (варианты) | 2017 |
|
RU2644119C1 |
| ЭЛЕКТРИЧЕСКИЙ ЭКВИВАЛЕНТ ГИДРОАКУСТИЧЕСКОГО ПРЕОБРАЗОВАТЕЛЯ | 2019 |
|
RU2726222C1 |
| УСТРОЙСТВО И СПОСОБ УСИЛЕНИЯ ЭЛЕКТРИЧЕСКИХ СИГНАЛОВ (ВАРИАНТЫ) | 2017 |
|
RU2639948C1 |
Изобретение относится к электроэнергетике, конкретнее к автономным источникам электропитания, и может найти широкое применение в промышленности, в бытовой технике и особенно на транспорте. Техническим результатом является упрощение, уменьшение веса и габарита, увеличение мощности и снижение зависимости от внешних источников электроэнергии и от величины нагрузки, также это приводит к увеличению мощности и стабилизации величины вырабатываемой энергии и уменьшает просадки электрической мощности при изменении нагрузки. Коммутационный способ возбуждения параметрического резонанса электрических колебаний заключается в том, что к основному колебательному контуру с помощью тиристоров подключают дополнительные катушки индуктивности и конденсаторы с различными номиналами. Устройство для осуществления коммутационного способа возбуждения параметрического резонанса электрических колебаний включает в себя основной колебательный контур и дополнительные катушки индуктивности с номиналом индуктивностей, выполненные каскадом, и конденсаторы с установленными номиналами, втрое большими или меньшими по сравнению с аналогичными элементами контура, установленные каскадом с возможностью управления тиристорами. 2 н.п. ф-лы, 1 ил.
1. Коммутационный способ возбуждения параметрического резонанса электрических колебаний, заключающийся в том, что к основному колебательному контуру с помощью тиристоров подключают дополнительные катушки индуктивности и конденсаторы с различными номиналами, конденсаторы имеют разные номиналы от максимальных 82,76 μF±10% до минимальных 0,5 μF±10%, катушки индуктивности с разными номиналами по индуктивности и магнитной проницаемости сердечника и магнита - сцеплению частотой настройки от 143 dB до 400 dB представляют собой каскад, при этом номиналы дополнительных емкостей или индуктивностей вдвое или втрое меньше или совпадают по сравнению с аналогичными элементами контура, образуя колебательный контур, который включают при помощи тиристора, что изменяет параметры этого контура в процессе каждого колебания, такие как: индуктивность, емкость, частота колебаний, длительность и волновое сопротивление в зависимости от наличия положительного управляющего напряжения на тиристорах, подаваемого на них в момент максимального тока и снимаемого при его нулевом значении.
2. Устройство для осуществления коммутационного способа возбуждения параметрического резонанса электрических колебаний, включающее в себя основной колебательный контур, дополнительные катушки индуктивности с номиналом индуктивностей, выполненные каскадом, и конденсаторы с установленными номиналами, втрое большими или меньшими по сравнению с аналогичными элементами основного контура, установленные каскадом с возможностью управления тиристорами, катушки индуктивности и конденсаторы подключены к контуру параллельно с помощью тиристоров, управляемых отдельным блоком управления, запитанным от импульсного блока питания, который получает информацию от трансформаторов тока и подает или снимает управляющее напряжение с тиристоров, при этом длительность положительного импульса управляющего напряжения составляет для дополнительной индуктивности одну восьмую, для дополнительной емкости половину периода основной частоты колебаний контура, а длительность отрицательного импульса в обоих случаях составляет не более четверти этого периода для создания периодических изменений параметров контура в процессе каждого колебания.
| КОММУТАЦИОННЫЙ СПОСОБ ВОЗБУЖДЕНИЯ ПАРАМЕТРИЧЕСКОГО РЕЗОНАНСА ЭЛЕКТРИЧЕСКИХ КОЛЕБАНИЙ И УСТРОЙСТВО ДЛЯ ЕГО ОСУЩЕСТВЛЕНИЯ | 2008 |
|
RU2386207C2 |
| ПАРАРЕЗОНАНСНЫЙ СПОСОБ СТАБИЛИЗАЦИИ НАПРЯЖЕНИЯ ВЫСОКОЧАСТОТНОГО ОЗОНАТОРА И УСТРОЙСТВО ДЛЯ ЕГО РЕАЛИЗАЦИИ | 2000 |
|
RU2196729C2 |
| ПАРАМЕТРИЧЕСКАЯ ЭЛЕКТРИЧЕСКАЯ МАШИНА | 1992 |
|
RU2044397C1 |
| СПОСОБ И УСТРОЙСТВО ДЛЯ РАЗДЕЛЕНИЯ ГАЗА, СОДЕРЖАЩЕГО МЕТАН И ЭТАН, С ИСПОЛЬЗОВАНИЕМ ДВУХ КОЛОНН, РАБОТАЮЩИХ ПОД РАЗНЫМ ДАВЛЕНИЕМ | 2002 |
|
RU2295680C2 |
| US 6002256 A1, 14.12.1999 | |||
| СПОСОБ НАНЕСЕНИЯ СЫПУЧЕГО ОГНЕУПОРНОГО МАТЕРИАЛА НА ПОВЕРХНОСТЬ ВЫПЛАВЛЯЕМЫХ МОДЕЛЕЙ | 0 |
|
SU261663A1 |
Авторы
Даты
2025-06-06—Публикация
2024-12-27—Подача