Устройство для бурения скважин на воду с использованием электрогидроударного эффекта Юткина относится к машиностроению, точнее к бурильному оборудованию.
Наиболее близким аналогом предлагаемого способа является полезная модель по патенту RU 144631 U1, опубл. 2014.08.27 - ЭЛЕКТРОГИДРОУДАРНОЕ УСТРОЙСТВО ДЛЯ БУРЕНИЯ СКВАЖИН, автор Дудышев Валерий Дмитриевич. Полезная модель относится к устройствам, предназначенным для бурения скважин с использованием электрических импульсных разрядов.
Недостатками этой полезной модели являются:
1. Низкая скорость проходки из-за отсутствия циркуляции бурового раствора непосредственно в зоне забоя скважины. Затруднено удаление бурового шлама из зоны забоя скважины вследствие отсутствия отверстий соединяющих внутреннюю полость буровой колонны с источником электрогидродинамического воздействия в забое скважины;
2. Малый фронт гидроударной волны, создаваемый между электродами электрогидроударного устройства внутри буровой коронки;
3. Не продуман момент удлинения геологического кабеля при увеличении длины колонны бурильных труб в процессе бурения. При добавлении дополнительной буровой трубы в колонну бурильных труб, внутрь этой колонны невозможно поместить геофизический кабель без подъема и разборки всей буровой колонны, с отделением буровой коронки, установленной на конце колонны бурильных труб.
Техническая проблема, на решение которой направлен заявляемый способ - увеличение скорости проходки скважин за счет улучшения циркуляции бурового раствора в забое скважины и применение коаксиального кабеля, подающего напряжение на источник гидродинамического воздействия, имеющего разделение на участки, равные длине одной бурильной трубы, соединяемые герметичными разъемами.
Технический результат обеспечивается эффективным удалением бурового шлама из забоя скважины за счет исключения застойных зон в забое скважины путем обеспечения циркуляции бурового раствора через отверстия в буровой коронке, соединяющие внутреннюю полость колонны бурильных труб с забоем скважины и через отверстия в самой коронке с пространством между колонной бурильных труб и стенкой скважины, к тому же предлагаемая буровая коронка выполнена с быстросъемным центральным электродом, позволяющим экономить время и материальные ресурсы на техническое обслуживание буровой коронки, а в качестве другого электрода выступает сама буровая коронка, что позволяет создавать фронт ударной волны диаметром, равным диаметру буровой коронки. Кроме того, разделяя питающий коаксиальный кабель на участки длиной соответствующей длине одной бурильной трубы в колонне бурильных труб и применяя герметизированные разъемы для стыковки этого питающего коаксиального кабеля, можно будет увеличивать длину кабеля по мере увеличения длины бурильной колонны без подъема всей бурильной колонны.
Решение указанных задач достигается предложенным устройством для бурения скважины электрогидроударным способом, содержащим колонну бурильных труб, систему промывки скважины, источник гидродинамического воздействия, установленный на конце колонны бурильных труб, соединенный при помощи коаксиального кабеля с источником высокого напряжения, находящимся на поверхности, отличающееся тем, что источник гидродинамического воздействия выполнен в виде буровой коронки, имеющей внутреннюю полость со стенками, имеющими угол наклона, позволяющий фокусировать гидроударные волны на поверхности породы забоя, отверстия для свободной циркуляции бурового раствора, быстросъемный центральный электрод с диэлектрической защитой, соединенный с коаксиальным кабелем герметизированным разъемом и закрепленный в центре буровой коронки с помощью изолирующей шайбы, прижатой металлической шайбой, соединенной с внешней проводящей оплеткой коаксиального кабеля неразъемным соединением и прижимным диском, имеющим резьбу для крепления внутри буровой коронки. Буровая коронка соединена с колонной бурильных труб посредством переходной муфты, выполненной из диэлектрического материала, также имеющей отверстия для свободной циркуляции бурового раствора, при этом все три диска также имеют отверстия, сообщающиеся с отверстиями переходной муфты для свободной циркуляции бурового раствора, а коаксиальный кабель выполнен разделенным на участки длиной, равной длине одной трубы в колонне бурильных, соединенные герметизированными разъемами, устройство имеет навесное приспособление с раструбом, соединяемым с верхней трубой обсадной колонны, крышкой, выполненной с герметизируемым резиновой манжетой отверстием, предназначенным для прохода колонны бурильных труб, и боковым отводом для возврата бурового раствора в емкость-отстойник, колонна бурильных труб заканчивается оголовком с выполненными в верхней его части отверстиями для крепления подъемного механизма, герметизированным выходом для коаксиального кабеля и поворотным боковым отводом для подачи бурового раствора в колонну бурильных труб под давлением.
Суть устройства для бурения скважин на воду с использованием электрогидроударного эффекта Л.А. Юткина поясняется фиг.1…4, где:
- на фиг.1 представлен разрез по осевой линии устройства со схемой движения бурового раствора;
- на фиг.2 представлен разрез по осевой линии буровой коронки;
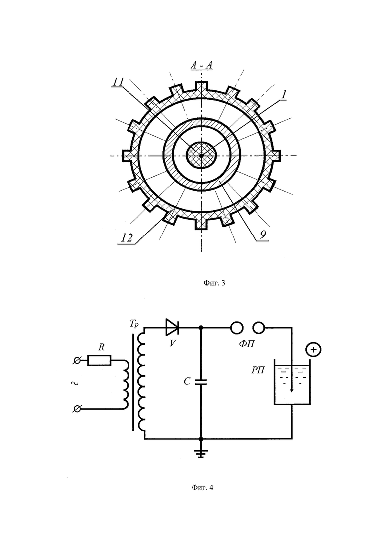
- на фиг.4 представлена электрическая схема устройства для воспроизведения электрогидроударного эффекта Юткина с одним формирующим искровым промежутком.
Устройство для бурения скважин на воду с использованием электрогидроударного эффекта Л.А. Юткина предназначен для бурения скважин и содержит установленную в нижней части колонны бурильных труб 9 буровую коронку 3, имеющую внутреннюю полость со стенками, имеющими угол наклона, позволяющий фокусировать гидроударные волны на поверхности породы забоя. Коронка имеет отверстия 4 для свободной циркуляции бурового раствора, имеющую быстросъемный центральный электрод 1, с диэлектрической защитой 2 повышенной прочности, соединенный с коаксиальным кабелем 11, герметизированным разъемом 10 и закрепленный в центре буровой коронки 3 с помощью изолирующей шайбы 5, прижатой металлической шайбой 6, соединенной с внешней, проводящей оплеткой коаксиального кабеля 11 неразъемным соединением, и прижимным диском 7, имеющим резьбу для крепления внутри буровой коронки 3. Все три диска имеют отверстия 4 для свободной циркуляции бурового раствора.
Буровая коронка 3 соединена с колонной бурильных труб 9 посредством переходной муфты 8, выполненной из диэлектрического материала, также имеющей отверстия 4 для свободной циркуляции бурового раствора. Диаметр буровой коронки 3 имеет собственный диаметр больше диаметра труб бурильной колонны 9, что позволяет обеспечить возврат бурового раствора на поверхность по межстеночному пространству.
Далее буровой раствор из скважины попадает в навесное приспособление 16, которое своим раструбом 14 одевается на верхнюю трубу 12 обсадной колонны, имеющую специальный выступ для стопорения запорного кольца 13, расположенного в специальной кольцевой канавке раструба 14 трубы на упругой, резиновой прокладке.
Приспособление 16, имеет крышку 17 выполненную с герметизируемым резиновой манжетой (на разрезе не показана) и отверстием, предназначенным для прохода колонны бурильных труб 9. Сама колонна бурильных труб 9 заканчивается оголовком 18, с выполненными в верхней его части отверстиями, предназначенными для крепления подъемного механизма. На этот оголовок крепится боковой отвод 21 с крышкой 25, закрепленной на оголовке 18 и гайкой 22, предназначенные для удобства работы с буровым раствором.
Раструб 14 имеет уплотнительную манжету 15, расположенную в другой кольцевой канавке раструба 14. Далее, через нижний боковой отвод и надетую на него крышку 25, в приспособлении 16, буровой раствор по возвратной линии трубопровода 27 (на разрезе показана схематично), через отделитель крупной фракции в буровом растворе 28 поступает в емкость - отстойник 29, откуда через фильтр 30, с помощью насоса 31, имеющего привод от двигателя 32 подается по напорной линии 26 в верхнюю часть приспособления 16 через крышку 25 насадки 23 на верхней трубе колонны бурильных труб, имеющей специальные отверстия для зацепления ее подъемным устройством 24 и резьбу с гайкой 22, предназначенной для фиксации поворотного, бокового отвода 21, имеющего внутри резиновые манжеты уплотнения 20, позволяющие подавать буровой раствор в колонну бурильных труб под давлением.
В этой же насадке 23 имеется герметизированный выход для коаксиального кабеля 11, идущего через подъемное устройство 24 к шкафу управления 19 и через него к источнику высокого напряжения 33.
РАБОТА УСТРОЙСТВА
Согласно данным, приведенным в книге: Л.А. Юткин «Электрогидравлический эффект и его применение в промышленности». - Ленинград. Машиностроение. 1986 - 253 с. Предлагаемый способ бурения позволяет осуществлять проходку скважин диаметром до 500 мм в породах первой группы твердости (и буримости) со скоростью до 2 см/мин, а в случае необходимости можно изготавливать отверстия диаметром до 400 мм в бетоне марки М450 со скоростью проходки до 50 см/мин. При этом нет необходимости вращать колонну бурильных труб или давить на нее с усилием до 800 кг. Проходка может идти под собственным весом бурильной колонны и строго вертикально, при этом, в связи с отсутствием износа от вращения, долговечность буровой коронки вырастает в 2-3 раза.
Согласно исследованиям Л.А. Юткина, электрогидравлический эффект возникает в ионопроводящей жидкости при воздействии на нее электроэнергией напряжением до 100 кВ, емкостью до 1 мкФ, установкой, электрическая схема которой приведена на фиг.4. При этом должно быть соблюдено условие:
Где: С - емкость конденсатора, мкФ;
R - активное сопротивление, Ом;
L - индуктивность контура.
Таким образом, при пробое электродов ФП на воздухе, на разрядные электроды РП в жидкости подается переменный ток, напряжением до 100 кВ (см. фиг.4). В этом случае амплитуда тока в импульсе достигает десятков тысяч ампер, благодаря чему в жидкости, начиная с положительного электрода до отрицательного, формируется канал, названный Л.А Юткиным канал «стримера». Диаметр этих каналов в пределах 0,5-5 мм и полное время формирования в пределах 0,0001-100 мкс в зависимости от подаваемого напряжения и режимов работы импульсов.
Однако за это время температура по оси канала «стримера» вырастает до 40000°С, что приводит не только к мгновенному испарению жидкости по оси канала, но и к перегреву этого пара и его резкого местного расширения вдоль оси канала «стримера», а это в свою очередь формирует расходящиеся вверх и вниз первичные гидроударные волны в жидкости, давление в которых возрастает до 2⋅1010 Па и приводит к возникновению полостей в жидкости, наполненных паром, так называемых «кавитационных пузырьков». Эти «кавитационные пузырьки» не успевают всплыть и схлопываются в жидкости после прекращения подачи напряжения на разрядные электроды РП из-за конденсации пара вследствие охлаждения окружающей жидкостью, имеющую большую теплоемкость. Процесс охлаждения занимает такой же короткий промежуток времени. В результате этого схлопывания рождаются вторичные гидроударные волны, вызывающие кратковременные местные мгновенные повышения давления более высоких значений, чем у первичных гидроударных волн, что и приводит к разрушению даже самых твердых горных пород. Разрядные электроды в жидкости сами испытывают перепады температур, однако, в связи с непродолжительным временем воздействия разрядов и эффективным охлаждением окружающей жидкой среды, электроды не разрушаются довольно длительное время.
| название | год | авторы | номер документа |
|---|---|---|---|
| СПОСОБ МОНТАЖА БУРОНАБИВНЫХ ЖЕЛЕЗОБЕТОННЫХ СВАЙ | 2023 |
|
RU2820641C1 |
| Мобильная электрогидродинамическая буровая установка | 2016 |
|
RU2725373C2 |
| ЭЛЕКТРОГИДРОУДАРНОЕ УСТРОЙСТВО ДЛЯ АКТИВАЦИИ НЕФТЕГАЗОНОСНОГО ПЛАСТА И СПОСОБ ПИТАНИЯ ЕГО ЭЛЕКТРИЧЕСТВОМ | 2000 |
|
RU2208142C2 |
| СПОСОБ БУРЕНИЯ ГОРНЫХ ПОРОД ЭЛЕКТРИЧЕСКИМИ ИМПУЛЬСНЫМИ РАЗРЯДАМИ И БУРОВОЙ СНАРЯД | 2005 |
|
RU2319009C2 |
| Гидроударный снаряд для бурения скважин | 1975 |
|
SU711264A1 |
| ЭЛЕКТРОИМПУЛЬСНОЕ БУРОВОЕ ДОЛОТО | 2016 |
|
RU2631749C1 |
| ПОГРУЖНОЙ ГИДРОУДАРНЫЙ МЕХАНИЗМ МОЛОТА ДЛЯ ПРОВЕДЕНИЯ ВЕРТИКАЛЬНОГО БУРЕНИЯ БУРОВЗРЫВНЫХ СКВАЖИН | 2019 |
|
RU2736685C1 |
| Металлошламоуловитель | 1986 |
|
SU1406339A1 |
| ИСКРОВОЙ РАЗРЯДНИК (ВАРИАНТЫ) | 2000 |
|
RU2204189C2 |
| Устройство для промывки поглощающихСКВАжиН | 1978 |
|
SU802512A1 |
Изобретение относится к области бурения скважин электрогидроударным способом. Устройство содержит колонну бурильных труб, систему промывки скважины, источник гидродинамического воздействия, установленный на конце колонны бурильных труб, соединенный при помощи коаксиального кабеля с источником высокого напряжения, находящимся на поверхности. Источник гидродинамического воздействия выполнен в виде буровой коронки, имеющей внутреннюю полость со стенками, имеющими угол наклона, позволяющий фокусировать гидроударные волны на поверхности породы забоя, отверстия для свободной циркуляции бурового раствора, быстросъемный центральный электрод с диэлектрической защитой, соединенный с коаксиальным кабелем герметизированным разъемом и закрепленный в центре буровой коронки с помощью изолирующей шайбы, прижатой металлической шайбой, соединенной с внешней проводящей оплеткой коаксиального кабеля неразъемным соединением и прижимным диском, имеющим резьбу для крепления внутри буровой коронки. Буровая коронка соединена с колонной бурильных труб посредством переходной муфты, выполненной из диэлектрического материала, также имеющей отверстия для свободной циркуляции бурового раствора. Все три диска также имеют отверстия, сообщающиеся с отверстиями переходной муфты для свободной циркуляции бурового раствора, а коаксиальный кабель выполнен разделенным на участки длиной, равной длине труб в колонне бурильных труб, соединенные герметизированными разъемами. Устройство имеет навесное приспособление с раструбом, соединяемым с верхней трубой пластиковой обсадной колонны, крышкой, выполненной с герметизируемым резиновой манжетой отверстием, предназначенным для прохода колонны бурильных труб, и боковым отводом для возврата бурового раствора в емкость-отстойник. Колонна бурильных труб заканчивается оголовком с выполненными в верхней его части отверстиями для крепления подъемного механизма, герметизированным выходом для коаксиального кабеля и поворотным боковым отводом для подачи бурового раствора в колонну бурильных труб под давлением. Обеспечивается повышение эффективности удаления бурового шлама из забоя скважины, а также увеличение длины кабеля по мере увеличения длины бурильной колонны без подъема всей бурильной колонны. 4 ил.
Устройство для бурения скважины электрогидроударным способом, содержащее колонну бурильных труб, систему промывки скважины, источник гидродинамического воздействия, установленный на конце колонны бурильных труб, соединенный при помощи коаксиального кабеля с источником высокого напряжения, находящимся на поверхности, отличающееся тем, что источник гидродинамического воздействия выполнен в виде буровой коронки, имеющей внутреннюю полость со стенками, имеющими угол наклона, позволяющий фокусировать гидроударные волны на поверхности породы забоя, отверстия для свободной циркуляции бурового раствора, быстросъемный центральный электрод с диэлектрической защитой, соединенный с коаксиальным кабелем герметизированным разъемом и закрепленный в центре буровой коронки с помощью изолирующей шайбы, прижатой металлической шайбой, соединенной с внешней проводящей оплеткой коаксиального кабеля неразъемным соединением и прижимным диском, имеющим резьбу для крепления внутри буровой коронки, буровая коронка соединена с колонной бурильных труб посредством переходной муфты, выполненной из диэлектрического материала, также имеющей отверстия для свободной циркуляции бурового раствора, при этом все три диска также имеют отверстия, сообщающиеся с отверстиями переходной муфты для свободной циркуляции бурового раствора, а коаксиальный кабель выполнен разделенным на участки длиной, равной длине труб в колонне бурильных труб, соединенные герметизированными разъемами, устройство имеет навесное приспособление с раструбом, соединяемым с верхней трубой пластиковой обсадной колонны, крышкой, выполненной с герметизируемым резиновой манжетой отверстием, предназначенным для прохода колонны бурильных труб, и боковым отводом для возврата бурового раствора в емкость-отстойник, колонна бурильных труб заканчивается оголовком с выполненными в верхней его части отверстиями для крепления подъемного механизма, герметизированным выходом для коаксиального кабеля и поворотным боковым отводом для подачи бурового раствора в колонну бурильных труб под давлением.
| Состав для оптически чувствительных покрытий, наносимых на изделия при исследовании их упругих и пластических деформаций | 1961 |
|
SU144631A1 |
| СПОСОБ БУРЕНИЯ ГОРНЫХ ПОРОД ЭЛЕКТРИЧЕСКИМИ ИМПУЛЬСНЫМИ РАЗРЯДАМИ И БУРОВОЙ СНАРЯД | 2005 |
|
RU2319009C2 |
| СПОСОБ ЭЛЕКТРОИМПУЛЬСНОГО БУРЕНИЯ СКВАЖИН, ЭЛЕКТРОИМПУЛЬСНОЙ БУРОВОЙ НАКОНЕЧНИК | 2011 |
|
RU2524101C2 |
| Способ и приспособление для нагревания хлебопекарных камер | 1923 |
|
SU2003A1 |
| СЕКЦИЯ ТОКОПОДВОДА К ЭЛЕКТРОБУРУ | 2002 |
|
RU2229583C1 |
| "Обсадные трубы для скважин из ПВХ и ПНД" | |||
| https://web.archive.org/web/20210514130417/http://www.best-pipe.ru/obsadnye_truby_dlya_skvazhin_iz_pvh_i_pnd/ | |||
| Паровоз для отопления неспекающейся каменноугольной мелочью | 1916 |
|
SU14A1 |
| Паровоз для отопления неспекающейся каменноугольной мелочью | 1916 |
|
SU14A1 |
Авторы
Даты
2024-11-26—Публикация
2023-08-29—Подача