Область применения
Изобретение относится к области медицины и медицинской техники и может быть использовано в качестве составляющей комплекса неинвазивных процедур для профилактики и лечения пролежней у малоподвижных пациентов с временной или пожизненной иммобилизацией.
На текущий момент известны примеры эффективного применения способа чрескожной токовой электростимуляции для профилактики пролежневых язв у малоподвижных пациентов [1-2].
Полезный эффект заключается в реконфигурации формы мышцы и перераспределении давления латерально, тем самым симулируя естественные суетливые телодвижения, которые здоровый человек производит бессознательно, находясь долгое время в вынужденной позе. Также электростимуляция сдавленных тканей приводит к стойкому повышению оксигенации вследствие реактивной гиперемии – процесса, при котором происходит увеличение притока крови в капилляры после коротких периодов окклюзии.
Предлагаемый токовый электростимулятор, предназначенный для воздействия электрическими токами на ткани человека, наиболее подверженные образованию некроза, вследствие избыточного давления, позволит:
1. Снизить давление на ткани, подверженные некрозу;
2. Усилить кровоток и оксигенацию для предотвращения ишемии;
3. Увеличить толщину сдавленных мышц;
4. Уменьшить размеры язв в случае, если они уже образовались у пациента;
5. Ускорить заживление поврежденных тканей.
Уровень техники
Известен функциональный аналог «Противопролежневый матрас», который представляет собой матрас ячеистой структуры в виде полой решетки с силиконовыми стенками и прямоугольным сечением балок в надутом состоянии, и вертикально стоящими в центре ее сегментов силиконовыми цилиндрами. Во время работы устройства, в момент надувания полой решетки, объектами давления тела на матрас являются точки, соприкасающиеся с решеткой, а в момент стравливания – торцевые части силиконовых цилиндров. Таким образом, пустое пространство между цилиндрами и решеткой обеспечивает сохранность локального периферического кровообращения мягких тканей (Патент РФ на полезную модель №138471, МПК A61G 7/057, опубликовано: 20.03.2014, бюл. №8).
Недостатком приведенного аналога является отсутствие гибкой подстройки силы воздействия, очевидно, что для пациентов разного пола, веса и комплекции необходимо по-разному дозировать величину давления. Помимо этого, данный аналог, как и прочие медицинские противопролежневые матрасы обладает недостатком, накладывающим ограничения на его применение. Именно - при наличии у пациента повреждений позвоночника и/или спинного мозга, в результате которых необходима ровная и жесткая поверхность для расположения пациента, применение такого устройства является недопустимым. Также недостатком является тот факт, что воздействие оказывается на все тело, а не только на локальные области, подверженные образованию пролежней.
Известен электростимулятор, предназначенный для лечения и профилактики заболеваний, содержащий микроконтроллер, блок индикации, панель управления, а также последовательно соединенные блок памяти формы сигнала, аналоговый преобразователь и усилитель, который подключен к выходному трансформатору, соединенному с электродами (Патент РФ на полезную модель №40898, МПК A61N 1/18, опубликовано: 10.10.2004, бюл. №28).
Основным недостатком данного устройства является тот факт, что выходной сигнал, генерируется источником напряжения, а не тока. Известно, что импеданс тканей зависит от многих физиологических параметров и может изменяться с течением времени вследствие, например, изменения артериального давления, увеличения потоотделения или других факторов и принимая во внимание то, что для профилактики пролежней необходимо круглосуточное воздействие, важно обеспечить стабильный ток для повышения эффективности профилактики и снижение возможных болевых ощущений пациента.
Наиболее близким по технической сущности является электростимулятор противоболевой, содержащий узел управления, элементы управления, элементы гальванической развязки цифровых сигналов, цифроаналоговый преобразователь, узел формирования импульсов стимуляции, инвертор и узел измерения тока в цепи пациента (Патент РФ на полезную модель № 145922, МПК A61N 1/32, опубликовано: 27.09.2014, бюл. №27).
Недостатком данного устройства является недостаточный уровень токовой защиты, что накладывает ограничение на возможность применения устройства в домашних условиях для лежачих пациентов длительное время без надзора. Также недостатком является невозможность генерации требуемой программы стимуляции, поскольку она подразумевает программную реализацию в виде перехода стимулятора в неактивный режим в паузах между воздействиями.
Раскрытие сущности
Техническим результатом предлагаемого изобретения является снижение риска развития пролежней у малоподвижных пациентов с временной или пожизненной иммобилизацией за счет применения периодичной токовой электростимуляции нагруженных тканей при помощи стимулятора с протоколом воздействия, специфичным для процедуры профилактики пролежней, благодаря локализации и эффективному дозированию воздействия электрическими импульсами тока, а также повышение безопасности для расширения возможностей применения устройства в домашних условиях без внешнего надзора круглосуточно.
Указанный технический результат достигается тем, что заявленный токовый электростимулятор позволяет генерировать специфичный для задачи профилактики пролежней протокол стимуляции с регулируемой амплитудой, длительностью импульса и частотой следования, позволяет осуществлять воздействие исключительно на нагруженные давлением зоны тела, а также содержит блоки монотонной, минимальной и максимальной токовой защиты для обеспечения безопасности применения устройства круглосуточно без постороннего надзора.
Технический результат предлагаемого изобретения заключается в том, что заявленный токовый электростимулятор позволяет осуществлять поочередную генерацию на выходе 4 каналов электрический ток прямоугольной, сбалансированной по заряду формы с регулируемой амплитудой анодного импульса величиной А, автоматически настраиваемой микроконтроллером амплитуды катодного импульса величиной А/2, регулируемой длительностью анодного импульса tи, автоматически настраиваемой микроконтроллером длительности катодного импульса 2tи, регулируемой частотой следования импульсов. Описанные импульсы следуют пачками с длительностью 3 секунды, перерывом 2 секунды в течение 13 секунд с последующим 10 минутным перерывом, в течение которого электростимулятор переходит в неактивное состояние с повторением описанного протокола в течение как минимум 24 часов автономной работы от встроенного батарейного питания. Наличие блока минимальной токовой защиты обеспечивает возможность подключения цепи стимуляции пациента только при условии предварительной установки амплитуды тока стимулирующих импульсов на минимум. Наличие блока максимальной токовой защиты позволяет обеспечить защиту в аварийном режиме при превышении тока в цепи пациента свыше максимального предела – 100 мА. Наличие блока монотонной токовой защиты позволяет обеспечить безопасность в случае выхода из строя каких-либо элементов, в результате чего в цепи пациента может оказаться ток допустимой амплитуды, но без смены полярности или с нарушением допустимых временных интервалов, предусмотренных протоколом, а именно длительностью постоянной полярности свыше 50 мс. Это реализовано следующим образом: импульсы, следующие в цепи пациента, проходят через шунтирующее сопротивление, сигнал с которого поступает на вход дифференциального усилителя, выход которого подключен к пиковому детектору и интегратору, при этом выход интегратора подключен к инвертирующему входу компаратора, а выход пикового детектора подключен через буфер к резистивному делителю напряжения с коэффициентом деления К=0.8, выход которого подключен к неинвертирующему входу компаратора. При нормальном режиме работы уровень напряжения на инвертирующем входе компаратора меньше, чем на неинвертирущем входе и на выходе компаратора поддерживается уровень логической единицы. В случае описанного аварийного режима за счет того, что по выходу пикового детектора установлен буферный усилитель, выход которого подключен к резистивному делителю, спустя время переходного процесса не более 50 мс уровень напряжения на инвертирующем входе компаратора становится больше, чем на неинвертирующем и компаратор переключит свое выходное состояние на уровень логического нуля, что будет являться сигналом сброса для триггера, сигнал с выхода которого поступит на вход коммутационного ключа, который разомкнет цепь питания.
Технический результат также достигается тем, что заявленный токовый электростимулятор содержит два селектора катодных и анодных электродов, обеспечивая возможность подключения до четырех каналов стимуляции, что позволит оказывать воздействие на зоны, особенно подверженные образованию пролежней – ягодичные мышцы, область крестца и лопаток.
Технический результат также достигается тем, что заявленный токовый электростимулятор содержит обратноходовой преобразователь с выходным напряжением +100В, обеспечивающий максимальный ток 100 мА на номинальной нагрузке 1 кОм, который позволяет безопасно разрывать цепь питания и цепь пациента в случае аварийного режима или перехода в неактивное состояние.
Изобретение, охарактеризованное указанной выше совокупностью существенных признаков, на дату подачи заявки не известно в Российской Федерации и за границей и отвечает требованиям критерия «новизна».
Изобретение может быть реализовано промышленным способом с использованием известных технических средств и соответствует требованиям критерия «промышленная применимость».
Краткое описание чертежей
Изобретение поясняется чертежами. На фиг. 1 приведена функциональная схема предлагаемого электростимулятора, включающая в себя следующие блоки:
1. аккумулятор с напряжением питания +9 В;
2. стабилизатор питания с напряжением +5 В;
3. коммутационный ключ;
4. обратноходовой преобразователь с выходным напряжением +100 В, 100 мА;
5. блок максимальной токовой защиты;
6. датчик тока;
7. блок монотонной токовой защиты
7.1. пиковый детектор;
7.2. интегратор;
7.3. буфер;
7.4. резистивный делитель;
7.5. компаратор;
7.6. триггер;
8. Узел управления;
9. органы управления;
10. ЖК-дисплей;
11. двухканальный цифро-аналоговый преобразователь;
12. преобразователь напряжение – ток для анодного импульса;
13. преобразователь напряжение – ток для катодного импульса;
14. селектор катодного электрода;
15. селектор анодного электрода;
16. Инвертор на твердотельных оптореле (16.1-16.4).
На фиг. 2 приведен протокол стимуляции, специфичный для задачи профилактики пролежней, генерируемый заявленным устройством, эффективность которого доказана исследованиями [3].
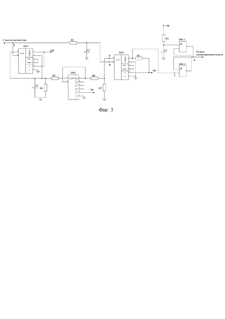
На фиг. 3 приведена принципиальная схема блока монотонной токовой защиты.
На фиг. 4 приведены диаграммы, поясняющие принцип работы блока монотонной токовой защиты.
Осуществление изобретения
Узел управления 8, выполненный на микроконтроллере, в котором установлено программное обеспечение, принимает сигналы управления от оператора посредством органов управления 9. Индикация, выбранных параметров отображается на ЖК-дисплее 10. Выход узла управления соединен с входом двухканального цифроаналогового преобразователя 11, выход первого канала которого соединен с первым входом преобразователя напряжение-ток 12, а выход второго канала соединен со вторым входом преобразователя напряжение-ток 13. Также выход узла управления соединен с управляющими входами инвертора 16, выполненным на четырех твердотельных оптореле 16.1-16.4, и с управляющим входом селектора анодных электродов 15 и катодных электродов 14. Выход аккумулятора 1 соединен с входом стабилизатора питания элементов цепей управления и с входом коммутационного ключа 3, выход которого в свою очередь соединен с входом обратноходового преобразователя 4, выход которого соединен с датчиком тока 6, реализованного как дифференциальный усилитель, а выход датчика тока 6 в свою очередь соединен с входом узла управления 8, силовым входом инвертора 16 и с входом блока монотонной токовой защиты 7, а именно с входами пикового детектора 7.1 ( фиг. 3 DA1, C4, R4, R5) и интегратора 7.2 (фиг. 3 R1, C1), при этом выход интегратора подключен к инвертирующему входу компаратора 7.5 (фиг. 3 DA3, R2), а выход пикового детектора подключен через буфер 7.3 (фиг. 3 DA2) к резистивному делителю напряжения 7.4 (фиг. 3 R6, R7), выход которого подключен к неинвертирующему входу компаратора 7.5, выход которого соединен с триггером 7.6 (фиг. 3 DD1), сигнал с которого является управляющим для коммутационного ключа 3. Вход коммутационного ключа 3 также соединен с выходом узла управления 8.
Устройство работает следующим образом. Пользователь, посредством органов управления 9, задает параметры стимулирующих импульсов, а именно включение каналов стимуляции, выбор частоты следования импульсов по каждому каналу, регулируемый от 1 до 100 Гц с шагом 1 Гц, выбор амплитуды анодных импульсов от 1 до 100 мА с шагом 1 мА, выбор длительности импульсов от 100 до 1000 мкс с шагом 50 мкс. Введенные пользователем данные обрабатываются узлом управления 8, выполненном на микроконтроллере, в результате чего выбранные параметры отображаются на ЖК-дисплее 10, а также формируются управляющие воздействия на двухканальный цифроаналоговый преобразователь 11 в виде заданной пользователем амплитуды анодного и, рассчитанного программой, катодного импульсов в цифровом коде, на управляющие входы инвертора 16 в виде последовательности импульсов, следующих с заданной пользователем частотой и длительностью импульсов, а также на управляющие входы селекторов анодных электродов 15 и катодных электродов 14 в виде управляющей последовательности активации каналов, заданной пользователем. Цифровые коды, поступающие на входы двухканального ЦАП, пропорционально преобразуются в напряжение и поступают на соответствующие входы преобразователей напряжение – ток 12, 13, при этом на вход преобразователя 12, формирующего анодный ток, поступает напряжение с выхода первого канала ЦАП, а на вход преобразователя 13, который формирует катодный ток, с выхода второго канала ЦАП. Импульсы, поступающие на управляющие входы инвертора открывают поочередно ключи 16.1, 16.4 на длительность tи/2, формируя катодный ток, а импульсы, поступающие на ключи 16.2, 16.4 длительностью tи, формируют анодный ток. В паузе между импульсами все ключи закрыты, тем самым обеспечивая изоляцию электродов от цепи стимуляции.
Встроенный аккумулятор с напряжением питания +9В обеспечивает питание цифровой части устройства посредством стабилизатора питания 2 с выходным напряжением +5В и является входным напряжением для обратноходового преобразователя 4 с выходным напряжением +100 В, обеспечивающим максимальный ток 100 мА на номинальной нагрузке 1 кОм.
По сигналу пользователя, введенного с помощью органов управления 9, узел управления 8 генерирует управляющее воздействия на вход коммутационного ключа 3, который открывается и обеспечивает соединение встроенного источника электропитания 1 и обратноходового преобразователя 4, после чего в цепи пациента начинает протекать импульсный ток с соответствующими параметрами в течение 13 секунд, затем узел управления 8 размыкает коммутационный ключ 3, разрывая цепь пациента, и устройство переходит на 10 минут в энергосберегающий неактивный режим, после этого вновь наступает 13 секундный период стимуляции и так до тех пор пока пользователь не выключит устройство, либо не произойдет один из аварийных режимов.
В заявленном устройстве предусмотрена защита от 4 аварийных состояний:
1. Протекание тока любой формы, полярности и длительности, с амплитудой свыше предельно допустимой (100 мА). Устройство аварийного контроля – блок максимальной токовой защиты 5, выполненный в виде предохранителя, разрывающий цепь пациента в случае наступления аварийного режима. Также его функцию дублирует узел управления 8, который в случае фиксации предельного уровня напряжения с выхода датчика тока 6, вырабатывает управляющее воздействие на коммутационный ключ 3, разрывая цепь пациента.
2. Протекание тока любой амплитуды и полярности постоянной длительности свыше предельно допустимой (50 мс). Устройство аварийного контроля – блок монотонной токовой защиты 7. Импульсы с выхода датчика тока 6 (фиг. 3, точка А), выполненном на дифференциальном усилителе, поступают на вход интегратора и пикового детектора. При нормальном режиме работы уровень напряжения на инвертирующем входе компаратора DA3 (фиг. 3, точка В) меньше, чем на неинвертирущем входе (фиг. 3, точка Б), потому что пиковое значение импульсов с коэффициентом деления 0.8 всегда больше чем постоянная составляющая (так как на выходе интегратора среднее значение импульсов, а коэффициент заполнения всегда меньше 10%) и на выходе компаратора (фиг. 3, точка Г) поддерживается уровень логической единицы. В случае описанного аварийного режима за счет того, что по выходу пикового детектора (DA1, C3, R4, R5) установлен буферный усилитель, выход которого подключен к резистивному делителю (R6, R7), спустя время переходного процесса не более 50 мс уровень напряжения на инвертирующем входе компаратора DA3 становится больше, чем на неинвертирующем и компаратор переключит свое выходное состояние на уровень логического нуля, что будет являться сигналом сброса для триггера DD1, сигнал с выхода которого (фиг. 3, точка Д) поступит на вход коммутационного ключа, который разомкнет цепь питания.
3. Подача в цепь пациента тока при включении стимуляции, но без предварительной установки амплитуды на минимальный уровень. Устройство контроля – блок минимальной токовой защиты. Его реализация заключается в принудительном программном сбросе амплитуды стимуляции при включении питания узлом управления.
4. Протекание тока в цепи пациента, отличающееся от заданного более чем на 5%. Устройство контроля – узел управления 8, который считывает текущую амплитуду импульсов с датчика тока 6 и сравнивает с установленной. В случае расхождения менее чем на 5%, узел управления подстраивает текущий ток под выставленный, путем корректировки цифрового кода, отправляемого на ЦАП 11. В случае расхождения более чем на 5%, узел управления размыкает цепь пациента, путем подачи управляющего воздействия на коммутационный ключ 3 и выдает на ЖК-дисплей 10 сообщение об ошибке.
Список литературы:
1. Prevention of pressure-induced deep tissue injury using intermittent electrical stimulation/ Leandro R. Solis, Daniel P. Hallihan, Richard R. E. Uwiera, Richard B. Thompson, Enid D. Pehowich, and Vivian K. Mushahwar. Journal of Applied Physiology 2007 102:5, 1992-2001
2. Arora M, Harvey LA, Glinsky JV, Nier L, Lavrencic L, Kifley A, Cameron ID. Electrical stimulation for treating pressure ulcers. Cochrane Database Syst Rev. 2020 Jan 22
3. Solis LR, Liggins A, Uwiera RR, Poppe N, Pehowich E, Seres P, Thompson RB, Mushahwar VK. Distribution of internal pressure around bony prominences: implications to deep tissue injury and effectiveness of intermittent electrical stimulation. Ann Biomed Eng. 2012 Aug;40(8):1740-59. doi: 10.1007/s10439-012-0529-0. Epub 2012 Feb 22. PMID: 22354272.
| название | год | авторы | номер документа |
|---|---|---|---|
| ЭЛЕКТРОСТИМУЛЯТОР | 2001 |
|
RU2226115C2 |
| ЭЛЕКТРОСТИМУЛЯТОР | 1993 |
|
RU2121380C1 |
| ЭЛЕКТРОСТИМУЛЯТОР | 2004 |
|
RU2277428C2 |
| УСТРОЙСТВО ДЛЯ ПОИСКА ВИТКОВЫХ ЗАМЫКАНИЙ В КАТУШКАХ ИНДУКТИВНОСТЕЙ | 2016 |
|
RU2659310C1 |
| Способ компенсации искажения формы импульсов | 2022 |
|
RU2795505C1 |
| УСТРОЙСТВО И СПОСОБ ОСВЕЩЕНИЯ НА ОСНОВЕ СИД С ВЫСОКИМ КОЭФФИЦИЕНТОМ МОЩНОСТИ | 2008 |
|
RU2479955C2 |
| Устройство для возбуждения синхронной электрической машиной | 1988 |
|
SU1674344A1 |
| УСТРОЙСТВО ДЛЯ ПЛАЗМЕННО-ЭЛЕКТРОЛИТИЧЕСКОГО ОКСИДИРОВАНИЯ ВЕНТИЛЬНЫХ МЕТАЛЛОВ И ИХ СПЛАВОВ | 2014 |
|
RU2584058C1 |
| УСТРОЙСТВО МНОГОУРОВНЕВОЙ ЗАЩИТЫ ДВУНАПРАВЛЕННОГО ИНВЕРТОРА НАПРЯЖЕНИЯ | 2011 |
|
RU2456739C1 |
| ЭЛЕКТРОСТИМУЛЯТОР | 2013 |
|
RU2547796C1 |
Изобретение относится к медицинской технике. Токовое электростимулирующее устройство для профилактики пролежней содержит источник питания, узел управления, органы управления, ЖК-дисплей, цифроаналоговый преобразователь, узел измерения тока в цепи пациента, блок минимальной токовой защиты, блок максимальной токовой защиты, блок монотонной токовой защиты. Узел формирования импульсов стимуляции устройства включает инвертор в виде моста из четырех твердотельных оптореле, два преобразователя напряжение – ток, два селектора анодных и катодных электродов. Узел управления выполнен на микроконтроллере с возможностью генерировать на выходе четырёх каналов поочередно протокол стимуляции. Протокол представляет собой электрический ток прямоугольной сбалансированной по заряду формы с регулируемой амплитудой анодного импульса А, автоматически настраиваемой амплитудой катодного импульса А/2, регулируемой длительностью анодного импульса tи, автоматически настраиваемой длительностью катодного импульса 2tи, регулируемой частотой следования импульсов. Импульсы следуют пачками с длительностью 3 секунды, перерывом 2 секунды в течение 13 секунд, с последующим 10 минутным перерывом, в течение которого электростимулятор переходит в неактивное состояние. Достигается снижение риска развития пролежней у малоподвижных пациентов с временной или пожизненной иммобилизацией, а также повышение безопасности для расширения возможностей применения устройства в домашних условиях без внешнего надзора круглосуточно. 3 з.п. ф-лы, 4 ил.
1. Токовое электростимулирующее устройство для профилактики пролежней, содержащее источник питания, узел управления, органы управления, ЖК-дисплей, цифроаналоговый преобразователь, узел измерения тока в цепи пациента, блок минимальной токовой защиты, блок максимальной токовой защиты, блок монотонной токовой защиты, узел формирования импульсов стимуляции, включающий инвертор, представляющий собой мост из четырех твердотельных оптореле, два преобразователя напряжение – ток, два селектора анодных и катодных электродов, выполненных с возможностью переключения стимуляции по четырем каналам, при этом выходы узла управления соединены с управляющими входами инвертора, цифроаналогового преобразователя и датчиком тока, блок монотонной токовой защиты включает интегратор и пиковый детектор, входы которых соединены с выходом датчика тока, представляющего собой дифференциальный усилитель токового шунта, при этом выход интегратора подключен к инвертирующему входу компаратора, а выход пикового детектора подключен через буфер к резистивному делителю напряжения с коэффициентом деления К=0,8, выход которого подключен к неинвертирующему входу компаратора, выход которого соединен с входом триггера, вырабатывающего управляющее воздействие для коммутационного ключа, узел управления выполнен на микроконтроллере с возможностью генерировать на выходе четырёх каналов поочередно протокол стимуляции, представляющий собой электрический ток прямоугольной сбалансированной по заряду формы с регулируемой амплитудой анодного импульса величиной А, автоматически настраиваемой микроконтроллером амплитудой катодного импульса величиной А/2, регулируемой длительностью анодного импульса tи, автоматически настраиваемой микроконтроллером длительностью катодного импульса 2tи, регулируемой частотой следования импульсов, следующих пачками с длительностью 3 секунды, перерывом 2 секунды в течение 13 секунд, с последующим 10 минутным перерывом, в течение которого электростимулятор переходит в неактивное состояние.
2. Токовое электростимулирующее устройство по п.1, отличающееся тем, что дополнительно содержит коммутационный ключ, выполненный с возможностью размыкать цепь питания и цепь пациента.
3. Токовое электростимулирующее устройство по п.1, отличающееся тем, что цифроаналоговый преобразователь имеет два канала, соединенные с двумя преобразователями напряжение – ток.
4. Токовое электростимулирующее устройство по п.1, отличающееся тем, что дополнительно содержит обратноходовой преобразователь, с выходным напряжением +100 В, выполненный с возможностью обеспечивать максимальный ток 100 мА на номинальной нагрузке 1 кОм при питании от встроенного аккумулятора +9 В.
| Электропривод ленточной машины | 1961 |
|
SU145922A1 |
| СПОСОБ И УСТРОЙСТВА ЭЛЕКТРОСТИМУЛЯЦИИ | 1999 |
|
RU2207161C2 |
| Способ лечения ран и устройство для его осуществления | 1990 |
|
SU1754125A1 |
| CN 215132091 U, 14.12.2021 | |||
| US 6941173 B2, 06.09.2005 | |||
| JP 2001029481 A, 06.02.2001. | |||
Авторы
Даты
2024-12-26—Публикация
2024-01-16—Подача