Изобретение относится к электротехнике и предназначено для повышения безопасности эксплуатации промышленных электротехнических комплексов, в частности, систем электроснабжения шахтных технологических участков в случае повреждения изоляции фазного проводника кабеля электропитания асинхронного двигателя, не присоединенного к заземлению, включая состояние контакта фазного проводника с металлическим корпусом двигателя.
В настоящее время защита персонала промышленного технологического участка от электропоражения в случае возникновения контакта фазного проводника с металлическим корпусом электроустановки осуществляется заземлением этого корпуса. Применительно к системе электроснабжения участка шахты для заземления корпусов технологического оборудования, перемещаемого в процессе эксплуатации, используют центральные провода (заземляющие жилы) гибких экранированных кабелей, подключая их металлическим корпусам электродвигателей этого оборудования и к заземленным металлическим корпусам пускателей. Это согласуется с п. 1.4.1 ГОСТ 28298-89. Заземление шахтного электрооборудования. Технические требования и методы контроля: - М.: Стандартинформ, 2005. - 7 с., согласно которому, «для передвижных машин и забойных конвейеров должен предусматриваться непрерывный автоматический контроль заземления путем использования заземляющей жилы». В то же время, это противоречит п. 1.4.2 этого же нормативного документа, согласно которому «не допускается использовать корпусы электрооборудования в качестве заземляющих проводников».
Принципиально важным является то, что в результате контакта по всей длине кабеля его центрального провода с изолированными фазными проводниками между фазами сети и центральным проводом возникают емкостные проводимости. Присоединение центральных проводов кабелей к заземлениям создает, таким образом, емкостные проводимости между фазами сети и землей, что предопределяет появление опасности электропоражения человека при касании к фазе сети даже в режиме изолированной нейтрали трансформатора и этим обусловливает целесообразность принципиального изменения концепции построения системы электроснабжения участка шахты в части неприсоединения центральных проводов гибких кабелей к заземлениям и применения локальных технических средств выявления повреждения в кабельных присоединениях статоров асинхронных двигателей, включая контакты фаз с их металлическими корпусами, и их защитного отключения (Денисова Е.В., Гуляева И.Б., Маренич М.К. Специфика заземления электрооборудования участка шахты в контексте соответствия критерию эффективности защиты персонала от электропоражения. Горная промышленность №4/2022. - С. 110-118).
Известно устройство активной защиты от попадания фазового напряжения на корпус прибора и поражения током, состоящее из индикатора попадания фазового напряжения на корпус прибора, работающего на принципе использования токов смещения и состоящего из последовательно соединенных между собой согласующего сопротивления, газоразрядной лампы и изолированного от корпуса конденсатора, при присоединении согласующего сопротивления одним концом к корпусу прибора, а также содержащего фотоэлектрический преобразователь, преобразующий световой сигнал газоразрядной лампы в электрический сигнал, и релейное исполнительное устройство, управляемое фотоэлектрическим преобразователем (RU, №2273935, МПК Н02Н 3/14 (2006.01), опубл. 10.04.2006 г.).
Это устройство позволяет исключить из системы защиты использование сети заземляющих корпус проводов. Однако сложность схемы, необходимость использования источника ее электропитания, а также структурных компонентов, подверженных критическим повреждениям в условиях механических воздействия, включая вибрацию защищаемого объекта (газоразрядные лампы, фотоэлектрические преобразователи), не позволяет использовать это техническое решение применительно к эксплуатации электродвигателей технологических установок, в т.ч., нестационарных, участка шахты.
Известно устройство защиты от утечек тока на землю, применяемое в шахтных участковых электрических сетях. Оно формирует команду защитного отключения электрической сети участка шахты от источника электропитания при касании человеком фазы, находящейся под напряжением сети, либо при повреждении изоляции фазы, реагируя на появление высокой электрической проводимости цепи «фаза сети - земля» в результате контакта фазного проводника кабеля при повреждении его изоляции с заземленным центральным проводом (заземляющей жилой) кабеля (Аппараты защиты от токов утечки рудничные для сетей напряжением до 1200 В. Общие технические условия (ГОСТ 22929-78). - (действ, с 26.03.1978 г.). - М.: Гос.ком. стандартов СССР. 1978. - 16 с.).
Однако действие этого устройства изначально предполагает необходимость соединения центральных проводов гибких кабелей системы электроснабжения участка шахты с заземлениями и формирование, тем самым, электропоражающего фактора вследствие возникновения емкостной проводимости между фазами сети и землей. Кроме этого, защитная функция этого устройства распространяется не на конкретный объект, где возникло повреждение изоляции фазного проводника, а на всю электрическую сеть технологического участка.
Наиболее близким аналогом предлагаемого изобретения является устройство для выявления повреждения в кабельном присоединении статора рудничного асинхронного двигателя, состоящее из двух функциональных узлов, один из которых расположен в отсеке кабельного ввода асинхронного двигателя и содержит цепь соединенных последовательно резистора, конденсатора, обмотки первого реле, снабженного размыкающим контактом и диода, подключенную между металлическим корпусом асинхронного двигателя и узлом соединения между собой первых выводов обмоток статора этого двигателя, ко вторым выводам которых присоединены фазные проводники кабеля электропитания, в структуру которого входит также центральный провод, охватываемый по длине изолированными фазными проводниками, при этом функциональный узел расположенный в отсеке кабельныхого ввода пускателя содержит второе реле с размыкающим контактом, обмотка которого присоединена первым выводом к центральному проводу кабеля электропитания, а вторым выводом к соединенным последовательно вторым резистору, конденсатору и диоду, катод которого подключен к первым выводам трех индуктивностей, вторые выводы которых присоединены к фазным проводникам кабеля электропитания. Размыкающие контакты первого и второго реле предназначены для подключения последовательно в цепь дистанционного управления контактором пускателя. (Гуляева И.Б. Проводимость изоляции электрической сети участка шахты как фактор риска электротравматизма. Проблемные вопросы и пути их решения [Электронный ресурс] / И.Б. Гуляева, Е.С. Дубинка, М.К. Маренич, Л.А. Муфель, О.А. Демченко // Вестник Донецкого национального технического университета - Донецк: ДонНТУ, 2021. - Вып 3(25). - С. 34-47. - Режим доступа: http://vestnik.donntu.ru/dl/2021/03/guliaeva.pdf. - Загл. с экрана; Шарнопольская О.Н. Новая концепция построения системы электроснабжения участка шахты как фактор повышения конкурентоспособности производства рудничного электрооборудования / О.Н. Шарнопольская, М.К. Маренич // Регионы России в меняющемся мире: преемственность приоритетов и новые возможности: сборник материалов Междунар. науч.-практ.конф. (Чебоксары, 24 ноября 2023 г.) / гл. ред. Н.В. Морозова. - Чувашский гос.ун-т им. И.Н. Ульянова, Чебоксары: Среда, 2023. - С. 186-193. Режим доступа: https://phsreda.com/e-publications/e-publication-10550.pdf. - Загл. с экрана).
В данном устройстве предусмотрено использование локальных средств выявления повреждения в кабельном присоединении статора рудничного асинхронного двигателя. При этом центральный провод кабеля электропитания не присоединен к заземлению, что позволяет локализовать емкостные проводимости между фазными проводниками и центральным проводом непосредственно в структуре кабеля электропитания и устранить, тем самым, электропоражающий фактор, формируемый емкостными проводимостями между землей и фазами сети. В соответствии с этим техническим решением один из функциональных узлов формирует сигнал на защитное отключение рудничного асинхронного двигателя в случае возникновения контакта с его металлическим корпусом фазного проводника кабеля электропитания, а второй функциональный узел реализует функцию защитного отключения рудничного асинхронного двигателя в случае повреждения изоляции этого фазного проводника Однако, вследствие того, что функциональные узлы не связаны общим информационным каналом, это устройство отличается сложностью реализации в части передачи сигнала на отключение пускателя при срабатывании первого реле в отсеке кабельного ввода асинхронного двигателя, а также в части цепей подключения обмотки первого реле к фазным проводникам кабеля электропитания.
В основу изобретения поставлена задача усовершенствования устройства для выявления повреждения в кабельном присоединении статора рудничного асинхронного двигателя, в котором за счет создания информационного канала из структурных компонентов кабеля электропитания реализуется функция защитного отключения не присоединенного металлическим корпусом к заземлению рудничного асинхронного двигателя как в случае возникновения контакта фазного проводника кабеля электропитания с металлическим корпусом двигателя, так и в случае повреждения изоляции этого фазного проводника, что, обеспечивая безопасность эксплуатации электрооборудования, в том числе, устранение условия формирования электропоражающего фактора - емкостной проводимости между фазными проводниками кабеля электропитания и землей, приводит к упрощению технической реализации процесса выявления повреждения в кабельном присоединении статора рудничного асинхронного двигателя.
Поставленная задача решается тем, что устройство для выявления повреждения в кабельном присоединении статора рудничного асинхронного двигателя, содержащее цепь соединенных последовательно резистора, конденсатора, обмотки первого реле и диода, подключенную между металлическим корпусом асинхронного двигателя и узлом соединения между собой первых выводов фазных обмоток статора этого двигателя, ко вторым выводам которых присоединены первыми выводами фазные проводники кабеля электропитания, вторые выводы которых присоединены к силовым выводам выхода пускателя в отсеке его кабельного ввода, при этом структура кабеля электропитания содержит центральный провод, концы которого введены в отсек кабельного ввода асинхронного двигателя, а также в отсек кабельного ввода пускателя, где расположено второе реле, обмотка которого подключена первым выводом к центральному проводу кабеля, а размыкающий контакт второго реле предназначен для подключения последовательно в цепь дистанционного управления контактором пускателя, согласно изобретению, дополнительно содержит размещенные в отсеке кабельного ввода пускателя три резистора, а первое реле содержит замыкающий контакт, присоединенный между металлическим корпусом асинхронного двигателя и центральным проводом кабеля электропитания, при этом центральный провод кабеля электропитания в отсеках кабельного ввода пускателя и асинхронноого двигателя присоединен к клеммам, изолированным от металлических корпусов этих отсеков, а три упомянутых резистора первыми выводами присоединены к соответствующим силовым выводам выхода пускателя, а вторыми выводами соединены между собой и со вторым выводом обмотки второго реле.
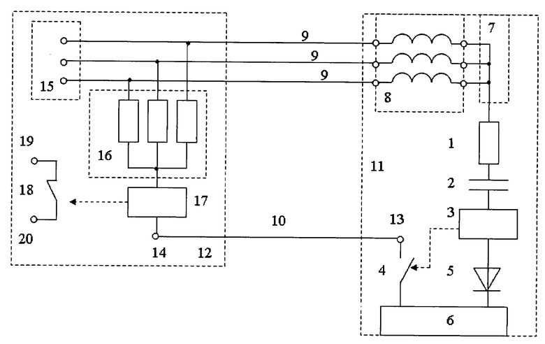
Сущность изобретения поясняется чертежом, где представлена схема устройства для выявления повреждения в кабельном присоединении статора рудничного асинхронного двигателя. Устройство содержит цепь соединенных последовательно резистора 1, конденсатора 2, обмотки 3 первого реле с замыкающим контактом 4 и диода 5, подключенную между металлическим корпусом 6 асинхронного двигателя и узлом 7 соединения между собой первых выводов фазных обмоток 8 статора двигателя. Ко вторым выводам фазных обмоток 8 присоединены первыми выводами фазные проводники 9 кабеля электропитания асинхронного двигателя. В структуру этого кабеля входит неизолированный центральный провод 10, охватываемый по всей длине кабеля его изолированными фазными проводниками 9. Концы центрального провода 10 ведены в отсек кабельного ввода 11 асинхронного двигателя, а также в отсек кабельного ввода 12 пускателя, где присоединены к изолированным от металлических корпусов указанных отсеков клеммам, соответственно, 13 и 14. Таким образом, центральный провод 10 не имеет контакта ни с металлическими корпусами пускателя и асинхронного двигателя, ни с сетью заземления. Фазные проводники 9 своими вторыми входами присоединены к силовым выводам 15 пускателя в отсеке 12 его кабельного ввода. В этом же отсеке 12 расположены три резистора 16, а также второе реле, представленное обмоткой 17 и размыкающим контактом 18. Указанные резисторы 16 своими первыми выводами присоединены к силовым выводам 15 пускателя, где подключены ко вторым выводам фазных проводников 9 кабеля электропитания асинхронного двигателя, а вторыми выводами присоединены к первому выводу обмотки 17 второго реле, второй вывод которой присоединен к клемме 14 присоединения центрального провода 10 кабеля электропитания асинхронного двигателя в отсеке 12 кабельного ввода пускателя. При этом, размыкающий контакт 18 второго реле предназначен для подключения последовательно в цепь дистанционного управления контактором пускателя через клеммы 19 и 20, а замыкающий контакт 4 первого электромагнитного реле соединен между металлическим корпусом 6 асинхронного двигателя и клеммой 13 присоединения центрального провода 10 кабеля электропитания этого двигателя в отсеке 11 его кабельного ввода.
Действие заявляемого устройства поясняется следующим. В структуре системы электроснабжения участка шахты центральный провод 10 гибкого кабеля электропитания каждого рудничного асинхронного двигателя (элетропотребителя) не присоединен к заземлению, его концы закреплены на изолированных от металлических корпусов клеммах 13 и 14 в отсеках 11 и 12 кабельного ввода соответственно, асинхронного двигателя (с одной стороны) и пускателя (с другой стороны). В штатном режиме эксплуатации напряжение сети подается от силовых выводов 15 пускателя через фазные проводники 9 кабеля электропитания на обмотки 8 статора асинхронного двигателя. При этом потенциалы точки соединения между собой вторых выводов резисторов 16, а также узла 7 соединения первых выводов фазных обмоток 8 статора асинхронного двигателя равны нулю, и токи через обмотки 3 и 17, соответственного, первого и второго реле не протекают.
В случае повреждения изоляции фазного проводника 9 кабеля электропитания асинхронного двигателя возникает контакт этого проводника в точке повреждения с центральным проводом 10 кабеля. Этим создается путь тока через обмотку 17 второго реле, что приводит к срабатыванию последнего, размыканию контакта 18 в цепи дистанционного управления контактором пускателя между клеммами 19 и 20 и к отключению пускателя.
В случае контакта фазного проводника 9 кабеля электропитания асинхронного двигателя с металлическим корпусом 6 двигателя создается путь тока через обмотку 3 первого реле, что приводит к срабатыванию последнего и замыканию его контакта 4. При этом, через замкнутый контакт 4 создается путь тока через клемму 13, центральный провод 10, клемму 14 и обмотку 17 второго реле. Данное реле срабатывает, размыкает свой контакт 18 между клеммами 19 и 20 в цепи дистанционного управления контактором пускателя, что приводит к его отключению.
Наличие конденсатора 2 и диода 5 в структуре последовательной цепи между корпусом 6 асинхронного двигателя и контактом 7 соединения между собой первых выводов обмоток 8 его статора исключает воздействие заявляемого устройства на работу защиты от утечек тока на землю в шахтной участковой электрической сети. Прохождению постоянного оперативного тока этой защиты на металлический корпус двигателя и на землю (при наличии переходного сопротивления между корпусом двигателя и землей) препятствуют диод 5 и конденсатор 2. Кроме этого, наличие конденсатора 2 и диода 5 является средством отделения силовых цепей электропитания асинхронного двигателя в штатном режиме эксплуатации от его корпуса, что соответствует режиму изолированной нейтрали шахтной участковой электрической сети.
Предлагаемое устройство для выявления повреждения в кабельном присоединении статора рудничного асинхронного двигателя характеризуется простотой и компактностью электрической схемы, что позволяет его адаптировать частично - в структуру конструкции асинхронного двигателя (резистор 1, конденсатор 2, реле 3, диод 5), разместив указанные элементы в отсеке 11 кабельного ввода двигателя, и частично - в структуру конструкции пускателя (три резистора 16 и второе реле с обмоткой 17 и размыкающим контактом 18), разместив указанные элементы в отсеке 12 кабельного ввода пускателя.
Таким образом, использование заявляемого устройства позволяет за счет возможности создания информационного канала из структурных компонентов кабеля электропитания рудничного асинхронного двигателя реализовать его защитное отключение как в случае возникновения контакта фазного проводника кабеля электропитания с металлическим корпусом двигателя, так и в случае повреждения изоляции этого фазного проводника и упростить техническую реализацию процесса выявления повреждения в кабельном присоединении статора рудничного асинхронного двигателя вследствие исключения необходимости применения дополнительных средств передачи информационных сигналов от структурных компонентов рудничного асинхронного двигателя к его пускателю. При этом выявление повреждения в кабельном присоединении статора рудничного асинхронного двигателя и защитное его отключение от сети осуществляется без необходимости заземления его металлического корпуса, что повышает безопасность эксплуатации электрооборудования вследствие исключения условия формирования емкостной проводимости между фазными проводниками кабеля электропитания и землей.
| название | год | авторы | номер документа |
|---|---|---|---|
| Устройство защиты от действия обратного энергетического потока асинхронного двигателя на точку повреждения в кабеле электропитания | 2023 |
|
RU2805480C1 |
| Устройство для защиты от электропоражающего действия обратной электродвижущей силы рудничного асинхронного двигателя | 2024 |
|
RU2840297C1 |
| Устройство для дистанционного управления и защиты мобильного электроагрегата | 1974 |
|
SU517109A1 |
| Устройство для защиты трехфазного электродвигателя от анормальных режимов | 1982 |
|
SU1129693A1 |
| УСТРОЙСТВО ЗАЩИТЫ ЭЛЕКТРОДВИГАТЕЛЯ | 2004 |
|
RU2291538C2 |
| Устройство для защиты трехфазного электродвигателя от аварийных режимов | 1991 |
|
SU1772863A1 |
| Устройство для защиты трехфазного электродвигателя от перегрузки и токов короткого замыкания в отходящих силовых цепях | 2024 |
|
RU2834780C1 |
| Устройство для автоматического резервирования источника питания трехфазного асинхронного двигателя | 1982 |
|
SU1034121A1 |
| УСТРОЙСТВО УПРАВЛЕНИЯ РАБОТОЙ ТРЕХФАЗНОГО АСИНХРОННОГО ДВИГАТЕЛЯ | 2009 |
|
RU2406206C1 |
| Система контроля сопротивления изоляции электрических сетей с глухозаземленной нейтралью | 2019 |
|
RU2737349C1 |
Изобретение относится к электротехнике. Технический результат заключается в упрощении выявления повреждения в кабеле электропитания рудничного асинхронного двигателя как в случае контакта фазного проводника кабеля электропитания с металлическим корпусом двигателя, так и в случае повреждения изоляции фазного проводника. Устройство для выявления повреждения в кабельном присоединении статора рудничного асинхронного двигателя содержит цепь соединенных последовательно резистора, конденсатора, обмотки первого реле и диода, подключенную между металлическим корпусом асинхронного двигателя и узлом соединения между собой первых выводов фазных обмоток статора этого двигателя, ко вторым выводам которых присоединены первыми выводами фазные проводники кабеля электропитания. Вторые выводы фазных проводников кабеля присоединены к силовым выводам выхода пускателя в отсеке его кабельного ввода. Структура кабеля электропитания содержит центральный провод, концы которого введены в отсек кабельного ввода асинхронного двигателя, а также в отсек кабельного ввода пускателя, где расположено второе реле, обмотка которого подключена первым выводом к центральному проводу кабеля, а размыкающий контакт второго реле предназначен для подключения последовательно в цепь дистанционного управления контактором пускателя. Устройство дополнительно содержит размещенные в отсеке кабельного ввода пускателя три резистора. Первое реле содержит замыкающий контакт, присоединенный между металлическим корпусом асинхронного двигателя и центральным проводом кабеля электропитания. Центральный провод кабеля электропитания в отсеках кабельного ввода пускателя и асинхронного двигателя присоединен к клеммам, изолированным от металлических корпусов этих отсеков. Три упомянутых резистора первыми выводами присоединены к соответствующим силовым выводам выхода пускателя, а вторыми выводами соединены между собой и со вторым выводом обмотки второго реле. 1 ил.
Устройство для выявления повреждения в кабельном присоединении статора рудничного асинхронного двигателя, содержащее цепь соединенных последовательно резистора, конденсатора, обмотки первого реле и диода, подключенную между металлическим корпусом асинхронного двигателя и узлом соединения между собой первых выводов фазных обмоток статора этого двигателя, ко вторым выводам которых присоединены первыми выводами фазные проводники кабеля электропитания, вторые выводы которых присоединены к силовым выводам выхода пускателя в отсеке его кабельного ввода, при этом структура кабеля электропитания содержит центральный провод, концы которого введены в отсек кабельного ввода асинхронного двигателя, а также в отсек кабельного ввода пускателя, где расположено второе реле, обмотка которого подключена первым выводом к центральному проводу кабеля, а размыкающий контакт второго реле предназначен для подключения последовательно в цепь дистанционного управления контактором пускателя, отличающееся тем, что устройство дополнительно содержит размещенные в отсеке кабельного ввода пускателя три резистора, а первое реле содержит замыкающий контакт, присоединенный между металлическим корпусом асинхронного двигателя и центральным проводом кабеля электропитания, при этом центральный провод кабеля электропитания в отсеках кабельного ввода пускателя и асинхронного двигателя присоединен к клеммам, изолированным от металлических корпусов этих отсеков, а три упомянутых резистора первыми выводами присоединены к соответствующим силовым выводам выхода пускателя, а вторыми выводами соединены между собой и со вторым выводом обмотки второго реле.
| Устройство защиты от действия обратного энергетического потока асинхронного двигателя на точку повреждения в кабеле электропитания | 2023 |
|
RU2805480C1 |
| CN 218040782 U, 13.12.2022 | |||
| УСТРОЙСТВО ДЛЯ ЗАЩИТНОГО ОТКЛЮЧЕНИЯ ЭЛЕКТРОУСТАНОВКИ ОТ СЕТИ ПЕРЕМЕННОГО ТОКА С ТРЕМЯ ФАЗНЫМИ ПРОВОДАМИ И НУЛЕВЫМ ПРОВОДОМ | 1992 |
|
RU2017299C1 |
| US 4644255 A, 17.02.1987 | |||
| Строительный кран | 1951 |
|
SU100342A1 |
Авторы
Даты
2024-12-28—Публикация
2024-04-09—Подача