УСТРОЙСТВО ДЛЯ ПРИГОТОВЛЕНИЯ ЭМУЛЬСИЙ Российский патент 2025 года по МПК B01F27/27 B01F25/452 B01F27/1151 B01F27/90 

Описание патента на изобретение RU2834070C1

Изобретение относится к устройствам для проведения гетерогенных процессов в жидких средах и может найти применение для приготовления эмульсий и перемешиваний.

Известен роторно-пульсационный аппарат, патент 2636486, мпк B01F 3/08, который содержит рабочую камеру, в которой установлен ротор и статор с радиальными каналами, центральная часть ротора имеет форму усеченного конуса, где на внутренней поверхности установлены лопасти. Аппарат снабжен патрубками для подачи компонентов эмульсии и слива готовой эмульсии. Жидкость, проходя через периодически перекрывающиеся каналы ротора и статора за счет знакопеременных значений давления, подвергается тонкому диспергированию. Одноразовая обработка не всегда может обеспечить требуемое качество.

Роторный гидродинамический кавитационный аппарат для обработки жидких сред по патенту 2438769, мпк B01F 3/08, содержит корпус с патрубками подачи и отвода обрабатываемой жидкой среды и рабочей камеры. Внутри камеры установлен статор с концентрическим рядом кавитаторов и закрепленный на приводном валу ротор с кавитаторами, при этом количество кавитаторов в ряду не менее 7 и увеличивается в каждом концентрическом ряду. Во втором варианте исполнения два ротора с кавитаторами установлены на валах, вращающихся в противоположных направлениях. Кавитационный аппарат может быть использован для измельчения, диспергирования, эмульгирования и других технологических процессов. Наличие двух вращающихся в противоположных направлениях роторов усложняет конструкцию, а сам кавитационный аппарат не участвует в формировании потоков жидкости во всем объеме рабочей камеры. Наиболее близким по техническому решению и достигаемому результату является патент 1797975, мпк B01F 5/10 «Устройство для приготовления эмульсий». Устройство содержит емкость с нагревательным элементом и роторный гидродинамический излучатель с приводом вращения. Направляющая труба (экран) выполнена в виде двух коаксиально расположенных секций, нижняя закреплена на крышке статора, а верхняя секция посредством кронштейнов с поплавками, установленных на корпусе с возможностью осевого перемещения. Это позволяет осуществлять рециркуляцию всего объема рабочей жидкости, что резко повышает качество обработки и производительность. Как показал производственный опыт эксплуатации данное устройство имеет узко направленное применение и не полностью раскрывает свои возможности. Следует упростить регулировку верхней секции направляющей трубы поплавками.

Решаемая техническая задача-расширение функциональных возможностей устройства для приготовления эмульсий путем повышения эффективности работы гидродинамического излучателя.

Решаемая техническая задача в устройстве для приготовления эмульсий, содержащая емкость, в которой у днища размещен роторный гидродинамический излучатель с приводом вращения, содержащим ротор с лопастями и статор с кавитаторами и крышкой с отверстиями, на которой закреплен направляющий экран, состоящий из двух секций, нижняя секция неподвижная, а верхняя секция установлена коаксиально с нижней с возможностью перемещения в осевом направлении и с регулировкой ее положения относительно уровня жидкости поплавками, достигается тем, что к верхней секции экрана приварены пластины для болтового крепления поплавков, а на крышке в верхней ее части отверстия выполнены с фаской и расположены в концентрических рядах на окружности, где диаметр каждого отверстия соответствует ширине лопасти на данной окружности, отверстия смещены относительно друг друга на угол α, обеспечивающий работу каждого отверстия автономно или отверстия в концентрических рядах расположены по радиусу для создания колебаний с одной фазой и с одной частотой.

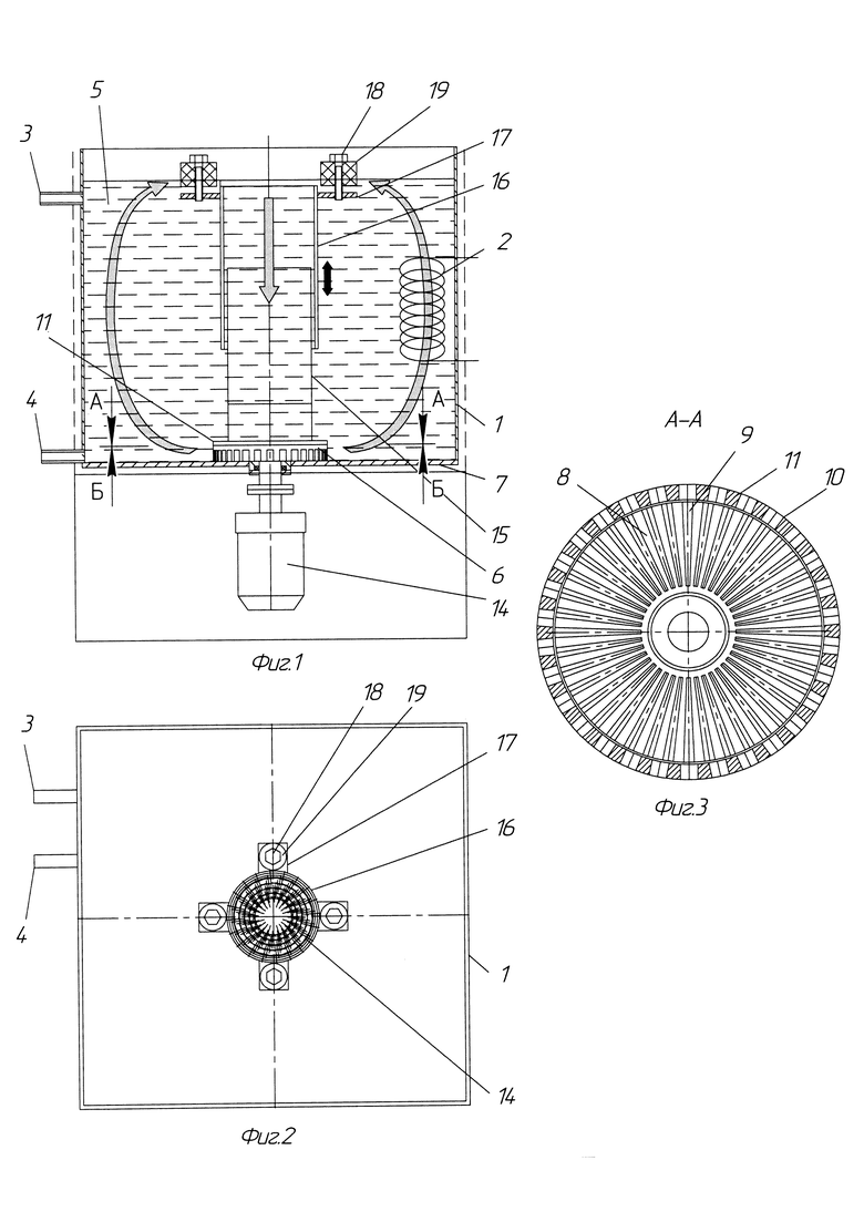
На фиг. 1 представлен общий вид устройства для приготовления эмульсий; на фиг. 2 - то же, вид сверху; на фиг. 3 - сечение А-А на фиг. 1; на фиг. 4 - сечение Б-Б на фиг. 1; на фиг. 5 - место В на фиг. 4; вариант 1 расположения отверстий на крышке; на фиг. 6 - сечение Б-Б на фиг. 1; на фиг. 7 - место В на фиг. 6, вариант 2. Устройство для приготовления эмульсий содержит емкость 1 для жидких сред, нагревательный элемент 2, патрубки 3, 4 для отвода и подачи жидких сред 5, роторный гидродинамический излучатель 6, установленный в днище 7 емкости 1, содержащий ротор 8 с лопастями 9, статор 10 с кавитаторами 11 и крышкой 12 с концентрическими рядами отверстий 13 и снабжен приводом вращения 14. На крышке 12 установлен направляющий экран, состоящий из двух секций неподвижной нижней 15 и верхней секции 16, установленной с возможностью перемещения в осевом направлении. В верхней секции экрана приварены пластины 17 для болтового крепления 18 поплавков 19 (фиг. 1-3). Отверстия 13 на крышке 12 в верхней части выполнены с фаской и расположены концентрическими рядами. Каждое отверстие смещено относительно друг друга на угол а, обеспечивающим автономную работу каждого отверстия (фиг. 4, 5). Емкость 1 снабжена теплоизоляцией. Направление потоков жидкой среды показано стрелками.

Устройство работает следующим образом. В емкость 1 по патрубку 4 подается вода или другие жидкости и засыпаются порошкообразные компоненты. Включается нагреватель 2 воды или другой жидкости. После заливки воды в емкость верхняя секция экрана 16 находится на плаву с поплавками 19 (фиг. 1). Уровень погружения этой секции экрана на 1-2 см регулируется болтовым креплением 18 поплавков 19. При колебаниях уровня жидкости в емкости 1 секция 16 перемещается, а глубина погружения остается постоянной Данный вариант крепления поплавков и регулирования секцией экрана 16 прост в исполнении. При загрузке в емкость материалов с малой плотностью и плохой смачиваемостью масел, порошкообразных и других на поверхности жидкости они будут плавать. При включении привода 14 вращается ротор 8 с лопастями 9 происходит засасывание жидкой среды 5 через отверстия 13 и она разгоняется ротором 8 и выбрасывается из статора 10 с образованием упругих колебаний, которые и интенсифицируют процессы эмульгирования. Рабочая жидкость внутрь ротора поступает преимущественно с поверхностных слоев, скорость которых регулируется глубиной погружения верхней секции экрана 16 относительно уровня жидкости. Тем самым достигается рециркуляция всего объема рабочей жидкости. Этим достигается высокая производительность приготовления эмульсий, больших объемов одним излучателем. Интенсивность упругих колебаний пропорциональна квадрату частоты и квадрату амплитуды. Изменяя количество и расположение отверстий 13 на крышке 12 и статора 10, можно изменять частоту и амплитуду упругих колебаний. В концентрическах рядах отверстия 13, где каждое отверстие соответствует ширине лопасти на данной окружности и смещено относительно друг друга на угол а, где работа каждого отверстия автономна (фиг. 4, 5). При сложении колебаний одинакового направления и мало отличающихся по частоте получаются колебания с изменяющейся амплитудой, называемыми биениями (фиг. 6, 7). При этом действуют упругие колебания от кавитаторов 10. Наличие гидродинамического излучателя с широким диапазоном изменяемых частот и амплитуд и регулируемых потоков жидкости направляющим экраном позволяет эффективно интенсифицировать процессы получения эмульсий. Необходимо отметить, что упругие колебания частотой меньше ультразвуковой, отличаются своей устойчивостью и хорошим распространением в жидкой среде.

Похожие патенты RU2834070C1

название год авторы номер документа
Проточный котёл пульсирующего горения 2021
  • Намазов Мусрет Османович
  • Намазов Марат Мусретович
  • Егорочкин Руслан Алексеевич
  • Меркушев Константин Егорович
RU2767121C1
СЕТЧАТЫЙ ФИЛЬТР 2023
  • Егорочкин Руслан Алексеевич
  • Меркушев Константин Егорович
RU2838448C1
Устройство для приготовления эмульсий 1990
  • Пилягин Михаил Васильевич
  • Волкова Нина Михайловна
  • Валеев Рафаэль Камилович
  • Жданов Эдуард Аркадьевич
  • Бурлаков Вячеслав Георгиевич
SU1797975A1
ГАЗООЧИСТИТЕЛЬ 2014
  • Егорочкин Руслан Алексеевич
  • Меркушев Константин Егорович
RU2553304C2
РОТОРНЫЙ, УНИВЕРСАЛЬНЫЙ, КАВИТАЦИОННЫЙ ГЕНЕРАТОР-ДИСПЕРГАТОР 2010
  • Петраков Александр Дмитриевич
  • Петраков Евгений Александрович
RU2433873C1
РОТОРНЫЙ ГИДРОДИНАМИЧЕСКИЙ КАВИТАЦИОННЫЙ АППАРАТ 2007
  • Петраков Александр Дмитриевич
  • Радченко Сергей Михайлович
  • Яковлев Олег Павлович
RU2357791C1
РОТОРНО-ПУЛЬСАЦИОННЫЙ АППАРАТ ДЛЯ ПРИГОТОВЛЕНИЯ ВОДНО-ТОПЛИВНОЙ ЭМУЛЬСИИ 2011
  • Ломовских Александр Егорович
  • Иванов Владимир Петрович
  • Полукаров Анатолий Анатольевич
  • Капустин Дмитрий Егорович
  • Теньков Роман Станиславович
RU2509602C2
ОТСТОЙНИК ДЛЯ ОЧИСТКИ НЕФТЕСОДЕРЖАЩИХ СТОЧНЫХ ВОД 2011
  • Сахабутдинов Рифхат Зиннурович
  • Кудряшова Любовь Викторовна
  • Антонов Олег Юрьевич
  • Буслаев Евгений Сергеевич
  • Шарипов Ильшат Анасович
  • Намазов Мусрет Османвич
  • Егорочкин Руслан Алексеевич
RU2469766C1
РОТОРНЫЙ ГИДРОДИНАМИЧЕСКИЙ АППАРАТ 2015
  • Поляков Александр Алексеевич
  • Полякова Эвелина Александровна
  • Бородкин Алексей Георгиевич
RU2600049C1
РОТОРНЫЙ АППАРАТ 2011
  • Дворецкий Станислав Иванович
  • Червяков Виктор Михайлович
  • Червяков Михаил Викторович
RU2483794C2

Иллюстрации к изобретению RU 2 834 070 C1

Реферат патента 2025 года УСТРОЙСТВО ДЛЯ ПРИГОТОВЛЕНИЯ ЭМУЛЬСИЙ

Устройство предназначено для приготовления эмульсий. Устройство содержит емкость, нагреватель и роторный гидродинамический излучатель, содержащий ротор с лопастями, и статор с кавитаторами и крышкой с отверстиями, и привод вращения. На крышке закреплен направляющий экран с регулировкой его положения поплавками относительно уровня жидкости. Диаметр каждого отверстия на крышке в концентрическом ряду соответствует ширине лопасти на данной окружности, отверстия смещены относительно друг друга на угол α для автономной работы каждого отверстия, или отверстия в концентрических рядах расположены по радиусу для создания колебаний с одной частотой и одной фазой. Устройство позволяет изменять в широком диапазоне частоты и амплитуды упругих колебаний и управлять рециркуляцией потоков жидкости в емкости. Технический результат изобретения - расширение функциональных возможностей устройства за счет повышения эффективности работы гидродинамического излучателя и регулирования потоками жидкости направляющим экраном. 7 ил.

Формула изобретения RU 2 834 070 C1

Устройство для приготовления эмульсий, содержащее емкость, в которой у днища размещен роторный гидродинамический излучатель с приводом вращения, содержащим ротор с лопастями и статор с кавитаторами и крышкой с отверстиями, на которой закреплен направляющий экран, состоящий из двух секций, нижняя неподвижная, а верхняя секция установлена коаксиально с нижней с возможностью перемещения в осевом направлении и с регулировкой ее положения относительно уровня жидкости поплавками, отличающееся тем, что к верхней секции экрана приварены пластины для болтового крепления поплавков, а на крышке в верхней ее части отверстия выполнены с фаской и расположены в концентрических рядах на окружности, где диаметр каждого отверстия соответствует ширине лопасти на данной окружности, отверстия смещены относительно друг друга на угол α, обеспечивающий работу каждого отверстия автономно, или отверстия в концентрическах рядах расположены по радиусу для создания однофазных колебаний и с одной частотой.

Документы, цитированные в отчете о поиске Патент 2025 года RU2834070C1

Устройство для приготовления эмульсий 1990
  • Пилягин Михаил Васильевич
  • Волкова Нина Михайловна
  • Валеев Рафаэль Камилович
  • Жданов Эдуард Аркадьевич
  • Бурлаков Вячеслав Георгиевич
SU1797975A1
Роторно-пульсационный аппарат 1985
  • Фомин Владимир Михайлович
  • Аюпов Ринат Шайхиевич
  • Семенюк Леонид Николаевич
  • Сайфуллин Мирзакрам Гараевич
  • Хасанов Рим Зинятович
SU1378905A1
СПОСОБ И УСТРОЙСТВО ДЛЯ СМЕШИВАНИЯ 2000
  • Стелцер К. Эккехард
  • Виттек Аксель
RU2245188C2
GB 2075352 A, 18.11.1981
US 4564333 A1, 14.01.1986.

RU 2 834 070 C1

Авторы

Намазов Мусрет Османович

Пилягин Михаил Васильевич

Егорочкин Руслан Алексеевич

Меркушев Константин Егорович

Намазов Марат Мусретович

Даты

2025-02-03Публикация

2024-04-09Подача