Изобретение относится к области химической технологии, в частности к способам и устройствам для электролиза воды и разбавленных водных растворов хлоридов щелочных металлов, и может использоваться в водоподготовке, медицине, фармацевтике, сельском хозяйстве, в пищевой, нефтегазовой и химической промышленностях в процессах дезинфекции, предстерилизационной очистки, стерилизации, мойки, экстракции и безреагентного регулировании окислительно-восстановительного равновесия жидкостей, в частности культуральных сред микроорганизмов.
Продуктами электролиза разбавленных растворов хлоридов щелочных металлов и питьевой воды являются электрохимически активированный анолит (целевой продукт), преимущественно представляющий собой маломинерализованную воду (с содержанием ионов электролитов 2-5 г/л) с выраженными электронакцепторными свойствами за счет присутствия метастабильных продуктов анодных электрохимических реакций – оксидантов, представленных хлоркислородными и гидропероксидными соединениями, и электрохимически активированный католит (побочный продукт), преимущественно представляющий собой маломинерализованную воду с повышенным значением рН (более 9) и выраженными электродонорными свойствами за счет присутствия метастабильных продуктов катодных электрохимических реакций, в частности, ионов НО2¯, О2¯, ОН¯, H3O2¯, NaH и других.
Известно устройство для получения моющих и дезинфицирующих растворов (Патент РФ № 2088539, опубл. 27.08. 1997) [1], в котором реализован процесс электрохимической обработки водного раствора хлорида натрия с минерализацией от 2 до 5 г/л в катодной камере проточного модульного электрохимического реактора (диафрагменного проточного электролизера) с последующим отделением и удалением в дренаж небольшой части прошедшего катодную обработку раствора и образовавшегося в катодной камере водорода и завершающей электрохимической обработки основного объема раствора в анодной камере этого же реактора для получения на выходе анодной камеры дезинфицирующего средства - Анолита АНК (Бахир В.М., Прилуцкий В.И., Паничева С.А., Шомовская Н.Ю. Анолит АНК: эволюция совершенствования и анализ перспектив применения, Медицинский алфавит. Больница. – 2008. - №3. – с. 47-53) [2]. Недостатками известного способа являются бесполезные затраты электроэнергии на окисление соединений, подвергшихся восстановлению в катодной камере, а также ускоренный износ анодного покрытия при работе в щелочной среде. Время сохранения биоцидной активности анолитом, полученным указанным способом, не превышает пяти дней и тем меньше, чем выше минерализация исходного раствора. Еще одним недостатком устройства и реализуемого с его помощью процесса является отсутствие возможности точной и сохраняющейся во времени настройки устройства на синтез растворов с заданными параметрами ввиду всегда имеющих место колебаний во времени химического состава пресной воды из напорного водоисточника и неравномерности подачи солевого насоса. Одним из существенных недостатков является отсутствие возможности корректирования химического состава и свойств полученного дезинфицирующего раствора в этом же устройстве.
Известен способ получения дезинфицирующего раствора (Патент РФ № 2208589, опубл. 20.07.2003) [3], включающий обработку исходного водного раствора хлорида натрия в катодной камере основного диафрагменного электрохимического реактора, разделение потока обработанного раствора на две части, одну из которых выводят из цикла обработки, а другую подают на обработку в анодную камеру того же реактора, при этом после обработки в катодной камере основного реактора и перед разделением поток последовательно обрабатывают в катодной и анодной камерах дополнительного диафрагменного электрохимического реактора.
Недостатком известного решения является использование внешнего напорного источника воды, который не обеспечивает постоянства химического состава воды, давления (скорости протока), температуры при длительной работе, что в свою очередь приводит к изменению функциональных свойств анолита. Способ не предусматривает возможность корректировки свойств и параметров анолита. Кроме того, проток раствора с pH более 10 через анодные камеры приводит к ускоренному износу анодного покрытия реакторов (модульных элементов). Поскольку минерализация биоцидного раствора превышает 2 грамма на литр и преимущественно находится в диапазоне от 2 до 4 г/л, то время сохранения биоцидной активности, оцениваемое по способности уничтожать споровые формы микроорганизмов (Погорелов А.Г. и др. Биологические мишени зелёной электрохимии в технологиях пищевых производств: концепция, методы, приложения. [Монография, ФГБУН "Институт теоретической и экспериментальной биофизики РАН"]. - М.: Издательство ООО "Франтера", 2022, с. 12 - 50) [4], также не превышает трех-пяти дней.
В качестве наиболее близкого аналога к заявляемому техническому решению выбран способ получения продуктов анодного окисления раствора хлорида щелочного металла электролизом исходного раствора хлорида щелочного металла в диафрагменном электрохимическом реакторе, электроды которого разделены мелкопористой диафрагмой на анодную и катодную камеры, который осуществляется путем протока исходного раствора хлорида щелочного металла только через анодную камеру электрохимического реактора и выводе продуктов анодного окисления из анодной камеры. В качестве исходного раствора используют раствор хлорида щелочного металла концентрацией 10-30 г/л, в катодную камеру реактора подают пресную воду (Патент РФ №2321681, опубл. 10.04.2008) [5].
В качестве наиболее близкого аналога к заявляемому устройству выбрана установка электрохимического синтеза активированных водных растворов оксидантов (Патент РФ №2326054, опубл. 10.06.2008) [6], содержащая диафрагменный электрохимический реактор, электроды которого разделены мелкопористой диафрагмой на анодную и катодную камеры с входами и выходами, сепаратор для разделения газовой и жидкой фазы католита с входом в средней части и выходами в верхней и нижней частях. Выход катодной камеры реактора соединен с входом сепаратора, выполненного в виде флотационного реактора. Установка также содержит линию подачи пресной воды, линию подачи концентрированного раствора хлорида щелочного металла, узел для смешивания пресной воды и концентрированного раствора хлорида щелочного металла, линию отвода водного раствора оксидантов и линию вывода в дренаж с установленным на ней регулировочным вентилем, соединенную с верхним выводом сепаратора. На линии подачи пресной воды перед входом катодной камеры установлен водоструйный насос, и всасывающая линия насоса соединена с нижним выходом флотационного реактора, а выход насоса соединен с входом катодной камеры. Узел для смешивания пресной воды и концентрированного раствора хлорида щелочного металла выполнен с двумя входами и выходом, причем один вход соединен с линией подачи концентрированного раствора хлорида щелочного металла и на линии соединения установлен дозировочный насос. Второй вход узла для смешивания пресной воды и раствора хлорида соединен дополнительной линией с линией подачи пресной воды.
Недостатком наиболее близкого аналога является сложность гидравлической схемы установки. Разнофакторное влияние свойств и состояния жидких и газообразных компонентов системы, непрерывно изменяющихся во время работы устройства, требует высокого профессионального уровня персонала и сопряжено со значительной трудоемкостью процесса настройки оптимального режима синтеза анолита. Самопроизвольные изменения концентрации электролитов в питающей пресной воде, а также ее температуры даже при постоянной скорости протока приводят к отклонениям параметров продуктов, вырабатываемых электрохимической системой, от заданных значений: концентрации и составу оксидантов в анолите, значению рН, окислительно-восстановительного потенциала, и, как следствие, к изменению антимикробных свойств анолита, его коррозионной активности, времени сохранения метастабильного состояния активно действующих веществ (АДВ) - гидропероксидных и хлоркислородных оксидантов, являющихся в норме веществами - антагонистами. Те же факторы нестабильности системы обусловливают изменение химического состава, рН и окислительно - восстановительного потенциала католита, что, как следствие, отражается на его гидратирующей способности, активности в реакциях омыления и экстракции. Большая инерционность электрохимической системы препятствует точному регулированию вне зависимости от вида управляющего воздействия - автоматического или ручного. При этом большую роль в нарушении стабильной работы электрохимической системы играют внутренние флуктуации газо-жидкостной смеси в процессе электрохимического воздействия, поскольку сопровождаются перепадами давления, температуры и скорости потоков в электродных камерах электрохимических реакторов. При работе в оптимальных условиях устройство обеспечивает получение анолита с минерализацией в диапазоне от 1,5-2,5 г/л, что обеспечивает сохранение его биоцидной активности в течение 5-7 дней. Общим недостатком способов и устройств как аналогов, так и прототипа является отсутствие возможности управления процессами синтеза электрохимически активированных анолита и католита с учетом времени протекания реакций диспропорционирования газообразного хлора при растворении его в воде с содержащимися в ней продуктами электрохимического разложения собственно воды и имеющихся в ней минеральных микропримесей (сульфатов, карбонатов, гидрокарбонатов). Эти примеси оказывают большое влияние на образование пероксида водорода и озона, представляющих комплекс АДВ анолита. Выделившийся на аноде хлор не растворяется мгновенно в воде, но с зависящей от различных факторов (температуры воды, интенсивности перемешивания) скоростью вступает с ней в реакцию диспропорционирования, образуя две различные по силе кислоты: хлорноватистую (HClO) и соляную (HCl):
Cl2 + H2O ↔ HClO + HCl.
Важной задачей является не допустить распада хлорноватистой кислоты и обеспечить оптимальную концентрацию соляной кислоты, предотвращающую процессы щелочной и кислотной деградации хлорноватистой кислоты.
Скорость и направление распада хлорноватистой кислоты зависит от многих факторов, один из которых - рН. При увеличивающейся кислотности, связанной с увеличением концентрации соляной кислоты, происходит реакция разложения хлорноватистой кислоты с выделением синглетного кислорода:
4HClO → 2Cl2 + 1O2 + 2H2O.
В слабощелочных средах хлорноватистая кислота участвует в реакциях диспропорционирования с образованием хлорат-ионов:
2HClO + ClO– → ClO3– + 2H+ + 2Cl–;
В слабокислой среде разложение хлорноватистой кислоты происходит по схеме:
2HClO → 1O2 + 2Cl– + 2H+.
Биоцидная активность свободной хлорноватистой кислоты приблизительно в 300 раз превышает активность гипохлорит-ионов ClO– в реакциях уничтожения микроорганизмов (Faust S.D., Aly O.M., Chemistry of water treatment, 2nd Edition, Lewis Publishers, L., NY, W. D.C., p. 582, 1998 [7], Bakhir V. M., Panicheva S. A., Prilutsky V. I., Panichev V. G. Electrochemical activation: inventions, systems, technology –M., 2021, 660 pages. ISBN 978-5-600-03153-1, стр. 344 – 375, стр. 628 - 634 [8]). Объясняется это уникальной способностью HClO проникать в бактерии через их мембраны за счет подобной воде электронной конфигурации молекулы. Синглетный кислород представляет собой сильнейший окислитель и, также как хлорноватистая кислота, является одним из компонентов биоцидной смеси оксидантов, вырабатываемых фагоцитами - особыми клетками иммунной системы теплокровных организмов. Комплекс оксидантов, вырабатываемый фагоцитами, помимо хлорноватистой кислоты и синглетного кислорода, содержит также озон (O3) и пероксид водорода (H2O2) [4]. Оба вещества являются продуктами электрохимических анодных реакций, кроме того, пероксид водорода также может быть образован в ходе процессов на катоде электрохимического реактора [8].
Экстремально высокая биоцидная активность анолита при полной его экологической безопасности и длительном времени сохранения функциональных свойств при прочих равных условиях, в том числе при равной концентрации соединений активного хлора (хлорноватистой кислоты), обусловлена малым содержанием балластных веществ в сравнении с концентрацией АДВ и условиями электрохимического синтеза, позволяющего сформировать плотные ионно-гидратные оболочки вокруг всех типов АДВ (хлорноватистой кислоты, пероксида водорода, озона и синглетного кислорода), являющихся химическими антагонистами, с целью защитить их от распада и деградации при взаимодействии между собой и с балластными веществами в анолите [8].
В способах и устройствах, рассмотренных выше, не предусмотрены механизмы и условия, обеспечивающие необходимое время и оптимальные условия для протекания вышеуказанных реакций диспропорционирования, которые могли бы уменьшить минерализацию анолита до уровня пресной воды и увеличить время сохранения биоцидных свойств анолита при хранении. Также не предусмотрены условия получения католита с минерализацией менее одного грамма на литр, гарантирующей его экологическую безопасность в сравнении с католитом, имеющим более высокую концентрацию химически агрессивных соединений и создающим риск негативного влияния на окружающую среду без выполнения процедур нейтрализации.
Целью изобретения является упрощение технологической схемы получения анолита и католита из пресных (менее 1 г/л) растворов хлоридов щелочных металлов при одновременном повышении уровня контроля основных параметров получаемого раствора (содержания оксидантов, общей минерализации, рН, ОВП), а также достижение возможности корректирования параметров полученного объема анолита в одной и той же электрохимической системе.
Другой целью изобретения является упрощение конструкции электрохимической системы для синтеза электрохимически активированных анолита и католита с наилучшими потребительскими свойствами и обеспечение возможности корректировки физико-химических параметров полученного дезинфицирующего средства - анолита, являющегося основным продуктом электрохимического синтеза, в одном и том же устройстве. Побочным эффектом процесса регулирования характеристик анолита является возможность расширения функциональных свойств католита за счет придания ему дополнительного свойства антимикробного агента при сохранения полной экологической безопасности. Эта возможность реализуется в процессе корректировки параметров анолита за счет появления в католите АДВ анолита.
Технический результат заключается в получении анолита с заданной общей минерализацией (концентрацией) в диапазоне от 0,2 до 0,9 г/ /л при заданной концентрации оксидантов в диапазоне от 20 до 80% от общей минерализации пресного (не более одного грамма электролитов в одном литре) исходного раствора хлорида щелочного металла и рН в диапазоне 5,5-6,5, а также в обеспечении возможности регулирования pH и ОВП получаемого анолита в зависимости от назначения.
Технический результат достигается тем, что способ получения продуктов электролиза из раствора хлоридов щелочных металлов в проточном диафрагменном электрохимическом реакторе, электроды которого разделены мелкопористой диафрагмой на анодную и катодную камеры, включает дозированную подачу в электродные камеры проточного диафрагменного электрохимического реактора водных растворов электролитов, представленных преимущественно ионами, образующими водные растворы хлоридов щелочных металлов - натрия, хлора, гидроксида и гидроксония, флотационную очистку католита и смешивание его с анолитом. В качестве исходного раствора используют фиксированный объем предварительно приготовленного водного раствора хлорида щелочного металла с концентрацией в диапазоне от 0,2 до 1,0 г/л, который дозированно подают из емкости для исходного раствора в анодную и катодную камеры проточного диафрагменного электрохимического реактора в объемном соотношении соответственно от 2,6 до 3,6, после чего очищают католит во флотационном реакторе посредством пузырьков водорода, содержащихся в потоке католита, и смешивают его со всем объемом полученного анолита в проточном смесителе, после чего полученную смесь направляют в емкость с исходным раствором для последующей корректировки параметров раствора за счет повторения цикла до получения готового продукта или в линию накопления готового продукта, а католит с флотошламом пропускают через фильтр и направляют фильтрат в накопительную емкость.
Технический результат также достигается тем, что установка для получения продуктов электролиза из раствора хлоридов щелочных металлов содержит проточный диафрагменный электрохимический реактор, электроды которого разделены мелкопористой керамической диафрагмой на анодную и катодную камеры с входами и выходами, катодный и анодный контуры, флотационный реактор, установленный в катодном контуре, устройство для дозированной подачи жидкостей в проточный диафрагменный электрохимический реактор, при этом устройство для дозированной подачи жидкостей содержит емкость для исходного раствора хлорида щелочного металла, гидравлически подключенную к насосу, соединенному не менее чем с двумя регулируемыми гидравлическими сопротивлениями, выходы которых соединены соответственно со входами катодной и анодной камер проточного диафрагменного электрохимического реактора, выход катодной камеры которого соединен со входом напорного флотационного реактора, а выход анодной камеры проточного диафрагменного электрохимического реактора гидравлически соединен со входом проточного смесителя, выполненного с возможностью подачи потока жидкости в емкость для исходного раствора или в линию накопления готового продукта, первый выход напорного флотационного реактора соединен через регулируемое гидравлическое соединение с упомянутым проточным смесителем, а второй выход для сброса католита с флотошламом соединен через регулятор давления "до себя" и фильтр для отделения флотошлама с накопительной емкостью для сбора католита.
Исходный раствор хлорида натрия в обессоленной или пресной воде с концентрацией от 0,2 до 1,0 граммов в литре в заданном количестве в единицу времени (при заданной скорости протока) подвергают только катодному или только анодному одновременному воздействию в проточном электрохимическом модульном диафрагменном реакторе (диафрагменной электрохимической ячейке), после чего из катодно обработанного объема раствора (католита) удаляют водород и часть жидкости вместе с флотошламом в проточном флотационном реакторе, направляя поток жидкости и флотошлама на фильтр, а основной объем католита смешивают с объемом анолита, полученного за это же время в анодной камере проточного диафрагменного электрохимического реактора и, либо повторяют цикл при корректировании (усилении) результата электрохимической обработки, либо направляют полученный биоцидный раствор для использования по назначению. Для реализации способа используют проточный электрохимический модульный элемент по патенту РФ № 2350692, опубл. 27.03.2009 или его модификацию [8]. Устройство для реализации предложенного способа включает один или несколько проточных электрохимических модульных элементов с диафрагмой, через электродные камеры которых с помощью насоса и дополнительных регулирующих гидравлических элементов протекает в единицу времени заданное количество заранее приготовленного исходного раствора из фиксированного объема. Католит поступает в установленный в катодном контуре проточный напорный флотационный реактор, где от него отделяется водород вместе с частью флотошлама в жидкости (католите), которая направляется на фильтр и далее, католит без флотошлама направляется в накопительную емкость. Основной объем католита подается в смеситель, где происходит его взаимодействие с потоком электрохимически анодно обработанного объема исходного раствора (с кислым анолитом) и сопутствующим превращением смеси в биоцидный экологически чистый раствор - анолит со значением рН в диапазоне 5,5-6,5, оптимальном для длительного существования всех синтезированных в анолите оксидантов: хлорноватистой кислоты, озона, синглетного кислорода и пероксида водорода.
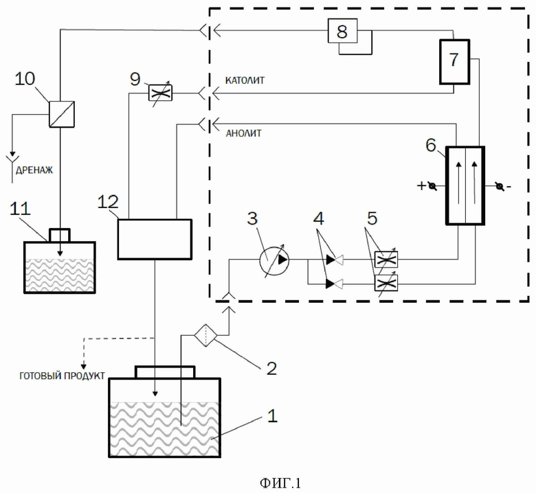
На Фиг. 1 представлена принципиальная гидравлическая схема установки с проточным диафрагменным электрохимическим реактором.
В качестве рабочего раствора используют водный раствор электролитов, представленных преимущественно ионами, образующими водные растворы хлоридов щелочных металлов - натрия, хлора, гидроксида и гидроксония. При приготовлении рабочего раствора в зависимости от специфических требований в области применения продукта (электрохимически активированного раствора) можно использовать деминерализованную воду (дистиллированную или полученную методом обратноосмотического обессоливания) либо водопроводную питьевую воду.
Рабочий раствор размещают в емкости 1 с крышкой, снабженной присоединительными фитингами (не показаны на схеме) для подключения трубопроводов подачи рабочего раствора в блок электрохимических реакторов, ввода анолита и ввода католита из блока электрохимических реакторов. Дополнительно емкость 1 может быть снабжена краном в нижней ее части для удобства наполнения и слива.
Для предварительной очистки рабочего раствора от взвешенных примесей на входе в электрохимический реактор может быть установлен фильтр 2 грубой очистки.
Рабочий раствор из емкости 1 дозированно подают в проточный диафрагменный электрохимический реактор посредством насоса 3. Для стабилизации давления потока рабочего раствора (около 1,5 атм) насос снабжен редуктором давления. Редуктор давления позволяет обеспечить необходимый гидравлический режим и постоянство давления во всех критически важных каналах протока растворов в электрохимической системе.
На входе потока в катодную и анодную камеры проточного диафрагменного электрохимического реактора установлены гидравлические сопротивления 5 для выравнивания давления (скорости потока).
Перед регулируемыми гидравлическими сопротивлениями на линиях ввода исходного раствора хлорида щелочного металла в катодную и анодную камеры проточного диафрагменного электрохимического реактора, установлены обратные клапаны.
Поток рабочего раствора посредством обратных клапанов 4 разделяют на два контура - катодный и анодный.
Проточный диафрагменный электрохимический реактор 6 может быть выполнен из одного или нескольких электрохимических модулей, соединенных гидравлически параллельно. Электрохимические модули представляют собой диафрагменные проточные электрохимические модульные элементы, в которых протекают окислительные реакции на аноде и восстановительные реакции на катоде. Электрохимические модули обмениваются с рабочим раствором только электронами, забирая их из раствора в анодной камере, где протекают окислительные реакции, и инжектируя электроны в жидкость в катодной камере, где протекают восстановительные реакции.
Электрохимические модули предпочтительно содержат цилиндрические, коаксиально установленные электроды, пространство между которыми разделено коаксиальной мелкопористой диафрагмой из керамики. В таких модулях исключаются застойные зоны и обеспечивается эффективная обработка растворов. Керамические диафрагмы являются стойкими, не изменяют своих характеристик в процессе электролиза, что позволяет поддерживать процесс в стационарном режиме.
Анолит из анодной камеры проточного диафрагменного электрохимического реактора 6 подают в проточный смеситель 12 и далее в емкость 1 с рабочим раствором или в линию накопления готового продукта.
Католит из катодной камеры подают в напорный флотационный реактор 7, где происходит очистка католита посредством пузырьков водорода, содержащихся в потоке католита и выполняющих роль флотоагента. Обработка во флотационном реакторе позволяет регулировать газонаполнение потока за счет удаления части водорода, осуществлять отвод части обработанного раствора в виде газожидкостной смеси, а также регулировать состав раствора за счет удаления нерастворимых примесей, которые образуются при обработке в катодной камере. Очищенный во флотационном реакторе объем католита через выход для очищенной жидкости подают в проточный смеситель 12 для смешивания с потоком анолита, а меньшее по объему количество католита с флотошламом и пузырьками отработавшего газа (водорода) через другой (шламосбросный) выход флотационного реактора подают в линию удаления флотошлама на фильтр 10, после чего свободный от флотошлама католит поступает в накопительную емкость 11.
Добавлением дозированного количества католита в проточный смеситель 12 обеспечивают коррекцию pH рабочего раствора. Регулирование количества добавляемого католита в анолит регулируют настройкой редуктора (регулятора давления «до себя») 8 на дренажной линии и гидравлического сопротивления 9 на выходе основного потока католита.
При этом должны соблюдаться оптимальные скорости протоков анолита, католита и раствора в дренажную линию: скорость протока анолита в емкость для рабочего раствора превышает скорость протока католита в 2-5 раз, а скорость вывода раствора в линию дренажную линию в 3,5-10 раз.
Таким образом, осуществляют многократную циркуляцию рабочего раствора через емкость 1 для рабочего раствора и проточный диафрагменный электрохимический реактор до получения необходимых характеристик анолита.
Пример осуществления
Пример 1
Для приготовления исходного (рабочего) раствора концентрацией 0,4 г/л использовали соль таблетированную для регенерации катионно-обменных материалов и обессоленную посредством обратноосмотической фильтрации воду с концентрацией электролитов в пределах 4 мг/л. При включенном циркуляционном насосе настраивали протоки с помощью гидравлических сопротивлений 5 на расходы раствора через анодную камеру реактора 440 мл/мин, через катодную камеру - 120 мл/мин. После подачи электропитания на электрохимический реактор установился следующий режим: напряжение - 24 вольта, сила тока 7 ампер. С помощью редуктора 8 и гидравлического сопротивления 9 на линии выхода основного потока католита настроили выход жидкости с флотошламом на фильтр 10 с расходом 60 мл/мин.
Через один час работы в данном режиме произведены измерения параметров анолита:
- концентрация по активному хлору (тест-полоски ДЕЗИКОНТ НЕЙТРАЛЬНЫЙ АНОЛИТ фирмы ВИНАР показали результат более 200 мг/л, а портативный фотометр HI96771 дал результат 240 мг/л);
- рН = 5,7;
- содержание растворенных электролитов - 0,37 г/л;
- объем анолита в емкости - 21,1 литров.
Параметры католита после фильтрации в накопительной емкости 11:
- рН =10,1;
- содержание растворенных электролитов (общая минерализация) (ареометр) - 0,39 г/л.
Пример 2
Аналогично примеру 1 с измерением параметров через 2 часа работы установки.
Параметры полученного анолита:
- концентрация по активному хлору (тест-полоски ДЕЗИКОНТ НЕЙТРАЛЬНЫЙ АНОЛИТ фирмы ВИНАР показали результат более 300 мг/л, а портативный фотометр HI96771 - 340 мг/л);
- рН = 5,8;
- содержание растворенных электролитов - 0,36 г/л;
- объем анолита в емкости - 17,5 литров.
Параметры католита после фильтрации в накопительной емкости 11:
- рН = 10,3;
- содержание растворенных электролитов (общая минерализация) (ареометр) - 0,37 г/л.
Пример 3
Для приготовления исходного (рабочего) раствора концентрацией 1,0 г/л использовали соль таблетированную для регенерации катионно-обменных материалов и обессоленную посредством обратноосмотической фильтрации воду с концентрацией электролитов 5 мг/л. При включенном циркуляционном насосе настраивали протоки с помощью гидравлических сопротивлений 5 на расходы раствора через анодную камеру реактора 440 мл/мин, через катодную камеру - 120 мл/мин. После подачи электропитания на электрохимический реактор установился следующий режим: напряжение - 24 вольт, сила тока 18 ампер. С помощью редуктора 8 и гидравлического сопротивления 9 на линии выхода основного потока католита настроили выход жидкости вместе со флотошламом на фильтр 10 с расходом 60 мл/мин.
Через один час работы в данном режиме произведены измерения параметров анолита:
- концентрация по активному хлору (тест-полоски ДЕЗИКОНТ НЕЙТРАЛЬНЫЙ АНОЛИТ фирмы ВИНАР показали результат более 500 мг/л, а портативный фотометр HI96771 - 520 мг/л);
- рН = 5,8;
- содержание растворенных электролитов - 0,9 г/л;
- объем анолита в емкости - 21,0 литров.
Параметры католита после фильтрации в накопительной емкости 11:
- рН = 11,1;
- содержание растворенных электролитов (общая минерализация) (ареометр) - 0,98 г/л.
Пример 4
Аналогично примеру 3 с измерением параметров через 2 часа работы установки.
Параметры полученного анолита:
- концентрация по активному хлору (тест-полоски ДЕЗИКОНТ НЕЙТРАЛЬНЫЙ АНОЛИТ фирмы ВИНАР показали результат более 700 мг/л, а портативный фотометр HI96771 - 710 мг/л);
- рН = 5,9;
- содержание растворенных электролитов - 0,86 г/л;
- объем анолита в емкости - 16,8 литров.
Параметры католита после фильтрации в накопительной емкости 11:
- рН = 11,4;
- содержание растворенных электролитов (общая минерализация) (ареометр) - 0,94 г/л.
Заявляемое изобретение позволило упростить гидравлическую схему установки и при этом обеспечить высокое качество получаемого маломинерализованного (пресного) анолита за счет одновременной обработки рабочего раствора в режиме многократной циркуляции всего объема обрабатываемого раствора одновременно в анодной и катодной камерах электрохимического реактора и при этом регулировать объем и параметры (рН получаемого анолита за счет регулирования добавляемого в емкость с рабочим раствором католита.
Изобретение относится к области химической технологии, в частности к способам и устройствам для электролиза воды и разбавленных водных растворов хлоридов щелочных металлов. Способ получения продуктов электролиза из раствора хлоридов щелочных металлов включает использование проточного диафрагменного электрохимического реактора, электроды которого разделены мелкопористой диафрагмой на анодную и катодную камеры, в которые дозировано подают водный раствор хлорида щелочного металла с концентрацией в диапазоне от 0,2 до 1,0 г/л в объемном соотношении соответственно от 2,6 до 3,6. После очищают католит во флотационном реакторе посредством пузырьков водорода, содержащихся в потоке католита, и смешивают его со всем объемом полученного анолита в проточном смесителе. Полученную смесь направляют в емкость с исходным раствором для последующей корректировки параметров раствора за счет повторения цикла до получения готового продукта или в линию накопления готового продукта, а католит с флотошламом пропускают через фильтр и направляют фильтрат в накопительную емкость. Обеспечивается получение анолита с заданной общей минерализацией в диапазоне от 0,2 до 0,9 г/л при заданной концентрации оксидантов в диапазоне от 20 до 80% от общей минерализации пресного исходного раствора хлорида щелочного металла и рН в диапазоне 5,5-6,5, а также возможность регулирования pH и окислительно-восстановительного потенциала получаемого анолита. 2 н. и 2 з.п. ф-лы, 1 ил., 4 пр.
1. Способ получения продуктов электролиза из раствора хлоридов щелочных металлов, включающий использование проточного диафрагменного электрохимического реактора, электроды которого разделены мелкопористой диафрагмой на анодную и катодную камеры, дозированную подачу в электродные камеры реактора водного раствора хлорида щелочного металла, флотационную очистку католита и смешивание его с анолитом, отличающийся тем, что в качестве исходного раствора используют фиксированный объем предварительно приготовленного водного раствора хлорида щелочного металла с концентрацией в диапазоне от 0,2 до 1,0 г/л, который дозированно подают из емкости для исходного раствора в анодную и катодную камеры проточного диафрагменного электрохимического реактора в объемном соотношении соответственно от 2,6 до 3,6, после чего очищают католит во флотационном реакторе посредством пузырьков водорода, содержащихся в потоке католита, и смешивают его со всем объемом полученного анолита в проточном смесителе, после чего полученную смесь направляют в емкость с исходным раствором для последующей корректировки параметров раствора за счет повторения цикла до получения готового продукта или в линию накопления готового продукта, а католит с флотошламом пропускают через фильтр и направляют фильтрат в накопительную емкость.
2. Установка для получения продуктов электролиза из раствора хлоридов щелочных металлов, содержащая проточный диафрагменный электрохимический реактор, электроды которого разделены мелкопористой керамической диафрагмой на анодную и катодную камеры с входами и выходами, катодный и анодный контуры, флотационный реактор, установленный в катодном контуре, устройство для дозированной подачи жидкостей в проточный диафрагменный электрохимический реактор, отличающийся тем, что устройство для дозированной подачи жидкостей содержит емкость для исходного раствора хлорида щелочного металла, гидравлически подключенную к насосу, соединенному не менее чем с двумя регулируемыми гидравлическими сопротивлениями, выходы которых соединены соответственно со входами катодной и анодной камер проточного диафрагменного электрохимического реактора, выход катодной камеры которого соединен со входом напорного флотационного реактора, а выход анодной камеры проточного диафрагменного электрохимического реактора гидравлически соединен со входом проточного смесителя, выполненного с возможностью подачи потока жидкости в емкость для исходного раствора или в линию накопления готового продукта, первый выход напорного флотационного реактора соединен через регулируемое гидравлическое соединение с упомянутым проточным смесителем, а второй выход для сброса католита с флотошламом соединен через регулятор давления "до себя" и фильтр для отделения флотошлама с накопительной емкостью для сбора католита.
3. Установка по п. 2, отличающаяся тем, что проточный диафрагменный электрохимический реактор выполнен из одного или нескольких электрохимических модулей, соединенных гидравлически параллельно.
4. Установка по п. 2, отличающаяся тем, что перед регулируемыми гидравлическими сопротивлениями на линиях ввода исходного раствора хлорида щелочного металла в катодную и анодную камеры проточного диафрагменного электрохимического реактора установлены обратные клапаны.
| СПОСОБ ЭЛЕКТРОХИМИЧЕСКОГО ПОЛУЧЕНИЯ ПРОДУКТОВ АНОДНОГО ОКИСЛЕНИЯ РАСТВОРА ХЛОРИДА ЩЕЛОЧНОГО МЕТАЛЛА | 2006 |
|
RU2321681C1 |
| УСТАНОВКА ДЛЯ ПОЛУЧЕНИЯ ВОДНОГО РАСТВОРА ОКСИДАНТОВ | 2006 |
|
RU2326054C1 |
| СПОСОБ ПОЛУЧЕНИЯ ДЕЗИНФИЦИРУЮЩЕГО РАСТВОРА И УСТРОЙСТВО ДЛЯ ЕГО ОСУЩЕСТВЛЕНИЯ | 2001 |
|
RU2208589C2 |
| СПОСОБ ПОЛУЧЕНИЯ ДЕЗИНФИЦИРУЮЩИХ РАСТВОРОВ И УСТАНОВКА ДЛЯ ЕГО ОСУЩЕСТВЛЕНИЯ | 2001 |
|
RU2207983C2 |
| 0 |
|
SU161511A1 | |
| WO 2013191588 A2, 27.12.2013 | |||
| Врубовая машина для крутопадающих пластов | 1933 |
|
SU39722A1 |
Авторы
Даты
2025-03-03—Публикация
2024-03-25—Подача