Изобретение относится к предложениям, используемым при эксплуатации компрессорных станций со схемой параллельной обвязки газоперекачивающих агрегатов (ГПА) с индивидуальными аппаратами воздушного охлаждения газа (АВОГ), в частности сохранения качества температуры точки росы по воде (ТТРв)* природного горючего газа в соответствии с требованием СТО Газпром 089-2010. «Газ горючий природный, поставляемый и транспортируемый по магистральным газопроводам. Технические условия», после проведения плановых профилактических и ремонтных работ (ППР) на оборудовании компрессорного цеха, а также по причине снижения транспорта газа, когда нет необходимости загрузки ГПА в работу.
*Температура точки росы по воде - это температура, приведенная к абсолютному давлению 3,92 МПа в соответствии с ГОСТ Р 53763, при которой из газа начинает выделяться конденсированный водяной пар.
В настоящее время после проведения ППР на оборудовании компрессорного цеха для соответствия качества газа, транспортируемого в магистральных газопроводах, необходимо производить вытеснение газовоздушной смеси и заполнение газом технологических коммуникаций компрессорного цеха с проведением замеров наличия влаги и кислорода в транспортируемом газе с помощью специального оборудования. Вытеснение газовоздушной смеси считается законченным, если содержание кислорода не превышает 10 ppm (миллионная доля - единица измерения относительных величин, равная 1*10-6 от базового показателя), а ТТРв природного горючего газа соответствует требованиям СТО Газпром 089:
- в летний период не выше минус 10°С для умеренного климатического района, не выше минус 14°С для холодного климатического района;
- в зимний период не выше минус 10°С для умеренного климатического района, не выше минус 20°С для холодного климатического района.
При достижении данных показателей можно считать, что газ в трубопроводах КЦ соответствует требованиям СТО Газпром 089.
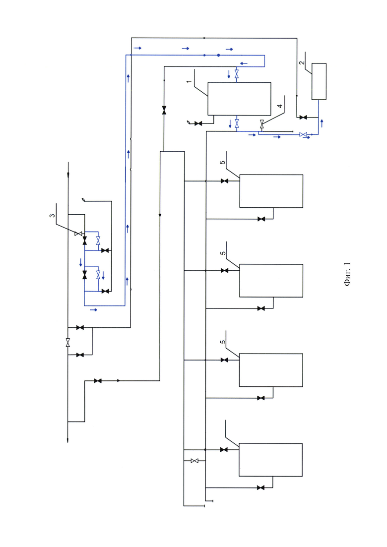
Существующая технология представлена на фиг. 1, 2.
При существующей технологии в настоящее время на компрессорном цехе со схемой параллельной обвязки газоперекачивающих агрегатов (ГПА) с индивидуальными аппаратами воздушного охлаждения газа (АВОГ), находящимся в состоянии «резерв» (без загрузки ГПА), с заполненными газом технологическими коммуникациями после проведения ремонтных работ, при низких температурах наружного воздуха из-за разности температуры газа в трубопроводах линейной части магистрального газопровода и компрессорного цеха происходит образование конденсата, то есть значение температуры точки росы по воде не соответствует требованиям СТО Газпром 089, так как теплый газ, попадающий из трубопроводов линейной части магистрального газопровода в цеховую обвязку, остывает из-за длительного простоя в трубопроводах цеха, связанного с установленной схемой загрузки линейной части магистрального газопровода и снижением транспорта газа, потому как при положении запорной арматуры компрессорного цеха в состоянии «РЕЗЕРВ» движение газа осуществляется только по входному коллектору цеха через пылеуловители (ПУ) цехового блока очистки газа 1 на узел подготовки топливного и импульсного газа (УПТИГ) 2. В остальных технологических трубопроводах компрессорного цеха (КЦ) движение газа не происходит. При разнице показаний температуры точки росы (ТТРв), взятых перед краном №7-1 на узле подключения к компрессорному цеху 3, и на пылеуловителях (ПУ) 4 компрессорного цеха более 10°С, для недопущения попадания газа в магистральный газопровод с несоответствующими требованиями по влажности, производится запуск группы газоперекачивающих агрегатов (ГПА) 5 на цеховое «кольцо» для нагрева технологического газа, находящегося в цеховых коммуникациях. В процессе работы ГПА 5 производится периодическая продувка ПУ 4 цехового блока очистки газа 1 через свечи 6 в целях удаления влаги из газа. По истечении двух часов работы компрессорного цеха на «кольцо» производятся контрольные измерения ТТРв газа до крана №7-1 на узле подключения к компрессорному цеху 3 и после ПУ 4 компрессорного цеха.
Данная схема работы неэффективна при существующей технологической обвязке компрессорного цеха с газоперекачивающими агрегатами с индивидуальными аппаратами воздушного охлаждения газа, так как циркуляция газа проходит не по всем технологическим трубопроводам компрессорного цеха, а только по трубопроводам обвязки работающих газоперекачивающих агрегатов и пылеуловителей (ПУ) цехового блока очистки газа, а также при данной схеме происходит расход газа на работу газоперекачивающих агрегатов и на продувку пылеуловителей цехового блока очистки газа для удаления влаги.
Поставленной задачей является сохранение качества температуры точки росы по воде в природном горючем газе без проведения запуска группы газоперекачивающих агрегатов на цеховое «кольцо» и продувки пылеуловителей цехового блока очистки газа через свечи.
Технический результат достигается тем, что после заполнения технологических коммуникаций компрессорного цеха открывают краны байпасы 7 на узле подключения к компрессорному цеху, закрывают входной кран 8 на пылеуловители, открывают рециркуляционные краны 9, 10 компрессорного цеха, производят отбор газа на узел подготовки топливного и импульсного газа 2 с выходного коллектора пылеуловителей, при этом газ проходит от узла подключения к компрессорному цеху через все трубопроводы технологического газа, входной, выходной коллекторы, выходной коллектор пылеуловителей, на узел подготовки топливного и импульсного газа для использования на собственные технологические нужды.
Предлагаемая технология представлена на фиг. 3.
Способ осуществляют следующим образом:
- открывают краны байпасы №№7p1, 7-1р 7 на узле подключения к компрессорному цеху 3;
- производят закрытие входного крана №1 8 на ПУ;
- открывают рециркуляционные краны КЦ №36К 9 и №37 10;
- отбор газа на УПТИГ 2 производят с выходного коллектора ПУ (положение запорной арматуры на УПТИГ: кран №Т5 11 - закрыт, кран №Т6 12 - открыт).
Экономический эффект достигается за счет экономии топливного газа на работу газоперекачивающих агрегатов, продувку и заполнение технологических коммуникаций компрессорного цеха, а также продувку пылеуловителей цехового блока очистки газа для удаления влаги.
Источники информации:
1. Б.С. Посягин, В.Г. Герке. Справочное пособие для работников диспетчерских служб газотранспортных систем. 2015 г.
2. СТО Газпром 089-2010. «Газ горючий природный, поставляемый и транспортируемый по магистральным газопроводам. Технические условия».
| название | год | авторы | номер документа |
|---|---|---|---|
| СПОСОБ ОСУШКИ ТЕХНОЛОГИЧЕСКИХ ТРУБОПРОВОДОВ КОМПРЕССОРНОГО ЦЕХА | 2017 |
|
RU2671762C1 |
| Способ осушки технологических трубопроводов компрессорного цеха | 2023 |
|
RU2820376C1 |
| СПОСОБ ОСУШКИ ТЕХНОЛОГИЧЕСКИХ ТРУБОПРОВОДОВ КОМПРЕССОРНОГО ЦЕХА | 2022 |
|
RU2809523C1 |
| СПОСОБ ОТБОРА ПРИРОДНОГО ГАЗА ИЗ ОТКЛЮЧЕННОГО УЧАСТКА МАГИСТРАЛЬНОГО ГАЗОПРОВОДА В МНОГОНИТОЧНОЙ СИСТЕМЕ (Варианты) И СИСТЕМА ДЛЯ ЕГО ОСУЩЕСТВЛЕНИЯ (Варианты) | 2016 |
|
RU2619669C1 |
| Способ подачи топливного газа на газоперекачивающие агрегаты | 2023 |
|
RU2810310C1 |
| СПОСОБ ОТБОРА ГАЗА ПУСКОВОГО, ТОПЛИВНОГО, ИМПУЛЬСНОГО И ДЛЯ СОБСТВЕННЫХ НУЖД С ТЕХНОЛОГИЧЕСКИХ КОММУНИКАЦИЙ КОМПРЕССОРНЫХ ЦЕХОВ КОМПРЕССОРНОЙ СТАНЦИИ В КАЧЕСТВЕ ТОПЛИВНОГО ПРИ ВЫВОДЕ СМЕЖНОГО ЦЕХА В РЕМОНТ | 2016 |
|
RU2641770C2 |
| Система откачки газа из отключенного компрессорного цеха магистрального трубопровода | 2019 |
|
RU2731687C1 |
| Способ откачки газа из трубопроводной обвязки камеры запуска очистных устройств и устройство для его осуществления | 2021 |
|
RU2775332C1 |
| СПОСОБ ОТКАЧКИ ПРИРОДНОГО ГАЗА ИЗ ОТКЛЮЧЕННОГО УЧАСТКА ГАЗОПРОВОДА В МНОГОНИТОЧНОЙ СИСТЕМЕ МАГИСТРАЛЬНЫХ ГАЗОПРОВОДОВ С ПРИМЕНЕНИЕМ ГАЗОПЕРЕКАЧИВАЮЩИХ АГРЕГАТОВ КОМПРЕССОРНОЙ СТАНЦИИ (ВАРИАНТЫ) | 2010 |
|
RU2447355C2 |
| Система и способ откачки газа из трубопроводной обвязки компрессоров газоперекачивающих агрегатов | 2020 |
|
RU2750223C1 |
Изобретение относится к трубопроводному транспорту и может быть использовано при эксплуатации компрессорных станций со схемой параллельной обвязки группы газоперекачивающих агрегатов (ГПА) с индивидуальными аппаратами воздушного охлаждения газа. Задачей изобретения является сохранение качества температуры точки росы по воде (ТТРв) природного газа в соответствии с требованием нормативных документов без проведения запуска группы ГПА на цеховое «кольцо» и удаления влаги из газа путем продувки пылеуловителей (ПУ) цехового блока очистки газа через свечи. Технический результат достигается путем изменения существующей схемы движения природного газа от узла подключения (УП) через входной шлейф на ПУ и далее на узел подготовки топливного и импульсного газа (УПТИГ). По новой схеме газ проходит от УП через все трубопроводы технологического газа, включая входной коллектор, выходной коллектор, выходной коллектор ПУ, газ проходит на УПТИГ для использования в собственных технологических нуждах. Это обеспечивает постоянное замещение газа в обвязке технологических трубопроводов компрессорного цеха «свежим» газом из линейной части магистрального газопровода. Тем самым сохраняется постоянная температура и предотвращается образование влаги во внутренних полостях, что позволяет не производить пуск ГПА на цеховое «кольцо» с последующей продувкой ПУ для удаления влаги из технологического газа. 3 ил.
Способ сохранения качества температуры точки росы по воде в природном горючем газе без проведения запуска группы газоперекачивающих агрегатов на цеховое «кольцо» и продувки пылеуловителей цехового блока очистки газа через свечи, характеризующийся тем, что после заполнения технологических коммуникаций компрессорного цеха открывают краны байпасы (7) на узле подключения к компрессорному цеху, закрывают входной кран (8) на пылеуловители, открывают рециркуляционные краны (9, 10) компрессорного цеха, производят отбор газа на узел подготовки топливного и импульсного газа (2) с выходного коллектора пылеуловителей, при этом газ проходит от узла подключения к компрессорному цеху через все трубопроводы технологического газа, входной, выходной коллекторы, выходной коллектор пылеуловителей, на узел подготовки топливного и импульсного газа для использования на собственные технологические нужды.
| СПОСОБ ОСУШКИ ТЕХНОЛОГИЧЕСКИХ ТРУБОПРОВОДОВ КОМПРЕССОРНОГО ЦЕХА | 2022 |
|
RU2809523C1 |
| СПОСОБ ОСУШКИ ТЕХНОЛОГИЧЕСКИХ ТРУБОПРОВОДОВ КОМПРЕССОРНОГО ЦЕХА | 2017 |
|
RU2671762C1 |
| Способ размножения копий рисунков, текста и т.п. | 1921 |
|
SU89A1 |
| "Газ горючий природный, поставляемый и транспортируемый по магистральным газопроводам | |||
| Технические условия" | |||
| М.: ООО Газпром экспо, 2011, табл | |||
| Печь для непрерывного получения сернистого натрия | 1921 |
|
SU1A1 |
| Топка с несколькими решетками для твердого топлива | 1918 |
|
SU8A1 |
| Система и способ откачки газа из трубопроводной обвязки компрессоров газоперекачивающих агрегатов | 2020 |
|
RU2750223C1 |
| СПОСОБ ОСУШКИ ПОЛОСТИ ТРУБОПРОВОДОВ | 2014 |
|
RU2562873C1 |
Авторы
Даты
2025-03-18—Публикация
2023-12-21—Подача