Изобретение относится к области электротехники и может быть использовано для автоматической компенсации емкостных токов замыкания на землю в электрических сетях напряжением 6-35 кВ с нейтралью, заземленной через регулируемый дугогасящий реактор.
При проектировании устройств для защиты высоковольтных линий электропередач от однофазных замыканий на землю используют соединенный последовательно с нейтралью сети регулируемый дугогасящий реактор, который настраивают в резонанс с контуром нулевой последовательности сети во время отсутствия однофазного замыкания на землю. В большинстве практически используемых систем компенсации используется предварительная резонансная настройка компенсирующих устройств без непосредственного измерения емкостных параметров сети, когда регулируемые дугогасящие реакторы настраиваются до момента возникновения замыкания на землю по естественному либо искусственно созданному напряжению смещения нейтрали сети (патенты РФ №2455742, Н02Н 9/00, 23.12.2010; №2612321, H02J 3/18, 29.03.2016).
Однако, в соответствии с «Правилами технической эксплуатации электрических станций и сетей Российской Федерации...», распределительные электрические сети имеют такие параметры, как допустимый для данной сети максимальный кратковременный уровень смещения нейтрали (до двух часов) и допустимый длительный максимальный уровень смещения нейтрали, который меньше в два раза допустимого кратковременного максимального уровня (Правила технической эксплуатации электрических станций и сетей Российской Федерации / Министерство топлива и энергетики РФ, РАО «ЕЭС России», М.: СПО ОГРЭС, 1996, с. с.280-287, далее ПТЭ).
В штатном режиме работы сети всегда присутствует смещение нейтрали, обусловленное естественной асимметрией сети из-за различного расположения проводов на опорах, неравномерного распределения по фазам конденсаторов для защиты вращающихся машин, конденсаторов связи и прочей работы технологического оборудования. При этом, при наличии дугогасящего реактора, настроенного в резонанс с емкостной составляющей сети, результирующее напряжение смещения нейтрали существенно превышает естественное напряжение смещения сети (Ф.Л. Коган «Пособие для изучения правил эксплуатации электрических станций и сетей», с. 282), что может отражаться на качестве сети и делает нежелательным наличие постоянно действующего в сети искусственного смещения нейтрали.
Известен способ настройки компенсации емкостного тока замыкания на землю в электрических сетях, в соответствии с которым в контур нулевой последовательности (КНП) сети вводят модулируемый опорный ток, измеряют полный ток контура и напряжение смещения нейтрали, выделяют соответствующие составляющие тока и напряжения и определяют емкостное и индуктивное сопротивления контура, соотношение которых используют для оценки текущей расстройки контура и формирования соответствующего регулирующего воздействия на изменение индуктивности дугогасящего реактора (СССР, а.с. №1443077, H02J 3/18, 07.12.88).
Выше описанный способ имеет низкую зависимость от естественного смещения нейтрали и обладает расширенным диапазоном настройки. Однако для достижения требуемой точности измерений и вычислений параметров, используемых для оценки текущей расстройки, необходимо применение мощного источника опорного тока. В сетях с комбинированным заземлением нейтрали требуется источник опорного тока с повышенной установленной мощностью. Это является недостатком, сужающим область использования рассмотренного способа.
Способы настройки компенсации, в которых применяют генератор непромышленной или переменной частоты взамен источника опорного тока с фиксированной частотой и с его помощью определяют параметры КНП сети на резонансной частоте, когда потребляемая мощность минимальна (РФ, патент №2130677, H02J 3/26, H02J 3/17, 20.05.99; РФ, патент №2222857, H02J 3/18, 27.01.2004), эффективны только при высоких добротностях КНП сети. Кроме того, способы могут использоваться только с реакторами, управляемыми подмагничиванием. В сетях с комбинированным заземлением нейтрали, осуществляемым присоединением параллельно ДГР высокоомного резистора, измеряемый контур оказывается низкодобротным, и эффект от использования генератора переменной частоты становится незначительным. Для реализации данного способа требуется сложное вспомогательное электрооборудование в виде генератора непромышленной или переменной частоты повышенной мощности. Этот недостаток сужает область использования способа.
Наиболее близким к предлагаемому является способ настройки компенсации емкостных токов замыкания на землю в электрических сетях, в соответствии с которым в КНП сети формируют опорный ток кратковременного действия, фиксируют кривую напряжения смещения нейтрали, выделяют свободную составляющую переходного процесса, определяют собственную частоту контура и при расхождении ее с промышленной частотой формируют регулирующее воздействие на изменение индуктивности реактора. Свободную составляющую переходного процесса определяют как разностный сигнал, полученный путем наложения двух участков кривой напряжения смещения нейтрали, зафиксированных до и после действия опорного тока (РФ, патент №2321132, H02J 3/18, 27.03.2008).
Недостатком вышеописанного способа настройки компенсации емкостных токов замыкания на землю, наиболее близкого к заявляемому, является следующее.
Способ позволяет определить параметры контура, но фактическую расстройку определяет с дискретностью, при этом движение плунжера реактора, производящего настройку компенсации, происходит непрерывно. В совокупности снижается конечная точность настройки. Кроме того, способ предусматривают заранее заданную уставку, с которой сравнивают параметры свободных колебаний КНП и которая не изменяется оперативно, что исключает их использование в локальных сетях, несинхронизированных с единой энергосистемой, а, следовательно, сужает область использования. Кроме того, получение информации о частоте свободных колебаний КНП осуществляется путем операций с реализациями сигнала, полученными в существенно разные моменты времени. Это требует допущения, что напряжение в КНП стационарно, что в принципе не справедливо для электрических сетей с динамичным потреблением. В результате снижается точность настройки компенсации емкостных токов замыкания на землю, а также сужается область использования известного способа.
Таким образом, из выше изложенного следует, что в настоящее время остается актуальной проблема повышения точности настройки компенсации емкостных токов замыкания на землю в электрических сетях с нейтралью, заземленной через дугогасящий реактор.
Заявляемый способ настройки компенсации емкостных токов замыкания на землю в электрических сетях с нейтралью, заземленной через регулируемый дугогасящий реактор, при осуществлении решает проблему повышения точности настройки.
При этом заявляемый способ настройки компенсации емкостных токов замыкания на землю в электрических сетях с нейтралью, заземленной через регулируемый дугогасящий реактор, при осуществлении обеспечивает достижение технического результата: повышение точности настройки; расширение области использования.
Сущность заявляемого изобретения заключается в том, что в способе настройки компенсации емкостных токов замыкания на землю в электрических сетях с нейтралью, заземленной через регулируемый дугогасящий реактор, включающем формирование опорного тока в контуре нулевой последовательности, определение частоты колебаний в контуре нулевой последовательности в данный момент времени, сравнение с частотой сети, воздействие на изменение индуктивности дугогасящего реактора при отличии результата сравнения от допустимой величины, новым является то, что опорный ток формируют путем возбуждения в контуре нулевой последовательности непрерывных незатухающих колебаний. При этом непрерывные незатухающие колебания в контуре нулевой последовательности возбуждают при помощи усилителя с положительной обратной связью, нагрузкой которого является вторичная обмотка регулируемого дугогасящего реактора.
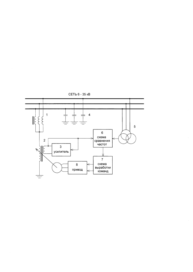
На фигуре изображен пример выполнения функциональной схемы устройства настройки компенсации емкостных токов замыкания на землю в электрических сетях с нейтралью, заземленной через регулируемый дугогасящий реактор, реализующего предлагаемый способ.
Выявленная проблема и заявленный технический результат достигаются следующим образом.
Признаки формулы изобретения: «Способ настройки компенсации емкостных токов замыкания на землю в электрических сетях с нейтралью, заземленной через регулируемый дугогасящий реактор, включающий формирование опорного тока в контуре нулевой последовательности, определение частоты колебаний в контуре нулевой последовательности в данный момент времени, сравнение с частотой сети, воздействие на изменение индуктивности дугогасящего реактора при отличии результата сравнения от допустимой величины,…» - являются нетъемлемой частью заявленного способа и обеспечивают его осуществимость, а, следовательно, обеспечивают достижение заявленного технического результата и решение выявленной проблемы.
Высокая точность настройки в заявляемом способе достигается за счет возможности использования частоты колебаний контура нулевой последовательности сети в качестве контролируемого параметра непосредственно, без дополнительных преобразований. Это обусловлено тем, что в заявляемом способе для контроля опорный ток формируют путем возбуждения в КНП непрерывных незатухающих колебаний. При этом непрерывные незатухающие колебания в КНП возбуждают при помощи усилителя с положительной обратной связью, нагрузкой которого является вторичная обмотка регулируемого дугогасящего реактора. В результате частота колебаний, возникающая в контуре нулевой последовательности сети в реальном масштабе времени, определяется реактивными параметрами и добротностью контура нулевой последовательности электрической сети, существующими в данный момент времени. При этом, поскольку колебания существуют непрерывно, то частота колебаний меняется одновременно с изменениями параметров КНП. Последнее, в свою очередь, обеспечивает возможность контроля точности настройки компенсации емкостных токов замыкания на землю непрерывно в реальном масштабе времени, в отличие от дискретного контроля, который выполняют способом по патенту РФ №2321132, наиболее близкому к заявляемому.
При этом, поскольку в заявляемом способе настройки компенсации емкостных токов замыкания на землю в электрических сетях для настройки в качестве эталонной используют частоту контролируемой сети непосредственно, без каких-либо преобразований, это не требует предъявления каких-либо дополнительных требований к настраиваемым сетям, что расширяет область использования заявляемого способа.
Из вышеизложенного следует, что заявляемый способ настройки компенсации емкостных токов замыкания на землю в электрических сетях с нейтралью, заземленной через регулируемый дугогасящий реактор, при осуществлении решает проблему повышения точности настройки. Кроме того, заявляемый способ настройки компенсации емкостных токов замыкания на землю в электрических сетях с нейтралью, заземленной через регулируемый дугогасящий реактор, при осуществлении обеспечивает достижение технического результата: повышение точности настройки; расширение области использования.
Заявленный способ настройки компенсации емкостных токов замыкания на землю в электрических сетях с нейтралью, заземленной через регулируемый дугогасящий реактор, осуществляют следующим образом. В контуре нулевой последовательности формируют опорный ток. Определяют частоту колебаний в контуре нулевой последовательности в данный момент времени и сравнивают с частотой сети. При отличии результата сравнения от допустимой величины выполняют воздействие на изменение индуктивности дугогасящего реактора. При этом опорный ток формируют путем возбуждения в контуре нулевой последовательности непрерывных незатухающих колебаний. Кроме того, непрерывные незатухающие колебания в контуре нулевой последовательности возбуждают при помощи усилителя с положительной обратной связью, нагрузкой которого является вторичная обмотка регулируемого дугогасящего реактора.
Устройство настройки компенсации емкостных токов замыкания на землю в электрических сетях с нейтралью, заземленной через регулируемый дугогасящий реактор, реализующее заявляемый способ, (см. фиг.) содержит подключенный к нейтрали электрической сети (напряжением 6-35 кВ) через питающий трансформатор 1 регулируемый дугогасящий реактор 2, обмотка управления которого подключена к усилителю с положительной обратной связью 3; емкости фаз 4 сети заземлены; к соответствующим фазам сети подключен трансформатор напряжения 5, выход которого подключен к первому входу устройства сравнения частот 6, второй вход которого подключен к цепи обратной связи усилителя 3; выход устройства сравнения 6 подключен к входу блока 7 выработки команд на движение плунжера ДГР 2, а выходы блока 7 подключены к приводу 8 плунжера ДГР 2.
Усилитель 3 может быть выполнен, например, в виде УНЧ класса Д на основе микросхемы IRS2092 International Rectifier с внутренней отрицательной обратной связью по току. Схема 6 сравнения частот и схема выработки команд 7 могут быть выполнены в виде программных блоков, реализуемых на микроконтроллерах, например STM32F407VET6.
Устройство работает следующим образом. Для возбуждения колебаний через обмотку управления ДГР 2 к КНП подключают усилитель 3, охваченный положительной обратной связью. Случайные флуктуации, существующие в выходном сигнале усилителя 3 поступаю! на обмотку управления ДГР 2, передающую на усилитель параметры КНП с коэффициентом трансформации, определяемым конструктивными параметрами ДГР 2. Поскольку сопротивление ДГР 2 максимально на резонансной частоте КНП, определяющей частоту свободных колебаний, то коэффициент передачи в петле обратной связи будет максимален на этой же частоте, что и обеспечивает генерацию колебаний на частоте КНП. Колебания существуют непрерывно, а их частота меняется одновременно с изменениями параметров КНП. Для измерения частоты достаточно одного полупериода колебаний, что для точной настройки на частоту сети составляет примерно 10 мс. В заявленном способе за эталон для сравнения принимают текущую частоту сети. Сигнал с частотой колебаний КНП поступает на второй вход устройства сравнения частот 6. С выхода трансформатора 5, подключенного к трехфазной сети, в которой контролируют настройку компенсации емкостных токов замыкания на землю, на первый вход устройства 6 поступает напряжение с частотой сети, которую используют для сравнения. Информация о разности частот с выхода блока 6 поступает на блок 7 для выработки команд на движение плунжера ДГР 2. Блок 7 сравнивает данные о разности частот с блока 6 с заданной уставкой. Команды с выходов блока 7 воздействуют на привод 8 плунжера реактора 2. При отклонении частоты колебаний КНП от частоты сети менее, чем на заданное уставкой значение, управляющие команды не формируются. При расхождении частот на значение большее, чем уставка блоком 7 формируется команда на привод 8. Если частота КНП выше частоты сети - команда формируется на движение плунжера ДГР вниз (уменьшение индуктивного тока, понижение частоты колебаний). В противоположном случае плунжер ДГР поднимается. Команда формируется до тех пор, пока отклонение частоты колебаний КНП от частоты сети не станет меньше значения уставки.
Относительная погрешность отработки расстройки может быть определена по приближенной формуле
δI=2δf,
где: δI - относительная погрешность настройки; δf - относительная погрешность отклонения частоты колебаний КНП от текущей частоты сети.
| название | год | авторы | номер документа |
|---|---|---|---|
| Способ настройки компенсации емкостных токов замыкания на землю в электрических сетях | 2016 |
|
RU2644582C1 |
| СПОСОБ НАСТРОЙКИ КОМПЕНСАЦИИ ЕМКОСТНЫХ ТОКОВ ЗАМЫКАНИЯ НА ЗЕМЛЮ (ВАРИАНТЫ) | 2009 |
|
RU2402132C1 |
| СПОСОБ НАСТРОЙКИ КОМПЕНСАЦИИ ЕМКОСТНЫХ ТОКОВ ЗАМЫКАНИЯ НА ЗЕМЛЮ В ЭЛЕКТРИЧЕСКИХ СЕТЯХ | 2006 |
|
RU2475915C2 |
| СПОСОБ НАСТРОЙКИ КОМПЕНСАЦИИ ЕМКОСТНЫХ ТОКОВ ЗАМЫКАНИЯ НА ЗЕМЛЮ В ЭЛЕКТРИЧЕСКИХ СЕТЯХ | 2006 |
|
RU2321132C1 |
| СПОСОБ АВТОМАТИЧЕСКОЙ КОМПЕНСАЦИИ ПЕРЕХОДНЫХ ТОКОВ ОДНОФАЗНОГО ЗАМЫКАНИЯ НА ЗЕМЛЮ В СЕТИ С ДУГОГАСЯЩИМ РЕАКТОРОМ В НЕЙТРАЛИ | 2022 |
|
RU2779398C1 |
| Способ компенсации емкостных токов в электрических сетях с изолированной нейтралью | 2023 |
|
RU2806893C1 |
| Способ настройки компенсации емкостного тока замыкания на землю | 2016 |
|
RU2646221C1 |
| УСТРОЙСТВО АВТОМАТИЧЕСКОЙ НАСТРОЙКИ ДУГОГАСЯЩЕГО РЕАКТОРА | 2009 |
|
RU2404501C1 |
| Способ автоматической компенсации тока однофазного замыкания на землю в сети с дугогасящим реактором в нейтрали | 2016 |
|
RU2655670C2 |
| СПОСОБ НАСТРОЙКИ КОМПЕНСАЦИИ ЕМКОСТНЫХ ТОКОВ ЗАМЫКАНИЯ НА ЗЕМЛЮ | 2014 |
|
RU2559809C1 |
Область использования: изобретение относится к области электротехники и может быть использовано для автоматической компенсации емкостных токов замыкания на землю в электрических сетях напряжением 6-35 кВ с нейтралью, заземленной через регулируемый дугогасящий реактор. Сущность: в контуре нулевой последовательности формируют опорный ток. Определяют частоту колебаний в контуре нулевой последовательности в данный момент времени и сравнивают с частотой сети. При отличии результата сравнения от допустимой величины выполняют воздействие на изменение индуктивности дугогасящего реактора. При этом опорный ток формируют путем возбуждения в контуре нулевой последовательности непрерывных незатухающих колебаний. Кроме того, непрерывные незатухающие колебания в контуре нулевой последовательности возбуждают при помощи усилителя с положительной обратной связью, нагрузкой которого является вторичная обмотка регулируемого дугогасящего реактора. Способ при осуществлении решает проблему повышения точности настройки. Достигаемый технический результат: повышение точности настройки; расширение области использования. 1 ил.
Способ настройки компенсации емкостных токов замыкания на землю в электрических сетях с нейтралью, заземленной через регулируемый дугогасящий реактор, включающий формирование опорного тока в контуре нулевой последовательности, определение частоты колебаний в контуре нулевой последовательности в данный момент времени, сравнение с частотой сети, воздействие на изменение индуктивности дугогасящего реактора при отличии результата сравнения от допустимой величины, отличающийся тем, что опорный ток формируют путем возбуждения в контуре нулевой последовательности непрерывных незатухающих колебаний, которые возбуждают при помощи усилителя с положительной обратной связью, нагрузкой которого является вторичная обмотка регулируемого дугогасящего реактора.
| Внутренний центратор для сварки поворотных стыков труб | 1961 |
|
SU147273A1 |
| УСТРОЙСТВО ДЛЯ РАСКЛАДКИ МИКРОПРПВОДА | 0 |
|
SU205145A1 |
| СПОСОБ НАСТРОЙКИ КОМПЕНСАЦИИ ЕМКОСТНЫХ ТОКОВ ЗАМЫКАНИЯ НА ЗЕМЛЮ В ЭЛЕКТРИЧЕСКИХ СЕТЯХ | 2006 |
|
RU2321132C1 |
| СПОСОБ АВТОМАТИЧЕСКОЙ НАСТРОЙКИ ДУГОГАСЯЩЕГО РЕАКТОРА | 2002 |
|
RU2222857C1 |
| WO 2007082631 A1, 26.07.2007. | |||
Авторы
Даты
2025-03-28—Публикация
2024-05-28—Подача