Горный комбайн (варианты) Российский патент 2025 года по МПК E21C29/22 E21C31/00 B62D11/18 

Описание патента на изобретение RU2838082C2

Область техники, к которой относится изобретение

Изобретение относится к области горного машиностроения и может быть использовано в конструкциях горных машин.

Уровень техники

За аналог взят проходческий комбайн ПК-3М (стр. 96-106, Базер Я.И., Крутилин В.И., Соколов Ю.Л. Проходческие комбайны. М., «Недра», 1974), ходовая часть которого включает две гусеничные тележки с приводами правой и левой гусениц. Привод гусеницы состоит из редуктора гусеничного хода, электродвигателя и шестилучевой звездочки. Каждая часть редуктора имеет три пары цилиндрических передач и одну червячную. Недостатком аналога является отсутствие дополнительного гидравлического двигателя в приводе гусениц, и соответственно, возможности переключения привода с электродвигателя на гидравлический двигатель.

Наиболее близким техническим решением, принятым за прототип, является система управления трансмиссией гусеничного хода горной машины (патент РФ 2152514 С1), включающая двигатель, кинематическую цепь с зубчатой передачей и приводным валом и гидравлическую систему управления. При этом двигатель может быть как электрический, так и гидравлический. Недостатком прототипа является отсутствие возможности переключения привода с электродвигателя на гидравлический двигатель.

Сущность изобретения

Техническим результатом настоящего изобретения является улучшение маневренности и увеличение энергоэффективности комбайна.

Указанный технический результат обеспечивается тем, что горный комбайн содержит ходовую часть, по меньшей мере один исполнительный орган, отбойно-погрузочное устройство; упомянутая ходовая часть выполнена в виде двух движителей, каждый из которых снабжен приводом; упомянутый привод движителя выполнен в виде редуктора, входной вал которого соединен с кинематической цепью передачи движения от двигателей; упомянутая кинематическая цепь соединена с электрическим и гидравлическим двигателями и выполнена с возможностью передачи движения на упомянутый входной вал редуктора от упомянутого электрического или гидравлического двигателя независимо.

Указанный технический результат обеспечивается также тем, что горный комбайн, содержащий ходовую часть, по меньшей мере один исполнительный орган, отбойно-погрузочное устройство; упомянутая ходовая часть выполнена в виде двух движителей, каждый из которых снабжен приводом; упомянутый привод движителя выполнен в виде редуктора, входной вал которого соединен с кинематической цепью; упомянутая кинематическая цепь включает планетарную передачу, имеющую солнечную шестерню, планетарные шестерни, водило и коронную шестерню, упомянутая коронная шестерня содержит наружный зубчатый венец, при этом упомянутая солнечная шестерня соединена с валом электрического двигателя, а упомянутый наружный зубчатый венец соединен посредством шестерни с валом гидравлического двигателя.

Сущность изобретения состоит в возможности передачи движения на движители комбайна от попеременно включаемых электродвигателя и гидродвигателя, что позволяет изменять передаваемую мощность и скорость передвижения комбайна в зависимости от режима его работы.

Описание чертежей

Сущность изобретения поясняется графическими материалами, где изображено:

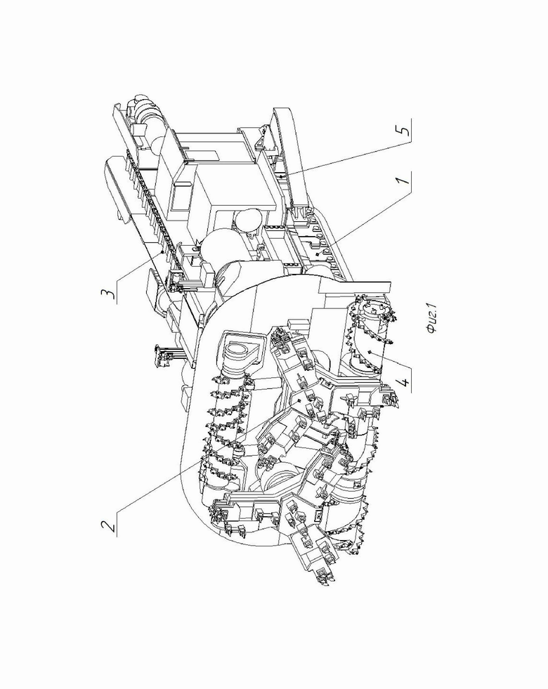
Фиг. 1 - Горный комбайн. Общий вид;

Фиг. 2 - Кинематическая схема привода ходовой части;

Фиг. 3 - Привод. Общий вид.

Осуществление изобретения

При эксплуатации от горных комбайнов требуются различные режимы передвижения. Маневровый режим - это режим, при котором комбайн максимально быстро должен быть перемещен из одной горной выработки в другую. Рабочий режим - это режим, при котором комбайн движется на забой и отбивает горную массу. В зависимости от режима, на движители комбайна необходимо передавать различные мощность и скорость.

Главное отличие электродвигателя от гидродвигателя заключается в больших оборотах и меньшей мощности. Таким образом, электродвигатель целесообразно использовать при перегоне комбайна, когда необходима скорость и минимальная мощность, а гидродвигатель рационально использовать при работе в забое при добыче руды, когда комбайн двигается медленно, но испытывает при этом большие нагрузки на ходовую часть.

Горный комбайн состоит из ходовой части (1), исполнительного органа (2), конвейера (3), отбойно-погрузочного устройства (4). Ходовая часть (1) выполнена в виде двух движителей (как правило, гусеничных), каждый из которых снабжен своим независимым приводом (5).

Каждый привод движителя выполнен в виде редуктора, включающего шестерню 17, как показано на Фиг. 2. Редуктор содержит входной вал, соединенный с кинематической цепью.

Кинематическая цепь включает, например, планетарную передачу, имеющую солнечную шестерню (10), планетарные шестерни (11), водило (13) и коронную шестерню (эпицикл) (12). Коронная шестерня (12) содержит наружный зубчатый венец (16). Солнечная шестерня (10) соединена с валом электрического двигателя (8), а наружный зубчатый венец (16) соединен посредством шестерней (15) и (14) с валом гидравлического двигателя (9).

Кинематическая цепь с редуктором может быть выполнена в виде блока (модуля) (6), как показано на Фиг. 3, т.е. все элементы редуктора и кинематической цепи могут располагаться в одном корпусе (7).

Горный комбайн снабжен средствами управления (не показаны) включением и режимами работы двигателей (8) и (9).

Для перехода на маневровый режим движения оператор выбирает на пульте управления комбайном соответствующий режим, после чего пультом управления формируется информационный сигнал, который поступает на управляющий модуль, управляющий модуль, в свою очередь, обрабатывает его и формирует пусковой сигнал, направленный на включение электродвигателя (8) и отключение гидродвигателя (9). Аналогичная последовательность возникает при принятии оператором решения перейти в рабочий режим движения комбайна. Для этого на пульте управления комбайном выбирается соответствующий режим и включается гидравлический двигатель (9), и отключается электрический (8).

Как показано на Фиг. 2, передача движения и мощности на движитель осуществляется посредством шестерни (17), которая, в свою очередь, кинематически связана с двигателями (8) и (9) следующим образом:

- через водило (13), планетарные шестерни (11), коронную шестерню (12) и солнечную шестерню (10) с валом электрического двигателя (8);

- через водило (13), планетарные шестерни (11), наружный зубчатый венец (16), шестерни (15) и (14) с валом гидродвигателя (9).

Таким образом, передача вращения валу (18) с закрепленной на нем шестерней (17) и далее движителю происходит через водило (13), которое вращается по известному принципу планетарной передачи. В свою очередь зубчатому венцу (16) передает вращение шестерня (14) через шестерню (15). Таким образом, водило (13), приводимое в движение коронной шестерней (12), может также получать вращение от зубчатого венца (16). Все вышеперечисленное наглядно демонстрирует, что вал (18) с закрепленной на нем шестерней (17) и далее движитель могут получать вращение как от вала электродвигателя (8), так и от вала гидродвигателя (9).

Следует также отметить, что приведенная конфигурация горного комбайна является частным случаем и может быть исполнена по-другому, существенным являются сами возможности, которые такая конфигурация дает, и которые, тем не менее, могут быть достигнуты рядом других конструктивных особенностей. Например: приводной блок может быть прикреплен к редуктору как посредством фланца, так и через реактивную тягу или какого-либо другого вида опору; кинематическая схема может состоять не только из перечисленных выше элементов цепи, но и дополнена какими-либо другими, а также сама схема может быть изменена каким-либо другим порядком и набором элементов, но основная идея попеременного включения двигателей останется прежней; входящие в состав средства управления, пульт управления и управляющий модуль могут быть объединены, а также само средство может быть дополнено какими-либо другими элементами, либо может быть изменен их порядок. Кроме того, формулой изобретения не исключается использование в конструкции горного комбайна исполнительных органов разных видов (роторные, планетарно-дисковые и т.п.).

Похожие патенты RU2838082C2

название год авторы номер документа
ВЕДУЩИЙ МОСТ ТРАНСПОРТНОГО СРЕДСТВА 2011
  • Усс Иван Никодимович
  • Мелешко Михаил Григорьевич
  • Стасилевич Андрей Григорьевич
  • Жичко Олег Иванович
  • Васильев Юрий Алексеевич
  • Ключников Алексей Владимирович
RU2460651C1
Шахтная самоходная машина 2023
  • Скуров Анатолий Георгиевич
  • Семенов Виктор Владимирович
  • Ромадинов Евгений Геннадьевич
  • Гюбнер Герберт Эрвинович
  • Вольф Виктор Геннадьевич
  • Головченко Александр Игоревич
RU2825776C1
УГЛЕДОБЫВАЮЩИЙ БАРАБАННЫЙ КОМБАЙН ДОЛИНСКОГО БКД, СПОСОБ ПОГРУЗКИ УГЛЯ НА КОНВЕЙЕР, БАРАБАННЫЙ ИСПОЛНИТЕЛЬНЫЙ ОРГАН ОЧИСТНОГО КОМБАЙНА, МЕХАНИЗМ ПОДЪЕМА ИСПОЛНИТЕЛЬНОГО ОРГАНА КОМБАЙНА, МЕХАНИЗМ ПОВЫШЕНИЯ УСТОЙЧИВОСТИ КОМБАЙНА, МЕХАНИЗМ ПОДАЧИ КОМБАЙНА 2001
  • Долинский А.М.
RU2244124C2
ВЕДУЩИЙ УПРАВЛЯЕМЫЙ МОСТ ТРАНСПОРТНОГО СРЕДСТВА 2011
  • Усс Иван Никодимович
  • Мелешко Михаил Григорьевич
  • Стасилевич Андрей Григорьевич
  • Ермаленок Валерий Генрихович
  • Клышко Александр Николаевич
RU2468936C2
ГОРНЫЙ КОМБАЙН 2000
  • Федоровский Ю.Д.
  • Кутья М.П.
  • Дубовский Ю.П.
  • Зинин Г.Н.
  • Фишер Г.Г.
RU2171375C1
ГУСЕНИЧНЫЙ АСФАЛЬТОУКЛАДЧИК 1992
  • Шухман В.Д.
  • Сыромолотов В.Н.
  • Шутман М.И.
  • Красников А.Б.
  • Журавский С.Л.
  • Сологуб А.М.
  • Денисенко В.И.
RU2024677C1
ПРИВОД ИСПОЛНИТЕЛЬНОГО ОРГАНА ГОРНОГО КОМБАЙНА 1972
SU433282A1
Исполнительный орган горного комбайна 1986
  • Вахрушев Владимир Николаевич
  • Гюбнер Герберт Эрвинович
SU1411459A1
Электропривод трубопроводной арматуры с ручным дублером 2022
  • Юдин Владимир Алексеевич
  • Аглиулин Салих Габидулович
  • Становский Виктор Владимирович
  • Казакявичюс Сергей Матвеевич
RU2797329C1
ГИБРИДНАЯ СИЛОВАЯ УСТАНОВКА ТРАНСПОРТНОГО СРЕДСТВА 2013
  • Егоров Аркадий Васильевич
RU2559868C2

Иллюстрации к изобретению RU 2 838 082 C2

Реферат патента 2025 года Горный комбайн (варианты)

Группа изобретений относится к горным проходческим комбайнам. Горный комбайн содержит ходовую часть, по меньшей мере один исполнительный орган, отбойно-погрузочное устройство. Упомянутая ходовая часть выполнена в виде двух движителей, каждый из которых снабжен приводом. Упомянутый привод движителя выполнен в виде редуктора, входной вал которого соединен с кинематической цепью передачи движения от двигателей. Упомянутая кинематическая цепь соединена с электрическим и гидравлическим двигателями и выполнена с возможностью передачи движения на упомянутый входной вал редуктора от упомянутого электрического или гидравлического двигателя независимо. Технический результат заключается в улучшении маневренности и увеличении энергоэффективности комбайна. 2 н.п. ф-лы, 3 ил.

Формула изобретения RU 2 838 082 C2

1. Горный комбайн, содержащий ходовую часть, по меньшей мере один исполнительный орган, отбойно-погрузочное устройство;

упомянутая ходовая часть выполнена в виде двух движителей, каждый из которых снабжен приводом;

упомянутый привод движителя выполнен в виде редуктора, входной вал которого соединен с кинематической цепью передачи движения от двигателей;

упомянутая кинематическая цепь соединена с электрическим и гидравлическим двигателями и выполнена с возможностью передачи движения на упомянутый входной вал редуктора от упомянутого электрического или гидравлического двигателя независимо.

2. Горный комбайн, содержащий ходовую часть, по меньшей мере один исполнительный орган, отбойно-погрузочное устройство;

упомянутая ходовая часть выполнена в виде двух движителей, каждый из которых снабжен приводом;

упомянутый привод движителя выполнен в виде редуктора, входной вал которого соединен с кинематической цепью;

упомянутая кинематическая цепь включает планетарную передачу, имеющую солнечную шестерню, планетарные шестерни, водило и коронную шестерню, упомянутая коронная шестерня содержит наружный зубчатый венец, при этом упомянутая солнечная шестерня соединена с валом электрического двигателя, а упомянутый наружный зубчатый венец соединен посредством шестерни с валом гидравлического двигателя.

Документы, цитированные в отчете о поиске Патент 2025 года RU2838082C2

Васильев Б.В
и др
Проходческо-очистные комбайновые комплексы калийных рудников
Учебное пособие для машинистов выемочных машин
Аппарат для очищения воды при помощи химических реактивов 1917
  • Гордон И.Д.
SU2A1
Чекмасов Н.В
и др
Печь-кухня, могущая работать, как самостоятельно, так и в комбинации с разного рода нагревательными приборами 1921
  • Богач В.И.
SU10A1
Печь для непрерывного получения сернистого натрия 1921
  • Настюков А.М.
  • Настюков К.И.
SU1A1
Устройство и принцип действия: метод

RU 2 838 082 C2

Авторы

Скуров Анатолий Георгиевич

Семенов Виктор Владимирович

Ромадинов Евгений Геннадьевич

Давыдов Роман Сергеевич

Чирков Владимир Валентинович

Даты

2025-04-10Публикация

2021-11-23Подача