Изобретение относится к электрическому обогреву, в частности к устройствам отбора мощности в системах электрического обогрева трубопроводов.
Уровень техники
Из патента РФ на изобретение № 2821850 известно устройство отбора мощности, содержащее, по крайней мере, два трансформатора тока с каналами и вторичными обмотками, к выходным зажимам которых через блок управления подключена нагрузка, причем через каналы трансформаторов тока проложен проводник, соединенный посредством соединительных муфт с нагревательным проводником, подключенным к источнику переменного тока, а трансформаторы тока расположены в соединительной коробке или выносном шкафу. Также известна система электрического обогрева трубопровода.
Недостатками данного изобретения является то, что данная система не допускает работу с нагрузкой с переменной мощностью. При обрыве нагрузки или вторичной обмотки трансформатора тока, значительно увеличится основной магнитный поток в магнитопроводе, что вызовет его нагрев. Это произойдет из-за того, что во вторичной обмотке не будет тока, а значит не возникнет встречного магнитного потока, который скомпенсирует магнитный поток от первичной обмотки, и так же на вторичной обмотке трансформатора тока будет наводиться высокое напряжение, что может привести к повреждению подключённых к ней устройств, в особенности это касается полупроводниковых приборов и различной электроники. Также повышенное напряжение опасно в плане поражения обслуживающего персонала электрическим током. Для подключения значительной нагрузки используется несколько трансформаторов тока, что приводит к удорожанию и снижению надёжности системы.
В патенте РФ на изобретение № 2755647 раскрыт способ отбора электроэнергии с линейной части системы электрообогрева промышленного объекта, заключающийся в том, что на нагревательном проводнике системы электрообогрева на определенном расстоянии друг от друга устанавливают два соединительных элемента, в каждом из которых сращивают нагревательный проводник через разветвительный соединитель, а к разветвленному концу соединителя подключают изолированный электрический провод соответствующего класса напряжения, посредством которого снимают электрический потенциал и заводят в устройство питания и управления нагревательным элементом источника тепловых потерь или приводом исполнительного механизма через ввод, соответствующий зоне установки источника тепловых потерь или исполнительного механизма, а нагревательный элемент источника тепловых потерь или привод исполнительного механизма также подключают к устройству питания и управления.
Недостатками данного изобретения является то, что отбор мощности осуществляется только на определенном участке системы. Соответственно, выделяемая погонная мощность (Вт/м) электрообогрева на данном участке будет ниже, чем на остальных участках, где нет отбора мощности. Это может привести к неравномерному прогреву обогреваемого трубопровода. Для отбора мощности на токоведущем проводнике используются высоковольтные разветвительные муфты, при этом необходимо выводить высоковольтный кабель, что, в свою очередь, приводит в повышенным требованиям к электробезопасности. При обрыве или отгарании токопроводящей жилы в системе электрообогрева после участка отбора мощности в местах отбора мощности появится напряжение, равное питающему напряжению системы, в связи с чем необходимо предусматривать дополнительные меры по защите подключаемого оборудования. Для отбора значительной мощности расстояние между двумя точками (для отбора мощности) может достигать сто метров и более. В связи с этим необходимо прокладывать силовой кабель и под него предусматривать конструкцию крепления (опоры, лотки, полки и т.д.). Это приводит к дополнительным затратам по материалам и работам.
Раскрытие сущности изобретения
Настоящая группа изобретений направлена на достижение технического результата, заключающегося в возможности обеспечения питанием дополнительной нагрузки для электрообогрева трубопроводов, или трубной арматуры, а также, для мониторинга системы или управления задвижками. Данный технический результат особо актуален на протяженных межплощадочных трубопроводах, где нет сопутствующей электрической сети.
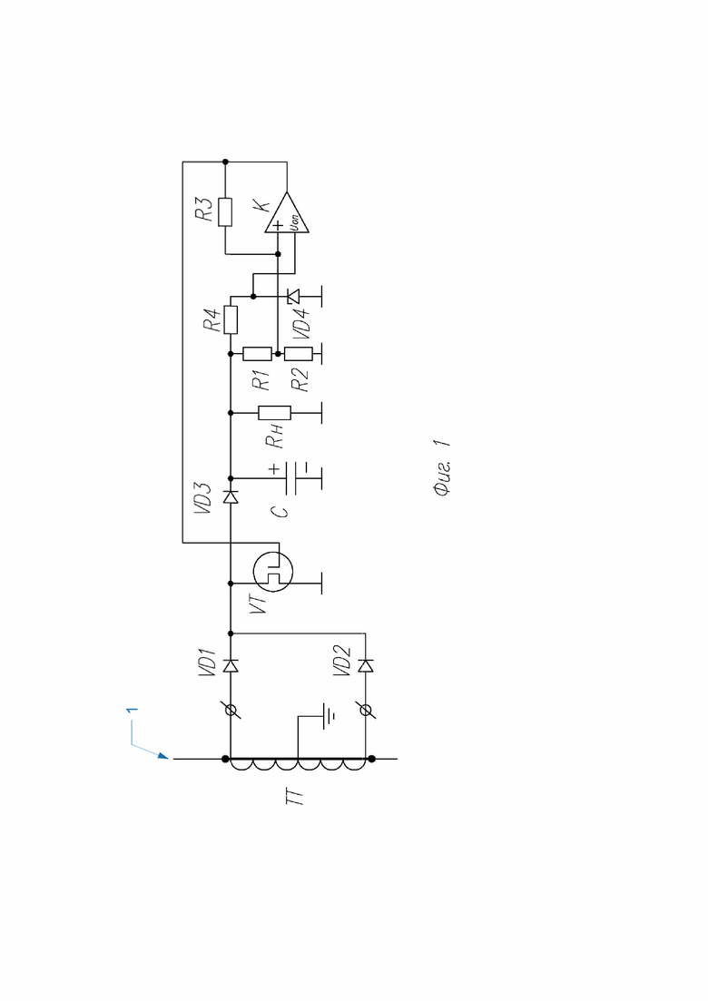
Заявленные технические результаты обеспечивает устройство отбора мощности в системах электрического обогрева трубопроводов (далее – изобретение, устройство, техническое решение), содержащее трансформатор тока (ТТ), первичной обмоткой которого является токопроводящая жила (1) линии отбора мощности или токопроводящая жила (1) линии отбора мощности подключена к первичной обмотке последовательно, а к вторичной обмотке, через двухполупериодный выпрямитель (VD1, VD2), подключены силовые клеммы управляемого шунта (VT) и далее, через разделительный ключ (VD3), компаратор (К) и сглаживающий фильтр (С), причем выход компаратора (К) подключен к управляющему входу управляемого шунта (VT), а выход сглаживающего фильтра (C) подключен к нагрузке (Rн), где необходимое напряжение на нагрузке (Rн) задается делителем напряжения (R1, R2), подключенного к неинвертирующему входу компаратора (К), а резистором (R3) обеспечивается положительная обратная связь, при этом стабилитроном (VD4) и резистором (R4) задаётся параметрическое опорное напряжение на компараторе (К).
Также технический результат достигается за счет следующей совокупности признаков: устройство отбора мощности в системах электрического обогрева трубопроводов, содержащее трансформатор тока (ТТ), первичной обмоткой которого является токопроводящая жила (2), а к вторичной обмотке подключен диодный мост (VD1), соединенный с как минимум двумя транзисторами (VT1, VT2) и далее, через диод (VD2) со сглаживающим конденсатором (C), нагрузкой (Rн), делителем напряжения (R1, R2), при этом резистор положительной обратной связи (R3) соединен с делителем напряжения (R1, R2) и двумя транзисторами (VT1, VT2).
Вместе с тем, признаки устройств, указанные в зависимых пунктах формулы настоящего изобретения касаются особенно предпочтительных модификаций технических решений.
Достижение заявленного технического результата обеспечивается признаками изобретения, перечисленными в формуле изобретения. Осуществимость достижения технического результата поясняется далее с учетом прилагаемых чертежей и описания осуществления изобретения.
Краткое описание чертежей
Заявляемые технические решения поясняются изображениями:
Фиг. 1 – Схема устройства отбора мощности в системах электрического обогрева трубопроводов по первому варианту исполнения;
Фиг. 2 – Схема устройства отбора мощности в системах электрического обогрева трубопроводов по второму варианту исполнения.
Осуществление изобретения
При электрообогреве протяженных трубопроводов с питанием нагрузки в одной точке возникает потребность отслеживания температурных параметров обогреваемого трубопровода не только в начале обогрева, но и так же в конце системы, а также и в середине обогреваемого трубопровода. Это связанно с направлением продукта и возможной установкой запорной арматуры. Возможен переход диаметров обогреваемого трубопровода с большего на меньший или наоборот, а также возможна разная толщина или материал теплоизоляции. На трубопроводе предусмотрены воздушники, для стравливания воздуха и спускники для сброса продукта, данные отводы также необходимо обогревать для исключения их замерзания. На трубопроводах может быть установлена трубная арматура в виде задвижек, байпасов, фланцев и т.д., которые также необходимо обогревать. Иногда возникает необходимость в управлении электрическими задвижками или иными устройствами. Для контроля целостности нагревательного кабеля или системы целиком необходимо отслеживать токи в конце обогреваемого участка в короткозамкнутой системе электрообогрева. Измеренные значения тока необходимо передавать в шкаф управления посредством PLC-модема, оптического кабеля, радиоканала, спутниковой связи или иными способами, для чего требуется источник питания для указанных устройств. На обогреваемых трубопроводах встречаются Т – образные соединения, у которых необходимо обогревать ответвление.
Для решение вышеуказанных задач и была разработана настоящая группа изобретений. Как видно из Фиг.1, устройство отбора мощности в системах электрического обогрева трубопроводов по первому варианту исполнения содержит трансформатор тока (ТТ), первичной обмоткой которого является токопроводящая жила (1) линии отбора мощности или токопроводящая жила (1) линии отбора мощности может быть подключена к первичной обмотке последовательно, а к вторичной обмотке, через двухполупериодный выпрямитель (VD1, VD2), подключены силовые клеммы управляемого шунта (VT) и далее, через разделительный ключ (VD3), компаратор (К) и сглаживающий фильтр (С), причем выход компаратора (К) подключен к управляющему входу управляемого шунта (VT), а выход сглаживающего фильтра (C) подключен к нагрузке (Rн), необходимое напряжение на нагрузке (Rн) задается делителем напряжения (R1, R2), подключенного к неинвертирующему входу компаратора (К), а резистором (R3) обеспечивается положительная обратная связь для работы компаратора (К) в режиме триггера Шмидта и исключения работы шунта в линейном режиме. Стабилитроном (VD4) и резистором (R4) задаётся параметрическое опорное напряжение на компараторе (К).
Переменный ток в токопроводящей жиле (1), проходя через первичную обмотку трансформатора тока (ТТ), создает переменный магнитный поток, индуцирующий во вторичной обмотке ЭДС самоиндукции. ЭДС самоиндукции выпрямляется двухполупериодным выпрямителем (VD1, VD2), минует управляемый шунт (VT) и через разделительный ключ (VD3) поступает на сглаживающий фильтр (С), в результате чего возникает зарядный ток. По мере накопления энергии в сглаживающем фильтре (С), напряжение на нем растет. При достижении напряжения равном или выше заданного, компаратор (К) срабатывает и включает управляемый шунт (VT). Теперь, выходной ток, не доходя до сглаживающего фильтра (C), проходит через управляемый шунт (VT). Разряду сглаживающего фильтра (C) на управляемый шунт (VT) препятствует разделительный ключ (VD3). По мере снижения энергии, запасенной в сглаживающем фильтре (C) и затрачиваемой на нагрузку (Rн), снижается напряжение на сглаживающем фильтре (С) и компаратор (К) выключает управляемый шунт (VT). Начинается цикл заряда.
Таким образом, напряжение на нагрузке (Rн) остается стабильным при любом токе нагрузки, не превышающем заданный, а режим работы трансформатора тока (ТТ) близок к линейному, что исключает возникновение аварийных ситуаций.
Двухполупериодный выпрямитель (VD1, VD2) может быть реализован любым известным способом – мостовая схема, схема со средней точкой, синхронный выпрямитель и т.д. Способ выбирается исходя из допустимой мощности потерь.
Управляемый шунт (VT) может быть реализован, в простейшем случае, в виде полевого транзистора с малым сопротивлением открытого канала, для снижения потерь на нагрев.
Разделительный ключ (VD3) – любой однонаправленный прибор, например диод (простейший случай), транзистор и т.д.
Сглаживающий фильтр (C) – любой элемент, позволяющий накапливать энергию, например конденсатор.
Компаратор (К) – любая электронная схема, выдающее напряжение на своем выходе при превышении установленного напряжения. Наиболее простая схема – пара транзисторов, включенных последовательно по схеме общий эмиттер (исток) с положительной обратной связью, где первый играет роль элемента сравнения (например, полевой транзистор), на затвор которого, через делитель напряжения (R1, R2), подается часть напряжения с выхода сглаживающего фильтра (С), а второй (например, n-p-n транзистор) формирует управляющее напряжение на входе управляемого шунта. Положительная обратная связь (R3) обеспечивает необходимый гистерезис для исключения работы шунта в линейном режиме.
Как видно из Фиг.2, устройство отбора мощности в системах электрического обогрева трубопроводов по второму варианта исполнения содержит трансформатор тока (ТТ), первичной обмоткой которого является токопроводящая жила (2), а к вторичной обмотке подключен диодный мост (VD1), соединенный с как минимум двумя транзисторами (VT1, VT2) и далее, через диод (VD2) со сглаживающим конденсатором (C), нагрузкой (Rн), делителем напряжения (R1, R2), при этом резистор положительной обратной связи (R3) соединен с делителем напряжения (R1, R2) и двумя транзисторами (VT1, VT2).
Переменный ток в токопроводящей жиле (2), проходя через первичную обмотку трансформатора тока (ТТ), создает переменный магнитный поток, индуцирующий во вторичной обмотке ЭДС самоиндукции. ЭДС самоиндукции выпрямляется диодным мостом (VD1), минует полевой транзистор (VT1), и через диод (VD2) поступает на сглаживающий конденсатор (C), в результате чего возникает зарядный ток конденсатора равный выходному току. По мере накопления энергии в сглаживающем конденсаторе (C), напряжение на нем растет.
При достижении напряжения равном или выше заданного, напряжение на затворе первого полевого транзистора (VT1) достигает порогового напряжения, что вызывает его частичное открытие, приоткрытый канал начинает шунтировать базу второго транзистора (VT2) и на его коллекторе появляется положительное напряжение, которое, через резистор положительной обратной связи (R3), поступает на затвор первого полевого транзистора (VT1), вызывая его дальнейшее открытие. Процесс развивается лавинообразно и формируется управляющий импульс с крутыми фронтами, поступающий на затвор полевого транзистора (VT1), и не позволяющими работать ему в линейном режиме. Выходной ток, не доходя до сглаживающего конденсатора (C), проходит через открытый канал транзистора (VT1, VT2). При этом напряжение на нем близко к нулю и диод (VD2) закрыт. По мере снижения энергии, запасенной в сглаживающем конденсаторе (C) и затрачиваемой на нагрузку (Rн), снижается напряжение на входе полевого транзистора (VT1) и он выключает транзистор (VT2), а резистор положительной обратной связи (R3) улучшает крутизну фронтов. Начинается цикл заряда.
Габаритная мощность трансформатора тока (ТТ) выбирается большей, чем требуемая мощность нагрузки (Rн), количество витков вторичной обмотки рассчитывается исходя из требуемого напряжения нагрузки и определяется размерами магнитопровода трансформатора тока (ТТ). Количество витков первичной обмотки трансформатора тока (ТТ) рассчитывается по требуемому току нагрузки (Rн) при минимальном входном токе и округляется в большую сторону. При расчетном количестве витков первичной обмотке <=1, роль первичной обмотки играет линия отбора мощности. Сечение проводов обмоток трансформатора тока (ТТ) определяется по максимальному току первичной и, соответственно, вторичной обмоток.
Мощность и напряжение диодного моста (VD1) и диода (VD2) выбирается исходя из выходного тока при максимальном входном токе и заданного напряжения нагрузки.
Емкость сглаживающего конденсатора (C) определяется исходя из допустимого напряжения пульсаций при минимальном входного токе и особенностей не имеет.
Параметры транзисторов (VT1, VT2) определяются исходя из максимального вторичного тока трансформатора тока (ТТ), напряжения нагрузки и допустимого перегрева.
Полученное выходное напряжение, с данных устройств, при необходимости, возможно трансформировать в любое необходимое напряжение как постоянного, так и переменного токов.
Трансформаторы тока устанавливаются как в соединительных, так и концевых коробках систем электрообогрева, как взрывопожароопасных, так и не взрывопожароопасных зонах.
Трансформатор тока может быть выполнен совместно со схемой стабилизации напряжения, в одном корпусе, так и раздельно, в зависимости от номинала отбираемой мощности и назначения питающей нагрузки.
Метод отбора мощности в вышеуказанных устройствах отличается тем, что в одном случае используется двухполупериодный выпрямитель, а в другом диодный мост. Также различие есть в исполнении компаратора (К), где в одном случае это микросхема, а в другом случае схема, реализованная на паре транзисторов. Выбор реализации одной из схем определяется требованием к отбираемой мощности и выходному напряжению устройства, для малых мощностей используется двухполупериодный выпрямитель, а для больших - диодный мост.
| название | год | авторы | номер документа |
|---|---|---|---|
| УСТРОЙСТВО ОТБОРА МОЩНОСТИ И СИСТЕМА ЭЛЕКТРИЧЕСКОГО ОБОГРЕВА ТРУБОПРОВОДА, СОДЕРЖАЩАЯ ТАКОЕ УСТРОЙСТВО | 2023 |
|
RU2821850C1 |
| ПРЕОБРАЗОВАТЕЛЬ НАПРЯЖЕНИЯ С ЗАЩИТОЙ КЛЮЧЕЙ | 2013 |
|
RU2549526C2 |
| ПОЛНОМОСТОВОЙ ПРЕОБРАЗОВАТЕЛЬ ПОСТОЯННОГО НАПРЯЖЕНИЯ С МЯГКОЙ КОММУТАЦИЕЙ | 2007 |
|
RU2327274C1 |
| ПОРТАТИВНЫЙ ИНДУКЦИОННЫЙ ОБОГРЕВАТЕЛЬ И СПОСОБ УПРАВЛЕНИЯ ПОРТАТИВНЫМ ИНДУКЦИОННЫМ ОБОГРЕВАТЕЛЕМ | 2024 |
|
RU2825929C1 |
| ДВУХТАКТНЫЙ УСИЛИТЕЛЬ МОЩНОСТИ | 2002 |
|
RU2298282C2 |
| СПОСОБ И РЕВЕРСИВНОЕ УСТРОЙСТВО ПРЕОБРАЗОВАНИЯ ЭНЕРГИИ МАГНИТНОГО ПОЛЯ ФЕРРОМАГНИТНОГО СЕРДЕЧНИКА В ТЕПЛОВУЮ ИЛИ ЭЛЕКТРИЧЕСКУЮ ЭНЕРГИЮ | 2014 |
|
RU2586251C2 |
| ЭНЕРГОПРЕОБРАЗУЮЩАЯ АППАРАТУРА ДЛЯ СИСТЕМ ЭЛЕКТРОПИТАНИЯ ПОСТОЯННОГО ТОКА | 2017 |
|
RU2676678C1 |
| УСТРОЙСТВО ПРЕОБРАЗОВАНИЯ ЭНЕРГИИ МАГНИТНОГО ПОЛЯ ФЕРРОМАГНИТНОГО СЕРДЕЧНИКА В ТЕПЛОВУЮ ИЛИ ЭЛЕКТРИЧЕСКУЮ ЭНЕРГИЮ | 2014 |
|
RU2569200C1 |
| ПОЛУМОСТОВОЙ АВТОГЕНЕРАТОРНЫЙ ИНВЕРТОР | 2014 |
|
RU2573647C1 |
| Управляемый ключевой электронный коммутатор | 2016 |
|
RU2628129C2 |
Изобретение относится к электрическому обогреву, в частности к устройствам отбора мощности в системах электрического обогрева трубопроводов. Технический результат изобретения заключается в возможности обеспечения питанием дополнительной нагрузки для электрообогревных трубопроводов, или трубной арматуры, а также для мониторинга системы или управления задвижками. Устройство отбора мощности содержит трансформатор тока, двухполупериодный выпрямитель, управляемый шунтирующий ключ, выполненный на двух транзисторах, управляющий вход которого соединен с делителем напряжения. 2 ил.
Устройство отбора мощности в системах электрического обогрева трубопроводов, содержащее трансформатор тока, первичной обмоткой которого является токопроводящая жила линии отбора мощности или токопроводящая жила линии отбора мощности подключена к первичной обмотке последовательно, к вторичной обмотке трансформатора тока через двухполупериодный выпрямитель подключены силовые клеммы управляемого шунта и через диод подключены сглаживающий конденсатор, нагрузка и делитель напряжения, отличающееся тем, что управляемый шунт содержит два транзистора, сток первого из которых является его первой силовой клеммой, соединенной с анодом диода, исток первого транзистора соединен с базой второго транзистора, эмиттер которого является второй силовой клеммой управляемого шунта, затвор первого транзистора соединен со средней точкой делителя напряжения и через резистор положительной обратной связи с коллектором второго транзистора.
| Способ отбора электроэнергии с линейной части индуктивно-резистивных, индуктивных и резистивных систем электрообогрева и узел для осуществления способа (варианты) | 2020 |
|
RU2755647C1 |
| РАБОЧИЙ ОРГАН К КОПРОВОЙ УСТАНОВКЕ ДЛЯ ОБРАЗОВАНИЯ КОТЛОВАНОВ В МЕРЗЛЫХ ГРУНТАХ | 0 |
|
SU179239A1 |
| ЭКСТРЕМАЛЬНЫЙ РЕГУЛЯТОР МОЩНОСТИ | 1996 |
|
RU2117983C1 |
| СТАБИЛИЗАТОР ПОСТОЯННОГО НАПРЯЖЕНИЯ | 2015 |
|
RU2611021C2 |
| Виноградов А.Б., Устройство отбора мощности от линии электропередачи для питания измерительных устройств | |||
| Очаг для массовой варки пищи, выпечки хлеба и кипячения воды | 1921 |
|
SU4A1 |
Авторы
Даты
2025-04-22—Публикация
2025-01-21—Подача