Заявляемое техническое решение относится к способам повышения энергетической и экологической эффективности когенерационных установок и может быть использовано в коммунальной и промышленной теплоэнергетике.
В работах:
- «Когенерационные системы с тепловыми двигателями» Справочное пособие. Часть 1: Общие вопросы когенерационных технологий. Авторы: Клименко В.Н., Мазур А.И., Сабашук П.П. (Киев: Изд. ИПЦ АЛКОН НАН УКРАИНЫ. 2008. 560 стр.) [1];
- «Когенерационные системы с тепловыми двигателями» Справочное пособие. Часть 2: Газотурбинные когенерационные технологии. Авторы: Клименко В.Н., Мазур А.И., Сигал А.И. (Киев: Изд. ИПЦ АЛКОН НАН УКРАИНЫ. 2011. 63,9 п. л.) [2];
- «Когенерационные системы с тепловыми двигателями» Справочное пособие. Часть 3: Инновационные технологии для когенерации. Авторы: Клименко В.Н., Мазур А.И., Письменный Е.Н., Багрий П.И., Гелетуха Г.Г. (Киев: Изд. ИПЦ АЛКОН НАН УКРАИНЫ. 2016. 528 стр.) [3], проведен анализ всех известных технологических схем когенерационных установок. Все приведенные в этих работах варианты когенерационных установок являются аналогами предлагаемого технического решения по этой заявке. В [3] (таблица 3.4 стр. 198) показан достигнутый уровень коэффициента использования топлива (КИТ) при производстве тепловой и электрической энергии в одном технологическом процессе - он находится в пределах 0,83-0,9. Эти значения КИТ сопоставимы со значениями КИТ котлов на природном газе. При этом когенерационные установки обладают существенным преимуществом перед котлами, так как они генерируют дорогостоящую электроэнергию и тепловую энергию при почти одинаковых КИТ.
В работе «Пути улучшения тепловых и экологических характеристик когенерационных установок с приводом от газотурбинных и газо-поршневых двигателей». Б.Д. Билека, В.Я. Кабков, Е.В. Скляренко, В.Н. Погожаев. Институт технической теплофизики НАН Украины, Киев, Украина. УДК 621.182 ISSN 1727-7337. Авиационно-Космическая техника и технология, 2001, №10(87) [4], выполненной с использованием специальных программ, разработанных ВТИ и МЭИ, а также ИТТФ НАН Украины, показаны существенные преимущества когенерационных установок на основе газотурбинных и газо-поршневых двигателей со сбросом выхлопных газов двигателей в тракт подачи воздуха в котел.
Основным недостатком известных когенерационных установок является то, что в них не используется скрытая тепловая энергия, содержащаяся в водяных парах в выхлопных газах тепловых двигателей, которая в зависимости от условий конденсации водяных паров теоретически может достигнуть 17% при охлаждении выхлопных газов до температуры 0 град. Цельсия от верхней теплоты сгорания при использовании природного газа, «Повышение эффективности глубокой утилизации тепла дымовых газов тэс на природном газе» Беспалов Виктор Владимирович, Специальность 05.14.14 - Тепловые электрические станции, их энергетические системы и агрегаты, Диссертация на соискание ученой степени кандидата технических наук, Томск - 2017 [5]. Причина отсутствия глубокой утилизации выхлопных газов в когенерационных установках может быть объяснено тем, что коэффициент избытка воздуха (α) в двигателях внутреннего сгорания характеризуется большим значением α (у газо-поршневых α около 2, у газотурбинных α около 3,5). Например, при значении α=2 температура точки росы выхлопных газов ниже 47 град. Цельсия [4] (рис. 1.3), при этом, для конденсации паров воды из выхлопных газов в необходимых объемах потребуется охлаждающий теплоноситель (например, обратная сетевая вода) с температурой ниже 37 град. Цельсия, что практический отсутствует в подавляющем большинстве случаев.
Вторым недостатком современных (классических) когенерационных установок в составе тепловой двигатель плюс котел утилизатор (за исключением когенерационных установок с дожигом) является ограниченное отношение тепловой мощности к электрической и составляет около 0,4 при производстве насыщенного пара и около 1,2 при производстве горячей воды [3] (таблица 3.4 стр. 198). Такие соотношение тепловой мощности к электрической в когенерационных установках, как правило, усложняют их использование при реализации мини ТЭЦ так как в подавляющем большинстве случаев необходимая тепловая мощность значительно превышает необходимую электрическую мощность, особенно в коммунальной теплоэнергетике.
Третьим недостатком современных (классических) когенерационных установок (за исключением когенерационных установок с дожигом) являются большие удельные значения вредных выбросов NOx<500 мг/нм3 (5% О2), СО<650 мг/нм3 (5% О2), [3]. Поэтому установка когенерационных установок на котельных для обеспечения собственных нужд повышает удельные значения вредных выбросов.
Наиболее близким аналогом - прототипом заявляемого технического решения является когенерационная установка с дожигом [3], [4] (рис. 3.13) [3] фиг. 1. Дожигание дополнительного топлива в потоке выхлопных газов позволяет существенно улучшить тепловые и экологические характеристики когенерационной установки, при этом практически не изменяет значение коэффициента использования теплоты топлива когенерационной установкой.
Основным недостатком когенерационных установок с дожигом, как и у других известных когенерационных установках является то, что в них также не используется скрытая тепловая энергия, содержащаяся в водяных парах в выхлопных газах тепловых двигателей, которая в зависимости от условий конденсации водяных паров теоретически может достигнуть 17% [5], при охлаждении выхлопных газов до температуры 0 град. Цельсия, от верхней теплоты сгорания природного газа.
Задачами изобретения являются:
- повышение энергетической эффективности котельной путем использования явного и скрытого тепла выхлопных газов когенерационной установки, которые потенциально могут быть использованы полезными потребителями тепла, в частности, возвращающейся в котел воды, тепловым насосом, воздухом, подаваемым в зону горения топлива и на отопление помещений когенерационной установки, исходной водой и химочищенной водой на подпитку когенерационной установки;
- получение необходимого соотношения тепловой мощности к электрической мощности;
- снижение удельных значений вредных выбросов NOx и СО.
Поставленная задача решается техническими решениями когенерационной установки, а именно:
1. Когенерационной установкой, укомплектованной, тепловым двигателем, котлом утилизатором с дожигом выхлопных газов теплового двигателя, модулем управления, дымовой трубою, устойчивою или неустойчивою к конденсату дымовых газов, по крайней мере, одним источником низкотемпературного теплоносителя, отличающаяся тем, что в состав когенерационной установки включены, по крайней мере, односекционный конденсационный экономайзер, при этом, газовый канал конденсационного экономайзера включен в тракт дымовых газов котла утилизатора с дожигом выхлопных газов теплового двигателя до дымовой трубы, канал теплоносителя конденсационного экономайзера включен в тракт подачи низкотемпературного теплоносителя, в частности обратной воды, в котёл утилизатор с дожигом, модуль управления выполнен, кроме всего, с возможностью получения расчетных значений содержания кислорода в газо-воздушной смеси выхлопных газов теплового двигателя и дополнительного воздуха, который подается на вход в котел утилизатор и количества топлива которое подается на вход в котёл утилизатор с дожигом для обеспечения требуемых значений выходной тепловой мощности, удельных выбросов NOx и СО когенерационной установки.
2. Когенерационной установкой по п. 1, отличающуюся тем, что в состав когенерационной установки с дымовой трубой устойчивой к конденсату дымовых газов включен воздухоподогреватель дутьевого воздуха, а также включена дополнительная секция в конденсационный экономайзер, при этом, вход водяного канала воздухоподогревателя подключен к отводу трубопровода обратной воды в когенерационную установку, выход водяного канала воздухоподогревателя подключен к входу водяного канала дополнительной секции, выход водяного канала дополнительной секции конденсационного экономайзера подключен к входу предыдущей секции конденсационного экономайзера по воде, вход воздушного канала воздухоподогревателя подключен к окружающей среде, выход воздушного канала воздухоподогревателя подключен к входу дутьевого воздуха котла утилизатора с дожигом.
3. Когенерационной установкой по п. 1, отличающуюся тем, что в состав когенерационной установки с дымовой трубой, неустойчивой к конденсату дымовых газов, включен воздухоподогреватель для подогрева необходимого объема воздуха для подмешивания к дымовым газам после конденсационного экономайзера, а также включена дополнительная секция в конденсационный экономайзер, при этом, вход водяного канала воздухоподогревателя подключен к отводу трубопровода обратной воды в когенерационную установку, выход водяного канала воздухоподогревателя подключен к входу водяного канала дополнительной секции, выход водяного канала дополнительной секции конденсационного экономайзера подключен к входу предыдущей секции конденсационного экономайзера по воде, вход воздушного канала воздухоподогревателя подключен к окружающей среде, выход воздушного канала воздухоподогревателя подключен к входу подогретого воздуха в месте подмешивания к дымовым газам после конденсационного экономайзера.
4. Когенерационной установкой по п. 1, отличающуюся тем, что в состав когенерационной установки с дымовой трубой, неустойчивой к конденсату, включены воздухоподогреватели обеспечивающие подогрев необходимого объема дутьевого воздуха и подогрев необходимого объема воздуха для подмешивания к дымовым газам после конденсационного экономайзера, а также включены первая и вторая дополнительные секции в конденсационный экономайзер, при этом, вход водяного канала воздухоподогревателя воздуха, обеспечивающего подогрев необходимого объема воздуха для подмешивания к дымовым газам после конденсационного экономайзера подключен к отводу трубопровода обратной воды в когенерационную установку, выход водяного канала этого воздухоподогревателя подключен к входу водяного канала первой дополнительной секции, выход водяного канала этой дополнительной секции конденсационного экономайзера подключен к входу предыдущей секции конденсационного экономайзера по воде, вход воздушного канала этого воздухоподогревателя подключен к окружающей среде, выход воздушного канала этого воздухоподогревателя подключен к входу подогретого воздуха в месте подмешивания к дымовым газам после конденсационного экономайзера, вход водяного канала воздухоподогревателя дутьевого воздуха подключен к отводу трубопровода обратной воды в когенерационную установку, выход водяного канала этого воздухоподогревателя подключен к входу водяного канала второй дополнительной секции, выход водяного канала этой дополнительной секции конденсационного экономайзера подключен к входу предыдущей секции конденсационного экономайзера по воде, вход воздушного канала этого воздухоподогревателя подключен к окружающей среде, выход воздушного канала этого воздухоподогревателя подключен к входу дутьевого воздуха котла утилизатора.
5. Когенерационной установкой по п. 1, отличающуюся тем, что в состав когенерационной установки с дымовой трубой, неустойчивой к конденсату, включен воздухоподогреватель повышенной мощности обеспечивающий подогрев необходимого объема дутьевого воздуха и подогрев необходимого объема воздуха для подмешивания к дымовым газам после конденсационного экономайзера, а также включена дополнительная секция в конденсационный экономайзер при этом, вход водяного канала воздухоподогревателя подключен к отводу трубопровода обратной воды в когенерационную установку, выход водяного канала воздухоподогревателя подключен к входу дополнительной секции конденсационного экономайзера по воде, выход водяного канала этой дополнительной секции конденсационного экономайзера подключен к входу предыдущей секции конденсационного экономайзера по воде, вход воздушного канала воздухоподогревателя подключен к окружающей среде, выход воздушного канала воздухоподогревателя подключен через тройник к входу дутьевого воздуха котла утилизатора с дожигом и входу подогретого газа в место подмешивания к дымовым газам после конденсационного экономайзера.
Перечисленные признаки предложенного технического решения являются существенными признаками (сутью) изобретения, что заявляется, а их совокупность позволяет получить ожидаемый результат. Это поясняют фигуры, где:
Фиг. 1. Схематическое изображение прототипа.
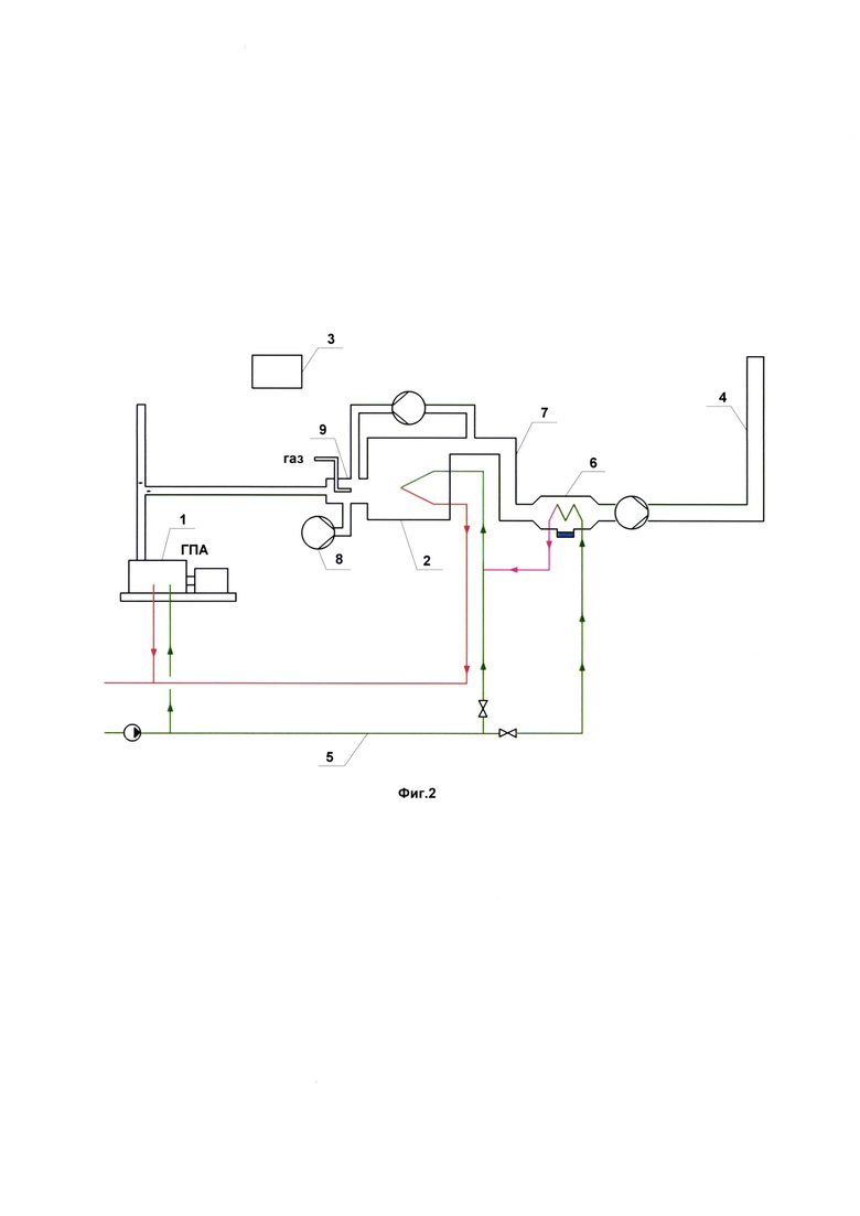
Фиг. 2. Схематическое изображение предложенного технического решения на примере когенерационной установки, укомплектованной, тепловым двигателем (газо-поршневым двигателем) 1, котлом утилизатором 2 с дожигом выхлопных газов газо-поршневого двигателя, модулем управления 3 когенерационной установки, дымовой трубою 4, устойчивою или неустойчивою к конденсату дымовых газов, по крайней мере, одним источником низкотемпературного теплоносителя, которая подается через тракт подачи 5, отличающаяся тем, что в состав когенерационной установки включены, по крайней мере, односекционный конденсационный экономайзер 6, при этом, газовый канал конденсационного экономайзера включен в тракт дымовых газов 7 котла утилизатора с дожигом выхлопных газов теплового двигателя до дымовой трубы 4, канал теплоносителя конденсационного экономайзера 6 включен в тракт подачи низкотемпературного теплоносителя 5, в частности обратной воды в котел утилизатор 2, модуль управления когенерационной установки 3 выполнен, кроме всего, с возможностью обеспечения расчетных значений содержания кислорода в газо-воздушной смеси выхлопных газов газо-поршневого двигателя 1 и дополнительного количества воздуха, который подается на вход в котел утилизатор 2 воздухозаборником 8, и количества топлива, который подается на вход горелки 9 для дожига в котле утилизаторе 2. Котел утилизатор 2 проектируется на выходную мощность, которая генерируется при дожиге газо-воздушной смеси выхлопных газов газо-поршневого двигателя 1 и дополнительного воздуха, который подается на вход в котел утилизатор воздухозаборником 8, и количества топлива, который подается на вход горелки 9 для дожига в котле утилизаторе 2, исходя из их расчетных значений.
Рассмотрим работу предложенного технического решения фиг. 2 на сравнении ее эффективности относительно когенерационной установки в соответствии с техническим решением прототипа, фиг. 1.
При проектировании когенерационной установки согласно технического решения фиг. 2 основным моментом, определяющим характеристики когенерационной установки в целом, является определение расчетных значений содержания кислорода в газо-воздушной смеси выхлопных газов газо-поршневого двигателя 1 и дополнительного количества воздуха, который подается на вход в котел утилизатор 2 воздухозаборником 8. Содержание кислорода в газо-воздушной смеси выхлопных газов газо-поршневого двигателя 1 и дополнительного количества воздуха зависит от многих факторов, таких как вид топлива, пределы регулирования горелочного устройства, способ сжигания и геометрические характеристики топочной камеры. Кроме того, при дожиге согласно техническому решению фиг. 2, подразумевается применение специальных горелочных устройств, позволяющих эксплуатировать их при повышенных температурах, что, усложняет конструкцию горелки [6] УДК 536.24: 697.326 Интенсификация теплообмена в топках водогрейных котлов. - Heat exchange intensification in fire chambers of water-heating boilers. /Демченко В.Г. / Институт технической теплофизики НАН Украины - Киев, -2012. - 123 с. - ISBN 978-966-02-6699-5.
В работе [7] «Снижение выбросов оксидов азота в газовых котлах методом рециркуляции дымовых газов». УДК 662.995:662.61. Институт технической теплофизики НАН Украины. Кобзарь С.Г., Халатов А.А. исследован котел ДКВр=4/13 оснащенный двумя газомазутными горелками ГМГ=2,0 с равномерным разбавлением дутьевого воздуха дымовыми газами с температурой 180°С, показано, что массовая доля кислорода в потоке, который идет на горение, ниже 17% (соответствует коэффициенту рециркуляции 0,4), ведет к ухудшению условий сгорания топлива, о чем свидетельствует рост концентрации оксида углерода.
В случае необходимости дожига газо-воздушной смеси выхлопных газов газо-поршневого двигателя 1 и дополнительного количества воздуха, который подается на вход в котел утилизатор воздухозаборником 8 с пониженными значениями содержания кислорода в этой смеси (менее 17%) необходимо использование специальных горелок, например, таких как «Промышленные горелки SAACKE (5-125 МВт) для дожига выхлопных газов после ГТУ» компании SAACKE GmbH [8], которые обеспечивают:
1. Стабильную надежную работу горелок при содержании кислорода от 13% и выше, при температуре выхлопных газов от 300 до 650°С.
2. Широкий диапазон рабочего регулирования.
• В режиме дожига - 1:8 (природный газ) \ 1:6 (жидкое топливо),
• В автономном режиме - 1:5 (природный газ) \ 1:5 (жидкое топливо).
3. Экологичные. Прирост NOx - макс. 41 мг/ МДж (природный газ), макс. 52 мг/ МДж (дизельное топливо).
Прирост СО - макс. 27 мг/МДж (природный газ), макс. 49 мг/МДж (дизельное топливо).
Объемная доля кислорода в смеси выхлопных газов теплогенератора и дополнительного воздуха на входе котла утилизатора характеризуется следующим выражением
где
Vвозд.дож - суммарный объем воздуха на входе в камеру дожига в составе воздуха в выхлопных газах теплогенератора и дополнительного воздуха, нм3,
Vсм.вх.дож - суммарный объем газов на входе в камеру дожига в составе выхлопных газов теплогенератора и дополнительного воздуха, нм3,
Vг.тг. - объем топливного газа на входе теплогенератора, нм3,
Δвозд - объем дополнительного воздуха, нм3,
α - коэффициент избытка воздуха при сжигании топлива,
αдож. - коэффициент избытка воздуха при дожиге,
α9,5 - объем необходимого воздуха при сжигании природного газа,
0,21 - объемная доля кислорода в воздухе.
где Vвых.возд.тг. - объем воздуха в выхлопных газах теплогенератора нм3
Vcm.вх.дож=Vвых.тг+Δвозд,
где
Vвых.тг. - объем выхлопных газов теплогенератора нм3
Из равенства 1 можно получить объем дополнительного воздуха
Пояснения работы технического решения фиг. 2 продолжим для δо2, равной 0,13, что обеспечивается при использовании промышленной горелки SAACKE [8], и α газо-поршневого двигателя когенерационной установки JMS 612 GS-N.L равной 1,9065.
(Характеристики когенерационной установки JMS 612 GS-N.L при полной нагрузке:
Согласно 5 получим
Δвозд=8,45 Vг.тг.
Согласно 2 и 6 получим суммарный объем воздуха на входе в камеру дожига
Vвозд.дож - 17,062 Vг.тг.
Задав αдож, равным 1,2, определим объем топливного газа на входе котла утилизатора при дожиге согласно равенства
Vг.дож. = 1,497 Vг.тг.
С учетом того, что при дожиге коэффициент полезного действия (Кк) котла утилизатора (активного котла) практический не зависит от объемной доли кислорода в смеси выхлопных газов теплогенератора и дополнительного воздуха на входе котла утилизатора [4] оценим мощность на выходе котла утилизатора (Рвых.к), при дожиге Vг.дож.=1,497 Vг.тг., задав Кк котла, равному 0,92.
где qr - теплотворная способность природного газа - qr=8180 ккал/м3=9,51 МВт/м3.
Подставив в 7 объем топливного газа на входе газо-поршневого двигателя когенерационной установки JMS 612 GS-N.L Vг.тг, равной 466 нм3/час, получим Рвых.к=6,1 МВт.час.
С учетом тепловой мощности выхлопного газа двигателя когенерационной установки JMS 612 GS-N.L при температуре 100°С, равной 842 кВт, поступающей на вход котла утилизатора с дожигом и сэкономленной мощности при замещении части воздуха на входе в камеру дожига (Vвозд.дож) объемом воздуха в выхлопных газах теплогенератора (Vвых.возд.тг) с температурой 100°С, равной 148 кВт, получим добавленную мощность к мощности котла утилизатора Рдоп.к равную Рдоп.к=842 кВт/час+148 кВт/ч=990 кВт.час.
В целом выходная мощность котла утилизатора (Рвых.к+) с учетом тепловой энергии смеси выхлопных газов теплогенератора и замещении части воздуха на входе в камеру дожига (Vвозд.дож) объемом воздуха в выхлопных газах теплогенератора будет равна
Рвых.к+=Рвых.к+Рдоп.к=6,1 МВт.час+0,990 МВт.час=7,09 МВт.час.
Кроме существенного улучшения тепловых и экологических характеристик когенерационной установки при дожиге кислорода, содержащегося в выхлопных газах теплового двигателя, важным свойством когенерационной установки с дожигом является значительное увеличение влагосодержания на один кг. сухого газа в его вылопных газах по сравнению с когенерационной установкой без дожига, соответственно более высокое значение температуры точки росы выхлопных газов когенерационной установки с дожигом.
Более высокая температура точки росы дымовых газов когенерационных установок с дожигом по сравнению с обычными котлами позволит осуществить более глубокую утилизацию дымовых газов когенерационных установок с дожигом.
Для определения температуры точки росы выхлопных газов когенерационной установки с дожигом введем новое понятие - расчетная величина коэффициента избытка воздуха в выхлопных газах когенерационной установки с дожигом - αку (коэффициенты α и αдож являются технологическими, определяющими технологию работы теплового двигателя и котла утилизатора, в отличии от них αку не является технологической величиной, а является расчетной и зависит от α и αдож).
Тогда можем записать следующее равенство
Vвых.ку - объем выхлопных газов когенерационной установки с дожигом, нм3. Для определения αку необходимо найти Vвых.ку. В свою очередь Vвых.ку можно охарактеризовать равенством
Vдым.к.ут - объем дымовых газов котла утилизатора с дожигом при сгорании Vг.дож, нм3
Vдым.г.тг - объем дымовых газов теплогенератора при α=1, нм3
Для рассматриваемого нами примера определим температуру точки росы выхлопных газов когенерационной установки с дожигом на основе двигателя когенерационной установки JMS 612 GS-N.L.
Подставив принятые выше значения (α=1,9065, αдож=1,2, Vг.дож=1,497 Vг.тг), в равенства 8-11 получим значение расчетной величины коэффициента избытка воздуха в выхлопных газах когенерационной установки с дожигом - αку=1,12.
При αку=1,12, пользуясь таблицей 1.2 [5] получим температуру точки росы выхлопных газов когенерационной установки с дожигом равной 57,542°С. Эта температура точки росы выхлопных газов когенерационной установки с дожигом равной 57,542°С выше температуры точки росы дымовых газов котла утилизатора при αдож=1,2 (в нашем примере) равной 56,35°С см. таблицу 1.2 [5]. Это увеличивает возможную тепловую мощность, которую можно отобрать от выхлопных газов когенерационной установки с дожигом при их конденсации, что является существенным положительным свойством (ранее не освещенном в литературе) когенерационной установки с дожигом, повышающим эффективность ее использования.
Оценим дополнительную выходную мощность, которую можно получить с помощью конденсационного экономайзера 6 фиг.2 при охлаждении дымовых газов до температуры 40°С при αку=1,12.
Тепловая мощность утилизатора Ро за счет охлаждения дымовых газов до температуры точки росы водяных паров выхлопных газов когенерационной установки с дожигом tls записывается выражением [5]
где cv.g - объемная теплоемкость дымовых газов (Дж/(м3⋅К), при 100°С cv.g=1,12 кДж/м3,
tвых.ку - температура выхлопных газов когенерационной установки с дожигом (в рассматриваемом примере tвых.ку равно 100°С).
При коэффициенте избытка воздуха αку=1,12 температура точки росы водяных паров в выхлопных газах когенерационной установки с дожигом tls равна 57,542°С.
Подставив в 8) αку=1,12, Vг.дож=1,497Vг.тг, Vг.тг=466 нм3 получим Vвых.ку=13542 нм3, при 100°С Vвых.ку=18460 м3.
Подставив это значение в 12) получим Ро=877828 кДж.=243,84 кВт.ч.
Согласно таблице 1.2 [5], при αку=1,12, получим максимальную теоретическую тепловую мощность конденсатора в результате конденсации водяных паров при расходе дымовых газов 1 нм3 в секунду Ркмах1=430 кВт.ч.
Согласно графикам, рис. 1.3 [5] при 40°С температуры дымовых газов и коэффициенте избытка воздуха αку=1,12, получим коэффициент глубины осушения Кг равный 0,67.
Тогда мощность, которую можно получить с помощью конденсационного экономайзера 6 фиг. 2 (Ркэ) при охлаждении дымовых газов до температуры 40°С при αку=1,12 будет равна
согласно 9)-11)
подставив соответствующие значения, принятые выше, в 15) получим
Vвых.ку=29,06 Vг.тг=29,06×466 нм3=13542 нм3,
подставив поученные значения в 14) получим
Ркмахку кВт.ч=430 кВт.ч, × 13542 нм3.ч/3600 сек=1617 кВт.ч,
подставив это значение в 13) получим мощность, которую можно получить с помощью конденсационного экономайзера 6 фиг.2 при охлаждении дымовых газов до температуры 40°С при αку=1,12
Ркэ=1617 кВт.ч ×0,67=1083 кВт.ч
Таким образом, дополнительная выходная мощность, которую можно получить с помощью конденсационного экономайзера 6 фиг. 2 (Ркэд) при охлаждении дымовых газов от 100°С до температуры 40°С будет равна Ркэд=Ро+Ркэ=0,244 МВт.ч+1,083 МВт.ч=1,327 МВт.ч.
Итого выходная тепловая мощность когенерационной установки с дожигом, предложенного технического решения фиг.2 на основе когенерационной установки JMS 612 GS-N.L при объемной доле кислорода в смеси выхлопных газов теплогенератора и дополнительного воздуха на входе котла утилизатора равной 0,13 получим
Рвых.ку=Рвых.к++Ркэд=7,09 МВт.час+1,327 МВт.час=8,417 МВт.час
Определим коэффициент использования топлива (Кт.фиг 2) технического решения фиг. 2 согласно формулы
где
Рт=qrVг.ку,
Vг.ку - объем топливного газа
Vг.ку=Vг.тг+Vг.дож
qг - теплотворная способность природного газа - qr=8180 ккал/м3=9,51 кВт/м3
Подставляя значения Vг.тг=466 нм3, Vг.дож.=1,497 Vг.тг=697,6 нм3, Рвых.ку=8,417 МВт.час, Ртгэ=2,004 МВт, Ртгт=1,121 МВт получим Кт.фиг2=(8,417+2,004+1,121)/11,066=1,043.
Для сравнения определим коэффициенты использования топлива классической когенерационной установки с котлом утилизатором (Кт.ку) при температуре выхлопных газов классической когенерационной установки 100°С и когенерационной установки с дожигом (Кт.дож).
Кт.ку=(Ртгэ+Ртгт+Рвых.г.тг)/ Рттг, где Рттг=qr Vг.тг
Подставляя значения Vг.тг=466 нм3, qг=9,51 кВт/м3 получим Кт.ку=3,967/4,432=0,895
Кт.дож=(Рвых.к++Ртгэ+Ртгт)/ Рт,=(6,96+2,004+1,121)/11,066=0,911
Из приведенных расчетов видно существенное улучшение коэффициента использования топлива когенерационной установки с дожигом и конденсационным экономайзером фиг. 2 перед когенерационными установками с дожигом и классическим с котлом утилизатором, соответственно 1,043 против 0,916 и 1,043 против 0,895.
Кроме существенного улучшения коэффициента использования топлива когенерационной установки с дожигом и конденсационным экономайзером, установка конденсационного экономайзера на выходе котла утилизатора с дожигом фиг. 2 приведет к дополнительному снижению выбросов NOx до 30% см. табл. 4.7 [8] УДК 662.613 «Энергосбережение в теплогенерирующих установках». Кудинов А.А. - Ульяновск: УлГТУ, 2000. - 139 с.
Таким образом, введение в состав когенерационной установки с дожигом конденсационного экономайзера по отбору явной и скрытой тепловой энергии от выхлопных газов, приводит к значительному улучшению теплотехнических и экологических параметров относительно аналогов и прототипа.
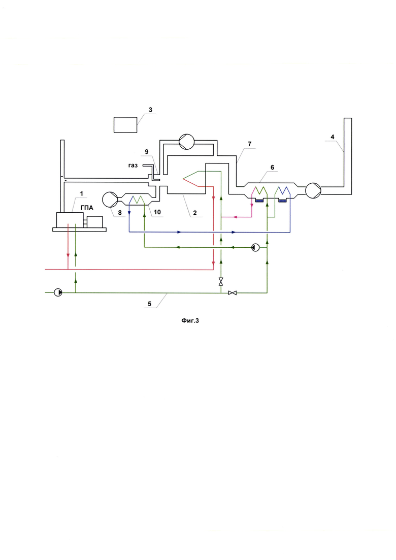
Фиг. 3 отличается от фиг. 2 тем, что в состав когенерационной установки фиг. 2 с дымовой трубой устойчивой к конденсату дымовых газов включен воздухоподогреватель дутьевого воздуха 10 (воздух вода), при этом, вход водяного канала воздухоподогревателя подключен к отводу трубопровода обратной воды 5 в когенерационную установку, выход водяного канала воздухоподогревателя подключен к входу дополнительной секции конденсационного экономайзера, выход дополнительной секции конденсационного экономайзера подключен к входу предыдущей секции конденсационного экономайзера по воде, вход воздушного канала воздухоподогревателя подключен к окружающей среде, выход воздушного канала воздухоподогревателя подключен к входу дутьевого воздуха котла утилизатора с дожигом. Подогрев воздуха в воздухоподогревателе 10 происходит за счет отбора тепловой энергии от части обратной воды при понижении ее температуры. Эта часть обратной воды с пониженной температурой, проходя через дополнительную секцию, приводит к дополнительному отбору тепловой энергии от дымовых газов, которая не может быть отобрана полезными потребителями тепла (в рассматриваемом нами примере обратной водой), и передаче ее дутьевому воздуху. При этом, дымовые газы еще дополнительно охлаждаются и осушаются. Таким образом, в этом случае подогрев дутьевого воздуха происходит за счет дополнительно отбираемой энергии от увеличения объема конденсации паров в дымовых газах.
В итоге это приводит к дополнительному увеличению выходной тепловой мощности и коэффициента использования топлива когенерационнай установки фиг. 3 относительно фиг. 2.
Фиг. 4 отличается от фиг. 2 тем, что в состав когенерационной установки фиг. 2 с дымовой трубой, неустойчивой к конденсату дымовых газов, включен воздухоподогреватель 11 для подогрева необходимого объема воздуха для подмешивания к дымовым газам после конденсационного экономайзера, при этом, вход водяного канала воздухоподогревателя подключен к отводу трубопровода обратной воды 5 в когенерационную установку, выход водяного канала воздухоподогревателя подключен к входу дополнительной секции конденсационного экономайзера, выход дополнительной секции конденсационного экономайзера подключен к входу предыдущей секции конденсационного экономайзера по воде, вход воздушного канала воздухоподогревателя подключен к окружающей среде, выход воздушного канала воздухоподогревателя подключен к входу подогретого воздуха в месте подмешивания 12 к дымовым газам после конденсационного экономайзера 6.
Введение воздухоподогревателя 11 приводит к дополнительному отбору тепловой энергии от дымовых газов, которая не может быть отобрана полезными потребителями тепла, и передаче ее воздуху для подмешивания подогретого воздуха к дымовым газам после конденсационного экономайзера. При этом температура дымовых газов еще понижается, а температура воздуха для подмешивания повышается примерно до температуры дымовых газов после конденсационного экономайзера (зависит от конструктива воздухоподогревателя 12). В зоне 12 после подмешивания подогретого воздуха к дымовым газам получим новый состав дымовых газов с меньшей относительной влажностью (значит и меньшей температурой точки росы) и примерно той же температуры этого состава, что и дымовые газы до подмешивания подогретого воздуха. Это, в случаях, когда когенерационная установка фиг. 4 будет использоваться в котельных, в которых упала выработка тепловой энергии из-за снижения потребления населением в результате термомодернизации домов и промышленностью в результате падения производства и повышения энергоэффективности производства, улучшаются условия эксплуатации дымоходов и дымовой трубы из-за увеличения объема и массы уходящих газов приближая их значения к проектным. Это также снижает перепады температур на входе и выходе трубы и внутренней и внешней стен трубы.
Таким образом, введение воздухоподогревателя 11 приводит к дополнительному отбору тепловой энергии от дымовых газов, которая не может быть отобрана полезными потребителями тепла, и передаче ее воздуху, подмешиваемому к дымовым газам после конденсационного экономайзера, что существенно повышает показатели котельной по надежности в целом.
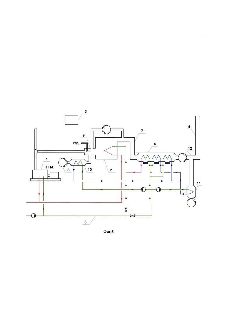
Фиг. 5 отличается от фиг. 2 тем, что в состав когенерационной установки фиг. 2 с дымовой трубой, неустойчивой к конденсату дымовых газов, включены воздухоподогреватель 11 для подогрева необходимого объема воздуха для подмешивания к дымовым газам после конденсационного экономайзера, аналогично как в фиг. 4 и воздухоподогреватель дутьевого воздуха 10, аналогично как в фиг. 3.
В итоге это приводит к дополнительному увеличению выходной тепловой мощности и коэффициента использования топлива когенерационнай установки фиг. 5 и существенно повышается показатель когенерационнай установки по надежности в целом относительно фиг. 2.
Фиг. 6 отличается от фиг. 2 тем, что в состав когенерационной установки фиг. 2 с дымовой трубой, неустойчивой к конденсату дымовых газов, включен воздухоподогреватель 11 повышенной мощности, обеспечивающий подогрев необходимого объема дутьевого воздуха и подогрев необходимого объема воздуха для подмешивания к дымовым газам после конденсационного экономайзера, при этом, вход водяного канала воздухоподогревателя подключен к отводу трубопровода обратной воды в когенерационную установку, выход водяного канала воздухоподогревателя подключен к входу предыдущей секции конденсационного экономайзера по воде, вход воздушного канала воздухоподогревателя подключен к окружающей среде, выход воздушного канала воздухоподогревателя подключен через тройник 13 к входу дутьевого воздуха котла утилизатора, аналогично как в фиг 3, и входу подогретого газа в место подмешивания к дымовым газам после конденсационного экономайзера, аналогично как в фиг 4. В итоге, как и в фиг. 5, это приводит к дополнительному увеличению выходной тепловой мощности и коэффициента использования топлива когенерационной установки фиг. 6 и существенно повышается показатель когенерационной установки по надежности в целом.
Предлагаемая когенерационная установка состоит из трех блоков генератора электрической энергии на основе газо-поршневого или газотурбинного двигателя, котла утилизатора выхлопных газов двигателя с дожигом и конденсационного экономайзера.
Особенностью предлагаемого технического решения когенерационной установки является то, что их внедрение может быть выполнено поблочно в три этапа. При этом, после выполнения каждого этапа решается определенная задача.
Этап 1. Установка блока газопоршневого или газотурбинного генератора электрической энергии (блок 1) в зависимости от мощности котельной. Сразу после установки блока 1 может генерироваться электрическая энергия для обеспечения потребителей, что позволит снизить дефицит электрической энергии.
Этап 2. Установка блока котла утилизатора с дожигом (блок 2). Установка блока 2 позволяет получить мини ТЭЦ с необходимым соотношением мощности тепловой энергии к электрической, снизить выбросы оксидов азота (NOx/NOx.max) до 0,35. В случае установки когенерационной установки в действующей котельной в качестве котла утилизатора с дожигом может быть использован один из котлов котельной с незначительными его доработками.
Этап 3. Установка блока конденсационного экономайзера (блок 3). Установка блока 3 позволяет повысить коэффициент использования топлива до 1.05 против до 0,9 у классических когенерационных установках и когенерационных установках с дожигом, а также дополнительно снизить выбросы оксидов азота (NOx/NOx.max) до 0,25.
При новом строительстве когенерационных установок, согласно технических решений фиг. 2 - фиг. 6, котел утилизатор с дожигом выхлопных газов теплового двигателя может быть реализован с помощью камеры дожига выхлопных газов теплового двигателя и совмещенного с ним в одном блоке конденсационного экономайзера, в особенности, когда используются конденсационные экономайзеры контактного типа.
Предложенные технические решения фиг. 2 - фиг. 6 могут быть так же использованы при модернизации объектов, на которых уже используются классические когенерационные установки, которые состоят из теплового двигателя, в частности газо-поршневго или газотурбинного двигателя, и котла утилизатора без дожига. При этом выхлопные газы классической когенерационной установки подаются на вход котла утилизатора с дожигом, выбранного того или иного технического решения из фиг. 2 - фиг. 6. Ниже приведены сравнительные характеристики когенерационных установок рассмотренных выше примеров.
Выбор того или иного технического решения из фиг. 2 - фиг. 6 определяется исходя из требований, предъявляемых к когенерационной установке и ситуационного плана места ее установки, особенно при ее установке в уже существующий объект.
Таким образом:
- введение в состав когенерационной установки с дожигом конденсационного экономайзера 6 по отбору явной и скрытой тепловой энергии от выхлопных газов, приводит к значительному улучшению теплотехнических и экологических параметров относительно аналогов и прототипа, кроме того, эффективность использования конденсационного экономайзера, согласно предложенных технических решений выше чем эффективность использования такого же конденсационного экономайзера за таким же котлом, что используется в составе когенерационной установки с дожигом из за того, что коэффициента избытка воздуха в выхлопных газах когенерационной установки с дожигом - αку=1,12 меньше чем коэффициента избытка воздуха в дымовых газах котла - αдож=1,2 (ранее не было освещено в литературе), см. стр. 13, 14;
- введение в состав когенерационной установки с дожигом воздухоподогревателя дутьевого воздуха 10 приводит к дополнительному отбору тепловой энергии от дымовых газов, которая не может быть отобрана полезными потребителями тепла, что приводит к дополнительному увеличению выходной тепловой мощности и коэффициента использования топлива когенерационнай установки;
- введение в состав когенерационной установки с дожигом воздухоподогревателя 11 для подогрева необходимого объема воздуха для подмешивания к дымовым газам после конденсационного экономайзера приводит к дополнительному отбору тепловой энергии от дымовых газов, которая не может быть отобрана полезными потребителями тепла, и передаче ее воздуху, подмешиваемому к дымовым газам после конденсационного экономайзера, что существенно повышает показатели котельной по надежности в целом.
Проведенный заявителем анализ уровня техники, включающий поиск по патентным и научно-техническим источникам информации, а также обнаружение источников, содержащих сведения об аналогах заявленного изобретения, позволил установить, что заявитель не выявил технического решения, характеризующегося признаками, тождественными или эквивалентными предлагаемому, при этом изобретение не следует явным для специалиста образом из известного уровня техники и определенного заявителем. Определение из перечня обнаруженных аналогов прототипа, как наиболее близкого технического решения по совокупности признаков, позволило выявить в заявленном устройстве совокупность существенных характерных признаков, поэтому заявляемые технические решения котельной являются эффективными и отвечают критерию «новизна».
Кроме того, предложенная когенерационная установка с дожигом и конденсационным экономайзером является пригодной для промышленного применения, поскольку не содержит в своем составе никаких конструктивных элементов или материалов, которые невозможно было бы воспроизвести на современном этапе развития науки и техники, в частности, в области теплоэнергетики, следовательно, данное техническое решение считается соответствующим критерию «промышленная пригодность».
| название | год | авторы | номер документа |
|---|---|---|---|
| КОТЕЛЬНАЯ | 2022 |
|
RU2815593C2 |
| КОТЕЛЬНАЯ | 2023 |
|
RU2798634C1 |
| КОТЕЛЬНАЯ | 2019 |
|
RU2724360C1 |
| КОНДЕНСАЦИОННАЯ КОТЕЛЬНАЯ УСТАНОВКА (ВАРИАНТЫ) | 2012 |
|
RU2489643C1 |
| СПОСОБ ОТБОРА ТЕПЛА ОТ ПАРОВОГО КОТЛА ТЭС И ПАРОВОЙ КОТЕЛ ДЛЯ ОСУЩЕСТВЛЕНИЯ ЭТОГО СПОСОБА | 1999 |
|
RU2159894C2 |
| ТЕПЛОУТИЛИЗАТОР | 2006 |
|
RU2323384C1 |
| Газотурбинный электротеплогенерирующий комплекс | 2024 |
|
RU2831876C1 |
| СПОСОБ ЗАЩИТЫ ГАЗОВОДЯНОГО ТЕПЛООБМЕННИКА ОТ НИЗКОТЕМПЕРАТУРНОЙ КОРРОЗИИ С ГАЗОВОЙ СТОРОНЫ | 2003 |
|
RU2247904C2 |
| УСТАНОВКА ДЛЯ ОТОПЛЕНИЯ ТЕПЛИЦЫ | 2000 |
|
RU2167512C1 |
| КОТЕЛЬНАЯ УСТАНОВКА | 2001 |
|
RU2185569C1 |
Изобретение относится к когенерационным установкам повышенной энергетической и экологической эффективности и может быть использовано в коммунальной и промышленной теплоэнергетике. Задачами изобретения являются: повышение энергетической эффективности путем использования явного и скрытого тепла выхлопных газов на нужды потребителей тепла, получение необходимого соотношения тепловой мощности к электрической, а также снижение удельных значений вредных выбросов NOx и СО. Когенерационная установка характеризуется тем, что укомплектована тепловым двигателем, котлом утилизатором с дожигом выхлопных газов теплового двигателя, модулем управления, дымовой трубой, устойчивой или неустойчивой к конденсату дымовых газов, по крайней мере одним источником низкотемпературного теплоносителя. Вместе с тем в состав когенерационной установки включен по крайней мере односекционный конденсационный экономайзер, при этом газовый канал конденсационного экономайзера включен в тракт дымовых газов котла утилизатора с дожигом выхлопных газов теплового двигателя до дымовой трубы, канал теплоносителя конденсационного экономайзера включен в тракт подачи низкотемпературного теплоносителя, в частности обратной воды, в котел утилизатор. Более того, модуль управления выполнен, кроме всего, с возможностью получения расчетных значений содержания кислорода в газо-воздушной смеси выхлопных газов теплового двигателя, и дополнительного воздуха, который подается на вход в котел утилизатор, и количества топлива, которое подается на вход в котел утилизатор для обеспечения требуемых значений выходной тепловой мощности, удельных выбросов NOx и СО когенерационной установки. Изобретение позволяет значительно улучшить теплотехнические и экологические параметры когенерационных установок. 4 з.п. ф-лы, 6 ил., 1 табл.
1. Когенерационная установка, укомплектованная тепловым двигателем, котлом утилизатором с дожигом выхлопных газов теплового двигателя, модулем управления, дымовой трубой, устойчивой или неустойчивой к конденсату дымовых газов, по крайней мере одним источником низкотемпературного теплоносителя, отличающаяся тем, что в состав когенерационной установки включен по крайней мере односекционный конденсационный экономайзер, при этом газовый канал конденсационного экономайзера включен в тракт дымовых газов котла утилизатора с дожигом выхлопных газов теплового двигателя до дымовой трубы, канал теплоносителя конденсационного экономайзера включен в тракт подачи низкотемпературного теплоносителя, в частности обратной воды, в котел утилизатор, модуль управления выполнен, кроме всего, с возможностью получения расчетных значений содержания кислорода в газо-воздушной смеси выхлопных газов теплового двигателя, и дополнительного воздуха, который подается на вход в котел утилизатор, и количества топлива, которое подается на вход в котел утилизатор для обеспечения требуемых значений выходной тепловой мощности, удельных выбросов NOx и СО когенерационной установки.
2. Когенерационная установка по п. 1, отличающаяся тем, что в состав когенерационной установки с дымовой трубой, устойчивой к конденсату дымовых газов, включен воздухоподогреватель дутьевого воздуха, а также включена дополнительная секция в конденсационный экономайзер, при этом вход водяного канала воздухоподогревателя подключен к отводу трубопровода обратной воды в когенерационную установку, выход водяного канала воздухоподогревателя подключен к входу водяного канала дополнительной секции, выход водяного канала дополнительной секции конденсационного экономайзера подключен к входу предыдущей секции конденсационного экономайзера по воде, вход воздушного канала воздухоподогревателя подключен к окружающей среде, выход воздушного канала воздухоподогревателя подключен к входу дутьевого воздуха котла утилизатора с дожигом.
3. Когенерационная установка по п. 1, отличающаяся тем, что в состав когенерационной установки с дымовой трубой, неустойчивой к конденсату дымовых газов, включен воздухоподогреватель для подогрева необходимого объема воздуха для подмешивания к дымовым газам после конденсационного экономайзера, а также включена дополнительная секция в конденсационный экономайзер, при этом вход водяного канала воздухоподогревателя подключен к отводу трубопровода обратной воды в когенерационную установку, выход водяного канала воздухоподогревателя подключен к входу водяного канала дополнительной секции, выход водяного канала дополнительной секции конденсационного экономайзера подключен к входу предыдущей секции конденсационного экономайзера по воде, вход воздушного канала воздухоподогревателя подключен к окружающей среде, выход воздушного канала воздухоподогревателя подключен к входу подогретого воздуха в месте подмешивания к дымовым газам после конденсационного экономайзера.
4. Когенерационная установка по п. 1, отличающаяся тем, что в состав когенерационной установки с дымовой трубой, неустойчивой к конденсату, включены воздухоподогреватели, обеспечивающие подогрев необходимого объема дутьевого воздуха и подогрев необходимого объема воздуха для подмешивания к дымовым газам после конденсационного экономайзера, а также включены первая и вторая дополнительные секции в конденсационный экономайзер, при этом вход водяного канала воздухоподогревателя воздуха, обеспечивающего подогрев необходимого объема воздуха для подмешивания к дымовым газам после конденсационного экономайзера, подключен к отводу трубопровода обратной воды в когенерационную установку, выход водяного канала этого воздухоподогревателя подключен к входу водяного канала первой дополнительной секции, выход водяного канала этой дополнительной секции конденсационного экономайзера подключен к входу предыдущей секции конденсационного экономайзера по воде, вход воздушного канала этого воздухоподогревателя подключен к окружающей среде, выход воздушного канала этого воздухоподогревателя подключен к входу подогретого воздуха в месте подмешивания к дымовым газам после конденсационного экономайзера, вход водяного канала воздухоподогревателя дутьевого воздуха подключен к отводу трубопровода обратной воды в когенерационную установку, выход водяного канала этого воздухоподогревателя подключен к входу водяного канала второй дополнительной секции, выход водяного канала этой дополнительной секции конденсационного экономайзера подключен к входу предыдущей секции конденсационного экономайзера по воде, вход воздушного канала этого воздухоподогревателя подключен к окружающей среде, выход воздушного канала этого воздухоподогревателя подключен к входу дутьевого воздуха котла утилизатора с дожигом.
5. Когенерационная установка по п. 1, отличающаяся тем, что в состав когенерационной установки с дымовой трубой, неустойчивой к конденсату, включен воздухоподогреватель повышенной мощности, обеспечивающий подогрев необходимого объема дутьевого воздуха и подогрев необходимого объема воздуха для подмешивания к дымовым газам после конденсационного экономайзера, а также включена дополнительная секция в конденсационный экономайзер, при этом вход водяного канала воздухоподогревателя подключен к отводу трубопровода обратной воды в когенерационную установку, выход водяного канала воздухоподогревателя подключен к входу дополнительной секции конденсационного экономайзера по воде, выход водяного канала этой дополнительной секции конденсационного экономайзера подключен к входу предыдущей секции конденсационного экономайзера по воде, вход воздушного канала воздухоподогревателя подключен к окружающей среде, выход воздушного канала воздухоподогревателя подключен через тройник к входу дутьевого воздуха котла утилизатора с дожигом и входу подогретого газа в место подмешивания к дымовым газам после конденсационного экономайзера.
| Прибор для определения пространственного положения изображения в стереоскопе | 1954 |
|
SU105945A1 |
| Газотурбинная когенерационная установка | 2017 |
|
RU2666271C1 |
| Устройство для сигнализации | 1932 |
|
SU32968A1 |
Авторы
Даты
2025-05-19—Публикация
2024-07-22—Подача