Изобретение относится к фазоизмерительной технике и предназначено, в частности, для измерения сдвига фаз между двумя периодическими сигналами с частотой от 0,01 до 100 гц.
Известны отечественные инфранизкочастотные фазометры типа НФ-3, содержащие усилители постоянного тока, индикаторы прохождения входных напряжений через нуль, блоки отсечки временного сдвига между сигналами и периода, генератор импульсов, электронный клапан, делитель частоты и счетчик импульсов.
Предлагаемый инфранизкочастотный фазометр отличается от известных тем, что он снабжен интеграторами временных сдвигов и периодов, входы которых соединены с блоками отсечки временных сдвигов и периодов соответственно, прибором, измеряющим отношение двух величин, например логометром, соединенным с выходами интеграторов временных сдвигов и периодов, и реле времени, подключенным к выходу одного из устройств индикации. Это позволяет упростить процесс измерения фазы и получить непосредственный ее отсчет.
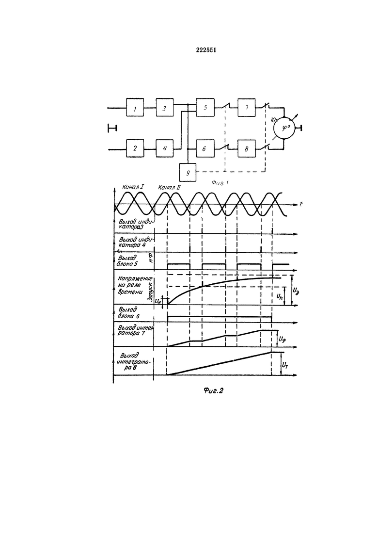
На фиг. 1 изображена блок-схема предлагаемого фазометра; на фиг. 2 - эпюры напряжений.
Сигналы, поданные на входы каналов фазометра, усиливаются усилителями 1 и 2 и поступают на входы индикаторов 3 и 4 прохождения напряжений через нуль. Импульсы с выходов индикаторов подаются на вход блока 5 отсечки временных сдвигов между сигналами. На вход блока 6 отсечки периодов импульсы поступают только с индикатора 3.
Блоки отсечки временных сдвигов и периодов являются симметричными триггерами с двумя входами. На выходе блока 5 отсечки временных сдвигов образуется серия импульсов, длительность которых равна временному сдвигу между сигналами. Блок 6 отсечки периодов от первого импульса переходит из одного устойчивого состояния в другое и не реагирует на импульсы, поступающие на его вход.
Напряжение с блока 5 отсечки временных сдвигов подается на интегратор 7 временных сдвигов, а напряжение с блока 6 отсечки периодов - на интегратор 8 периодов. Интеграторы временных сдвигов и периодов управляются реле времени 9, отсчитывающим целое число периодов «n».
За это время интегратор 7 временных сдвигов выдает напряжение, пропорциональное сумме целого числа временных сдвигов между входными сигналами

где K - коэффициент пропорциональности;
Δtφ - временной сдвиг между входными сигналами; а интегратор 8 периодов - напряжение, пропорциональное целому числу периодов

где Т - период входных сигналов.
Таким образом, временные сдвиги между сигналами и периоды измеряются одновременно.
Напряжения с интеграторов временных сдвигов и периодов поступают на логометр 10, измеряющий отношение токов (напряжений), пропорциональное сдвигу фаз между сигналами

где α - угол отклонения стрелки логометра;
K1 - коэффициент деления.
| название | год | авторы | номер документа |
|---|---|---|---|
| ИНФРАНИЗКОЧАСТОТНЫЙ ФАЗОМЕТР | 1972 |
|
SU351177A1 |
| Фазометр | 1979 |
|
SU918880A1 |
| ЦИФРОВОЙ ИНФРАНИЗКОЧАСТОТНЫЙ ШИРОКОПОЛОСНЫЙ ФАЗОМЕТР МГНОВЕННЫХ ЗНАЧЕНИЙ | 1973 |
|
SU453647A1 |
| Инфранизкочастотный фазометр | 1976 |
|
SU636557A1 |
| Фазочастотный преобразователь | 1979 |
|
SU873150A1 |
| Инфранизкочастотный фазометр | 1979 |
|
SU834595A1 |
| Цифровой инфранизкочастотный широкополосныйфАзОМЕТР МгНОВЕННыХ зНАчЕНий | 1979 |
|
SU847223A1 |
| Фазометр для исследования систем автоматического управления | 1982 |
|
SU1049825A2 |
| Цифровой фазометр | 1985 |
|
SU1298687A2 |
| Цифровой фазометр | 1982 |
|
SU1092431A1 |
Инфранизкочастотный фазометр, содержащий усилители входных сигналов, устройства индикации перехода сигналов через нуль, блок отсечки временных сдвигов между сигналами и блок отсечки времени целого числа периодов, отличающийся тем, что, с целью упрощения процесса измерения и непосредственного отсчета, фазометр снабжен интеграторами временных сдвигов и периодов, входы которых соединены с блоками отсечки временных сдвигов и периодов соответственно, прибором, измеряющим отношение величин, например логометром, соединенным с выходами интеграторов временных сдвигов и периодов, и реле времени, подключенным к выходу одного из устройств индикации.
Авторы
Даты
1968-10-24—Публикация
1967-06-28—Подача