Способ и устройство коммутации напряжения питания относятся к области электронной техники и, преимущественно, могут быть использованы в специальной технике. Например, в системах управления и приборах (абонентах) космических аппаратов (КА) для устранения однократного пускового импульса тока приборов. В частности, где в цепях первичного источника питания КА с целью повышения помехоустойчивости системы недопустим пусковой ток абонента с амплитудой много больше амплитуды тока абонента в штатном режиме его работы.
Уровень техники
Известен коммутатор напряжения с защитой от перегрузки по току [1]. Коммутатор напряжения содержит вход включения коммутатора напряжения, вход выключения коммутатора напряжения, триггер, электронный ключ, блок нагрузки, две шины напряжения питания, датчик тока, элементы И, НЕ, ИЛИ, одновибратор, два релейных элемента, апериодическое звено.
Способ коммутации напряжения заключается в том, что импульсный сигнал включения преобразуют в сигнал постоянного уровня с помощью RS триггера. Этим сигналом постоянного уровня открывают электронный ключ, который устанавливают между одной входной шиной питания и одним выводом блока нагрузки. Другой вывод блока нагрузки соединяют с другой входной шиной питания. После подачи напряжения на блок нагрузки на первом этапе контролируют ток нагрузки путем сравнения его значения с первым пороговым значением. Контролируют время первого этапа и по его истечении на втором этапе меняют на уменьшенное значение порог сравнения тока, с которым также сравнивают значение реального тока блока нагрузки. Если на первом или на втором этапе не обнаружено превышение заданных порогов сравнения, то данное состояние коммутатора сохраняют до поступления импульсного сигнала выключения, который подают на вход возврата RS триггера в исходное состояние, которое обеспечивает закрывание электронного ключа и соответственно обесточивание блока нагрузки. Если на первом или на втором этапе обнаружено превышение током блока нагрузки какого-либо из значений заданных порогов сравнения, то формируют сигнал выключения коммутатора, который через элемент ИЛИ подают на вход возврата RS триггера в исходное состояние, которое обеспечивает закрывание электронного ключа и соответственно обесточивание блока нагрузки.
Недостатки способа и устройства - коммутатор напряжения состоят в том, что они не обеспечивают полную гальваническую развязку блока нагрузки от шин напряжения питания при поступлении импульсного сигнала на вход выключения коммутатора напряжения. Другим недостатком этого способа и коммутатора является низкая надежность вследствие потери работоспособности при отказе любого элемента коммутатора напряжения. Кроме того, для обеспечения работоспособности коммутатора напряжения необходим, например, дополнительный источник питания элементов управления электронным ключом, или элементы управления постоянно подключены к первичному источнику питания, что также является недостатком способа и устройства. Также недостатком способа и устройства коммутатора напряжения с защитой от перегрузки по току является большой пусковой ток первого этапа в цепях источника питания. Этот ток может быть существенно больше номинального тока блока нагрузки, в частности с гальванической развязкой, в штатном режиме его работы. Пусковой ток блока нагрузки коммутатора протекает, например, в цепях бортового питания КА, который может привести к сбоям в работе иных абонентов КА.
Известны способ и устройство коммутации напряжения питания [2]. Коммутатор напряжения питания содержит последовательно соединенные плюсовую входную шину, силовую цепь КМОП первого транзистора n - типа, силовую цепь КМОП второго транзистора n - типа, плюсовую выходную шину. Между затвором и истоком первого КМОП транзистора и второго КМОП транзистора включены соответственно первый и второй резисторы. Минусовая входная шина последовательно соединена с силовой цепью третьего КМОП транзистора р - типа, силовой цепью четвертого КМОП транзистора р - типа, минусовой выходной шиной, между затвором и истоком третьего КМОП транзистора и четвертого КМОП транзистора включены соответственно третий и четвертый резисторы. Затворы первого КМОП транзисторов и второго КМОП транзистора соединены соответственно с первым и вторым выходами (диодных ИЛИ) первого блока диодов. Затворы третьего КМОП транзистора и четвертого КМОП транзистора соединены соответственно с первым и вторым выходами (диодных ИЛИ) второго блока диодов. Первые входы первого и второго блоков диодов соединены соответственно с первым и вторым входами выключения блока умножения напряжения, выходы положительного и отрицательного напряжений которого соединены соответственно со вторыми входами первого и второго блоков диодов. Один источник сигналов управления включен между плюсовой выходной шиной и первой шиной управления, которая соединена также с первым входом первого блока диодов. Второй источник сигналов управления включен между минусовой выходной шиной и второй шиной управления, которая соединена также с первым входом второго блока диодов. Плюсовой и минусовой выводы питания блока умножения напряжения соединены соответственно с плюсовой и минусовой выходными шинами.
Способ коммутации напряжения питания, состоит в том, что в каждой шине напряжения питания устанавливают силовой ключ, для включения устройства, используя энергию источника пускового импульса, формируют электрический импульс на входе управления каждого силового ключа, далее на эти входы подают электрические сигналы постоянного уровня, которые формируют, используя энергию с выхода коммутатора напряжения питания, для выключения устройства отключают электрические сигналы постоянного уровня. В одной шине напряжения питания в качестве силового ключа используют силовую цепь КМОП транзистора одного типа проводимости, в другой шине напряжения питания в качестве силового ключа используют силовую цепь КМОП транзистора другого типа проводимости, пусковой импульс формируют в виде напряжения UЗИ одной полярности между затвором и истоком КМОП транзистора в одной шине напряжения питания, и пусковой импульс формируют в виде напряжения Uзи другой полярности между затвором и истоком КМОП транзистора в другой шине напряжения питания, электрические сигналы постоянного уровня вырабатывают в виде двух напряжений Uconst умножением выходного напряжения коммутатора напряжения питания, полярность и уровень напряжений Uconst для КМОП транзисторов в одной и другой шинах напряжения питания вырабатывают в соответствии с полярностью и уровнем напряжений UЗИ пускового импульса напряжений в этих шинах напряжения питания.
Способ и устройство коммутации напряжения питания обеспечивают полную гальваническую развязку блока нагрузки от шин напряжения питания при поступлении импульсного сигнала на вход выключения коммутатора напряжения. В случае отказа (например, короткое замыкание) какого-либо элемента в выключенном режиме в любом случае сохраняется требование заказчика по отсутствию гальванических связей, как между входными шинами, так и между входной и выходной шинами цепей любой полярности. Способ и устройство коммутации напряжения питания для функционирования не требуют дополнительного источника питания. Защита от токов перегрузки может быть осуществлена известными способами. Например, как в устройстве Коммутатор напряжения с защитой от перегрузки по току [1], выход элемента ИЛИ которого соединяется с одной из шин управления выключением соответствующей полярности.
Недостатком способа и устройства коммутации напряжения питания является большой пусковой ток при нагрузке в виде стабилизатора напряжения с гальванической развязкой, который существенно больше номинального тока блока нагрузки в штатном режиме его работы. Пусковой ток нагрузки коммутатора протекает, например, в цепях бортового питания КА, который может привести к сбоям в работе иных электронных абонентов КА. Другим недостатком является нестандартное управление режимами «включено - отключено».
Прототип
Из известных аналогов наиболее близкими по технической сущности являются способ коммутации напряжения питания и устройство для его осуществления, представленное в схемах электрических принципиальных [3, 4, 5], функциональная схема которого приведена в Приложении 1. Вырезки схем электрических принципиальных [3, 4] приведены в Приложениях 2, 3.
Устройство коммутации напряжения питания (Приложение 1) содержит шины включения, плюсовую и минусовую входные шины питания + UBX и -UBX, первый коммутатор напряжения питания с блоком БТЗ токовой защиты, устройство уменьшения амплитуды пускового импульса (УУАПИ), индуктивность L1, выходные шины питания (контакты соединителя X1).
Блок БТЗ токовой защиты содержит датчик тока ДТ, триггер Тг, силовой ключ VT7.1. УУАПИ состоит из ключа VT7.2, резистора R45, апериодического накопителя заряда (НЗ), который состоит из делителя напряжения Д, конденсатора С14.
Принятое по физической сущности обозначение - накопитель заряда (НЗ) в УУАПИ, состоящий из делителя Д и конденсатора С14 в прототипе соответствует обозначению НЗ в заявляемом устройстве по совокупности их общих физических признаков при также имеющей место общности физической сущности явлений. Ключ VT7.2 в УУАПИ выполняет функцию второго коммутатора напряжения питания (также согласно обозначению в заявляемом устройстве).
Цепи, состоящие из соединителей XI в ИНАЯ.301229.219 ЭЗ, XI в ИНАЯ.301229.222 ЭЗ и контактного поля ХТ1 в ИНАЯ.301229.222 ЭЗ, как представляющие конструктивное исполнение электрической цепи, не влияющей на функционирование, в описании прототипа не приводятся. Контакты соединителей XI прототипа представляют выходные шины 16 и 17 питания заявляемого устройства согласно Приложению 1.
Индуктивность L1, фильтры А1, П.2 представляют цепи фильтрации помех в прототипе и в заявленном устройстве рассматриваются как принадлежность устройства стабилизатора напряжения А2 с гальванической развязкой (в заявленном устройстве - устройство гальванической развязки) -первичная нагрузка устройства коммутации напряжения питания.
Между первым входом блока БТЗ токовой защиты и соответствующим его выходом включен ключ VT7.1. Между вторым входом блока БТЗ токовой защиты и соответствующим его выходом включен датчик тока ДТ. Триггер Тг включен между первым и вторым входами блока БТЗ. Вход установки в R триггера Тг соединен с выходом датчика тока ДТ. Выход триггера Тг соединен с входом управления ключом VT7.1.
В устройстве УУАПИ между его входом и выходом включена силовая цепь из параллельно соединенных ключа VT7.2 и резистора R45, Общий вывод устройства УУАПИ соединен со вторым выходом блока БТЗ. Силовые ключи VT7.1 и VT7.2 КМОП типа.
В устройстве коммутации напряжения питания содержащем шину включения, две входные шины питания, два коммутатора напряжения питания, накопитель заряда, две выходные шины питания, при чем вход включения первого коммутатора напряжения питания соединен с шиной включения, входные шины питания соединены со входами первого коммутатора напряжения питания, выходы которого соединены со входами питания накопителя заряда, первый выход (плюсовая цепь) второго коммутатора напряжения питания соединен с первой выходной шиной питания. Также в составе устройства коммутации напряжения питания имеется ограничительный резистор и индуктивность. Ограничительный резистор включен параллельно второй (минусовой) цепи коммутации напряжения второго коммутатора напряжения питания, второй выход второго коммутатора напряжения питания соединен через индуктивность с второй выходной шиной питания, выход управления накопителя заряда соединен с входом управления второго коммутатора напряжения питания, выходы первого коммутатора напряжения питания соединены со входами второго коммутатора напряжения питания.
Способ функционирования коммутатора напряжения питания заключается в том, что подключают источник напряжения питания к выводам устройства гальванической развязки через ограничитель (резистор R45) тока (с помощью первого - VYPR1 коммутатора напряжения питания с БТЗ), подключают источник напряжения питания к накопителю заряда (НЗ) конденсаторного типа (с помощью первый коммутатор напряжения питания с БТЗ), включают устройство гальванической развязки, накапливают энергию Wc в конденсаторе С14 накопителя заряда НЗ, контролируют уровень энергии Wc, при обнаружении уровня энергии Wc более заданного W0 подключают источник напряжения питания без ограничения тока к выводам устройства гальванической развязки (используют второй коммутатор напряжения питания, шунтируя ограничитель тока).
Дополнительно способ коммутации напряжения питания прототипа иллюстрируется в Приложении 4.
При этом постоянную времени т заряда конденсатора С14 накопителя НЗ заряда устанавливают равной 3⋅τ > Δt, где Δt - предельно допустимая длительность пускового импульса стабилизатора А2 напряжения с гальванической развязкой. При необходимости отключают источник напряжения питания от стабилизатора А2 напряжения с гальванической развязкой путем выключения первого и второго коммутаторов напряжения питания.
Датчиком тока ДТ контролируют потребляемый ток. Для чего при подключении источника напряжения Uвx питания к накопителю НЗ заряда конденсаторного типа устанавливают триггер Тг в состояние 1. Контролируют состояние триггера Тг и при обнаружении его состояния 1 переводят ключ VT7.1 в открытое состояние. При величине потребляемого тока больше заданного, переводят триггер Тг в состояние 0. При обнаружении его состояния 0 отключают источник напряжения UBX питания от накопителя НЗ заряда конденсаторного типа.
Способ коммутации напряжения питания и устройство для его осуществления обеспечивают полную гальваническую развязку блока нагрузки от шин напряжения питания. В случае отказа (например, короткое замыкание) какого-либо элемента в любом случае сохраняется требование заказчика по отсутствию гальванических связей в выключенном режиме, как между входными шинами, так и между входными и выходными шинами цепей любой полярности. Способ и устройство коммутации напряжения питания для функционирования не требуют дополнительного источника питания, в нем осуществлена защита от токов перегрузки, как в переходном режиме пускового процесса, так и в режиме штатного функционирования стабилизатора напряжения нагрузки коммутатора напряжения питания. Надежность обеспечения напряжением питания хотя бы одного резерва системы нагрузки (при двух комплектах устройства) при одном любом отказе в каком-либо одном резерве комплекта коммутаторов питания резервированных систем обеспечивается совместно с системой управления объекта резервирования, формирующей сигнал по шине включения того или иного исправного резерва устройства [6].
Недостатком способа и устройства коммутации напряжения питания является нерегламентированный режим работы на этапе включения конечной нагрузки, на входе которой установлен стабилизатор напряжения с гальванической развязкой, имеющегося практически в большинстве абонентов КА и иной специальной аппаратуре. Данный стабилизатор обладает большим пусковым током, примерно в 10…20 раз больше его режима штатного функционирования при отдаче максимально допустимого тока. Нерегламентированный документацией завода-изготовителя режим работы этого стабилизатора в известном устройстве обусловлен используемым способом ограничения пускового тока с помощью резистора. При этом ограничение пускового тока приводит к понижению входного напряжения стабилизатора (с гальванической развязкой) ниже номинального порога его включения. Порог включения этого стабилизатора равен Uвх_мин. При этом режим ограничения входного тока по известному способу сопровождается нерегламентированной в документации стабилизатора генерацией - включен/отключен стабилизатор напряжения. Количество циклов генерации ориентировочно равно коэффициенту снижения величины пускового тока (за счет резистора R45). Любой отказ стабилизатора напряжения, в том числе не связанный с этим режимом, будет квалифицирован заводом-изготовителем как нарушение условий эксплуатации. Соответственно при отказе стабилизатора существенно осложняется рекламационная работа. Кроме того, сложный спектр помех пачки пусковых импульсов в цепях первичного источника напряжения КА снижает помехоустойчивость различных абонентов системы. Другим недостатком в известном способе коммутации напряжения питания и устройстве для его осуществления является включенное состояние первичного двухшинного коммутатора напряжения при срабатывании защиты от токов перегрузки.
Цель изобретения
Целью изобретения является обеспечение соответствия режима функционирования нагрузки со стабилизатором напряжения с гальванической развязкой на ее входе требованиям конструкторской документации, устранение пусковой генерации устройства гальванической развязки (указанного стабилизатора напряжения), а также устранение в цепях первичного источника питания пускового импульса, уменьшение амплитуды помех в режиме включения в цепях первичного источника питания КА, стандартизация цепей управления коммутатором напряжения питания, упрощение рекламационной работы при отказе нагрузки коммутатора напряжения питания в виде стабилизатора напряжения с гальванической развязкой.
Сущность изобретения
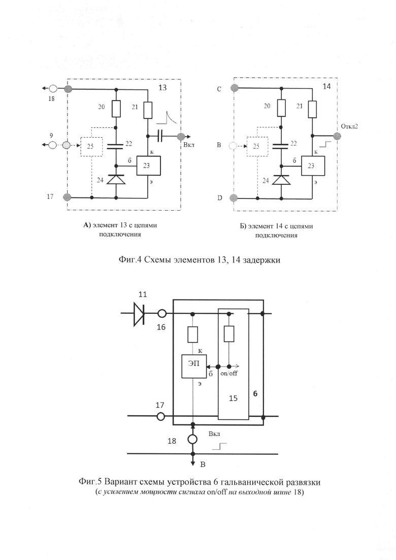
Устройство и способ иллюстрируются фиг.1, … фиг.7. На фиг.1 представлено устройство коммутации напряжения питания, содержащее входную шину 1 питания, входную шину 2 питания, шину 3 выключения, шину 4 выключения, коммутатор 5 напряжения питания, устройство 6 гальванической развязки (стабилизатор напряжения А2 … в прототипе), блок 7 нагрузки, коммутатор 8 напряжения питания (VYPR1 с блоком БТЗ в прототипе), шину 9 включения, накопитель 10 заряда (НЗ в УУАПИ прототипа), диоды 11 и 12, элементы 13 и 14 задержки, стабилизатор 15 напряжения, выходные шины 16 и 17 питания, шину 18 управления.
Входная шина 1 питания положительной полярности соединена через коммутатор 5 напряжения питания, анод-катод диода 11 с первой выходной шиной 16 питания, которая соединена с первым силовым входом устройства 6 гальванической развязки, один соответствующий выход которого соединен с первым входом блока 7 нагрузки. Входная шина 2 питания отрицательной полярности соединена через коммутатор 5 напряжения питания с второй выходной шиной 17 питания, которая соединена с вторым силовым входом устройства 6 гальванической развязки, другой соответствующий выход которого соединен с вторым входом блока 7 нагрузки. Шины 3 и 4 выключения соединены с соответствующими входами коммутатора 5 напряжения питания. Входы питания коммутатора 8 напряжения питания соединены с шинами 1 и 2 питания. Шина 9 включения, соединена с входом включения коммутатора 8 напряжения питания. Выходы коммутатора 8 напряжения питания соединены со входами накопителя 10 заряда. Выход напряжения положительной полярности накопителя 10 заряда соединен с выходной шиной 16 питания через диод 12 с соответствующей полярностью. Выход напряжения отрицательной полярности накопителя 10 заряда соединен с выходной шиной 17 и с общим выводом элемента 13 задержки. Выход управляющего сигнала накопителя 10 заряда соединен с шиной 18 управления, с первым входом выключения коммутатора 8 напряжения питания и через элемент 13 задержки с входом включения коммутатора 5 напряжения питания. Вход управления устройства 6 гальванической развязки соединен с шиной 18 управления. Выходы напряжения коммутатора 8 напряжения питания соединены с входами элемента 14 задержки, сигнальный выход которого соединен с вторым входом выключения коммутатора 8 напряжения питания. При необходимости вход обнуления элемента 14 задержки соединен с выходом сигнала управления накопителя 10 заряда.
На фиг.1, фиг.2 приведен вариант экранирования заявленного устройства коммутации напряжения питания отдельно от блока 7 конечной нагрузки. При исполнении блока 7 конечной нагрузки в виде электронного блока управления и исполнительной ее части, например, электропривод, возможно общее экранирование этого электронного блока управления и заявленного устройства коммутации напряжения питания.
Устройство 6 гальванической развязки может содержать как в прототипе фильтры напряжения питания со стабилизатором 15 напряжения, или только стабилизатор 15 напряжения с гальванической развязкой. На фиг.1, фиг.2 устройство 6 гальванической развязки содержит собственно стабилизатор 15 напряжения с гальванической развязкой и для наглядности функционирования его цепи включения (on/off) отдельно вынесен резистор его входной цепи включения. Например, как это имеет место в изделии СПНМ27-50-36-1 согласно КЦАЯ.436434.001ТУ. При этом на фиг.1, фиг.2 в устройство 6 гальванической развязки дополнительно введен защитный диод вследствие специфики структуры СПНМ27-50-36-1.
Устройство коммутатора 5 (8) напряжения питания (фиг.1) может быть реализовано, например, по работе [6], или с ее доработкой при использовании блока 19 токовой защиты - фиг.2. На фиг.3А представлен вариант использования в качестве коммутатора 5 (аналогично 8) напряжения питания устройства коммутатора 5* напряжения питания по работе [6] с ее доработкой по дополнительному входу «Откл 3». С целью повышения надежности защиты блок 19 токовой защиты может быть выполнен дублированным с отдельными выходами «Откл 3» и «Откл 4», например, по работе [7]. На фиг.2 цепь «Откл 4» не показана, как аналогичная цепи «Откл 3». Вариант использования в качестве коммутатора 5 (8) напряжения питания устройства коммутатора напряжения питания по работе [6] с ее доработкой по дополнительным входам «Откл 3» и «Откл 4» представлен на фиг.3Б. Доработка на фиг.3 (А и Б) выделена утолщенными линиями связей и резисторами с затушеванной поверхностью. Позиционные и иные обозначения коммутатора напряжения питания на фиг.3 (А и Б) внутри пунктира соответствуют работе [6]. Силовые ключи коммутатора 5 (8) - КМОП транзисторы переключательного типа с шунтирующими диодами, включенными в обратной полярности прохождения коммутируемого тока.
Элементы 13 и 14 задержки могут быть исполнены, например, с использованием RC цепи с транзистором по фиг.4А и фиг.4Б.
На фиг.4 варианты исполнения элементов 13 и 14 задержки содержат резисторы 20 и 21, конденсатор 22, биполярный n-p-n типа транзистор 23, защитный диод 24, КМОП ключ 25 n - типа.
Исполнение входных цепей включения устройства 6 гальванической развязки и коммутатора 5 (8) напряжения питания иного типа определяется в каждом конкретном случае спецификой их внутренней структуры. Например, при использовании СПНМ27-50-36-1 приведенный на фиг.1 и фиг.2 диод в устройстве 6 гальванической развязки может отсутствовать при достаточно большом выходном сопротивлении накопителя 10 заряда (открытый коллектор n-p-n транзистора) - выход сигнала управления устройством 6 гальванической развязки и большом входном сопротивлении элементов 13 и 14 задержки, коммутатора 8 напряжения питания.
В случае недостаточности мощности сигнала on/off устройства 6 гальванической развязки, определяемой, например, встроенным конструктивно резистором в стабилизатор 15 напряжения (вынесено в фиг.1), может быть использована цепь усиления сигнала on/off эмиттерным повторителем ЭП - фиг.5.
Накопитель 10 заряда рекомендуется конденсаторного типа. При этом к накопителю 10 заряда предъявляется требование по обеспечению формирования накопленного заряда конденсатора в апериодическом режиме, определяемого напряжением
конденсатора накопителя 10 заряда (энергии Wc) при изменении напряжения источника питания в диапазоне
(диаграмма
фиг.6). Эти требования для распространенного в промышленных стабилизаторах напряжения с гальванической развязкой соотношения
обеспечено, например, в накопителе заряда по работе [8]. Кроме того, в процессе разряда конденсатора накопителя 10 заряда необходимо обеспечить величину выходного напряжения накопителя 10 заряда
к моменту времени
- фиг.6 с учетом максимальной энергии W пускового импульса устройства 6 гальванической развязки.
В работе [8] конденсатор накопителя энергии Wc (заряда) представляет собой последовательное соединение двух конденсаторов. При этом в случае использования работы [8] коммутатор 8 напряжения питания (фиг.1, 2) является частью устройства по работе [8].
Работа устройства
Совместное рассмотрение изображений структуры устройства фиг.1 (фиг.2), диаграмм фиг.6 и алгоритма фиг.7 представляют описание способа и работы устройства. Прочтение этих изображений доступно инженеру средней квалификации. Работа коммутатора напряжения питания фиг.1 (фиг.2) приведена совместно с первичной нагрузкой, обладающей большим пусковым током.
Далее вместо обобщенного наименования первичная нагрузка для конкретности употребляется наименование - устройство 6 гальванической развязки (как в прототипе и согласно фиг.1, фиг.2). При этом в п. 1 Формулы изобретения для краткости наименование устройство гальванической развязки заменено на упрощенное - нагрузка. Описание работы представлено с учетом ссылок на приведенные выше обозначения. На диаграммах фиг.6 приняты обозначения:
Функционирование устройства начинается с подачи на шину 9 включения (фиг.1, 2) импульса Вкл «8» (фиг.6). Соответственно коммутатор 8 напряжения питания обеспечивает подачу напряжения
с входных шин 1 и 2 питания на накопитель 10 заряда. Накопитель 10 заряда конденсаторного типа [8], где энергия Wc конденсатора накопителя 10 заряда и напряжение Uc конденсатора с емкостью С определены по работе [9] формулой (15):
Величина тока заряда
(фиг.6) конденсатора накопителя 10 определена генератором тока последнего [8].
На участке времени t0…t1 (фиг.6) осуществляется накопление энергии Wc до заданного уровня:
- диаграмма
При достижении заданного уровня напряжения U10 накопитель 10 заряда формирует сигнал управления Вкл«6» (цепь «В» на фиг.1, 2), который включает устройство 6 гальванической развязки. При этом диод 12 открыт. Также по цепи «В» отключается от входных шин 1, 2 коммутатор 8 напряжения питания.
Полярность сигнала управления Вкл«6» и тип его выходного каскада в накопителе 10 заряда определены требованиями конкретного исполнения цепи управления on/off устройства 6 гальванической развязки. На фиг.1, 2 для наглядности исполнения и формирования сигнала управления Вкл«6» цепь on/off конкретного исполнения стабилизатора 15 напряжения (в частности СПНМ27-50-36-1) специально вынесена в устройстве 6 гальванической развязки и состоит из резистора и диода. При этом выходной каскад сигнала управления Вкл«6» в накопителе 10 заряда рекомендуется с использованием транзистора типа «открытый коллектор». Соответственно уровень логического нуля сигнала управления Вкл«6» - открытое состояние этого транзистора на участке t0…t1 - диаграмма фиг.6 (устройство 6 гальванической развязки выключено), а уровень логической единицы определяется вынесенным резистором цепи on/off конкретного исполнения стабилизатора 15 напряжения при закрытом состоянии этого транзистора.
Пусковой ток
(фиг.6) устройства 6 гальванической развязки через диод 12 разряжает конденсатор накопителя 10 заряда до значения 
на участке времени
Для обеспечения данного соотношения величина емкости конденсатора накопителя 10 заряда должна быть рассчитана с учетом расхода энергии W пускового импульса устройства 6 гальванической развязки. Сигнал Вкл«6» о достижении заданного уровня энергии, определяемый по Uio в накопителе 10 заряда, пройдя через элемент 13 задержки формируется в виде импульсного сигнала Вкл«5» (фиг.6) на входе Вкл коммутатора 5 напряжения питания. Соответственно напряжение
источника питания с входных шин 1, 2 питания через диод 11 поступает на устройство 6 гальванической развязки. При этом диод 12 закрывается. Величина задержки формирования сигнала Вкл«5» относительно сигнала Вкл«6» должна быть не менее предельно допустимой по основанию длительности пускового импульса устройства 6 гальванической развязки (фиг.6).
Участок времени
соответствует пассивному режиму работы нагрузки 7 с минимальным энергопотреблением. Участок времени
соответствует активному режиму работы нагрузки 7, включаемого внешней системой управления режимами работы нагрузки 7 (на фиг.1, 2 не показано).
Выключение устройства 6 гальванической развязки осуществляется подачей сигнала на одну любую шину 3 или 4 выключения коммутатора 5 напряжения питания.
Отличие работы устройства при его исполнении по фиг.2 от описанной выше для фиг.1 заключается в обеспечении дополнительно блоком 19 токовой защиты. При превышении тока источника питания более
блок 19 токовой защиты вырабатывает сигнал Откл 3, а в случае дублированного исполнения блока 19 токовой защиты - также и сигнал Откл 4, любой из которых отключает коммутатор 5* от источника питания устройства.
При наличии неисправности в накопителе 10 заряда, приводящей к длительному отсутствию сигнала управления Вкл«6», элементом 14 задержки в момент времени t1 формируется сигнал Откл 2 «8» (фиг.6), поступающий на вход выключения коммутатора 8 напряжения питания. Тем самым отключается от источника питания накопитель 10 заряда. Величина этой задержки должна быть несколько больше максимально допустимого времени накопления энергии Wc.
Функционирование элемента 14 задержки по фиг.4 заключается в контроле тока дифференцирующей цепи из резистора 20 и конденсатора 22 ключом 23. При поступлении напряжения на шины С и D ключ 23 открыт. По окончании заряда конденсатора 22 ключ 23 закрывается и на его выходе Откл 2 появляется импульс, который поступает на вход коммутатора 8 напряжения питания. Ключ 25 предназначен для ускорения процесса разряда конденсатора 22 при необходимости. Диод 24 обеспечивает защиту перехода база-эмиттер n-p-n транзистора ключа 23 при разряде конденсатора 22.
Прочие неисправности, приводящие к отсутствию включения устройства 6 гальванической развязки фиксируются внешней телеметрией системы управления по данным реакции нагрузки 7. Например, согласно описанию, приведенному в работе [6].
Технический результат
Техническим результатом является устранение пусковой генерации устройства гальванической развязки, устранение в цепях первичного источника питания пускового импульса, уменьшение амплитуды помех в режиме включения в цепях первичного источника питания и упрощение рекламационной работы. При этом элементы коммутатора напряжения питания находятся в экранированном корпусе, например, корпус прибора абонента с данным коммутатором в составе КА. Соответственно помехи от тока пускового импульса устройства гальванической развязки не влияют на прочие абоненты КА. Вместо устройства 6 гальванической развязки может использоваться иное устройство с кратковременным пусковым импульсом тока существенно большим тока потребления этого устройства в штатном режиме эксплуатации.
Источники информации
1. Коммутатор напряжения с защитой от перегрузки по току. Патент RU №2208292, МПК Н03К 17/08, 2003 г.
2. Способ и устройство коммутации напряжения питания. Патент RU №2775297, МПК Н03К 17/693, 2022 г.
3. Рамка БК, Схема электрическая принципиальная ИНАЯ.301229.219 ЭЗ, 2019 г.
4. Блок ВИЛ, Схема электрическая принципиальная ИНАЯ.301229.222 ЭЗ, 2019 г.
5. Прибор ЭП-59.055, Схема электрическая соединений ИНАЯ.461259.055 Э4, 2019 г.
6. Резервированный коммутатор напряжения питания. Патент RU №218650, МПКН03К 17/687, 2023 г.
7. Коммутатор напряжения питания. Патент RU №209262, МПК Н03К 17/78, 2022 г.
8. Устройство накопления энергии. Патент RU №223926, МПК H02J 15/00, 2024 г.
9. ФИЗИКА. Исследование процессов заряда и разряда конденсатора, С.С. Прошкин, В.В. Фицак, М.О. Силиванов. «Санкт-Петербургский горный университет». СПб, 2019 г.
| название | год | авторы | номер документа |
|---|---|---|---|
| Способ и устройство коммутации напряжения питания | 2022 |
|
RU2775297C1 |
| Накопитель энергии | 2024 |
|
RU2830620C1 |
| Оптоэлектронное реле питания резервированных систем | 2020 |
|
RU2746556C1 |
| Многоканальный стабилизированный источник вторичного электропитания | 1984 |
|
SU1166085A1 |
| ИСТОЧНИК ПИТАНИЯ ДЛЯ ИМПУЛЬСНОЙ НАГРУЗКИ | 2021 |
|
RU2754580C1 |
| СПОСОБ ФОРМИРОВАНИЯ КАРДИОДЕФИБРИЛЛЯЦИОННОГО ИМПУЛЬСА И СРЕДСТВО ДЛЯ ЕГО ОСУЩЕСТВЛЕНИЯ | 2004 |
|
RU2266145C2 |
| Ключевой стабилизатор напряжения с трансформаторной развязкой | 2023 |
|
RU2814894C1 |
| УСТРОЙСТВО БЕСПЕРЕБОЙНОГО ВТОРИЧНОГО ЭЛЕКТРОПИТАНИЯ | 2022 |
|
RU2806782C1 |
| Отказоустойчивая система электропитания с возможностью гибкой настройки параметров | 2020 |
|
RU2746221C2 |
| БАЗОВОЕ МАТРИЧНОЕ УСТРОЙСТВО | 1989 |
|
SU1690513A1 |
Способ и устройство коммутации напряжения питания относятся к области электронной техники и, преимущественно, могут быть использованы в специальной технике. Например, в системах управления и приборах (абонентах) космических аппаратов (КА) для устранения однократного пускового импульса тока приборов. В частности, где в цепях первичного источника питания КА с целью повышения помехоустойчивости системы недопустим пусковой ток абонента с амплитудой много больше амплитуды тока абонента в штатном режиме его работы. Способ заключается в использовании апериодического режима накопления заряда конденсатора в качестве источника энергии W, обеспечивающего формирование пускового импульса абонента КА. По окончании пускового импульса абонент переключается на использование энергии штатного источника питания КА. Техническим результатом является устранение ВЧ помех при включении абонента в цепях первичного источника питания постоянного тока, отсутствие пускового импульса в цепях первичного источника питания КА, упрощение рекламационной работы. При этом ток пускового импульса нагрузки формируется стандартно внутри экранированного корпуса прибора абонента. 3 з.п. ф-лы, 7 ил.
1. Способ коммутации напряжения для питания нагрузки через стабилизатор с гальванической развязкой с входом on/off управления ее включением, состоящий в том, что при подаче на шину включения сигнала включения подключают через первый коммутатор напряжения питания входные шины питания к накопителю заряда конденсаторного типа, накапливают энергию Wc в конденсаторе накопителя заряда, контролируют уровень энергии Wc, при обнаружении энергии заданного уровня W0 с соотношением Wc>W0 формируют на выходе управляющего сигнала накопителя заряда, соединенного с шиной управления, первый сигнал управления передачей энергии, отличающийся тем, что перед подачей напряжения питания устанавливают на входе on/off управления включением нагрузки сигнал уровня off, при поступлении первого сигнала управления передачей энергии на шину управления устанавливают на входе on/off управления включением нагрузки сигнал уровня on, отключают накопитель заряда от входных шин питания и используют энергию Wc конденсатора накопителя заряда для питания нагрузки, разряжая конденсатор накопителя заряда через анод-катод первого диода, соединенного с положительной выходной шиной питания, формируют импульс второго сигнала управления передачей энергии на выходе элемента задержки путем задержки первого сигнала управления передачей энергии на заданное время не менее длительности пускового импульса нагрузки, по обнаружению второго сигнала управления осуществляют передачу энергии без ограничения тока от входных шин питания на выходные шины через второй коммутатор напряжения питания и включенный в его плюсовой выход переход анод-катод второго диода.
2. Устройство коммутации напряжения для питания нагрузки через стабилизатор с гальванической развязкой с входом on/off управления ее включением, содержащее шину включения, две входные шины питания, два коммутатора напряжения питания, накопитель заряда, две выходные шины, при этом вход включения первого коммутатора соединен с шиной включения, входные шины питания соединены со входами первого коммутатора напряжения питания, выходы которого соединены со входами питания накопителя заряда, первый выход второго коммутатора напряжения питания соединен с первой выходной шиной питания, отличающееся тем, что введены шина выключения, два диода, элемент задержки, при этом выход напряжения отрицательной полярности накопителя заряда соединен с первой выходной шиной устройства и с общим входом элемента задержки, выход напряжения положительной полярности накопителя заряда соединен через анод-катод первого диода с второй выходной шиной устройства, выход управляющего сигнала накопителя заряда соединен с входом элемента задержки и входом выключения первого коммутатора напряжения питания, выход элемента задержки соединен с входом включения второго коммутатора напряжения питания, силовые входы которого соединены с входными шинами питания, а второй выход - с второй выходной шиной питания устройства через анод-катод второго диода, шина выключения устройства соединена с одноименным входом второго коммутатора напряжения питания.
3. Устройство коммутации напряжения питания по п. 2, отличающееся тем, что в него введена шина управления, которая соединена с выходом управляющего сигнала накопителя заряда.
4. Устройство коммутации напряжения питания по п. 2, отличающееся тем, что оно вместе с нагрузкой размещены в экранированном корпусе.
| RU 209262 U1, 10.02.2022 | |||
| КОММУТАТОР НАПРЯЖЕНИЯ С ЗАЩИТОЙ ОТ ПЕРЕГРУЗКИ ПО ТОКУ | 2001 |
|
RU2208292C2 |
| RU 2775299 C1, 29.06.2022 | |||
| US 5383082 A1, 17.01.1995 | |||
| СОЧЕТАНИЕ ИНГИБИТОРА УСВОЕНИЯ 5-НТ С СЕЛЕКТИВНЫМ 5-НТ АНТАГОНИСТОМ | 1996 |
|
RU2183955C2 |
| Пневматическая тормозная система трехосного грузового автомобиля-тягача | 1982 |
|
SU1027071A1 |
Авторы
Даты
2025-04-10—Публикация
2024-04-26—Подача