Изобретение относится к диагностическим системам и предназначено для диагностирования информационно-преобразующих элементов (ИПЭ) бортового оборудования (БО) воздушного судна (ВС) на основе машинного обучения. Под ИПЭ в изобретении подразумевается комплекс бортового оборудования (КБО) ВС, выполняющий свои функции через мультиплексный канал информационного обмена (МКИО). Устройство позволяет реализовать процесс автоматического создания диагностических моделей ИПЭ БО любой сложности с увеличением глубины поиска места отказа и одновременной минимизацией времени поиска неисправного БО ВС.
Известен метод диагностирования, реализуемый в экспертной системе (ЭС) функционального диагностирования авиационного радиоэлектронного оборудования [патент РФ на полезную модель №77062 U1, G06F 15/00]. Данная ЭС содержит управляющий микропроцессор, измерительный блок, содержащий в своем составе первичные измерительные преобразователи (ПИП), вычислительную систему, включающую подсистему обработки информации (ПОИ), базу данных, систему управления базой данных (СУБД), базу знаний, базу экспертных знаний (БЭЗ), нейросетевую базу знаний (НСБЗ), систему управления базой знаний (СУБЗ), решатель (интерпретатор). Известная ЭС является вычислительной системой, в которую включены знания специалистов о некоторой конкретной проблемной области и которая в пределах этой области способна принимать экспертные решения. ЭС состоит из вычислительной системы и внешних устройств; управляющего микропроцессора, измерительного блока. Вычислительная система содержит базу знаний, базу данных, машину логического вывода (решатель, подсистему приобретения знаний и подсистему объяснений).
ЭС, построенная по указанному принципу, имеет следующие свойства: ЭС ограничена определенной сферой экспертизы - решение задач контроля и диагностики технического состояния бортового оборудования ЛА, способна рассуждать при сомнительных данных и объяснять полученные решения понятным способом, знания, которыми она оперирует, и механизм вывода - средство обработки знаний -отделены друг от друга, целенаправленна на использование правил, на выходе выдает совет, а не информацию, которая подлежит трудоемкой обработке пользователем, строится так, чтобы имелась возможность постоянного наращивания системы. В ЭС диагностирования функции подсистемы приобретения знаний выполняет база знаний, а подсистема объяснений выполняет функции решателя машина логического вывода (МЛВ) (интерпретатор).
Предлагаемая ЭС позволяет, используя метод функционального диагностирования, проводить непрерывный анализ технического состояния объектов ЛА в процессе их работы по назначению, оперативно получать информацию о техническом состоянии бортового оборудования ЛА, позволяет проводить работы по диагностированию без нарушения функциональных связей.
ЭС, наряду с использованием традиционных знаний, хранящихся в БЗ, используя нейросетевую базу, позволяет формализовать перечисленные выше проблемы, возникающие в процессе эксплуатации авиационного оборудования. Проблема сложности объектов в нейросетевой базе знаний решается на основе обучения погрешности измерений, отказы первичных измерений-преобразователей информации могут компенсироваться на основе моделей ассоциативной нейронной сети (аналитическая избыточность).
Основным недостатком описанного метода диагностирования является наличие и использование за основу субъективных знаний экспертов ЭС в некоторой конкретной области, что при составлениидиагностических моделей, и наличии человеческого фактора, а также невозможности точного прогнозирования процессов изменения технического состояния авиационного радиоэлектронного оборудования в рамках его жизненного цикла, может приводить к неточности осуществления процесса диагностирования. Также, недостатком данного метода является неавтономность обучения искусственной нейронной сети, используемой в ЭС, с целью формирования нейросетевой базы знаний. Отсутствие автоматизированности процесса формирования такой базы предполагает обучение с учителем: при обучении искусственной нейронной сети необходимо участие человека (оператора).
Однако сложность объекта контроля и диагностики, большая часть параметров которого не измеряется, содержит случайные (инструментальные и методические) погрешности. Чрезмерная сложность и отсутствие точной математической модели, существование критических (нерасчетных) режимов работ авиационного оборудования вызывает комплексные отказы измерителей и преобразователей системы. Все перечисленные выше проблемы снижают достоверность диагностирования технического состояния авиационного бортового оборудования. Также усложнение и увеличение элементной базы ЭС приводит к снижению надежности, отказоустойчивости и стойкости метода диагностики к изменяющимся внешним факторам.
Известен способ диагностирования, основанный на методе резервирования каналов конструктивно-функциональных модулей бортовых цифровых вычислителей летательных аппаратов на основе интеллектуальной диагностической системы в условиях интегрированной модульной авионики [патент РФ на изобретение №2778366 C1, G06F 11/20]. Способ обеспечивает повышение отказоустойчивости за счет применения многоканального мониторинга интеллектуальной диагностической системой в режиме реального масштаба времени каналов обработки программного кода КФМ, что позволяет придостижении значения контролируемого параметра программного кода границ допусков функциональной зависимости (границ работоспособного состояния) заблаговременно реконфигурировать отказавший информационный канал КФМ (канал, в котором возник сбой) и использовать интеллектуальную диагностическую систему (ИДС) в режиме работы отказавшего канала БЦВС с индикацией о реконфигурации на функционирование ИДС летному экипажу. Технический результат рассматриваемого метода достигается тем, что в методе резервирования каналов КФМ БЦВС на основе ИДС реализуется принцип функционирования в интересах решения задачи автоматического построения модели подлежащего программной реконфигурации канала обработки информации за счет применения систем искусственного интеллекта, управляемого нейроконтроллером, что позволяет заблаговременно реконфигурировать отказавший канал КФМ на доступные вычислительные ресурсы ИДС в режиме БЦВС. При этом в ИДС происходит обучение (формирование моделей правильного функционирования КФМ БЦВС, функционирования в предотказном состоянии, функционирования в режиме отказа); запоминание (создание базы данных, включающих сформированные модели правильного функционирования КФМ с учетом упреждающих допусков), а также работа в режиме имитации БЦВС.
Недостатком данного метода является его узкая применяемость -предназначение заключается только для диагностирования и резервирования отказавших каналов КФМ БЦВС.
Известен способ и система для диагностирования промышленного объекта [патент РФ на изобретение №2707423 С2, G06F 11/00]. Указанный технический результат достигается благодаря тому, что разработана система для диагностирования промышленного объекта, содержащая блок сбора данных, выполненный с возможностью сбора данных с комплекта датчиков промышленного объекта; блок моделипромышленного объекта, выполненный с возможностью моделировать промышленный объект; блок анализа, выполненный с возможностью анализировать состояние промышленного объекта на основании данных, полученных от блока сбора данных, и модели промышленного объекта; причем блок анализа выполнен с возможностью делать заключение о нормальном или аномальном функционировании промышленного объекта на основании анализа; причем блок анализа выполнен с возможностью принимать данные об изменениях, внесенных в промышленный объект, и командовать блоку модели изменить модель в соответствии с внесенными изменениями. Сущность способа заключается в том, что с помощью комплекта датчиков, расположенных в элементах промышленного объекта, отслеживается состояние промышленного объекта. Далее данные с датчиков обрабатываются для диагностики состояния промышленного объекта. Данные с датчиков сопоставляются с данными, формируемыми заранее разработанной моделью промышленного объекта, по результатам сопоставления делается вывод об исправности промышленного объекта и его элементов, о необходимости ремонта и/или замены элементов промышленного объекта. Особенностью заявленного изобретения является использование инженерной модели промышленного объекта, наличие обратной связи, изменяющей модель промышленного объекта по данным о вмешательстве в работу промышленного объекта при устранении отказов, предотказных состояний и при выполнении сверхцикловых работ на плановых видах обслуживания (скрытых отказов). Технический результат, достигаемый данным решением, заключается в повышении точности диагностики промышленного объекта в части выявления предотказных состояний. Однако, несмотря на все положительные стороны изобретения, рассматриваемый способ и система для диагностирования промышленного объекта имеет ряд недостатков:
1. При отслеживании состояния по данным, полученным от датчиков, не учитываются возможные влияния внешних возмущающихвоздействий, а также собственные шумы датчиков. Отсутствие учета влияния внешних возмущающих воздействий, в конечном итоге может повлиять на результат по выводу об исправности промышленного объекта, то есть возможность возникновения ошибок первого и второго рода.
2. Отсутствие унификации. Для каждого промышленного объекта возникает необходимость установки специализированных датчиков самой широкой номенклатуры, что отрицательно влияет на экономический эффект, получаемый от использования разработанного способа и системы для диагностирования промышленного объекта.
3. Не автоматизирован процесс создания эталонных моделей для сравнения результатов, полученных от датчиков в режиме реального времени. Разрабатываемые модели создаются вручную, что зачастую, для сложных объектов контроля не предоставляется возможным в полной мере.
Известен способ диагностирования информационно-преобразующих элементов бортового оборудования воздушного судна на основе машинного обучения [патент РФ на изобретение №2802976 CI, G06N 3/02, G06F 11/00, G05B 23/00]. Способ обеспечивает решение задачи диагностики бортового оборудования, которая позволяет выявить неисправности оборудования, а также уменьшить время поиска места и причин отказа за счет применения многоканального контроля информационно-преобразующих элементов комплекса бортового оборудования нейросетевым классификатором состояний, программное обеспечение которого реализуется на основе алгоритмов функционирования искусственных нейронных сетей Кохонена, в режиме реального масштаба времени, что позволяет создавать на этапе испытаний комплекса бортового оборудования диагностические модели каждого информационно-преобразующего элемента (до конструктивно-съемной единицы), с целью их диагностирования способом классификации состояний искусственными нейронными сетями Кохонена с применениемметодов машинного обучения. Сущность изобретения заключается в том, что в нейросетевом классификаторе состояний, построенном на основе функционирования алгоритмов искусственных нейронных сетей Кохонена, представленного в виде программного кода, и отдельного вычислительного модуля, происходит его автоматическое обучение в режиме реального масштаба времени. С определенной дискретностью через модуль формирования обучающей выборки, содержащий энергонезависимое постоянное запоминающее устройство (ПЗУ), через интегрированную локальную сеть бортового оборудования поступают числовые массивы данных входных и выходных сигналов каждого информационно-преобразующего элемента бортового оборудования, с последующим автоматическим распределением входной информации по кластерам. Однако, несмотря на все положительные стороны изобретения, рассматриваемый способ имеет ряд недостатков:
1. При сборе обучающих данных, а также при диагностировании в реальном времени по данным, полученным от датчиков, не учитываются возможные влияния внешних возмущающих воздействий, а также собственные шумы датчиков: например, полет воздушного судна на различных режимах работы вызывает вибрацию, которая отрицательно влияет на функционирование бортового оборудования [см. ГОСТ Р 57211-2016. Внешние воздействия. Данные о воздействии на электротехническое оборудование вибрации и ударов. Оборудование, транспортируемое реактивным самолетом с неизменяемой геометрией крыла. - Москва: Стандартинформ, 2016. - 35 с.]. Отсутствие учета влияния вышеуказанных возмущающих воздействий, в конечном итоге может повлиять на результат по выводу о работоспособности бортового оборудования, то есть возможности возникновения ошибок первого и второго рода при диагностировании.
2. Не автоматизирован процесс определения оптимальных размеров и структуры искусственной нейронной сети Кохонена (оптимальныхпараметров обучения): так как для каждого информационно-преобразующего элемента создается своя нейронная сеть, то существенным недостатком способа является создание каждой сети с одинаковыми параметрами для различных по своему назначению и принципу действия информационно-преобразующих элементов, у которых структура и значения данных отличные друг от друга.
Известно устройство контроля технического состояния систем самолета [патент РФ на изобретение №2789470 C1, G07C, G06F], и выбранное в качестве прототипа, которое позволяет повысить достоверность результатов контроля технического состояния систем самолета за счет того, что устройство содержит печатающее устройство (1), устройство индикации и регистрации полетной и наземной информации (2), блок документирования и хранения диагностических данных (3), блок приема и обработки данных (4), авионику самолета (7), средства контроля технического состояния систем (8), систему управления общесамолетным оборудованием (9), основную (5) и резервную (12) линии связи между блоком приема и обработки данных (4) с авионикой самолета (7), средствами контроля технического состояния систем (8) и системой общесамолетного оборудования (9) и между блоком документирования и хранения диагностических данных (3) с авионикой самолета (7), основную (6) и резервную (13) линии связи между блоком документирования и хранения диагностических данных (3), печатающим устройством (1) и устройством индикации и регистрации полетной и наземной информации (2), основную (10) и резервную (11) линии связи между блоком приема и обработки данных (4) и блоком документирования и хранения диагностических данных (3). Тем не менее, рассматриваемое устройство имеет существенный недостаток: при диагностировании в реальном времени по данным, полученным от датчиков, не учитываются возможные влияния внешних возмущающих воздействий, а также собственные шумы датчиков: например, полет воздушного судна на различных режимах работы вызывает вибрацию, которая отрицательновлияет на функционирование бортового оборудования [см. ГОСТ Р 57211-2016. Внешние воздействия. Данные о воздействии на электротехническое оборудование вибрации и ударов. Оборудование, транспортируемое реактивным самолетом с неизменяемой геометрией крыла. - Москва: Стандартинформ, 2016. - 35 с.]. Отсутствие учета влияния вышеуказанных возмущающих воздействий, в конечном итоге может повлиять на результат по выводу о работоспособности бортового оборудования, то есть возможности возникновения ошибок первого и второго рода при диагностировании.
Устройство обеспечивает решение задачи диагностики комплекса бортового оборудования, которая позволяет выявить неисправности оборудования, а также уменьшить время поиска места и причин отказа за счет применения многоканального контроля ИПЭ КБО. Программное обеспечение устройства реализуется на основе комплексирования трех модифицированных алгоритмов машинного обучения, с модификацией в части автоматического определения оптимальных параметров обучения моделей для каждого ИПЭ, за счет предварительного анализа обучающей выборки, что обеспечивает полную автономность функционирования устройства. Работа устройства осуществляется в режиме реального масштаба времени, что позволяет создавать на этапе испытаний КБО диагностические модели каждого ИПЭ (до конструктивно-съемной единицы: модуля, субмодуля), с целью их диагностирования комплексным применением алгоритмов машинного обучения. Программное обеспечение устройства дополнено модифицированным алгоритмом фильтрации на основе одномерного фильтра Калмана, с модификацией в части автоматического определения оптимальных параметров фильтра для каждого ИПЭ, за счет предварительного анализа обучающей выборки, что обеспечивает повышение точности технического диагностирования, а также снижение возможности возникновения ошибок первого и второго рода при определении технического состояния систем КБО.
Технический результат - переход на более высокий уровень надежности за счет повышения коэффициента готовности ВС, достигаемого минимизацией среднего времени поиска места отказа КБО.
Технический результат изобретения достигается тем, что в устройстве технического диагностирования комплекса бортового оборудования воздушных судов на основе машинного обучения реализуется принцип функционирования в интересах решения задачи автоматического построения диагностических моделей, подлежащих контролю ИПЭ КБО. Устройство технического диагностирования реализуется на высокопроизводительном нейропроцессоре К1879ВМ8Я NeuroMatrix из линейки процессоров НТЦ «Модуль», а также с использованием комплексирования трех модифицированных алгоритмов машинного обучения, что позволит увеличить глубину поиска места отказа встроенным контролем в реальном времени, и, как следствие, уменьшить время поиска отказа за счет локализации его места, что позволит тем самым повысить коэффициент готовности ВС. При этом, в устройстве осуществляется обучение вышеуказанных алгоритмов (формирование кластера, определяющего работоспособное техническое состояние каждого ИПЭ: кластер, сформированный координатами входного и выходного сигнала ИПЭ, для которого автоматически формируется информационная диагностическая модель в виде ограниченного геометрического пространства признаков в выбранной метрике); фиксация (создание базы данных, включающих сформированные диагностические модели эталонного функционирования ИПЭ); отнесение данных контроля в реальном времени кластеру, описывающему работоспособное состояние ИПЭ: в случае, если данные реального времени принадлежат сформированному кластеру - в бортовую автоматизированную систему контроля выводится сообщение о работоспособном состоянии ИПЭ, в противном случае - выводится сообщение о неработоспособном состоянии ИПЭ.
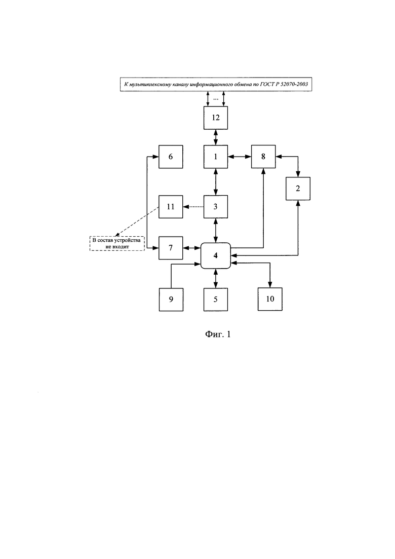
На фиг. 1 показана схема устройства технического диагностирования КБО ВС на основе машинного обучения: 1 - микроконтроллер декодирования слов данных «Манчестер II»; 2 - постоянное запоминающее устройство 1 (ПЗУ 1) (память данных: хранение адресных обучающих информационных данных); 3 - коммутатор (связь микроконтроллера и нейропроцессора); 4 - нейропроцессор К1879ВМ8Я NeuroMatrix из линейки процессоров НТЦ «Модуль»; 5 - оперативное запоминающее устройство (ОЗУ); 6 - ПЗУ 2 (память команд: хранение обученных адресных моделей машинного обучения); 7, 8 - программаторы; 9 - модуль преобразования электропитания из 27 В постоянного тока в 5В, 3,3В, 2В постоянного тока; 10 - ПЗУ 3 (хранение программ автоматического определения оптимальных параметров обучения алгоритмов; программ автоматического определения оптимальных параметров фильтрации одномерного фильтра Калмана для каждого ИПЭ); 11 - штатная бортовая автоматизированная система контроля (БАСК) ВС (не входит в состав устройства технического диагностирования); 12 - шлейф подключения к МКИО (согласно ГОСТ Р 52070-2003).
Устройство диагностирования подключается как унифицированное устройство интерфейса к основной и резервной магистральной шине, которая выполнена из кабеля, содержащего витую экранированную пару проводников в защитной оболочке через ответвитель, представляющий собой шлейф (12), состоящий из двух защитных резисторов R3, экрана, а также согласующего трансформатора Тр1, и трансформатора гальванической развязки Тр.
Сущность изобретения заключается в том, что в устройстве технического диагностирования, на основе функционирования трех модифицированных алгоритмов машинного обучения, представленных в виде программного кода, происходит их автоматическое обучение с последующим контролем ИПЭ в режиме реального масштаба времени. По команде нейропроцессора (4), слова данных (СД) от оконечных устройств (ОУ), необходимые для обучения модуля диагностики, черезмикроконтроллер, запрограммированный на декодирование СД «Манчестер II» (1), поадресно записываются в память данных в течение работы бортового оборудования на этапе испытаний. С определенной дискретностью через программатор (8), обращающийся к энергонезависимому ПЗУ (2), обучающие информационные данные каждого ИПЭ записываются в соответствующие ячейки (2), согласно своих адресов ОУ и подадресов передаваемых СД. После сбора адресных обучающих информационных данных, по команде (4), обращаясь к (10), запускается программа автоматического определения оптимальных параметров обучения моделей для каждого ИПЭ, за счет предварительного анализа обучающей выборки, а также программа автоматического определения оптимальных параметров фильтрации одномерного фильтра Калмана для каждого ИПЭ, за счет предварительного анализа обучающей выборки, с записью их настроек в (5). После чего выполняется поадресный процесс обучения моделей, с записью их программ в (6) через программатор (7). Питание устройства осуществляется за счет модуля преобразования бортового напряжения сети 27 Вольт (9). После обучения моделей машинного обучения, осуществляется контроль адресных информационных данных реального времени при информационном обмене (контроль принадлежности данных сформированным кластерам, описывающим полностью работоспособное состояние каждого ИПЭ), с поадресной записью информации через коммутатор (3) в БАСК (11) о работоспособности (неработоспособности) каждого ИПЭ.
Так как при работе бортового оборудования, собранные в реальном времени данные, представляют из себя неразмеченные обучающие информационные данные, то для решения задач автоматического (без учителя) формирования информационных диагностических моделей, наиболее подходящим методом машинного обучения является кластеризация, и для решения вышеуказанных задач был сформулирован ряд требований для разрабатываемого алгоритма диагностирования, на основеМО. Сформулированным требованиям удовлетворяют следующие методы кластеризации:
1. К-средних (K-means).
2. DBSCAN (Density Based Spatial Clustering of Application with Noise -пространственная кластеризация для приложений с шумами).
3. SOM (Self Organizing Map, или нейронная карта Кохонена).
Параметры обучения, которые автоматически формируются в модифицированном алгоритме реализованы в виде программы на языке Python.
Для SOM: программа позволяет в реальном времени, обращаясь к массивам данных, с использованием функции «find_optimal_params», рассчитывать значения оптимальных размеров и структуры SOM. программа использует библиотеку «MiniSom» для создания и обучения самоорганизующейся карты (Self-Organizing Map, SOM) на наборе данных. Программа загружает данные и масштабирует их. Затем она определяет функцию «find_optimal_params», которая перебирает возможные значения параметров SOM и находит оптимальные параметры, максимизирующие точность предсказания. Далее программа создает SOM с найденными оптимальными параметрами, обучает его на обучающей выборке и преобразует данные с помощью этой SOM. Результаты преобразования сохраняются в соответствующие переменные [см. свидетельство о государственной регистрации программы для ЭВМ №2023685013 от 22.11.2023 г.].
Метод SOM (Self-Organizing Map), также известный как нейронная карта Кохонена. SOM - это вид нейронных сетей, используемых для кластеризации и визуализации многомерных данных. SOM представляет собой двухслойную нейронную сеть, состоящую из узлов (нейронов), организованных в виде двумерной сетки.
В SOM нейроны активного слоя не упорядочены. В процессе обучения подстраиваются веса только одного нейрона-победителя каждой ИНС дляИПЭ. Каждый i-й нейрон 2-го слоя имеет собственный вектор весов Wi, который сравнивается с входным вектором X. Сравнение подразумевает вычисление расстояния между X и W, так что в слое Кохонена появляется нейрон-победитель с номером j, веса которого имеют минимальное расстояние до входного вектора:
В качестве метрики здесь выступает евклидово расстояние:
Если векторы X и W нормализованные, то в качестве меры близости можно использовать скалярное произведение. Выход нейрона можно описать формулой:
При этом выход нейрона j оказывается максимальным при одинаковых X и W:
Нормализация векторов выполняется по формулам: 
где
- нормализованные векторы, приведены к ограниченному диапазону значений [-1;1].
Результатом работы слоя конкурирующих нейронов в структуре программной части модуля диагностики при подаче на входной слой некоторого вектора X является определение нейрона, который имеет наибольший выходной сигнал yj (нейрон-победитель). Этот нейрон обладает весовым вектором Wj, который наиболее близок к входному вектору.
Нейроны слоя Кохонена работают не изолированно, между ними существуют соревновательные связи, с помощью которых близкие нейроны усиливают сигналы друг друга.
В алгоритме происходит обучение нейронной сети типа SOM на ранее загруженных данных. SOM объединяет данные в кластер и присваивает кластеру работоспособного состояния метку. Затем происходит вывод меток кластера и определение, принадлежат ли новые данные к кластеру, или нет. Далее данные разделяются на данные, принадлежащие и не принадлежащие кластеру, с выводом соответствующих сообщений.
Для K-means: в программе используется библиотека «scikit-learn» для реализации алгоритма K-means и вычисления коэффициента силуэта. Данные загружаются из файла «data.npy». Диапазон значений для количества кластеров задается переменными «min_clusters» и «max_clusters». В цикле происходит обучение модели K-means с каждым количеством кластеров, а затем вычисляется коэффициент силуэта для оценки качества кластеризации. Если текущий коэффициент силуэта лучше предыдущего лучшего значения, то обновляются переменные «best_score» и «best_clusters». В конце программы выводятся лучшие параметры [см. свидетельство о государственной регистрации программы для ЭВМ №2023685364 от 27.11.2023 г.].
K-means - это алгоритм кластеризации, который используется для группирования данных в K кластеров. Однако, когда K=1, алгоритм может быть эффективно использован для поиска аномалий в данных, то есть данных, соответствующих неработоспособному состоянию объекта контроля. Для этого алгоритм K-means с одним кластером применяется к данным, и центр кластера вычисляется как среднее значение всех точек данных. Затем расстояние между каждой точкой данных и центром кластера вычисляется, и точки данных, которые находятся на расстоянии больше определенного порога от центра кластера, считаются аномалиями.
Основная идея алгоритма заключается в минимизации суммарного квадратичного отклонения точек кластера от центра этого кластера, то есть
где K - известное число кластеров.
Идея адаптированного под решение задач диагностирования алгоритма K-means с одним кластером заключается в проверке декодированных информационных данных в реальном времени. При попадании значений входа и выхода в сформированный кластер работоспособного состояния, алгоритмом выводится сообщение «Данные принадлежат кластеру, ИПЭ работоспособен: 1». В случае если данные, полученные при информационном обмене между устройствами МКИО, не попадают в сформированный кластер работоспособного состояния, алгоритмом выводится сообщение «Данные не принадлежат кластеру, ИПЭ неработоспособен: О».
Для DBSCAN: программа использует библиотеку «scikit-learn» для реализации DBSCAN и генерации начальных массивов данных. Производится перебор возможных и поиск оптимальных значений параметров «eps» и «min_samples» в заданных диапазонах (для каждогомассива обучающих данных) с использованием функции «find_optimal_params». Производится вывод параметров обучения, обучение модели на эталонных данных, сохранение меток кластера. Производится представление цикла «for» для перебора элементов в списке данных реального времени; в каждой итерации цикла переменной «i» присваивается индекс элемента в списке, а переменной «test_file» - значение элемента; после этого необходимо создать пустые списки «test_data» и «test_labels» [см. свидетельство о государственной регистрации программы для ЭВМ №2023669752 от 20.09.2023 г.].
Метод DBSCAN (Density-Based Spatial Clustering of Applications with Noise - пространственная кластеризация, основанная на плотности для приложений с шумами). Метод DBSCAN позволяет эффективно обнаруживать кластеры произвольной формы, а также точки-выбросы (шум), проявляя высокую чувствительность к изменению данных. Идея адаптированного под решение задач диагностирования алгоритма DBSCAN с одним кластером также заключается в проверке декодированных информационных данных в реальном времени. При попадании значений входа и выхода в сформированный кластер работоспособного состояния, алгоритмом выводится сообщение «Данные принадлежат кластеру, ИПЭ работоспособен: 1». В случае если данные, полученные при информационном обмене между устройствами МКИО, не попадают в сформированный кластер работоспособного состояния, алгоритмом выводится сообщение «Данные не принадлежат кластеру, ИПЭ неработоспособен: 0» и помечаются как выбросы.
При сборе обучающей информации и контроле в реальном времени на данные процессы могут воздействовать различные внешние возмущающие воздействия. В конечном итоге собранные данные могут содержать шумы, ошибки и другие аномалии, которые могут привести к неправильной оценке технического состояния системы. Фильтрация данных позволяет устранить шумы и ошибки в данных, что повышает точность оценки техническогосостояния системы. Это особенно важно для систем, где даже малейшие отклонения могут привести к серьезным последствиям.
Кроме того, фильтрация данных может помочь снизить объем данных, которые нужно обрабатывать, что упрощает и ускоряет процесс идентификации технических состояний. В целом, использование фильтрации данных является необходимым для достижения более точной и надежной оценки технического состояния системы и повышения ее эффективности и безопасности, а также позволит избежать возникновения ошибок первого и второго рода при применении разработанных алгоритмов.
Для фильтрации обучающих данных, а также данных реального времени был модифицирован одномерный фильтр Калмана с автоматическим определением параметров фильтра на языке программирования Python: данная программа реализует фильтр Калмана для одномерной временной серии данных. Он использует библиотеки «nampy» и «pandas» для обработки данных. Функция «kalman_filter» принимает на вход массив данных, параметры шума системы (Q) и шума измерений (R). Она инициализирует переменные и массивы для хранения отфильтрованных данных, ошибки предсказания (Р), предсказанных значений (х) и коэффициента Калмана (K). Затем она проходит по каждому элементу данных и применяет фильтр Калмана для предсказания и обновления значения. На первой итерации функция сохраняет исходное значение в отфильтрованные данные и устанавливает ошибку предсказания равной 1. На следующих итерациях функция предсказывает значение на основе предыдущего отфильтрованного значения и ошибки предсказания, а затем обновляет значение на основе измеренного значения и ошибки предсказания [см. свидетельство о государственной регистрации программы для ЭВМ №2023684418 от 15.11.2023 г. ].
Устройство функционирует следующим образом.
1. Осуществляется сбор и подготовка исходных данных, а также импортирование необходимых библиотек применяемого языка программирования в алгоритме.
На этом шаге исходные данные представляют собой выборку, полученную в ходе проведения испытаний БО при различных режимах работы, которая поадресно фиксируется в память данных вычислительного модуля. Каждому адресу данных, полученных через обращение к МКИО, соответствует массив входных и выходных значений, которые описывают заведомо работоспособное техническое состояние диагностируемых ИПЭ.
2. Автоматическое создание моделей машинного обучения: K-means, SOM и DBSCAN. На этом этапе производится создание используемых моделей машинного обучения для каждого сохраненного адреса и подадреса информационных данных, назначение переменных для хранения промежуточных результате вычислений. Созданные модели машинного обучения обращаются через программаторы к каждому сохраненному массиву данных входа и выхода соответствующего ИПЭ. Таким образом, для каждого ИПЭ формируются 3 модели машинного обучения.
3. Автоматическое определение параметров обучения моделей: количество нейронов, структура ИНС, метод обучения, функция активации (для SOM); количество кластеров, параметр «random_state» - это параметр, который используется в алгоритмах машинного обучения для установки начального состояния генератора случайных чисел (для K-means); параметров «eps» и «min_samples», которые определяют, как алгоритм будет проводить кластеризацию, «eps» определяет радиус окружности, в которой должно находиться не менее «min_samples» объектов для того, чтобы они были отнесены к одному кластеру (для DBSCAN).
4. Осуществляется обучение моделей на данных по критериям получения кластера, описывающего работоспособное состояние ИПЭ. Для определения границ кластеров целесообразно использовать статистическиеметоды, такие, как правило трех сигм, который определяет границу, выше которой находятся точки данных с высокой вероятностью быть аномалиями.
5. Применение мажоритарного принципа формирования на выходе сигнала о результатах контроля ИПЭ по методу два из трех при контроле данных, полученных от ИПЭ в реальном времени. Данный принцип используется с целью недопущения ложной идентификации данных реального времени алгоритмами (ошибок первого и второго рода).
6. Вывод соответствующих сообщений с учетом пункта 5, а также запись информации в штатную БАСК ВС.
Отличительными особенностями разработанного устройства являются: -представлен полностью автоматический процесс диагностирования ИПЭ на основе комплексирования трех модифицированных алгоритмов машинного обучения, с модификацией в части автоматического определения оптимальных параметров обучения моделей для каждого информационно-преобразующего элемента, за счет предварительного анализа обучающей выборки, что обеспечивает полную автономность функционирования устройства;
- наличие единой аппаратной, унифицированной, методической и алгоритмической основы построения и применения соответствующих диагностических моделей ИПЭ любой сложности для определения технического состояния всего КБО, выполняющего свои функции через МКИО, в реальном времени;
-при сборе обучающих информационных данных, а также данных реального времени, полученных через МКИО от ОУ, учитываются возможные влияния внешних возмущающих воздействий, а также собственные шумы датчиков. С целью устранения (компенсации) возмущающих воздействий, а также недопущения неправильной оценки технического состояния системы модулем диагностики, был модифицирован одномерный фильтр Калмана с автоматическим определением оптимальных параметров фильтрации.
- возможность охвата контролем всего КБО ВС, выполняющего свои функции через МКИО: до тридцати одного ОУ, каждый из которых является отдельной системой ВС, и может включать до тридцати двух подадресов ОУ (блоков, модулей, субмодулей);
- процесс формирования кластеров, описывающих работоспособное состояние каждого ИПЭ БО ВС, является полностью автоматическим и не предусматривает наличие оператора (человека): при решении задач формирования кластеров, применяется метод кластеризации, который предполагает применение метода «обучения без учителя»;
- программное обеспечение устройства сочетает в себе комплексирование трех модифицированных алгоритмов машинного обучения с автоматическим определением оптимальных параметров обучения, а также мажоритарный принцип формирования на выходе сигнала о результатах контроля каждого ИПЭ БО по методу «два из трех», с целью повышения достоверности диагноза, а также недопущения возникновения ошибок первого и второго рода.
| название | год | авторы | номер документа |
|---|---|---|---|
| СПОСОБ ДИАГНОСТИРОВАНИЯ КОМПЛЕКСА БОРТОВОГО ОБОРУДОВАНИЯ ВОЗДУШНЫХ СУДОВ НА ОСНОВЕ МАШИННОГО ОБУЧЕНИЯ И УСТРОЙСТВО ДЛЯ ЕГО ОСУЩЕСТВЛЕНИЯ | 2023 |
|
RU2816667C1 |
| СПОСОБ ДИАГНОСТИРОВАНИЯ КОМПЛЕКСА БОРТОВОГО ОБОРУДОВАНИЯ ВОЗДУШНЫХ СУДОВ НА ОСНОВЕ МАШИННОГО ОБУЧЕНИЯ | 2023 |
|
RU2809719C1 |
| СПОСОБ ДИАГНОСТИРОВАНИЯ ИНФОРМАЦИОННО-ПРЕОБРАЗУЮЩИХ ЭЛЕМЕНТОВ БОРТОВОГО ОБОРУДОВАНИЯ ВОЗДУШНОГО СУДНА НА ОСНОВЕ МАШИННОГО ОБУЧЕНИЯ | 2022 |
|
RU2802976C1 |
| СПОСОБ ДИАГНОСТИРОВАНИЯ КОМПЛЕКСА БОРТОВОГО ОБОРУДОВАНИЯ ВОЗДУШНЫХ СУДОВ НА ОСНОВЕ МАШИННОГО ОБУЧЕНИЯ БЕЗ УЧИТЕЛЯ С АВТОМАТИЧЕСКИМ ОПРЕДЕЛЕНИЕМ ПАРАМЕТРОВ ОБУЧЕНИЯ МОДЕЛЕЙ | 2023 |
|
RU2818858C1 |
| Способ автоматизированного составления технологического графика выполнения регламентных работ на авиационной технике | 2024 |
|
RU2836063C1 |
| МЕТОД РЕЗЕРВИРОВАНИЯ КАНАЛОВ КОНСТРУКТИВНО-ФУНКЦИОНАЛЬНЫХ МОДУЛЕЙ БОРТОВЫХ ЦИФРОВЫХ ВЫЧИСЛИТЕЛЕЙ ЛЕТАТЕЛЬНЫХ АППАРАТОВ НА ОСНОВЕ ИНТЕЛЛЕКТУАЛЬНОЙ ДИАГНОСТИЧЕСКОЙ СИСТЕМЫ В УСЛОВИЯХ ИНТЕГРИРОВАННОЙ МОДУЛЬНОЙ АВИОНИКИ | 2021 |
|
RU2778366C1 |
| СИСТЕМА ФОРМИРОВАНИЯ ТЕХНОЛОГИЧЕСКОГО ГРАФИКА И МАРШРУТНО-ТЕХНОЛОГИЧЕСКИХ КАРТ ВЫПОЛНЕНИЯ ОПЕРАТИВНОГО ТЕХНИЧЕСКОГО ОБСЛУЖИВАНИЯ ГРУППЫ ВОЗДУШНЫХ СУДОВ | 2023 |
|
RU2825239C1 |
| СИСТЕМА ИНТЕГРИРОВАННОГО КОНТРОЛЯ РАБОТЫ БОРТОВОГО ОБОРУДОВАНИЯ ЛЕТАТЕЛЬНОГО АППАРАТА | 2010 |
|
RU2431175C1 |
| Способ и система для предупреждения о предстоящих аномалиях в процессе бурения | 2021 |
|
RU2772851C1 |
| ЭКСПЕРТНАЯ СИСТЕМА КОНТРОЛЯ РАБОТЫ БОРТОВОГО ОБОРУДОВАНИЯ ЛЕТАТЕЛЬНЫХ АППАРАТОВ | 2012 |
|
RU2517422C1 |
Изобретение относится к диагностическим системам и предназначено для диагностирования информационно-преобразующих элементов (ИПЭ) бортового оборудования (БО) воздушного судна (ВС) на основе машинного обучения. Техническим результатом является уменьшение времени поиска места и причин отказа за счет применения многоканального контроля ИПЭ КБО. Устройство содержит микроконтроллер, запрограммированный на декодирование слов данных, закодированных кодом «Манчестер II», три постоянных запоминающих устройства, коммутатор, нейропроцессор, оперативное запоминающее устройство, программаторы, модуль преобразования электропитания из 27 В постоянного тока в 5 В, 3,3 В, 2 В постоянного тока, шлейф подключения к мультиплексному каналу информационного обмена. 1 ил.
Устройство технического диагностирования комплекса бортового оборудования воздушных судов на основе машинного обучения, содержащее микроконтроллер, запрограммированный на декодирование слов данных, закодированных кодом «Манчестер II», постоянное запоминающее устройство (ПЗУ) 1, предназначенное для хранения обучающих исходных данных, полученных в ходе проведения испытаний бортового оборудования, коммутатор, предназначенный для связи микроконтроллера и нейропроцессора, выполненного в виде интегральной микросхемы К1879 ВМ8Я, оперативное запоминающее устройство (ОЗУ), ПЗУ 2, предназначенное для хранения обученных моделей машинного обучения для каждого информационно-преобразующего элемента (ИПЭ), два программатора, модуль преобразования электропитания, ПЗУ 3, предназначенное для хранения программ автоматического определения оптимальных параметров обучения алгоритмов; программ автоматического определения оптимальных параметров фильтрации одномерного фильтра Калмана для каждого ИПЭ, шлейф подключения к мультиплексному каналу информационного обмена (МКИО), при этом шлейф подключения к МКИО соединен с микроконтроллером, который через программатор соединен с ПЗУ 1, нейропроцессор соединен с ПЗУ 1, ПЗУ 3, ОЗУ, модулем преобразования электропитания, программатором и через другой программатор с ПЗУ 2.
| СПОСОБ ДИАГНОСТИРОВАНИЯ КОМПЛЕКСА БОРТОВОГО ОБОРУДОВАНИЯ ВОЗДУШНЫХ СУДОВ НА ОСНОВЕ МАШИННОГО ОБУЧЕНИЯ | 2023 |
|
RU2809719C1 |
| СПОСОБ ДИАГНОСТИРОВАНИЯ ИНФОРМАЦИОННО-ПРЕОБРАЗУЮЩИХ ЭЛЕМЕНТОВ БОРТОВОГО ОБОРУДОВАНИЯ ВОЗДУШНОГО СУДНА НА ОСНОВЕ МАШИННОГО ОБУЧЕНИЯ | 2022 |
|
RU2802976C1 |
| УСТРОЙСТВО КОНТРОЛЯ ТЕХНИЧЕСКОГО СОСТОЯНИЯ СИСТЕМ САМОЛЁТА | 2022 |
|
RU2789470C1 |
| US 20210397177 A1, 23.12.2021 | |||
| US 7464063 B2, 09.12.2008. | |||
Авторы
Даты
2024-12-16—Публикация
2024-01-29—Подача