Изобретение относится к средствам теплоэнергетики, а в частности к приборам контроля теплового состояния различных изделий при воздействии на них тепловой нагрузки.
Известен способ теплового контроля объекта (см. RU 2751122 С1, 08.07.2021), в котором сначала определяют коэффициент излучения контролируемой поверхности объекта и затем с помощью бесконтактного термографа измеряют температуру поверхности объекта Т(εк), где εк - коэффициент излучения поверхности объекта. Далее наносят на поверхность объекта образцовый материал, измеряют с помощью бесконтактного термографа температуру поверхности образцового материала Т0 (ε0), где ε0 - коэффициент излучения поверхности образцового материала, определяют коэффициент излучения поверхности объекта εк путем решения уравнения: Т(εк)=Т0 (ε0). Перед началом теплового контроля выбирают калибровочный образец с температурой Тп, образцовый материал с коэффициентом излучения (ε0) наносят на поверхность калибровочного образца с температурой Тп, образцовый материал с коэффициентом излучения (ε0) наносят на поверхность калибровочного образца с температурой Тп, измеряют с помощью бесконтактного термографа температуру образцового материала T(ε0) на поверхности калибровочного образца, определяют значение коэффициента излучения образцового материала (ε0), нанесенного на поверхность калибровочного образца, решая уравнение Тп=T(ε0), наносят образцовый материал на поверхность объекта, в поле обзора бесконтактной термографической аппаратуры помещают поверхность объекта с нанесенным образцовым материалом с коэффициентом излучения (ε0), измеряют температуру поверхности объекта с нанесенным образцовым материалом - Т(ε0), измеряют температуру T(sк) поверхности объекта вне нанесенного на нее образцового материала. С учетом значения коэффициента излучения образцового материала (ε0), нанесенного на объект, определяют значение коэффициента излучения поверхности (Δ) объекта, решая уравнение Т(εк)=Т(ε0). Определяют температуру с использованием определенного значения коэффициента излучения поверхности (εк) объекта и проводят тепловой контроль объекта.
К недостатку этого известного технического решения можно отнести сложность процедур, связанную с многократным нанесением на поверхность объекта калибровочного материала и измерением температуры поверхности объекта без образцового материала и с образцовым материалом.
Наиболее близким техническим решением к предлагаемому является принятый автором за прототип способ определения теплового состояния футеровки высокотемпературного агрегата (см. KZ А4 29868, 15.05.2015). Согласно данному способу, в футеровку, представляющую собой слои теплоизоляционного и огнеупорного материалов, устанавливают первый и второй датчики температуры, причем первый датчик температуры располагают на границе теплоизоляционного и огнеупорного слоя, а второй - в любой точке внутри огнеупорного слоя. В этом источнике определение теплового состояния футеровки сводится к получению данных о температурных полях (измерение температур на границе теплоизоляционного и огнеупорного слоя и в точке на определенном расстоянии от внутренней поверхности огнеупорного слоя) в футеровке при ее стационарном и нестационарном теплопроводности в зависимости от времени разогрева агрегата греющей средой Δτ и расстояния (шаг) между двумя ближайшими точками огнеупорного слоя футеровки, в которых будут определять температуры. При этом необходимо, чтобы точки замера температур датчиками попадали на границы любых двух шагов по толщине огнеупорного слоя футеровки Δу.
Недостатком этого известного способа можно считать сложность расчета температур по сечению футеровки и по времени разогрева агрегата, а также выбор шага по времени процесса разогрева и шага по толщине огнеупорного слоя футеровки.
Техническим результатом предлагаемого технического решения является упрощение процесса определения изменения теплового состояния нагреваемого объекта.
Технический результат достигается тем, в способе определения изменения теплового состояния нагреваемого объекта, включающий нагревание контролируемого объекта греющем объектом и измерение температуры нагреваемого объекта первым и вторым датчиками температуры, первый датчик температуры располагают в центре греющего объекта, второй датчик температуры располагают в центре нагреваемого объекта, при равновесии теплового первого состояния термодинамической системы, представленной греющим и нагреваемым объектами, вычисляют термодинамическую энтропию S1 данной системы, затем повышают температуру греющего объекта и измеряют эту температуру первым датчиком температуры, одновременно с этим вторым датчиком температуры измеряют температуру нагреваемого объекта до наступления равновесия теплового следующего состояния системы, при установлении равновесия теплового второго состояния системы вычисляют термодинамическую энтропию S2, и по формуле
где С - теплоемкость нагреваемого и греющего объектов, T1 - температура греющего объекта в момент ее повышения, Т2 - температура нагреваемого объекта до наступления равновесия теплового состояния системы с условием T1>Т2, определяют изменение теплового состояния нагреваемого объекта.
Сущность заявляемого изобретения, характеризуемого совокупностью указанных выше признаков, состоит в том, что на основе вычисления термодинамической энтропии тепловой системы из нагреваемого и греющего объектов, можно обеспечить определение изменения теплового состояния нагреваемого объекта.
Наличие в заявляемом устройстве совокупности перечисленных существующих признаков, позволяет решить задачу определения изменения теплового состояния нагреваемого объекта посредством вычисления энтропии термодинамической системы, включающей объекты нагревания и греющего, с желающим техническим результатом, т.е. упрощением процесса определения изменения теплового состояния нагреваемого объекта.
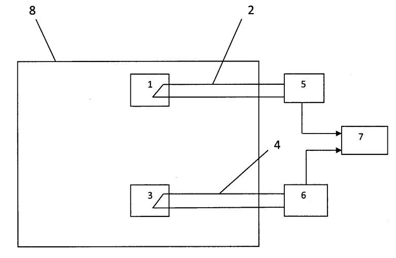
На чертеже приведена функциональная схема устройства, реализующего предлагаемый способ.
Устройство содержит греющий объект 1, первый датчик температуры 2, нагреваемый объект 3, второй датчик температуры 4, первый измеритель температуры 5, второй измеритель температуры 6 и логарифмический вычислитель разности 7. На фигуре цифрой 8 показана оболочка.
Экологическая безопасность и необходимость создания ресурсосберегающих технологий предусматривают контроль теплового состояния, изделий, как на стадии разработки, так и на стадии производства и применения. Для решения этой задачи необходимы данные по истинному значению температуры контролируемых материалов при ее изменении, ибо факт отсутствия реального теплового состояния изделия может сопровождаться его износом и снижением надежности при эксплуатации. Кроме того, как правило, многие объекты, например, строительных конструкций, конструкций из полимерных композиционных материалов в процессе эксплуатации, нагружены силовыми и тепловыми и другими нагрузками. Поэтому тепловой контроль изделий необходим, так как благодаря этому можно снизить усталость материалов и повысить их качество и надежность. В этой связи в данном способе ставится задача определения изменения теплового состояния нагреваемого объекта посредством термодинамической энтропии, которую можно считать наиболее простым и перспективным подходом диагностики температурных полей объектов.
Предлагаемый способ, основывается на вычислении термодинамической энтропии и работает следующим образом. Пусть греющий объект (первый) помещен в адиабатическую оболочку в тепловом контакте с другим (нагреваемым) объектом (второй) с одинаковой теплоемкостью С и температурой этих двух объектов, рассматриваемых как термодинамическую систему (первое тепловое состояние равновесия системы). Примем, что температура первого объекта в некоторый момент времени равна T1, a второго объекта Т2, причем T1>Т2. Тогда согласно законам термодинамической системы, представленной вышеуказанными объектами, для передачи теплоты от первого объекта ко второму объекту можно записать выражение
где k - коэффициент теплопроводности. Как правило, в термодинамических системах при передаче теплоты одного тела к другому, система стремится к термодинамическому равновесию состояния последующим изменением ее энтропии с течением времени. В силу этого при равновесном температурном состоянии (второе) данной системы можно принимать температуру этих двух объектов одинаковой. В рассматриваемом случае, так как данная система из одного теплового равновесия состояния перешла в другое (второе), то энтропия системы стала больше, чем в начальной стадии системы (первое). Если обозначить энтропию первого состояния системы S1, выражающую отношение теплоты к температуре с размерностью Дж/К (или преобразование температуры из Кельвина в градусы Цельсия), а энтропию второго состояния - S2, выражающую другое значение отношения теплоты к температуре с той же размерностью, то по формуле ΔS=S2-S1 с условием S2>S1 можно найти изменение энтропии при переходе данной системы из первого теплового состояние во второе, т.е.
Из приведенной формулы видно, что при известной теплоемкости С, измерением температур T1 и Т2, соответствующих моменту повышения температуры греющего объекта и моменту неизменяющейся еще температуры нагреваемого объекта (T1>Т2) соответственно, вычисление разности термодинамической энтропии при ее изменении от первого термического теплового состояния до второго термического состояния, дает возможность определить изменение тепловое состояние нагреваемого объекта. При этом обратный процесс передачи теплоты от греющего объекта к нагревающему объекту исключается, иными словами, в данном случае имеем дело с замкнутой системой с необратимым процессом и возможностью одновременного нагревания и охлаждения контролируемых объектов по свойствам греющего объекта.
Устройство, реализующее предлагаемый способ, работает следующим образом. Предварительно греющий объект 1 с первым датчиком температуры 2 и нагреваемый объект 3 со вторым датчиком температуры 4, помещают в оболочку 8. Тепловое состояние данной термодинамической системы (начальная стадия), представленной нагреваемым и греющим объектами, при одинаковой температуре принимается нормальным состоянием нагреваемого объекта. Далее повышают температуру греющего объекта и при его нагревании, выходной сигнал первого датчика температуры (расположенного в центре греющего объекта), выполненного в виде термопары, соответствующий более большему значению температуры, чем до нагревания греющего объекта, передают на вход первого измерителя температуры 5. Одновременно с этим, до еще не повышения температуры нагреваемого объекта при повышении температуры греющего объекта, выходной сигнал второго датчика температуры, соответствующий неизменяющейся температуре нагреваемого объекта (расположенного в центре нагреваемого объекта), выполненного в виде термопары, передают на вход второго измерителя температуры 6. После этого измеренные значения температур первого и второго измерителей температуры, характеризующие более высокую температуру греющего объекта и более низку температуру нагреваемого объекта соответственно, с их выходов поступают на первый и второй входы логарифмического вычислителя разности 7. В последнем с учетом известной величины теплоемкости контролируемых объектов, логарифмическое преобразование измеренных выше указанных температур греющего и нагреваемого объектов, дает возможность определить изменение температурного состояния данной системы, в том числе нагреваемого объекта, значение которого можно считать приемным или недопустимым по отношению начальной стадии теплового состояния рассматриваемой системы. При этом согласно работе данного устройства в случае недопустимого значения энтропии, характеризующей критическое тепловое состояние нагреваемого объекта, следует принимать соответствующие меры, например, уменьшить величину теплоты, выдаваемой греющим объектом.
В предлагаемом устройстве, при необходимости, предусмотрена возможность вычисления термодинамической энтропии контролируемой системы ее начальной стадии.
Для этого необходимо измерить величину теплоты калориметром, выдаваемой греющим объектом, и температуру в целом системы одним из двух датчиков температуры с дальнейшим их преобразованием в виде отношения теплоты к температуре.
Таким образом, в предлагаемом техническом решении на основе вычисления энтропии термодинамической системы, представленной греющим объектом и объектом нагревания, можно обеспечить упрощение процесса определения изменения теплового состояния нагреваемого объекта.
Изобретение относится к средствам теплоэнергетики, в частности к приборам контроля теплового состояния различных изделий при воздействии на них тепловой нагрузки. Предложен способ определения изменения теплового состояния нагреваемого объекта, включающий нагревание контролируемого объекта греющим объектом и измерение температуры нагреваемого объекта первым и вторым датчиками температуры. Первый датчик температуры располагают в центре греющего объекта, второй датчик температуры располагают в центре нагреваемого объекта. При равновесии теплового первого состояния термодинамической системы, представленной греющим и нагреваемым объектами, вычисляют термодинамическую энтропию S1 данной системы. Затем повышают температуру греющего объекта и измеряют эту температуру первым датчиком температуры. Одновременно с этим вторым датчиком температуры измеряют температуру нагреваемого объекта до наступления равновесия теплового следующего состояния системы. При установлении равновесия теплового второго состояния системы вычисляют термодинамическую энтропию S2 и по формуле
где С - теплоемкость нагреваемого и греющего объектов, T1 - температура греющего объекта в момент ее повышения, Т2 - температура нагреваемого объекта до наступления равновесия теплового состояния системы с условием T1>Т2, определяют изменение теплового состояния нагреваемого объекта. Техническим результатом предлагаемого технического решения является упрощение процесса определения изменения теплового состояния нагреваемого объекта. 1 ил.
Способ определения изменения теплового состояния нагреваемого объекта, включающий нагревание контролируемого объекта греющим объектом и измерение температуры нагреваемого объекта первым и вторым датчиками температуры, отличающийся тем, что первый датчик температуры располагают в центре греющего объекта, второй датчик температуры располагают в центре нагреваемого объекта, при равновесии теплового первого состояния термодинамической системы, представленной греющим и нагреваемым объектами, вычисляют термодинамическую энтропию S1 данной системы, затем повышают температуру греющего объекта и измеряют эту температуру первым датчиком температуры, одновременно с этим вторым датчиком температуры измеряют температуру нагреваемого объекта до наступления равновесия теплового следующего состояния системы, при установлении равновесия теплового второго состояния системы вычисляют термодинамическую энтропию S2 и по формуле
где С - теплоемкость нагреваемого и греющего объектов, T1 - температура греющего объекта в момент ее повышения, Т2 - температура нагреваемого объекта до наступления равновесия теплового состояния системы с условием T1>Т2, определяют изменение теплового состояния нагреваемого объекта.
| Способ теплового контроля состояния объекта | 2020 |
|
RU2751122C1 |
| СПОСОБ ДИСТАНЦИОННОЙ ОЦЕНКИ ПРОСТРАНСТВЕННОГО РАСПРЕДЕЛЕНИЯ ТЕПЛОФИЗИЧЕСКИХ ПАРАМЕТРОВ ОБЪЕКТОВ И ФОНОВ | 2021 |
|
RU2760528C1 |
| СПОСОБ ДИСТАНЦИОННОЙ ОЦЕНКИ ПРОСТРАНСТВЕННОГО РАСПРЕДЕЛЕНИЯ ТЕПЛОФИЗИЧЕСКИХ ПАРАМЕТРОВ МАТЕРИАЛОВ | 2022 |
|
RU2801295C1 |
| JP 2015108546 A, 11.06.2015 | |||
| Способ измерения разности термодинамических характеристик веществ и дифференциальный адиабатический сканирующий калориметр для его осуществления | 1981 |
|
SU1052964A1 |
| Контрольное приспособление к замку с выдвижной дужкой | 1930 |
|
SU26932A1 |
Авторы
Даты
2025-03-28—Публикация
2024-04-19—Подача